Secciones
Foros Electrónica
Boletines de correo
Boletines
background image

CD4017BC,CD4017BM,CD4022BC,CD4022BM

CD4017BM CD4017BC Decade Counter/Divider with 10 Decoded Outputs CD4022BM 

CD4022BC Divide-by-8 Counter/Divider with 8 Decoded Outputs

Literature Number: SNOS357A

background image

TL/F/5950

CD4017BM/CD4017BC

Decade

Counter/Divider

with

10
Decoded

Outputs

CD4022BM/CD4022BC

Divide-by-8

Counter/Divider

with

8

Decoded

Outputs

March 1988

CD4017BM/CD4017BC Decade Counter/Divider
with 10 Decoded Outputs
CD4022BM/CD4022BC Divide-by-8 Counter/Divider
with 8 Decoded Outputs

General Description

The CD4017BM/CD4017BC is a 5-stage divide-by-10 John-
son counter with 10 decoded outputs and a carry out bit.

The CD4022BM/CD4022BC is a 4-stage divide-by-8 John-
son counter with 8 decoded outputs and a carry-out bit.

These counters are cleared to their zero count by a logical
†˜†˜1’’ on their reset line. These counters are advanced on the
positive edge of the clock signal when the clock enable sig-
nal is in the logical †˜†˜0’’ state.

The configuration of the CD4017BM/CD4017BC and
CD4022BM/CD4022BC permits medium speed operation
and assures a hazard free counting sequence. The 10/8
decoded outputs are normally in the logical †˜†˜0’’ state and go
to the logical †˜†˜1’’ state only at their respective time slot.
Each decoded output remains high for 1 full clock cycle.
The carry-out signal completes a full cycle for every 10/8
clock input cycles and is used as a ripple carry signal to any
succeeding stages.

Features

Y

Wide supply voltage range

3.0V to 15V

Y

High noise immunity

0.45 V

DD

(typ.)

Y

Low power

Fan out of 2 driving 74L

TTL compatibility

or 1 driving 74LS

Y

Medium speed operation

5.0 MHz (typ.)

with 10V V

DD

Y

Low power

10 mW (typ.)

Y

Fully static operation

Applications

Y

Automotive

Y

Instrumentation

Y

Medical electronics

Y

Alarm systems

Y

Industrial electronics

Y

Remote metering

Connection Diagrams

CD4017B

Dual-In-Line Package

TL/F/5950 - 1

Top View

CD4022B

Dual-In-Line Package

TL/F/5950 - 2

Top View

Order Number CD4017B or CD4022B

C1995 National Semiconductor Corporation

RRD-B30M105/Printed in U. S. A.

Obsolete

background image

Absolute Maximum Ratings

(Notes 1 & 2)

If Military/Aerospace specified devices are required,
please contact the National Semiconductor Sales
Office/Distributors for availability and specifications.

DC Supply Voltage (V

DD

)

b

0.5 V

DC

to

a

18 V

DC

Input Voltage (V

IN

)

b

0.5 V

DC

to V

DD

a

0.5 V

DC

Storage Temperature (T

S

)

b

65

§

C to

a

150

§

C

Power Dissipation (P

D

)

Dual-In-Line

700 mW

Small Outline

500 mW

Lead Temperature (T

L

)

(Soldering, 10 seconds)

260

§

C

Recommended Operating
Conditions

(Note 2)

DC Supply Voltage (V

DD

)

a

3 V

DC

to

a

15 V

DC

Input Voltage (V

IN

)

0 to V

DD

V

DC

Operating Temperature Range (T

A

)

CD4017BM, CD4022BM

b

55

§

C to

a

125

§

C

CD4017BC, CD4022BC

b

40

§

C to

a

85

§

C

DC Electrical Characteristics

CD4017BM, CD4022BM (Note 2)

Symbol

Parameter

Conditions

b

55

§

C

a

25

§

a

125

§

C

Units

Min

Max

Min

Typ

Max

Min

Max

I

DD

Quiescent Device

V

DD

e

5V, V

IN

e

V

DD

or V

SS

5

0.3

5

150

m

A

Current

V

DD

e

10V, V

IN

e

V

DD

or V

SS

10

0.5

10

300

m

A

V

DD

e

15V, V

IN

e

V

DD

or V

SS

20

1.0

20

600

m

A

V

OL

Low Level

l

I

O

l

k

1.0 mA

Output Voltage

V

DD

e

5V

0.05

0

0.05

0.05

V

V

DD

e

10V

0.05

0

0.05

0.05

V

V

DD

e

15V

0.05

0

0.05

0.05

V

V

OH

High Level

l

I

O

l

k

1.0 mA

Output Voltage

V

DD

e

5V

4.95

4.95

5

4.95

V

V

DD

e

10V

9.95

9.95

10

9.95

V

V

DD

e

15V

14.95

14.95

15

14.95

V

V

IL

Low Level

l

I

O

l

k

1.0 mA

Input Voltage

V

DD

e

5V, V

O

e

0.5V or 4.5V

1.5

1.5

1.5

V

V

DD

e

10V, V

O

e

1.0V or 9.0V

3.0

3.0

3.0

V

V

DD

e

15V, V

O

e

1.5V or 13.5V

4.0

4.0

4.0

V

V

IH

High Level

l

I

O

l

k

1.0 mA

Input Voltage

V

DD

e

5V, V

O

e

0.5V or 4.5V

3.5

3.5

3.5

V

V

DD

e

10V, V

O

e

1.0V or 9.0V

7.0

7.0

7.0

V

V

DD

e

15V, V

O

e

1.5V or 13.5V

11.0

11.0

11.0

V

I

OL

Low Level Output

V

DD

e

5V, V

O

e

0.4V

0.64

0.51

0.88

0.36

mA

Current (Note 3)

V

DD

e

10V, V

O

e

0.5V

1.6

1.3

2.25

0.9

mA

V

DD

e

15V, V

O

e

1.5V

4.2

3.4

8.8

2.4

mA

I

OH

High Level Output

V

DD

e

5V, V

O

e

4.6V

b

0.25

b

0.2

b

0.36

b

0.14

mA

Current (Note 3)

V

DD

e

10V, V

O

e

9.5V

b

0.62

b

0.5

b

0.9

b

0.35

mA

V

DD

e

15V, V

O

e

13.5V

b

1.8

b

1.5

b

3.5

b

1.1

mA

I

IN

Input Current

V

DD

e

15V, V

IN

e

0V

b

0.1

b

10

b

5

b

0.1

b

1.0

m

A

V

DD

e

15V, V

IN

e

15V

0.1

10

b

5

0.1

1.0

m

A

DC Electrical Characteristics

CD4017BC, CD4022BC (Note 2)

Symbol

Parameter

Conditions

b

40

§

C

a

25

§

a

85

§

C

Units

Min

Max

Min

Typ

Max

Min

Max

I

DD

Quiescent Device

V

DD

e

5V

20

0.5

20

150

m

A

Current

V

DD

e

10V

40

1.0

40

300

m

A

V

DD

e

15V

80

5.0

80

600

m

A

V

OL

Low Level

l

I

O

l

k

1.0 mA

Output Voltage

V

DD

e

5V

0.05

0

0.05

0.05

V

V

DD

e

10V

0.05

0

0.05

0.05

V

V

DD

e

15V

0.05

0

0.05

0.05

V

V

OH

High Level

l

I

O

l

k

1.0 mA

Output Voltage

V

DD

e

5V

4.95

4.95

5

4.95

V

V

DD

e

10V

9.95

9.95

10

9.95

V

V

DD

e

15V

14.95

14.95

15

14.95

V

Note 1:

†˜†˜Absolute Maximum Ratings’’ are those values beyond which the safety of the device cannot be guaranteed, they are not meant to imply that the devices

should be operated at these limits. The table of †˜†˜Recommended Operating Conditions’’ and †˜†˜Electrical Characteristics’’ provides conditions for actual device
operation.

Note 2:

V

SS

e

0V unless otherwise specified.

Note 3:

I

OL

and I

OH

are tested one output at a time.

2

Obsolete

background image

DC Electrical Characteristics

CD4017BC, CD4022BC (Note 2) (Continued)

Symbol

Parameter

Conditions

b

40

§

C

a

25

§

a

85

§

C

Units

Min

Max

Min

Typ

Max

Min

Max

V

IL

Low Level

l

I

O

l

k

1.0 mA

Input Voltage

V

DD

e

5V, V

O

e

0.5V or 4.5V

1.5

1.5

1.5

V

V

DD

e

10V, V

O

e

1.0V or 9.0V

3.0

3.0

3.0

V

V

DD

e

15V, V

O

e

1.5V or 13.5V

4.0

4.0

4.0

V

V

IH

High Level

l

I

O

l

k

1.0 mA

Input Voltage

V

DD

e

5V, V

O

e

0.5V or 4.5V

3.5

3.5

3.5

V

V

DD

e

10V, V

O

e

1.0V or 9.0V

7.0

7.0

7.0

V

V

DD

e

15V, V

O

e

1.5V or 13.5V

11.0

11.0

11.0

V

I

OL

Low Level Output

V

DD

e

5V, V

O

e

0.4V

0.52

0.44

0.88

0.36

mA

Current (Note 3)

V

DD

e

10V, V

O

e

0.5V

1.3

1.1

2.25

0.9

mA

V

DD

e

15V, V

O

e

1.5V

3.6

3.0

8.8

2.4

mA

I

OH

High Level Output

V

DD

e

5V, V

O

e

4.6V

b

0.2

b

0.16

b

0.36

b

0.12

mA

Current (Note 3)

V

DD

e

10V, V

O

e

9.5V

b

0.5

b

0.4

b

0.9

b

0.3

mA

V

DD

e

15V, V

O

e

13.5V

b

1.4

b

1.2

b

3.5

b

1.0

mA

I

IN

Input Current

V

DD

e

15V, V

IN

e

0V

b

0.3

b

10

b

5

b

0.3

b

1.0

m

A

V

DD

e

15V, V

IN

e

15V

0.3

10

b

5

0.3

1.0

m

A

Note 1:

†˜†˜Absolute Maximum Ratings’’ are those values beyond which the safety of the device cannot be guaranteed, they are not meant to imply that the devices

should be operated at these limits. The table of †˜†˜Recommended Operating Conditions’’ and †˜†˜Electrical Characteristics’’ provides condtions for actual device
operation.

Note 2:

V

SS

e

0V unless otherwise specified.

Note 3:

I

OL

and I

OH

are tested one output at a time.

AC Electrical Characteristics

*

T

A

e

25

§

C, C

L

e

50 pF, R

L

e

200k, t

rCL

and t

fCL

e

20 ns, unless otherwise specified

Symbol

Parameter

Conditions

Min

Typ

Max

Units

CLOCK OPERATION

t

PHL,

t

PLH

Propagation Delay Time
Carry Out Line

V

DD

e

5V

415

800

ns

V

DD

e

10V

160

320

ns

V

DD

e

15V

130

250

ns

Carry Out Line

V

DD

e

5V

240

480

ns

V

DD

e

10V

C

L

e

15 pF

85

170

ns

V

DD

e

15V

(

70

140

ns

Decode Out Lines

V

DD

e

5V

500

1000

ns

V

DD

e

10V

200

400

ns

V

DD

e

15V

160

320

ns

t

TLH

, t

THL

Transition Time Carry Out
and Decode Out Lines
t

TLH

V

DD

e

5V

200

360

ns

V

DD

e

10V

100

180

ns

V

DD

e

15V

80

130

ns

t

THL

V

DD

e

5V

100

200

ns

V

DD

e

10V

50

100

ns

V

DD

e

15V

40

80

ns

f

CL

Maximum Clock Frequency

V

DD

e

5V

Measured with

1.0

2

MHz

V

DD

e

10V

Respect to Carry

2.5

5

MHz

V

DD

e

15V

(

Output Line

3.0

6

MHz

t

WL

, t

WH

Minimum Clock

V

DD

e

5V

125

250

ns

Pulse Width

V

DD

e

10V

45

90

ns

V

DD

e

15V

35

70

ns

t

rCL

, t

fCL

Clock Rise and

V

DD

e

5V

20

m

s

Fall Time

V

DD

e

10V

15

m

s

V

DD

e

15V

5

m

s

t

SU

Minimum Clock Inhibit

V

DD

e

5V

120

240

ns

Data Setup Time

V

DD

e

10V

40

80

ns

V

DD

e

15V

32

65

ns

C

IN

Average Input Capacitance

5

7.5

pF

3

Obsolete

background image

AC Electrical Characteristics

*

T

A

e

25

§

C, C

L

e

50 pF, R

L

e

200k, t

rCL

and t

fCL

e

20 ns, unless otherwise specified

Symbol

Parameter

Conditions

Min

Typ

Max

Units

RESET OPERATION

t

PHL, tPLH

Propagation Delay Time
Carry Out Line

V

DD

e

5V

415

800

ns

V

DD

e

10V

160

320

ns

V

DD

e

15V

130

250

ns

Carry Out Line

V

DD

e

5V

240

480

ns

V

DD

e

10V

C

L

e

15 pF

85

170

ns

V

DD

e

15V

(

70

140

ns

Decode Out Lines

V

DD

e

5V

500

1000

ns

V

DD

e

10V

200

400

ns

V

DD

e

15V

160

320

ns

t

W

Minimum Reset

V

DD

e

5V

200

400

ns

Pulse Width

V

DD

e

10V

70

140

ns

V

DD

e

15V

55

110

ns

t

REM

Minimum Reset

V

DD

e

5V

75

150

ns

Removal Time

V

DD

e

10V

30

60

ns

V

DD

e

15V

25

50

ns

*AC Parameters are guaranteed by DC correlated testing.

Timing Diagrams

CD4017B

TL/F/5950 - 3

4

Obsolete

background image

Timing Diagrams

(Continued)

CD4022B

TL/F/5950 - 4

5

Obsolete

background image

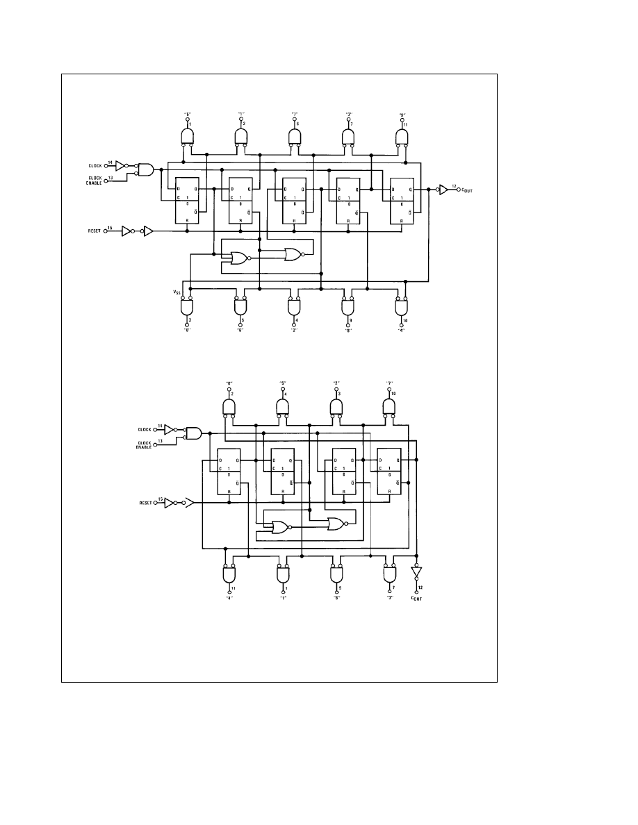
Logic Diagrams

CD4017B

Terminal No. 8

e

GND

TL/F/5950 - 5

Terminal No. 16

e

V

DD

CD4022B

Terminal No. 16

e

V

DD

TL/F/5950 - 6

Terminal No. 8

e

GND

6

Obsolete

background image

Physical Dimensions

inches (millimeters)

Ceramic Dual-In-Line Package (J)

Order Number CD4017BMJ, CD4017BCJ, CD4022BMJ, CD4022BCJ

NS Package Number J16A

7

Obsolete

background image

CD4017BM/CD4017BC

Decade

Counter/Divider

with

10

Decoded

Outputs

CD4022BM/CD4022BC

Divide-by-8

Counter/Divider

with

8

Decoded

Outputs

Physical Dimensions

inches (millimeters) (Continued)

Molded Dual-In-Line Package (N)

Order Number CD4017BMN, CD4017BCN, CD4022BMN, CD4022BCN

NS Package Number N16E

LIFE SUPPORT POLICY

NATIONAL’S PRODUCTS ARE NOT AUTHORIZED FOR USE AS CRITICAL COMPONENTS IN LIFE SUPPORT
DEVICES OR SYSTEMS WITHOUT THE EXPRESS WRITTEN APPROVAL OF THE PRESIDENT OF NATIONAL
SEMICONDUCTOR CORPORATION. As used herein:

1. Life support devices or systems are devices or

2. A critical component is any component of a life

systems which, (a) are intended for surgical implant

support device or system whose failure to perform can

into the body, or (b) support or sustain life, and whose

be reasonably expected to cause the failure of the life

failure to perform, when properly used in accordance

support device or system, or to affect its safety or

with instructions for use provided in the labeling, can

effectiveness.

be reasonably expected to result in a significant injury
to the user.

National Semiconductor

National Semiconductor

National Semiconductor

National Semiconductor

Corporation

Europe

Hong Kong Ltd.

Japan Ltd.

1111 West Bardin Road

Fax: (a49) 0-180-530 85 86

13th Floor, Straight Block,

Tel: 81-043-299-2309

Arlington, TX 76017

Email: cnjwge

@

tevm2.nsc.com

Ocean Centre, 5 Canton Rd.

Fax: 81-043-299-2408

Tel: 1(800) 272-9959

Deutsch Tel: (a49) 0-180-530 85 85

Tsimshatsui, Kowloon

Fax: 1(800) 737-7018

English

Tel: (a49) 0-180-532 78 32

Hong Kong

Fran

3ais Tel: (a49) 0-180-532 93 58

Tel: (852) 2737-1600

Italiano

Tel: (a49) 0-180-534 16 80

Fax: (852) 2736-9960

National does not assume any responsibility for use of any circuitry described, no circuit patent licenses are implied and National reserves the right at any time without notice to change said circuitry and specifications.

Obsolete

background image

IMPORTANT NOTICE

Texas Instruments Incorporated and its subsidiaries (TI) reserve the right to make corrections, modifications, enhancements, improvements,
and other changes to its products and services at any time and to discontinue any product or service without notice. Customers should
obtain the latest relevant information before placing orders and should verify that such information is current and complete. All products are
sold subject to TI

s terms and conditions of sale supplied at the time of order acknowledgment.

TI warrants performance of its hardware products to the specifications applicable at the time of sale in accordance with TI

s standard

warranty. Testing and other quality control techniques are used to the extent TI deems necessary to support this warranty. Except where
mandated by government requirements, testing of all parameters of each product is not necessarily performed.

TI assumes no liability for applications assistance or customer product design. Customers are responsible for their products and
applications using TI components. To minimize the risks associated with customer products and applications, customers should provide
adequate design and operating safeguards.

TI does not warrant or represent that any license, either express or implied, is granted under any TI patent right, copyright, mask work right,
or other TI intellectual property right relating to any combination, machine, or process in which TI products or services are used. Information
published by TI regarding third-party products or services does not constitute a license from TI to use such products or services or a
warranty or endorsement thereof. Use of such information may require a license from a third party under the patents or other intellectual
property of the third party, or a license from TI under the patents or other intellectual property of TI.

Reproduction of TI information in TI data books or data sheets is permissible only if reproduction is without alteration and is accompanied
by all associated warranties, conditions, limitations, and notices. Reproduction of this information with alteration is an unfair and deceptive
business practice. TI is not responsible or liable for such altered documentation. Information of third parties may be subject to additional
restrictions.

Resale of TI products or services with statements different from or beyond the parameters stated by TI for that product or service voids all
express and any implied warranties for the associated TI product or service and is an unfair and deceptive business practice. TI is not
responsible or liable for any such statements.

TI products are not authorized for use in safety-critical applications (such as life support) where a failure of the TI product would reasonably
be expected to cause severe personal injury or death, unless officers of the parties have executed an agreement specifically governing
such use. Buyers represent that they have all necessary expertise in the safety and regulatory ramifications of their applications, and
acknowledge and agree that they are solely responsible for all legal, regulatory and safety-related requirements concerning their products
and any use of TI products in such safety-critical applications, notwithstanding any applications-related information or support that may be
provided by TI. Further, Buyers must fully indemnify TI and its representatives against any damages arising out of the use of TI products in
such safety-critical applications.

TI products are neither designed nor intended for use in military/aerospace applications or environments unless the TI products are
specifically designated by TI as military-grade or

"

enhanced plastic.

"

Only products designated by TI as military-grade meet military

specifications. Buyers acknowledge and agree that any such use of TI products which TI has not designated as military-grade is solely at
the Buyer

'

s risk, and that they are solely responsible for compliance with all legal and regulatory requirements in connection with such use.

TI products are neither designed nor intended for use in automotive applications or environments unless the specific TI products are
designated by TI as compliant with ISO/TS 16949 requirements. Buyers acknowledge and agree that, if they use any non-designated
products in automotive applications, TI will not be responsible for any failure to meet such requirements.

Following are URLs where you can obtain information on other Texas Instruments products and application solutions:

Products

Applications

Audio

Communications and Telecom

Amplifiers

Computers and Peripherals

Data Converters

Consumer Electronics

DLP

®

Products

Energy and Lighting

DSP

Industrial

Clocks and Timers

Medical

Interface

Security

Logic

Space, Avionics and Defense

Power Mgmt

Transportation and Automotive

Microcontrollers

Video and Imaging

RFID

OMAP Mobile Processors

Wireless Connectivity

TI E2E Community Home Page

Mailing Address: Texas Instruments, Post Office Box 655303, Dallas, Texas 75265

Copyright

©

2011, Texas Instruments Incorporated


powered by phppowered by MySQLPOWERED BY APACHEPOWERED BY CentOS© 2004 - 2026Información Legalpoliticas de cookiesipv6 ready