Secciones
Foros Electrónica
Boletines de correo
Boletines
background image

1

FN3166.4

CAUTION: These devices are sensitive to electrostatic discharge; follow proper IC Handling Procedures.

1-888-INTERSIL or 321-724-7143

|

Intersil (and design) is a registered trademark of Intersil Americas Inc.

Copyright  Intersil Americas Inc. 2004. All Rights Reserved

All other trademarks mentioned are the property of their respective owners.

ICM7216B, ICM7216D

8-Digit, Multi-Function, Frequency 
Counters/Timers

The ICM7216B is a fully integrated Timer Counters with LED 
display drivers. They combine a high frequency oscillator, a 
decade timebase counter, an 8-decade data counter and 
latches, a 7-segment decoder, digit multiplexers and 8-
segment and 8-digit drivers which directly drive large 
multiplexed LED displays. The counter inputs have a 
maximum frequency of 10MHz in frequency and unit counter 
modes and 2MHz in the other modes. Both inputs are digital 
inputs. In many applications, amplification and level shifting 
will be required to obtain proper digital signals for these 
inputs.

The ICM7216B can function as a frequency counter, period 
counter, frequency ratio (fA/fB) counter, time interval 
counter or as a totalizing counter. The counter uses either a 
10MHz or 1MHz quartz crystal timebase. For period and 
time interval, the 10MHz timebase gives a 0.1

s resolution. 

In period average and time interval average, the resolution 
can be in the nanosecond range. In the frequency mode, the 
user can select accumulation times of 0.01s, 0.1s, 1s and 
10s. With a 10s accumulation time, the frequency can be 
displayed to a resolution of 0.1Hz in the least significant 
digit. There is 0.2s between measurements in all ranges.

The ICM7216D functions as a frequency counter only, as 
described above.

All versions of the ICM7216 incorporate leading zero 
blanking. Frequency is displayed in kHz. In the ICM7216B, 
time is displayed in 

s. The display is multiplexed at 500Hz 

with a 12.2% duty cycle for each digit. The ICM7216B and 
ICM7216D are designed for common cathode displays with 
typical peak segment currents of 12mA. In the display off 
mode, both digit and segment drivers are turned off, 
enabling the display to be used for other functions.

Features, All Versions

 Functions as a frequency counter (DC to 10MHz)

 Four internal gate times: 0.01s, 0.1s, 1s, 10s in frequency 

counter mode

 Directly drives digits and segments of large multiplexed 

LED displays (common anode and common cathode 
versions)

 Single nominal 5V supply required

 Highly stable oscillator, uses 1MHz or 10MHz crystal

 Internally generated decimal points, interdigit blanking, 

leading zero blanking and overflow indication

 Display off mode turns off display and puts chip into low 

power mode

 Hold and reset inputs for additional flexibility

Features, ICM7216B

 Functions also as a period counter, unit counter, 

frequency ratio counter or time interval counter

 1 cycle, 10 cycles, 100 cycles, 1000 cycles in period, 

frequency ratio and time interval modes

 Measures period from 0.5

s to 10s

Features, ICM7216D

 Decimal point and leading zero banking may be externally 

selected

Part Number Information

PART

NUMBER

TEMP. RANGE 

(

o

C)

PACKAGE

PKG. NO.

ICM7216BlPl

-25 to 85

28 Ld PDIP

E28.6

ICM7216DlPl

-25 to 85

28 Ld PDIP

E28.6

Data Sheet

January 2004

OBSO

LETE 

PROD

UCT

NO RE

COMM

ENDE

D REP

LACE

MENT

conta

ct our

 Techn

ical Su

pport 

Cente

r at

1-888-

INTER

SIL or

 www.

inters

il.com

/tsc

background image

2

Pinouts

ICM7216B (PDIP)

COMMON CATHODE

TOP VIEW

ICM7216D (PDIP)

COMMON CATHODE

TOP VIEW

CONTROL INPUT

INPUT B

FUNCTION INPUT

DIGIT 1 OUTPUT

DIGIT 3 OUTPUT

DIGIT 2 OUTPUT

DIGIT 4 OUTPUT

V

SS

DIGIT 5 OUTPUT

DIGIT 6 OUTPUT

DIGIT 7 OUTPUT

DIGIT 8 OUTPUT

RESET INPUT

RANGE INPUT

INPUT A

OSC OUTPUT

OSC INPUT

EXT OSC INPUT

DECIMAL POINT OUTPUT

SEG 

e

 OUTPUT

SEG 

d

 OUTPUT

V

DD

SEG 

b

 OUTPUT

SEG 

c

 OUTPUT

SEG 

f

 OUTPUT

HOLD INPUT

SEG 

g

 OUTPUT

SEG 

a

 OUTPUT

28

27

26

25

24

23

22

21

20

19

18

17

16

15

1

2

3

4

5

6

7

8

9

10

11

12

13

14

CONTROL INPUT

MEASUREMENT IN PROGRESS

DIGIT 1 OUTPUT

DIGIT 3 OUTPUT

DIGIT 2 OUTPUT

DIGIT 4 OUTPUT

V

SS

DIGIT 5 OUTPUT

DIGIT 6 OUTPUT

DIGIT 7 OUTPUT

DIGIT 8 OUTPUT

RESET INPUT

EX. DECIMAL POINT INPUT

RANGE INPUT

INPUT A

OSC OUTPUT

OSC INPUT

EXT OSC INPUT

DECIMAL POINT OUTPUT

SEG 

e

 OUTPUT

SEG 

d

 OUTPUT

V

DD

SEG 

b

 OUTPUT

SEG 

c

 OUTPUT

SEG 

f

 OUTPUT

HOLD INPUT

SEG 

g

 OUTPUT

SEG 

a

 OUTPUT

28

27

26

25

24

23

22

21

20

19

18

17

16

15

1

2

3

4

5

6

7

8

9

10

11

12

13

14

ICM7216B, ICM7216D

background image

3

Functional Block Diagram

NOTES:

1. Function input and input B available on ICM7216B only.

2. Ext DP input and MEASUREMENT IN PROGRESS output available on ICM7216D only.

STORE AND

RESET LOGIC

REFERENCE

RANGE SELECT

DIGIT

DECODER

OSC

÷

10

4

 OR 

÷

10

5

RANGE

CONTROL

DP

DECODER

SEGMENT

INPUT

INPUT

FN

MAIN

DRIVERS

COUNTER

÷

10

3

LOGIC

LOGIC

FF

CONTROL

LOGIC

CONTROL

LOGIC

CONTROL

LOGIC

DATA LATCHES AND

OUTPUT MUX

MAIN

÷

10

3

 COUNTER

SELECT

CONTROL

LOGIC

LOGIC

DRIVER

LOGIC

EXT

OSC

INPUT

OSC

INPUT

OSC

OUTPUT

RESET

INPUT

INPUT A

FUNCTION

INPUT

(NOTE 1)

D

CL

EN

CL

OVERFLOW

STORE

100Hz

Q

HOLD

INPUT

INPUT B

(NOTE 1)

MEASUREMENT
IN PROGRESS
OUTPUT
(NOTE 2)

SEGMENT
OUTPUTS

EXT
DP
INPUT
(NOTE 2)

CONTROL
INPUT

RANGE
INPUT

DIGIT
OUTPUTS
(8)

(8)

3

8

8

5

6

4

7

8

6

4

4

4

4

4

4

4

4

ICM7216B, ICM7216D

background image

4

Absolute Maximum Ratings

Thermal Information

Maximum Supply Voltage (V

DD

 - V

SS

) . . . . . . . . . . . . . . . . . .  6.5V

Maximum Digit Output Current  . . . . . . . . . . . . . . . . . . . . . . .  400mA
Maximum Segment Output Current. . . . . . . . . . . . . . . . . . . . .  60mA
Voltage On Any Input or
Output Terminal (Note 3). . . . . . . . . . . (V

DD

 +0.3V) to (V

SS

 -0.3V)

Operating Conditions

Temperature Range  . . . . . . . . . . . . . . . . . . . . . . . . .  -25

o

C to 85

o

C

Thermal Resistance (Typical, No

Θ

JA

 (

o

C/W)

Θ

JC

 (

o

C/W)

PDIP Package  . . . . . . . . . . . . . . . . . . .

55

N/A

Maximum Junction Temperature

PDIP Package  . . . . . . . . . . . . . . . . . . . . . . . . . . . . .

150

o

C

Maximum Storage Temperature Range . . . . . . . . . . -65

o

C to 150

o

C

Maximum Lead Temperature (Soldering 10s)  . . . . . . . . . . . .  300

o

C

CAUTION: Stresses above those listed in Absolute Maximum Ratings may cause permanent damage to the device. This is a stress only rating and operation of the
device at these or any other conditions above those indicated in the operational sections of this specification is not implied.

NOTES:

3. The ICM7216 may be triggered into a destructive latchup mode if either input signals are applied before the power supply is applied or if input 

or outputs are forced to voltages exceeding V

DD 

to V

SS 

by more than 0.3V.

4.

Θ

JA

 is measured with the component mounted on an evaluation PC board in free air.

Electrical Specifications

V

DD

 = 5.0V, V

SS

 = 0V, T

A

 = 25

o

C, Unless Otherwise Specified

PARAMETER

TEST CONDITIONS

MIN

TYP

MAX

UNITS

ICM7216B

Operating Supply Current, I

DD

Display Off, Unused Inputs to V

SS

-

2

5

mA

Supply Voltage Range (V

DD

 -V

SS

), V

SUPPLY

INPUT A, INPUT B Frequency at f

MAX

4.75

-

6.0

V

Maximum Frequency INPUT A, Pin 28, f

A(MAX)

Figure ction = Frequency, Ratio, 
Unit Counter

10

-

-

MHz

Function = Period, Time Interval

2.5

-

-

MHz

Maximum Frequency INPUT B, Pin 2, f

B(MAX)

Figure

2.5

-

-

MHz

Minimum Separation INPUT A to INPUT B Time 
Interval Function

Figure

250

-

-

ns

Maximum Oscillator Frequency and External Oscillator 
Frequency, f

OSC

10

-

-

MHz

Minimum External Oscillator Frequency, f

OSC

-

-

100

kHz

Oscillator Transconductance, g

M

V

DD

 = 4.75V, T

A

 = 85 C

2000

-

-

S

Multiplex Frequency, f

MUX

f

OSC

 = 10MHz

-

500

-

Hz

Time Between Measurements

f

OSC

 = 10MHz

-

200

-

ms

Input Voltages: Pins 2, 13, 25, 27, 28

Input Low Voltage, V

INL

-

-

1.0

V

Input High Voltage, V

lNH

3.5

-

-

V

Input Resistance to V

DD

 Pins 13, 24, R

IN

V

IN

 = V

DD

 -1.0V

100

400

-

 k

Input Leakage Pins 27, 28, 2, I

ILK

-

-

20

 

A

Input Range of Change, dV

lN

/dt

Supplies Well Bypassed

-

15

-

mV/

s

Digit Driver: Pins 4, 5, 6, 7, 9, 10, 11, 12

 Low Output Current, I

OL

V

OUT

 = V

SS

 +1.3V

50

75

-

mA

 High Output Current, I

OH

V

OUT

 = V

DD

 -2.5V

-

-100

-

A

Segment Driver: Pins 15, 16, 17, 19, 20, 21, 22, 23

 High Output Current, I

OH

V

OUT

 = V

DD

 -2.0V

-10

-

-

mA

 Leakage Current, I

SLK

V

OUT

 = V

DD

 -2.5V

-

-

10

A

Multiplex Inputs: Pins 1, 3, 14

ICM7216B, ICM7216D

background image

5

 Input Low Voltage, V

INL

-

-

V

DD

 -

2.0

V

 Input High Voltage, V

lNH

V

DD

 -

0.8

-

-

V

 Input Resistance to V

DD

,

 

R

IN

V

lN

 = V

DD

 -2.5V

100

360

-

k

ICM7216D

Operating Supply Current, I

DD

Display Off, Unused Inputs to V

SS

-

2

5

mA

Supply Voltage Range (V

DD

 -V

SS

), V

SUPPLY

 

INPUT A Frequency at f

MAX

4.75

-

6.0

V

Maximum Frequency INPUT A, Pin 28, f

A(MAX)

Figure

10

-

-

MHz

Maximum Oscillator Frequency and External Oscillator 
Frequency, f

OSC

10

-

-

MHz

Minimum External Oscillator Frequency, f

OSC

-

-

100

kHz

Oscillator Transconductance, g

M

V

DD

 = 4.75V, T

A

 = 85 C

2000

-

-

S

Multiplex Frequency, f

MUX

f

OSC

 = 10MHz

-

500

-

Hz

Time Between Measurements

f

OSC

 = 10MHz

-

200

-

ms

Input Voltages: Pins 12, 27, 28

 Input Low Voltage, V

INL

-

-

1.0

V

 Input High Voltage, V

INH

3.5

-

-

V

Input Resistance to V

DD,

 Pins 12, 24, R

IN

V

IN

 = V

DD

 -1.0V

100

400

-

k

Input Leakage, Pins 27, 28, I

ILK

-

-

20

A

Output Current, Pin 2, I

OL

V

OL

 = +0.4V

0.36

-

-

mA

Output Current, Pin 2, I

OH

V

OH

 = V

DD

 -0.8V

265

-

-

A

Input Rate of Change, dV

lN

/dt

Supplies Well Bypassed

-

15

-

mV/

s

Digit Driver: Pins 3, 4, 5, 6, 8, 9, 10, 11

 Low Output Current, I

OL

V

OUT

 = +1.3V

50

75

-

mA

 High Output Current, I

OH

V

OUT

 = V

DD

 -2.5V

-

100

-

A

Segment Driver: Pins 15, 16, 17, 19, 20, 21, 22, 23

 High Output Current, I

OH

V

OUT

 = V

DD

 -2.0V

10

15

mA

 Leakage Current, I

SLK

V

OUT

 = V

DD

 -2.5V

-

-

10

A

Multiplex Inputs: Pins 1, 13, 14

 Input Low Voltage, V

lNL

-

-

V

DD

 -

2.0

V

 Input High Voltage, V

INH

V

DD

 -

0.8

-

-

V

 Input Resistance to V

DD

,

 

R

lN

V

IN

 = V

DD

 -1.0V

100

360

-

k

Electrical Specifications

V

DD

 = 5.0V, V

SS

 = 0V, T

A

 = 25

o

C, Unless Otherwise Specified

 (Continued)

PARAMETER

TEST CONDITIONS

MIN

TYP

MAX

UNITS

ICM7216B, ICM7216D

background image

6

Timing Diagram

MEASUREMENT

IN PROGRESS

(INTERNAL ON

7216B)

30ms TO 40ms

INTERNAL

STORE

INTERNAL

RESET

INPUT A

INPUT B

PRIMING EDGES

PRIMING

FUNCTION:
TIME INTERVAL

UPDATE

190ms TO 200ms

40ms

60ms

40ms

MEASUREMENT INTERVAL

250ns MIN

MEASURED

INTERVAL

(FIRST)

MEASURED

INTERVAL

(LAST)

UPDATE

NOTE:

5. If range is set to 1 event, first and last measured interval will coincide.

FIGURE 1. WAVEFORMS FOR TIME INTERVAL MEASUREMENT (OTHERS ARE SIMILAR, BUT WITHOUT PRIMING PHASE)

Typical Performance Curves 

FIGURE 2. f

A

(MAX), f

B

(MAX) AS A FUNCTION OF SUPPLY

FIGURE 3. TYPICAL I

SEG

 vs V

DD

-V

OUT

f

A

 (MAX) FREQUENCY UNIT COUNTER,

FREQUENCY RATIO MODES

f

A

 (MAX) f

B

 (MAX) PERIOD,

TIME INTERVAL MODES

T

A

 = 25

o

C

V

DD

-V

SS

 (V)

FREQUENCY (MHz

)

20

15

10

5

0

3

4

5

6

85

o

C

-20

o

C

4.5 

 V

DD

 

 6V

30

20

10

0

0

1

2

3

V

DD

-V

OUT

 (V)

I

SE

G

 (mA)

25

o

C

ICM7216B, ICM7216D

background image

7

Description

INPUTS A and B

INPUTS A and B are digital inputs with a typical switching 
threshold of 2V at V

DD

 = 5V. For optimum performance the 

peak-to-peak input signal should be at least 50% of the 
supply voltage and centered about the switching voltage. 
When these inputs are being driven from TTL logic, it is 
desirable to use a pullup resistor. The circuit counts high to 
low transitions at both inputs. (INPUT B is available only on 
lCM7216B).

Note that the amplitude of the input should not exceed the 
device supply (above the VDD and below the VSS) by more 
than 0.3V, otherwise the device may be damaged.

Multiplexed Inputs

The FUNCTION, RANGE, CONTROL and EXTERNAL 
DECIMAL POINT inputs are time multiplexed to select the 
function desired. This is achieved by connecting the 
appropriate Digit driver output to the inputs. The function, 
range and control inputs must be stable during the last half 
of each digit output, (typically 125

s). The multiplexed inputs 

are active low for the common cathode lCM7216B and 
lCM7216D.

Noise on the multiplex inputs can cause improper operation. 
This is particularly true when the 

unit counter

 mode of 

operation is selected, since changes in voltage on the digit 
drivers can be capacitively coupled through the LED diodes 
to the multiplex inputs. For maximum noise immunity, a 
10k

 resistor should be placed in series with the multiplexed 

inputs as shown in the application circuits.

Tabllected by each digit for 
these inputs.

.

FIGURE 4. TYPICAL I

DIGIT

 vs V

OUT

FIGURE 5. TYPICAL I

DIGIT

 vs V

OUT

Typical Performance Curves 

 (Continued)

85

o

C

-20

o

C

V

DD

 = 5V

200

150

100

0

0

1

2

3

V

OUT

 (V)

I

DIGIT

 (m

A

)

25

o

C

50

V

DD

 = 5.5V

200

50

100

0

0

1

2

3

V

OUT

 (V)

I

DIGIT

 (mA)

50

T

A

 = 25

o

C

V

DD

 = 4.5V

V

DD

 = 5V

TABLE 1. MULTIPLEXED INPUT FUNCTIONS 

FUNCTION

DIGIT

FUNCTION INPUT 
(Pin 3, lCM7216B Only)

Frequency

D1

Period

D8

Frequency Ratio

D2

Time Interval

D5

Unit Counter

D4

Oscillator Frequency

D3

RANGE INPUT, Pin 14

0.01s/1 Cycle

D1

0.1s/10 Cycles

D2

1s/100 Cycles

D3

10s/1K Cycles

D4

CONTROL INPUT, Pin 1

Display Off

D4 and 

Hold

Display Test

D8

1MHz Select

D2

External Oscillator Enable

D1

External Decimal Point
Enable

D3

External DP INPUT 
(Pin 13, ICM7216D Only)

Decimal point is output for same digit 
that is connected to this input.

ICM7216B, ICM7216D

background image

8

9.

Function Input

The six functions that can be selected are: 

Frequency, 

Period, Time Interval, Unit Counter, Frequency Ratio

 and 

Oscillator Frequency.

 This input is available on the 

lCM7216B only.

The implementation of different functions is done by routing 
the different signals to two counters, called Main Counter 
and Reference Counter. A simplified block diagram of the 
device for functions realization is shown in FiTable shows which signals will be routed to each counter in 
different cases. The output of the Main Counter is the 
information which goes to the display. The Reference 
Counter divides its input by 1, 10, 100 and 1000. One of 
these outputs will be selected through the range selector 
and drive the enable input of the Main Counter. This means 
that the Reference Counter, along with its associated blocks, 
directs the Main Counter to begin counting and determines 
the length of the counting period. Note that Figuoes not 
show the complete functional diagram (See the Functional 
Block Diagram). After the end of each counting period, the 
output of the Main Counter will be latched and displayed, 
then the counter will be reset and a new measurement cycle 
will begin. Any change in the FUNCTION INPUT will stop the 
present measurement without updating the display and then 
initiate a new measurement. This prevents an erroneous first 
reading after the FUNCTION INPUT is changed. In all cases, 
the 1-0 transitions are counted or timed.

INPUT A

4.5V

0.5V

50ns MIN

tr = tf = 10ns

COUNTED
TRANSITIONS

50ns MIN

FIGURE 6. WAVEFORM FOR GUARANTEED MINIMUM 

f

A

(MAX) FUNCTION = FREQUENCY, 

FREQUENCY RATIO, UNIT COUNTER

INPUT A OR

INPUT B

4.5V

0.5V

MEASURED

INTERVAL

250ns

MIN

tr = tf = 10s

250ns

MIN

FIGURE 7. WAVEFORM FOR GUARANTEED MINIMUM 

f

B

(MAX) AND f

A

(MAX) FOR FUNCTION = PERIOD 

AND TIME INTERVAL

INTERNAL CONTROL

100Hz

INPUT A

INPUT B

INPUT

SELECTOR

INTERNAL OR

EXTERNAL

OSCILLATOR

INPUT A

ENABLE

CLOCK

MAIN COUNTER

RANGE SELECTOR

÷1

÷10

÷100 ÷1000

INTERNAL CONTROL

INTERNAL CONTROL

CLOCK

INTERNAL CONTROL

INPUT

SELECTOR

REFERENCE COUNTER

FIGURE 8. SIMPLIFIED BLOCK DIAGRAM OF FUNCTIONS IMPLEMENTATION

TABLE 2. 7216B INPUT ROUTING

FUNCTION

MAIN 

COUNTER

REFERENCE COUNTER

Frequency (f

A

)

Input A

100Hz (Oscillator 

÷

10

5

 or 

10

4

)

Period (t

A

)

Oscillator

Input A

Ratio (f

A

/f

B

)

Input A

Input B

Time Interval 
(A

B)

Oscillator

Input A
Input B

Unit Counter 
(Count A)

Input A

Not Applicable

Osc. Freq. 
(f

OSC

)

Oscillator

100Hz (Oscillator 

÷

10

5

 or 

10

4

)

TABLE 2. 7216B INPUT ROUTING

FUNCTION

MAIN 

COUNTER

REFERENCE COUNTER

ICM7216B, ICM7216D

background image

9

Frequency

 - In this mode input A is counted by the Main 

Counter for a precise period of time. This time is determined 
by the time base oscillator and the selected range. For the 
10MHz (or 1MHz) time base, the resolutions are 100Hz, 
10Hz, 1Hz and 0.1Hz. The decimal point on the display is 
set for kHz reading.

Period

 - In this mode, the timebase oscillator is counted by 

the Main Counter for the duration of 1, 10, 100 or 1000 
(range selected) periods of the signal at input A. A 10MHz 
timebase gives resolutions of 0.1

s to 0.0001

s for 1000 

periods averaging. Note that the maximum input frequency 
for period measurement is 2.5MHz.

Frequency Ratio

 - In this mode, the input A is counted by 

the Main Counter for the duration of 1, 10, 100 or 1000 
(range selected) periods of the signal at input B. The 
frequency at input A should be higher than input B for 
meaningful result. The result in this case is unitless and its 
resolution can go up to three digits after decimal point.

Time Interval

 - In this mode, the timebase oscillator is 

counted by the Main Counter for the duration of a 1-0 
transition of input A until a 1-0 transition of input B. This 
means input A starts the counting and input B stops it. If other 
ranges, except 0.01s/1 cycle are selected the sequence of 
input A and B transitions must happen 10, 100 or 1000 times 
until the display becomes updated; note this when measuring 
long time intervals to give enough time for measurement 
completion. The resolution in this mode is the same as for 
period measurement. See the 

Time Interval Measurement

 

section also.

Unit Counter

 - In this mode, the Main Counter is always 

enabled. The input A is counted by the Main Counter and 
displayed continuously.

Oscillator Frequency

 - In this mode, the device makes a 

frequency measurement on its timebase. This is a self test 
mode for device functionality check. For 10MHz timebase 
the display will show 10000.0, 10000.00, 10000.000 and 
Overflow in different ranges.

Range Input

The RANGE INPUT selects whether the measurement 
period is made for 1, 10, 100 or 1000 counts of the 
Reference Counter. As it is shown in Table  this gives 
different counting windows for frequency measurement and 
various cycles for other modes of measurement.

In all functional modes except Unit Counter, any change in 
the RANGE INPUT will stop the present measurement 
without updating the display and then initiate a new 
measurement. This prevents an erroneous first reading after 
the RANGE INPUT is changed.

Control Input

Unlike the other multiplexed inputs, to which only one of the 
digit outputs can be connected at a time, this input can be 

tied to different digit lines to select combination of controls. 
In this case, isolation diodes must be used in digit lines to 
avoid crosstalk between them (see Figurehe direction 
of diodes depends on the device version, common anode or 
common cathode. For maximum noise immunity at this 
input, in addition to the 10K resistor which was mentioned 
before, a 39pF to 100pF capacitor should also be placed 
between this input and the VDD or VSS (See Figure 

Display Off

 - To disable the display drivers, it is necessary to 

tie the D4 line to the CONTROL INPUT and have the HOLD 
input at V

DD

. While in Display Off mode, the segments and 

digit drivers are all off, leaving the display lines floating, so the 
display can be shared with other devices. In this mode, the 
oscillator continues to run with a typical supply current of 
1.5mA with a 10MHz crystal, but no measurements are made 
and multiplexed inputs are inactive. A new measurement 
cycle will be initiated when the HOLD input is switched to 
V

SS

.

Display Test

 - Display will turn on with all the digits showing 

8s and all decimal points on. The display will be blanked if 
Display Off is selected at the same time.

1MHz Select

 - The 1MHz select mode allows use of a 1MHz 

crystal with the same digit multiplex rate and time between 
measurement as with a 10MHz crystal. This is done by 
dividing the oscillator frequency by 10

4

 rather than 10

5

. The 

decimal point is also shifted one digit to the right in period 
and time interval, since the least significant digit will be in 

increment rather than 0.1

s increment.

External Oscillator Enable

 - In this mode, the signal at EXT 

OSC INPUT is used as a timebase instead of the on-board 
crystal oscillator (built around the OSC INPUT, OSC 
OUTPUT inputs). This input can be used for an external 
stable temperature compensated crystal oscillator or for 
special measurements with any external source. The on-
board crystal oscillator continues to work when the external 
oscillator is selected. This is necessary to avoid hang-up 
problems, and has no effect on the chip's functional 
operation. If the on-board oscillator frequency is less than 
1MHz or only the external oscillator is used, 

the OSC INPUT 

must be connected to the EXT OSC INPUT

 providing the 

timebase has enough voltage swing for OSC INPUT (See 

Electrical Specifications

). If the external timebase is TTL 

level a pullup resistor must be used for OSC INPUT. The 
other way is to put a 22M

 resistor between OSC INPUT 

and OSC OUTPUT and capacitively couple the EXT OSC 
INPUT to OSC INPUT. This will bias the OSC INPUT at its 
threshold and the drive voltage will need to be only 2VP-P. 
The external timebase frequency must be greater than 
100kHz or the chip will reset itself to enable the on-board 
oscillator.

External Decimal Point Enable

 - In this mode, the EX DP 

INPUT is enabled (lCM7216D only). A decimal point will be 
displayed for the digit that its output line is connected to this 

ICM7216B, ICM7216D

background image

10

input (EX DP INPUT). Digit 8 should not be used since it will 
override the overflow output. Leading zero blanking is 
effective for the digits to the left of selected decimal point.

Hold Input

Except in the 

unit counter mode

, when the HOLD input is 

at VDD, any measurement in progress (before STORE goes 
low) is stopped, the main counter is reset and the chip is 
held ready to initiate a new measurement as soon as HOLD 
goes low. The latches which hold the main counter data are 
not updated, so the last complete measurement is displayed. 
In 

unit counter

 mode when HOLD input is at VDD, the 

counter is not stopped or reset, but the display is frozen at 
that instantaneous value. When HOLD goes low the count 
continues from the new value in the new counter.

RESET Input

The RESET input resets the main counter, stops any 
measurement in progress, and enables the main counter 
latches, resulting in an all zero output. A capacitor to ground 
will prevent any hang-ups on power-up.

MEASUREMENT IN PROGRESS

This output is provided in lCM7216D. It stays low during 
measurements and goes high for intervals between 
measurements. It is provided for system interfacing and can 
drive a low power Schottky TTL or one ECL load if the ECL 
device is powered from the same supply as lCM7216D.

Decimal Point Position

Tablews the decimal point position for different modes 
of lCM7216 operation. Note that the digit 1 is the least 
significant digit. Tabl for 10MHz timebase frequency.

Overflow Indication

When overflow happens in any measurement it will be 
indicated on the decimal point of the digit 8. A separate LED 
indicator can be used. Figure shows how to connect this 
indicator.

Overflow will be indicated on the decimal point output of 
digit 8. A separate LED overflow indicator can be connected 
as follows:

Time Interval Measurement

When in the 

time interval

 mode and measuring a single 

event, the lCM7216B must first be primed prior to measuring 
the event of interest. This is done by first generating a 
negative going edge on Channel A followed by a negative 
going edge on Channel B to start the measurement interval. 
The inputs are then primed ready for the measurement. 
Positive going edges on A and B, before or after the priming, 
will be needed to restore the original condition.

Priming can be easily accomplished using the circuit in
Fi(next page).

DEVICE

CATHODE

ANODE

ICM7216B/D

D8

Decimal Point

a

b

c

d

f

g

e

DP

FIGURE 9. SEGMENT IDENTIFICATION AND DISPLAY FONT

TABLE 3. DECIMAL POINT POSITIONS

RANGE

FREQUENCY

PERIOD

 FREQUENCY 

RATIO

TIME

INTERVAL

UNIT 

COUNTER

OSCILLATOR

FREQUENCY

0.01s/1  Cycle

D2

D2

D1

D2

D1

D2

0.1s/10  Cycle

D3

D3

D2

D3

D1

D3

1s/100  Cycle

D4

D4

D3

D4

D1

D4

10s/1K  Cycle

D5

D5

D4

D5

D1

D5

ICM7216B, ICM7216D

background image

11

Following the priming procedure (when in single event or 1 
cycle range) the device is ready to measure one (only) 
event.

When timing repetitive signals, it is not necessary to prime 
the lCM7216B as the first alternating signal states 
automatically prime the device. See Fi

During any time interval measurement cycle, the lCM7216B 
require 200ms following B going low to update all internal 
logic. A new measurement cycle will not take place until 
completion of this internal update time.

Oscillator Considerations

The oscillator is a high gain CMOS inverter. An external 
resistor of 10M

 to 22M

 should be connected between the 

OSCillator INPUT and OUTPUT to provide biasing. The 
oscillator is designed to work with a parallel resonant 10MHz 
quartz crystal with a static capacitance of 22pF and a series 
resistance of less than 35

.

For a specific crystal and load capacitance, the required gM 
can be calculated as follows:

CO = Crystal Static Capacitance

RS = Crystal Series Resistance

CIN = Input Capacitance

COUT = Output Capacitance

ω

 = 2

π

f

The required gM should not exceed 50% of the gM specified 
for the lCM7216 to insure reliable startup. The OSCillator 

INPUT and OUTPUT pins each contribute about 5pF to CIN 
and COUT. For maximum stability of frequency, CIN and 
COUT should be approximately twice the specified crystal 
static capacitance.

In cases where non decade prescalers are used it may be 
desirable to use a crystal which is neither 10MHz or 1MHz. 
In that case both the multiplex rate and time between 
measurements will be different. The multiplex rate is

 for 10MHz mode and 

 for

the 1MHz mode. The time between measurements is

 in the 10MHz mode and 

 in the 1MHz mode.

The crystal and oscillator components should be located as 
close to the chip as practical to minimize pickup from other 
signals. Coupling from the EXTERNAL OSClLLATOR 
INPUT to the OSClLLATOR OUTPUT or INPUT can cause 
undesirable shifts in oscillator frequency.

Display Considerations

The display is multiplexed at a 500Hz rate with a digit time of 
244

s. An interdigit blanking time of 6

s is used to prevent 

display ghosting (faint display of data from previous digit 
superimposed on the next digit). Leading zero blanking is 
provided, which blanks the left hand zeroes after decimal 
point or any non zero digits. Digits to the right of the decimal 
point are always displayed. The leading zero blanking will be 
disabled when the Main Counter overflows.

The lCM7216B and lCM7216D are designed to drive 
common cathode displays at peak current of 15mA/segment 
using displays with VF = 1.8V at 15mA. Resistors can be 
added in series with the segment drivers to limit the display 
current in very efficient displays, if required. The 

Typical

 

Performance Curves

 show the digit and segment currents as 

a function of output voltage.

To get additional brightness out of the displays, VDD may be 
increased up to 6.0V. However, care should be taken to see 
that maximum power and current ratings are not exceeded.

The segment and digit outputs in lCM7216s are not directly 
compatible with either TTL or CMOS logic when driving 
LEDs. Therefore, level shifting with discrete transistors may 
be required to use these outputs as logic signals.

Accuracy

In a Universal Counter crystal drift and quantization effects 
cause errors. In 

frequency, period

 and 

time interval

 

modes, a signal derived from the oscillator is used in either 
the Reference Counter or Main Counter. Therefore, in 
these modes an error in the oscillator frequency will cause 
an identical error in the measurement. For instance, an 
oscillator temperature coefficient of

 will cause a 

measurement error of 

SIGNAL A

SIGNAL B

INPUT A

INPUT B

V

DD

N.O.

100K

1N914

V

DD

150K

1

0.1

F

10K

10nF

1

1

1

2

2

V

SS

V

SS

V

SS

PRIME

FIGURE 10. PRIMING CIRCUIT, SIGNALS A AND B BOTH 

HIGH OR LOW

DEVICE

TYPE

1

CD4049B Inverting Buffer

2

CD4070B Exclusive - OR

g

M

ω

2

C

IN

C

OUT

R

S

1

C

O

C

L

--------

+

2

=

where C

L

C

IN

C

OUT

C

IN

C

OUT

+

---------------------------------

=

f

MUX

f

OSC

2

10

4

×

-------------------

=

f

MUX

f

OSC

2

10

3

×

-------------------

=

2

10

6

×

f

OSC

-------------------

2

10

5

×

f

OSC

-------------------

20

PPM

C

o

-------------------

20

PPM

C

o

-------------------

ICM7216B, ICM7216D

background image

12

In addition, there is a quantization error inherent in any digital 
measurement of 

1 count. Clearly this error is reduced by 

displaying more digits. In the 

frequency

 mode the maximum 

accuracy is obtained with high frequency inputs and in 

period

 

mode maximum accuracy is obtained with low frequency 
inputs (as can be seen in Figu

time interval 

measurements there can be an error of 1 count per interval. 
As a result there is the same inherent accuracy in all ranges 
as shown in Fi

frequency ratio

 measurement can 

be more accurately obtained by averaging over more cycles 
of INPUT B as shown in

FIGURE 11. MAXIMUM ACCURACY OF FREQUENCY AND 

PERIOD MEASUREMENTS DUE TO LIMITATIONS 
OF QUANTIZATION ERRORS

FIGURE 12. MAXIMUM ACCURACY OF TIME INTERVAL 

MEASUREMENT DUE TO LIMITATIONS OF 
QUANTIZATION ERRORS

FIGURE 13. MAXIMUM ACCURACY FOR FREQUENCY RATIO MEASUREMENT DUE TO LIMITATION OF QUANTIZATION ERRORS

FREQUENCY MEASURE

0

2

4

8

1

10

10

3

10

7

FREQUENCY (Hz)

MAX

IMUM NU

MBE

R

 O

F

6

0.01s

SIGNIFICANT D

IGITS

10

5

0.1s

10s

1s

PERIOD MEASURE
f

OSC

 = 10MHz

1 CYCLE

10 CYCLES

10

3

 CYCLES

10

2

 CYCLES

MAXIMUM TIME INTERVAL
FOR 10

3

 INTERVALS

MAXIMUM TIME
INTERVAL FOR
10

2

 INTERVALS

MAXIMUM TIME INTERVAL

FOR 10 INTERVALS

10

3

10

4

10

5

10

6

10

7

10

8

10

2

10

1

0

1

2

3

4

5

6

7

8

TIME INTERVAL (

s)

MAXIMU

M NUMBER OF

SIGNIFICANT

 DIGITS

1 CYCLE
10 CYCLES

10

3

 CYCLES

10

2

 CYCLES

RANGE

10

3

10

4

10

5

10

6

10

7

10

8

10

2

10

1

0

1

2

3

4

5

6

7

8

MAXIMUM NUMBER 

OF

SIGNIFICANT DIGITS

f

A

/ f

B

ICM7216B, ICM7216D

background image

13

Test Circuit

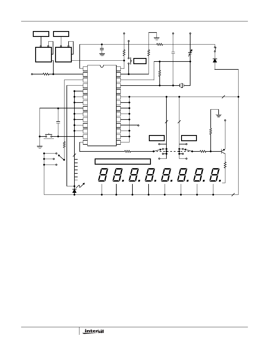
Typical Applications

The lCM7216 has been designed for use in a wide range of 
Universal and Frequency counters. In many cases, prescalers 
will be required to reduce the input frequencies to under 10MHz. 
Because INPUT A and INPUT B are digital inputs, additional 
circuitry is often required for input buffering, amplification, 
hysteresis, and level shifting to obtain a good digital signal.

The lCM7216B can be used as a minimum component 
complete Universal Counter as shown in Figure  This 
circuit can use input frequencies up to 10MHz at INPUT A 
and 2MHz at INPUT B. If the signal at INPUT A has a very 
low duty cycle it may be necessary to use a 74LS121 
monostable multivibrator or similar circuit to stretch the input 
pulse width to be able to guarantee that it is at least 50ns in 
duration.

To measure frequencies up to 40MHz the circuit of 
Figure n be used. To obtain the correct measured 
value, it is necessary to divide the oscillator frequency by 

four as well as the input frequency. In doing this the time 
between measurements is also lengthened to 800ms and 
the display multiplex rate is decreased to 125Hz.

If the input frequency is prescaled by ten, then the oscillator 
can remain at 10MHz or 1MHz, but the decimal point must 
be moved one digit to the right. Figu shows a frequency 
counter with a 

÷

10

 prescaler and an lCM7216A. Since there 

is no external decimal point control with the lCM7216B, the 
decimal point may be controlled externally with additional 
drivers as shown in Figurnatively, if separate 
anodes are available for the decimal points, they can be 
wired up to the adjacent digit anodes. Note that there can be 
one zero to the left of the decimal point since the internal 
leading zero blanking cannot be changed. In Figure additional logic has been added to count the input directly in 

period

 mode for maximum accuracy. In Figuresa

INPUT A comes from QC of the prescaler rather than QD to 
obtain an input duty cycle of 40%.

FUNCTION

28

27

26

25

24

23

22

21

20

19

18

17

16

15

1

2

3

4

5

6

7

8

9

10

11

12

13

14

a
b
c
d
e
f

g

DP

INPUT A

100pF

INPUT B

10K

DP

D1

D2

D3

D4

D8

D5

F

P

FR

TI.

U.C.

O.F.

RESET

LED

OVERFLOW

INDICATOR

D8

D8

D7

D6

D5

D4

D3

D2

D1

D1

D2

D3

D4

.01/1

.1/10

1/100

10/1K

10k

D1

D2

D3

D4

D5

D6

D7

D8

V

DD

ICM7216A

e

g

a

d

b

c

f

V

DD

10k

V

DD

10k

22M

10MHz

CRYSTAL

39pF

TYP

V

DD

DISPLAY

BLANK

DISPLAY

TEST

1MHz

EXT

TEST

OSC

39pF

D4

D8

D2

D1

D5

EXT

OSC

INPUT

TYPICAL CRYSTAL SPECS:
F = 10MHz PARALLEL RESONANCE
C

L

 = 22pF

R

S

 = <35

FUNCTION

RANGE

8

8

4

6

8

HOLD

GENERATOR

FUNCTION

GENERATOR

1N914s

FIGURE 14. TEST CIRCUIT (ICM7216A SHOWN, OTHERS SIMILAR)

ICM7216B, ICM7216D

background image

14

FIGURE 15. 10MHz UNIVERSAL COUNTER

INPUT A

28

27

26

25

24

23

22

21

20

19

18

17

16

15

1

2

3

4

5

6

7

8

9

10

11

12

13

14

a

b

c

d

e

f

g

DP

10k

D1

D1

D2

D3

D4

D8

D5

F

P

F.R.

T.I.

U.C.

O.F.

LED

OVERFLOW

INDICATOR

D8

D8

D7

D6

D5

D4

D3

D2

D1

DP

g

e

a

D1

D2

D3

D4

d

b

c

f

V

DD

ICM7216B

D3

D2

D4

D5

D6

D7

D8

V

DD

V

DD

22M

10MHz

CRYSTAL

39pF

TYP

DISPLAY

BLANK

DISPLAY

TEST

EXT

OSC

D4

D8

D1

EXT
OSC
INPUT

FUNCTION

HOLD

INPUT B

ENABLE

100k

CONTROL

SWITCHES

SEC

CYCLES

D1

0.01

1.0

D2

0.1

10.0

D3

1.0

100.0

D4

10.0

1K

RANGE

10k

10k

SEGMENT DRIVERS

RESET

DIGIT

DRIVERS

COMMON CATHODE LED DISPLAY

0.1

F

6

8

8

8

8

39pF

V

DD

4

3

100pF

1N914s

ICM7216B, ICM7216D

background image

15

FIGURE 16. 40MHz FREQUENCY COUNTER

28

27

26

25

24

23

22

21

20

19

18

17

16

15

1

2

3

4

5

6

7

8

9

10

11

12

13

14

a

b

c

d

e

f

g

DP

D1

OVERFLOW

INDICATOR

D8

D7

D6

D5

D4

D3

D2

D1

DP

g

e

a

d

b

c

f

ICM7216D

D3

D2

D4

D5

D6

D7

D8

V

DD

V

DD

22M

2.5MHz

CRYSTAL

39pF

DISPLAY

TEST

DISPLAY

OFF

EXT

OSC

D1

D4

D8

EXT

OSC

INPUT

HOLD

ENABLE

COMMON CATHODE LED DISPLAY

8

3

1N914s

LED

OVERFLOW

INDICATOR

D1

D2

D3

D4

RANGE

RESET

a
b
c
d
e
f

g

DP

39pF

100k

INPUT A

1

/

2

74LS112

1

/

2

74LS112

4

8

8

10k

100pF

10k

3k

J

3

1

CL

K 2

C

15

V+

Q 5

Q 6

K 12

13

CL

J 11

C

14

P

10

P

4

Q 7

Q 9

0.1

F

V

DD

V

DD

D8

ICM7216B, ICM7216D

background image

16

FIGURE 17. 100MHz MULTIFUNCTION COUNTER

28

27

26

25

24

23

22

21

20

19

18

17

16

15

1

2

3

4

5

6

7

8

9

10

11

12

13

14

a
b
c
d
e
f

g

100pF

DP

D1

D2

D8

RESET

LED

OVERFLOW

INDICATOR

D8

D8

D7

D6

D5

D4

D3

D2

D1

D1

D2

D3

D4

10k

D1

D2

D3

D4

D5

D6

D7

D8

V

DD

ICM7216A

e

g

a

d

b

c

f

V

DD

10k

V

DD

10k

22M

10MHz

CRYSTAL

30pF

TYP

V

DD

DISPLAY

TEST

39pF

D7

RANGE

8

8

8

HOLD

V

DD

3k

D1

D2

D3

D4

DP

1k

DP

40

V

SS

1k

0.1

F

F

P

F.R.

10k

INPUT B

INPUT A

CK1 CK2

QA

QC

QA

QC

74LS90 OR

11C90

CK2

CK1

11C90

3k

V

DD

4

4

COMMON ANODE LED DISPLAY

2N2222

1N914

ICM7216B, ICM7216D

background image

17

FIGURE 18. 100MHz FREQUENCY, 2MHz PERIOD COUNTER

28

27

26

25

24

23

22

21

20

19

18

17

16

15

1

2

3

4

5

6

7

8

9

10

11

12

13

14

a
b
c
d
e
f

g

100pF

DP

D8

D8

D7

D6

D5

D4

D3

D2

D1

D1

D2

D3

D4

10k

D1

D2

D3

D4

D5

D6

D7

D8

V

DD

ICM7216A

e

g

a

d

b

c

f

V

DD

100k

V

DD

22M

10MHz

CRYSTAL

39pF

TYP

V

DD

39pF

RANGE

8

8

8

HOLD

D1

D2

D3

D4

DP

DP

40

V

SS

1k

4

4

COMMON ANODE LED DISPLAY

2N2222

CONT

CONT

RESET

0.1

F

10k

FUNCTION SWITCH

OPEN: FREQ.
CLOSED: PERIOD

3k

3k

11C90

CK1

CK2 QA OC

74LS00

V

DD

10k

V

DD

V

DD

10k

10k

1k

V

SS

2N2222

1k

2N2222

10k

D3

1

2

13

CD4016

D1

4

3

D8

5

V

+

LED

OVERFLOW

INDICATOR

INPUT A

ICM7216B, ICM7216D

background image

18

All Intersil U.S. products are manufactured, assembled and tested utilizing ISO9000 quality systems.

Intersil Corporations quality certifications can be viewed at www.intersil.com/design/quality

Intersil products are sold by description only. Intersil Corporation reserves the right to make changes in circuit design, software and/or specifications at any time without
notice. Accordingly, the reader is cautioned to verify that data sheets are current before placing orders. Information furnished by Intersil is believed to be accurate and
reliable. However, no responsibility is assumed by Intersil or its subsidiaries for its use; nor for any infringements of patents or other rights of third parties which may result
from its use. No license is granted by implication or otherwise under any patent or patent rights of Intersil or its subsidiaries.

For information regarding Intersil Corporation and its products, see www.intersil.com

ICM7216B, ICM7216D

Dual-In-Line Plastic Packages (PDIP)

NOTES:

1. Controlling Dimensions: INCH. In case of conflict between English and 

Metric dimensions, the inch dimensions control.

2. Dimensioning and tolerancing per ANSI Y14.5M

-

1982.

3. Symbols are defined in the MO Series Symbol List in Section 2.2 of 

Publication No. 95.

4. Dimensions A, A1 and L are measured with the package seated in 

JEDEC seating plane gauge GS

-

3.

5. D, D1, and E1 dimensions do not include mold flash or protrusions. 

Mold flash or protrusions shall not exceed 0.010 inch (0.25mm).

6. E and

are measured with the leads constrained to be perpendic-

ular to datum 

.

7. e

B

 and e

C

 are measured at the lead tips with the leads unconstrained. 

e

C

 must be zero or greater.

8. B1 maximum dimensions do not include dambar protrusions. Dambar 

protrusions shall not exceed 0.010 inch (0.25mm).

9. N is the maximum number of terminal positions.

10. Corner leads (1, N, N/2 and N/2 + 1) for E8.3, E16.3, E18.3, E28.3, 

E42.6 will have a B1 dimension of 0.030 - 0.045 inch (0.76 - 1.14mm).

e

A

-C-

C

L

E

e

A

C

e

B

e

C

-B-

E1

INDEX

1 2 3

N/2

N

AREA

SEATING

BASE

PLANE

PLANE

-C-

D1

B1

B

e

D

D1

A

A2

L

A1

-A-

0.010 (0.25)

C

A

M

B S

E28.6 

(JEDEC MS-011-AB ISSUE B)

28 LEAD DUAL-IN-LINE PLASTIC PACKAGE

SYMBOL

INCHES

MILLIMETERS

NOTES

MIN

MAX

MIN

MAX

A

-

0.250

-

6.35

4

A1

0.015

-

0.39

-

4

A2

0.125

0.195

3.18

4.95

-

B

0.014

0.022

0.356

0.558

-

B1

0.030

0.070

0.77

1.77

8

C

0.008

0.015

0.204

0.381

-

D

1.380

1.565

35.1

39.7

5

D1

0.005

-

0.13

-

5

E

0.600

0.625

15.24

15.87

6

E1

0.485

0.580

12.32

14.73

5

e

0.100 BSC

2.54 BSC

-

e

A

0.600 BSC

15.24 BSC

6

e

B

-

0.700

-

17.78

7

L

0.115

0.200

2.93

5.08

4

N

28

28

9

Rev. 1 12/00


powered by phppowered by MySQLPOWERED BY APACHEPOWERED BY CentOS© 2004 - 2025Información Legalpoliticas de cookiesipv6 ready