Secciones
Foros Electrónica
Boletines de correo
Boletines
background image

An IMPORTANT NOTICE at the end of this data sheet addresses availability, warranty, changes, use in safety-critical applications,
intellectual property matters and other important disclaimers. PRODUCTION DATA.

SNOSC16D - MARCH 2000 - REVISED JANUARY 2015

LMx24-N, LM2902-N Low-Power, Quad-Operational Amplifiers

1

1 Features

1

Internally Frequency Compensated for Unity Gain

Large DC Voltage Gain 100 dB

Wide Bandwidth (Unity Gain) 1 MHz
(Temperature Compensated)

Wide Power Supply Range:

-

Single Supply 3 V to 32 V

-

or Dual Supplies  ±1.5 V to  ±16 V

Very Low Supply Current Drain (700

μA)

—Essentially Independent of Supply Voltage

Low Input Biasing Current 45 nA
(Temperature Compensated)

Low Input Offset Voltage 2 mV
and Offset Current: 5 nA

Input Common-Mode Voltage Range Includes
Ground

Differential Input Voltage Range Equal to the
Power Supply Voltage

Large Output Voltage Swing 0 V to V

+

- 1.5 V

Advantages:

-

Eliminates Need for Dual Supplies

-

Four Internally Compensated Op Amps in a
Single Package

-

Allows Direct Sensing Near GND and V

OUT

also Goes to GND

-

Compatible With All Forms of Logic

-

Power Drain Suitable for Battery Operation

-

In the Linear Mode the Input Common-Mode,
Voltage Range Includes Ground and the
Output Voltage

-

Can Swing to Ground, Even Though Operated
from Only a Single Power Supply Voltage

-

Unity Gain Cross Frequency is Temperature
Compensated

-

Input Bias Current is Also Temperature
Compensated

2 Applications

Transducer Amplifiers

DC Gain Blocks

Conventional Op Amp Circuits

3 Description

The LM124-N series consists of four independent,
high-gain,

internally

frequency

compensated

operational amplifiers designed to operate from a
single power supply over a wide range of voltages.
Operation from split-power supplies is also possible
and

the

low-power

supply

current

drain

is

independent of the magnitude of the power supply
voltage.

Application areas include transducer amplifiers, DC
gain blocks and all the conventional op amp circuits
which now can be more easily implemented in single
power supply systems. For example, the LM124-N
series can directly operate off of the standard 5-V
power supply voltage which is used in digital systems
and easily provides the required interface electronics
without requiring the additional  ±15 V power supplies.

Device 

PART NUMBER

PACKAGE

BODY SIZE (NOM)

LM124-N

CDIP (14)

19.56 mm × 6.67 mm

LM224-N

LM324-N

CDIP (14)

19.56 mm × 6.67 mm

PDIP (14)

19.177 mm × 6.35 mm

SOIC (14)

8.65 mm × 3.91 mm

TSSOP (14)

5.00 mm × 4.40 mm

LM2902-N

PDIP (14)

19.177 mm × 6.35 mm

SOIC (14)

8.65 mm × 3.91 mm

TSSOP (14)

5.00 mm × 4.40 mm

(1) For all available packages, see the orderable addendum at

the end of the datasheet.

Schematic Diagram

background image

2

SNOSC16D - MARCH 2000 - REVISED JANUARY 2015

Product Folder Links:

Copyright  © 2000-2015, Texas Instruments Incorporated

Table of Contents

1

Features ..................................................................

2

Applications ...........................................................

3

Description .............................................................

4

Revision History.....................................................

5

Pin Configuration and Functions .........................

6

Specifications.........................................................

6.1

Absolute Maximum Ratings ......................................

6.2

ESD Ratings..............................................................

6.3

Recommended Operating Conditions .......................

6.4

Thermal Information ..................................................

6.5

Electrical Characteristics: LM124A/224A/324A ........

6.6

Electrical Characteristics: LM124-N/224-N/324-

N/2902-N ...................................................................

6.7

Typical Characteristics ..............................................

7

Detailed Description ............................................

7.1

Overview .................................................................

7.2

Functional Block Diagram .......................................

7.3

Feature Description.................................................

7.4

Device Functional Modes........................................

8

Application and Implementation ........................

8.1

Application Information............................................

8.2

Typical Applications ...............................................

9

Power Supply Recommendations ......................

10

Layout...................................................................

10.1

Layout Guidelines .................................................

10.2

Layout Example ....................................................

11

Device and Documentation Support .................

11.1

Related Links ........................................................

11.2

Trademarks ...........................................................

11.3

Electrostatic Discharge Caution ............................

11.4

Glossary ................................................................

12

Mechanical, Packaging, and Orderable

Information ...........................................................

4 Revision History

Changes from Revision C (November 2012) to Revision D

Page

Added Pin Configuration and Functions section, ESD Ratings table, Feature Description section, Device Functional
Modes
Application and Implementation section, Power Supply Recommendations section, Layout section, Device
and Documentation Support 
section, and Mechanical, Packaging, and Orderable Information section ...............................

background image

3

SNOSC16D - MARCH 2000 - REVISED JANUARY 2015

Product Folder Links:

Copyright  © 2000-2015, Texas Instruments Incorporated

5 Pin Configuration and Functions

J Package

14-Pin CDIP

Top View

D Package

14-Pin SOIC

Top View

Pin Functions

PIN

TYPE

DESCRIPTION

NAME

NO.

OUTPUT1

1

O

Output, Channel 1

INPUT1-

2

I

Inverting Input, Channel 1

INPUT1+

3

I

Noninverting Input, Channel 1

V+

4

P

Positive Supply Voltage

INPUT2+

5

I

Nonnverting Input, Channel 2

INPUT2-

6

I

Inverting Input, Channel 2

OUTPUT2

7

O

Output, Channel 2

OUTPUT3

8

O

Output, Channel 3

INPUT3-

9

I

Inverting Input, Channel 3

INPUT3+

10

I

Noninverting Input, Channel 3

GND

11

P

Ground or Negative Supply Voltage

INPUT4+

12

I

Noninverting Input, Channel 4

INPUT4-

13

I

Inverting Input, Channel 4

OUTPUT4

14

O

Output, Channel 4

background image

4

SNOSC16D - MARCH 2000 - REVISED JANUARY 2015

Product Folder Links:

Copyright  © 2000-2015, Texas Instruments Incorporated

(1)

Refer to RETS124AX for LM124A military specifications and refer to RETS124X for LM124-N military specifications.

(2)

If Military/Aerospace specified devices are required, please contact the Texas Instruments Sales Office/ Distributors for availability and
specifications.

(3)

This input current will only exist when the voltage at any of the input leads is driven negative. It is due to the collector-base junction of
the input PNP transistors becoming forward biased and thereby acting as input diode clamps. In addition to this diode action, there is
also lateral NPN parasitic transistor action on the IC chip. This transistor action can cause the output voltages of the op amps to go to
the V

+

voltage level (or to ground for a large overdrive) for the time duration that an input is driven negative. This is not destructive and

normal output states will re-establish when the input voltage, which was negative, again returns to a value greater than

-0.3 V (at 25 °C).

(4)

For operating at high temperatures, the LM324-N/LM324A/LM2902-N must be derated based on a 125 °C maximum junction
temperature and a thermal resistance of 88 °C/W which applies for the device soldered in a printed circuit board, operating in a still air
ambient. The LM224-N/LM224A and LM124-N/LM124A can be derated based on a 150 °C maximum junction temperature. The
dissipation is the total of all four amplifiers—use external resistors, where possible, to allow the amplifier to saturate of to reduce the
power which is dissipated in the integrated circuit.

(5)

Short circuits from the output to V

+

can cause excessive heating and eventual destruction. When considering short circuits to ground,

the maximum output current is approximately 40 mA independent of the magnitude of V

+

. At values of supply voltage in excess of 15 V,

continuous short-circuits can exceed the power dissipation ratings and cause eventual destruction. Destructive dissipation can result
from simultaneous shorts on all amplifiers.

6 Specifications

6.1 Absolute Maximum Ratings

See

(1) (2)

.

LM124-N/LM224-N/LM324-N

LM124A/LM224A/LM324A

LM2902-N

MIN

MAX

MIN

MAX

UNIT

Supply Voltage, V

+

32

26

V

Differential Input Voltage

32

26

V

Input Voltage

-0.3

32

-0.3

26

V

Input Current (V

IN

<

-0.3 V)

(3)

50

50

mA

Power
Dissipation

(4)

PDIP

1130

1130

mW

CDIP

1260

1260

mW

SOIC Package

800

800

mW

Output Short-Circuit to GND
(One Amplifier)

(5)

V

+

≤ 15 V and T

A

= 25 °C

Continuous

Continuous

Lead Temperature (Soldering, 10 seconds)

260

260

°C

Soldering
Information

Dual-In-Line
Package

Soldering (10 seconds)

260

260

°C

Small
Outline
Package

Vapor Phase (60 seconds)

215

215

°C

Infrared (15 seconds)

220

220

°C

Storage temperature, T

stg

-65

150

-65

150

°C

(1)

JEDEC document JEP155 states that 500-V HBM allows safe manufacturing with a standard ESD control process.

6.2 ESD Ratings

VALUE

UNIT

V

(ESD)

Electrostatic discharge

Human-body model (HBM), per ANSI/ESDA/JEDEC JS-001

(1)

±250

V

6.3 Recommended Operating Conditions

over operating free-air temperature range (unless otherwise noted)

MIN

MAX

UNIT

Supply Voltage (V

+

- V

-

): LM124-N/LM124A/LM224-N/LM224A/LM324-N/LM324A

3

32

V

Supply Voltage (V

+

- V

-

): LM2902-N

3

26

V

Operating Input Voltage on Input pins

0

V+

V

Operating junction temperature, T

J

: LM124-N/LM124A

-55

125

°C

Operating junction temperature, T

J

: L2902-N

-40

85

°C

Operating junction temperature, T

J

: LM224-N/LM224A

-25

85

°C

Operating junction temperature, T

J

: LM324-N/LM324A

0

70

°C

background image

5

SNOSC16D - MARCH 2000 - REVISED JANUARY 2015

Product Folder Links:

Copyright  © 2000-2015, Texas Instruments Incorporated

(1)

For more information about traditional and new thermal metrics, see the IC Package Thermal Metrics application report,

6.4 Thermal Information

THERMAL METRIC

(1)

LM124-N /

LM224-N

LM324-N /
LM2902-N

UNIT

J/CDIP

D/SOIC

14 PINS

14 PINS

R

ΘJA

Junction-to-ambient thermal resistance

88

88

°C/W

(1)

These specifications are limited to

-55 °C ≤ T

A

≤ +125 °C for the LM124-N/LM124A. With the LM224-N/LM224A, all temperature

specifications are limited to

-25 °C ≤ T

A

≤ +85 °C, the LM324-N/LM324A temperature specifications are limited to 0 °C ≤ T

A

≤ +70 °C, and

the LM2902-N specifications are limited to

-40 °C ≤ T

A

≤ +85 °C.

(2)

V

O

•‰ 1.4V, R

S

= 0

Ω with V

+

from 5 V to 30 V; and over the full input common-mode range (0 V to V

+

- 1.5 V) for LM2902-N, V

+

from 5

V to 26 V.

(3)

The direction of the input current is out of the IC due to the PNP input stage. This current is essentially constant, independent of the
state of the output so no loading change exists on the input lines.

(4)

The input common-mode voltage of either input signal voltage should not be allowed to go negative by more than 0.3 V (at 25 °C). The
upper end of the common-mode voltage range is V

+

- 1.5 V (at 25 °C), but either or both inputs can go to 32 V without damage (26 V for

LM2902-N), independent of the magnitude of V

+

.

(5)

Due to proximity of external components, insure that coupling is not originating via stray capacitance between these external parts. This
typically can be detected as this type of capacitance increases at higher frequencies.

(6)

Short circuits from the output to V

+

can cause excessive heating and eventual destruction. When considering short circuits to ground,

the maximum output current is approximately 40 mA independent of the magnitude of V

+

. At values of supply voltage in excess of 15 V,

continuous short-circuits can exceed the power dissipation ratings and cause eventual destruction. Destructive dissipation can result
from simultaneous shorts on all amplifiers.

6.5 Electrical Characteristics: LM124A/224A/324A

V

+

= 5.0 V,

(1)

, unless otherwise stated

PARAMETER

TEST CONDITIONS

LM124A

LM224A

LM324A

UNIT

MIN

TYP

MAX

MIN

TYP

MAX

MIN

TYP

MAX

Input Offset Voltage

T

A

= 25 °C

(2)

1

2

1

3

2

3

mV

Input Bias Current

(3)

I

IN(+)

or I

IN(

-)

, V

CM

= 0 V,

T

A

= 25 °C

20

50

40

80

45

100

nA

Input Offset Current

I

IN(+)

or I

IN(

-)

, V

CM

= 0 V,

T

A

= 25 °C

2

10

2

15

5

30

nA

Input Common-Mode
Voltage Range

(4)

V

+

= 30 V, (LM2902-N,

V

+

= 26 V), T

A

= 25 °C

0

V

+

-1.5

0

V

+

-1.5

0

V

+

-1.5

V

Supply Current

Over Full Temperature Range,
R

L

=

•ž On All Op Amps

V

+

= 30 V (LM2902-N V

+

= 26 V)

1.5

3

1.5

3

1.5

3

mA

V

+

= 5 V

0.7

1.2

0.7

1.2

0.7

1.2

Large Signal
Voltage Gain

V

+

= 15 V, R

L

≥ 2 kΩ¦,

(V

O

= 1 V to 11 V), T

A

= 25 °C

50

100

50

100

25

100

V/mV

Common-Mode
Rejection Ratio

DC, V

CM

= 0 V to V

+

- 1.5 V,

T

A

= 25 °C

70

85

70

85

65

85

dB

Power Supply
Rejection Ratio

V

+

= 5 V to 30 V, (LM2902-N,

V

+

= 5V to 26 V),

T

A

= 25 °C

65

100

65

100

65

100

dB

Amplifier-to-Amplifier
Coupling

(5)

f = 1 kHz to 20 kHz, T

A

= 25 °C,

(Input Referred)

-120

-120

-120

dB

Output
Current

Source

V

IN

+

= 1 V, V

IN

-

= 0 V,

V

+

= 15 V, V

O

= 2 V, T

A

= 25 °C

20

40

20

40

20

40

mA

Sink

V

IN

-

= 1 V, V

IN

+

= 0 V,

V

+

= 15 V, V

O

= 2 V, T

A

= 25 °C

10

20

10

20

10

20

μA

V

IN

-

= 1 V, V

IN

+

= 0 V,

V

+

= 15 V, V

O

= 200 mV, T

A

= 25 °C

12

50

12

50

12

50

Short Circuit to Ground

V

+

= 15 V,

T

A

= 25 °C

(6)

40

60

40

60

40

60

mA

Input Offset Voltage

See

(2)

4

4

5

mV

V

OS

Drift

R

S

= 0

7

20

7

20

7

30

μV/ °C

Input Offset Current

I

IN(+)

- I

IN(

-)

, V

CM

= 0 V

30

30

75

nA

background image

6

SNOSC16D - MARCH 2000 - REVISED JANUARY 2015

Product Folder Links:

Copyright  © 2000-2015, Texas Instruments Incorporated

Electrical Characteristics: LM124A/224A/324A (continued)

V

+

= 5.0 V,

unless otherwise stated

PARAMETER

TEST CONDITIONS

LM124A

LM224A

LM324A

UNIT

MIN

TYP

MAX

MIN

TYP

MAX

MIN

TYP

MAX

I

OS

Drift

R

S

= 0

10

200

10

200

10

300

pA/ °C

Input Bias Current

I

IN(+)

or I

IN(

-)

40

100

40

100

40

200

nA

Input Common-Mode
Voltage Range

(4)

V

+

= 30 V,

(LM2902-N, V

+

= 26 V)

0

V

+

-2

0

V

+

-2

0

V

+

-2

V

Large Signal
Voltage Gain

V

+

= 15 V (V

O

Swing = 1 V to 11 V),

R

L

≥ 2 kΩ

25

25

15

V/mV

Output
Voltage
Swing

V

OH

V

+

= 30 V

(LM2902-N,
V

+

= 26 V)

R

L

= 2 k

26

26

26

V

R

L

= 10 k

27

28

27

28

27

28

V

OL

V

+

= 5 V, R

L

= 10 k

5

20

5

20

5

20

mV

Output
Current

Source

V

O

= 2 V

V

IN

+

= +1V,

V

IN

-

= 0V,

V

+

= 15V

10

20

10

20

10

20

mA

Sink

V

IN

-

= +1V,

V

IN

+

= 0V,

V

+

= 15V

10

15

5

8

5

8

(1)

These specifications are limited to

-55 °C ≤ T

A

≤ +125 °C for the LM124-N/LM124A. With the LM224-N/LM224A, all temperature

specifications are limited to

-25 °C ≤ T

A

≤ +85 °C, the LM324-N/LM324A temperature specifications are limited to 0 °C ≤ T

A

≤ +70 °C, and

the LM2902-N specifications are limited to

-40 °C ≤ T

A

≤ +85 °C.

(2)

V

O

•‰ 1.4V, R

S

= 0

Ω with V

+

from 5 V to 30 V; and over the full input common-mode range (0 V to V

+

- 1.5 V) for LM2902-N, V

+

from 5

V to 26 V.

(3)

The direction of the input current is out of the IC due to the PNP input stage. This current is essentially constant, independent of the
state of the output so no loading change exists on the input lines.

(4)

The input common-mode voltage of either input signal voltage should not be allowed to go negative by more than 0.3 V (at 25 °C). The
upper end of the common-mode voltage range is V

+

- 1.5 V (at 25 °C), but either or both inputs can go to 32 V without damage (26 V for

LM2902-N), independent of the magnitude of V

+

.

(5)

Due to proximity of external components, insure that coupling is not originating via stray capacitance between these external parts. This
typically can be detected as this type of capacitance increases at higher frequencies.

6.6 Electrical Characteristics: LM124-N/224-N/324-N/2902-N

V

+

= +5.0V,

(1)

, unless otherwise stated

PARAMETER

TEST CONDITIONS

LM124-N / LM224-N

LM324-N

LM2902-N

UNIT

MIN

TYP

MAX

MIN

TYP

MAX

MIN

TYP

MAX

Input Offset Voltage

T

A

= 25 °C

(2)

2

5

2

7

2

7

mV

Input Bias Current

(3)

I

IN(+)

or I

IN(

-)

, V

CM

= 0 V, T

A

= 25 °C

45

150

45

250

45

250

nA

Input Offset Current

I

IN(+)

or I

IN(

-)

, V

CM

= 0 V, T

A

= 25 °C

3

30

5

50

5

50

nA

Input Common-Mode Voltage
Range

(4)

V

+

= 30 V, (LM2902-N, V

+

= 26V),

T

A

= 25 °C

0

V

+

-1.

5

0

V

+

-1.

5

0

V

+

-1.

5

V

Supply Current

Over Full Temperature Range
R

L

=

•ž On All Op Amps,

V

+

= 30 V (LM2902-N V

+

= 26 V)

1.5

3

1.5

3

1.5

3

mA

V

+

= 5 V

0.7

1.2

0.7

1.2

0.7

1.2

Large Signal Voltage Gain

V

+

= 15V, R

L

≥ 2 kΩ¦,

(V

O

= 1 V to 11 V), T

A

= 25 °C

50

100

25

100

25

100

V/mV

Common-Mode Rejection
Ratio

DC, V

CM

= 0 V to V

+

- 1.5 V, T

A

= 25 °C

70

85

65

85

50

70

dB

Power Supply Rejection Ratio

V

+

= 5 V to 30 V (LM2902-N,

V

+

= 5 V to 26 V), T

A

= 25 °C

65

100

65

100

50

100

dB

Amplifier-to-Amplifier
Coupling

(5)

f = 1 kHz to 20 kHz, T

A

= 25 °C

(Input Referred)

-120

-120

-120

dB

background image

7

SNOSC16D - MARCH 2000 - REVISED JANUARY 2015

Product Folder Links:

Copyright  © 2000-2015, Texas Instruments Incorporated

Electrical Characteristics: LM124-N/224-N/324-N/2902-N (continued)

V

+

= +5.0V,

unless otherwise stated

PARAMETER

TEST CONDITIONS

LM124-N / LM224-N

LM324-N

LM2902-N

UNIT

MIN

TYP

MAX

MIN

TYP

MAX

MIN

TYP

MAX

(6)

Short circuits from the output to V

+

can cause excessive heating and eventual destruction. When considering short circuits to ground,

the maximum output current is approximately 40 mA independent of the magnitude of V

+

. At values of supply voltage in excess of 15 V,

continuous short-circuits can exceed the power dissipation ratings and cause eventual destruction. Destructive dissipation can result
from simultaneous shorts on all amplifiers.

Output
Current

Source

V

IN

+

= 1 V, V

IN

-

= 0 V,

V

+

= 15 V, V

O

= 2 V, T

A

= 25 °C

20

40

20

40

20

40

mA

Sink

V

IN

-

= 1 V, V

IN

+

= 0 V,

V

+

= 15 V, V

O

= 2 V, T

A

= 25 °C

10

20

10

20

10

20

mA

V

IN

-

= 1 V, V

IN

+

= 0 V,

V

+

= 15 V, V

O

= 200 mV, T

A

= 25 °C

12

50

12

50

12

50

µA

Short Circuit to Ground

V

+

= 15 V, T

A

= 25 °C

(6)

40

60

40

60

40

60

mA

Input Offset Voltage

See

(2)

7

9

10

mV

V

OS

Drift

R

S

= 0

7

7

7

µV/ °C

Input Offset Current

I

IN(+)

- I

IN(

-)

, V

CM

= 0 V

100

150

45

200

nA

I

OS

Drift

R

S

= 0

10

10

10

pA/ °C

Input Bias Current

I

IN(+)

or I

IN(

-)

40

300

40

500

40

500

nA

Input Common-Mode Voltage
Range

(4)

V

+

= 30 V, (LM2902-N, V

+

= 26 V)

0

V

+

-2

0

V

+

-2

0

V

+

-2

V

Large Signal Voltage Gain

V

+

= 15 V (V

O

Swing = 1V to 11V),

R

L

≥ 2 kΩ

25

15

15

V/mV

Output
Voltage
Swing

V

OH

V

+

= 30 V (LM2902-N,

V

+

= 26 V)

R

L

= 2 k

26

26

22

V

R

L

= 10 k

27

28

27

28

23

24

V

OL

V

+

= 5 V, R

L

= 10 k

5

20

5

20

5

100

mV

Output
Current

Source

V

O

= 2 V

V

IN

+

= 1 V,

V

IN

-

= 0 V,

V

+

= 15 V

10

20

10

20

10

20

mA

Sink

V

IN

-

= 1 V,

V

IN

+

= 0 V,

V

+

= 15 V

5

8

5

8

5

8

mA

background image

8

SNOSC16D - MARCH 2000 - REVISED JANUARY 2015

Product Folder Links:

Copyright  © 2000-2015, Texas Instruments Incorporated

6.7 Typical Characteristics

Figure 1. Input Voltage Range

Figure 2. Input Current

Figure 3. Supply Current

Figure 4. Voltage Gain

Figure 5. Open-Loop Frequency Response

Figure 6. Common Mode Rejection Ratio

background image

9

SNOSC16D - MARCH 2000 - REVISED JANUARY 2015

Product Folder Links:

Copyright  © 2000-2015, Texas Instruments Incorporated

Typical Characteristics (continued)

Figure 7. Voltage Follower Pulse Response

Figure 8. Voltage Follower Pulse Response (Small Signal)

Figure 9. Large Signal Frequency Response

Figure 10. Output Characteristics Current Sourcing

Figure 11. Output Characteristics Current Sinking

Figure 12. Current Limiting

background image

10

SNOSC16D - MARCH 2000 - REVISED JANUARY 2015

Product Folder Links:

Copyright  © 2000-2015, Texas Instruments Incorporated

Typical Characteristics (continued)

Figure 13. Input Current (LM2902-N Only)

Figure 14. Voltage Gain (LM2902-N Only)

background image

11

SNOSC16D - MARCH 2000 - REVISED JANUARY 2015

Product Folder Links:

Copyright  © 2000-2015, Texas Instruments Incorporated

7 Detailed Description

7.1 Overview

The LM124-N series are op amps which operate with only a single power supply voltage, have true-differential
inputs, and remain in the linear mode with an input common-mode voltage of 0 V

DC

. These amplifiers operate

over a wide range of power supply voltage with little change in performance characteristics. At 25 °C amplifier
operation is possible down to a minimum supply voltage of 2.3 V

DC

.

7.2 Functional Block Diagram

7.3 Feature Description

The LM124 provides a compelling balance of performance versus current consumption. The 700

μA of supply

current draw over the wide operating conditions with a 1-MHz gain-bandwidth and temperature compensated
bias currents makes the LM124 an effective solution for large variety of applications. The input offset voltage of 2
mV and offset current of 5 nA, along with the 45n-A bias current across a wide supply voltage means a single
design can be used in a large number of different implementations.

7.4 Device Functional Modes

Large differential input voltages can be easily accommodated and, as input differential voltage protection diodes
are not needed, no large input currents result from large differential input voltages. The differential input voltage
may be larger than V

+

without damaging the device. Protection should be provided to prevent the input voltages

from going negative more than

-0.3 V

DC

(at 25 °C). An input clamp diode with a resistor to the IC input terminal

can be used.

To reduce the power supply drain, the amplifiers have a class A output stage for small signal levels which
converts to class B in a large signal mode. This allows the amplifiers to both source and sink large output
currents. Therefore both NPN and PNP external current boost transistors can be used to extend the power
capability of the basic amplifiers. The output voltage needs to raise approximately 1 diode drop above ground to
bias the on-chip vertical PNP transistor for output current sinking applications.

For ac applications, where the load is capacitively coupled to the output of the amplifier, a resistor should be
used, from the output of the amplifier to ground to increase the class A bias current and prevent crossover
distortion.

Where the load is directly coupled, as in dc applications, there is no crossover distortion.

Capacitive loads which are applied directly to the output of the amplifier reduce the loop stability margin. Values
of 50 pF can be accommodated using the worst-case non-inverting unity gain connection. Large closed loop
gains or resistive isolation should be used if larger load capacitance must be driven by the amplifier.

background image

12

SNOSC16D - MARCH 2000 - REVISED JANUARY 2015

Product Folder Links:

Copyright  © 2000-2015, Texas Instruments Incorporated

Device Functional Modes (continued)

The bias network of the LM124-N establishes a drain current which is independent of the magnitude of the power
supply voltage over the range of from 3 V

DC

to 30 V

DC

.

Output short circuits either to ground or to the positive power supply should be of short time duration. Units can
be destroyed, not as a result of the short circuit current causing metal fusing, but rather due to the large increase
in IC chip dissipation which will cause eventual failure due to excessive junction temperatures. Putting direct
short-circuits on more than one amplifier at a time will increase the total IC power dissipation to destructive
levels, if not properly protected with external dissipation limiting resistors in series with the output leads of the
amplifiers. The larger value of output source current which is available at 25 °C provides a larger output current
capability at elevated temperatures (see

than a standard IC op amp.

background image

13

SNOSC16D - MARCH 2000 - REVISED JANUARY 2015

Product Folder Links:

Copyright  © 2000-2015, Texas Instruments Incorporated

8

Application and Implementation

NOTE

Information in the following applications sections is not part of the TI component
specification, and TI does not warrant its accuracy or completeness. TI’s customers are
responsible for determining suitability of components for their purposes. Customers should
validate and test their design implementation to confirm system functionality.

8.1 Application Information

The LM124 series of amplifiers is specified for operation from 3 V to 32 V ( ±1.5 V to  ±16 V). Many of the
specifications apply from -40 °C to 125 °C. Parameters that can exhibit significant variance with regards to
operating voltage or temperature are presented in

8.2 Typical Applications

emphasizes operation on only a single power supply voltage. If complementary power supplies are

available, all of the standard op amp circuits can be used. In general, introducing a pseudo-ground (a bias
voltage reference of V

+

/2) will allow operation above and below this value in single power supply systems. Many

application circuits are shown which take advantage of the wide input common-mode voltage range which
includes ground. In most cases, input biasing is not required and input voltages which range to ground can easily
be accommodated.

8.2.1 Non-Inverting DC Gain (0 V Input = 0 V Output)

*R not needed due to temperature independent I

IN

Figure 15. Non-Inverting Amplifier with G=100

8.2.1.1 Design Requirements

For this example application, the required signal gain is a non-inverting 100x ±5% with a supply voltage of 5 V.

8.2.1.2 Detailed Design Procedure

Using the equation for a non-inverting gain configuration, Av = 1+R2/R1. Setting the R1 to 10 k

Ω, R2 is 99 times

larger than R1, which is 990 k

Ω. A 1MΩ is more readily available, and provides a gain of 101, which is within the

desired specification.

The gain-frequency characteristic of the amplifier and its feedback network must be such that oscillation does not
occur. To meet this condition, the phase shift through amplifier and feedback network must never exceed 180 °
for any frequency where the gain of the amplifier and its feedback network is greater than unity. In practical
applications, the phase shift should not approach 180 ° since this is the situation of conditional stability. Obviously
the most critical case occurs when the attenuation of the feedback network is zero.

background image

14

SNOSC16D - MARCH 2000 - REVISED JANUARY 2015

Product Folder Links:

Copyright  © 2000-2015, Texas Instruments Incorporated

Typical Applications (continued)

8.2.1.3 Application Curve

Figure 16. Non-Inverting Amplified Response Curve

background image

15

SNOSC16D - MARCH 2000 - REVISED JANUARY 2015

Product Folder Links:

Copyright  © 2000-2015, Texas Instruments Incorporated

Typical Applications (continued)

8.2.2 Other Application Circuits at V

+

= 5.0 V

DC

Where: V

0

= V

1

+ V

2

- V

3

- V

4

(V

1

+ V

2

)

≥ (V

3

+ V

4

) to keep V

O

> 0 V

DC

Where: V

0

= 0 V

DC

for V

IN

= 0 V

DC

A

V

= 10

Figure 17. DC Summing Amplifier

(V

IN'S

≥ 0 V

DC

And V

O

≥ V

DC

)

Figure 18. Power Amplifier

f

o

= 1 kHz

Q = 50

A

V

= 100 (40 dB)

Figure 19. LED Driver

Figure 20. †śBI-QUAD†ť RC Active Bandpass Filter

background image

16

SNOSC16D - MARCH 2000 - REVISED JANUARY 2015

Product Folder Links:

Copyright  © 2000-2015, Texas Instruments Incorporated

Typical Applications (continued)

Figure 21. Fixed Current Sources

*(Increase R1 for I

L

small)

Figure 22. Lamp Driver

Figure 23. Current Monitor

Figure 24. Driving TTL

Figure 25. Voltage Follower

background image

17

SNOSC16D - MARCH 2000 - REVISED JANUARY 2015

Product Folder Links:

Copyright  © 2000-2015, Texas Instruments Incorporated

Typical Applications (continued)

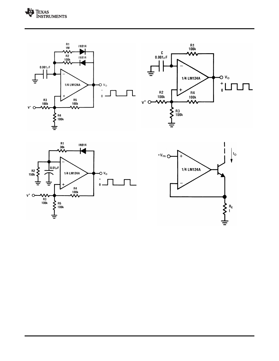
Figure 26. Pulse Generator

Figure 27. Squarewave Oscillator

I

O

= 1 amp/volt V

IN

(Increase R

E

for I

o

small)

Figure 28. Pulse Generator

Figure 29. High Compliance Current Sink

background image

18

SNOSC16D - MARCH 2000 - REVISED JANUARY 2015

Product Folder Links:

Copyright  © 2000-2015, Texas Instruments Incorporated

Typical Applications (continued)

Figure 30. Low Drift Peak Detector

Figure 31. Comparator With Hysteresis

V

O

= V

R

*Wide control voltage range:

0 V

DC

≤ V

C

≤ 2 (V

+

-1.5 V

DC

)

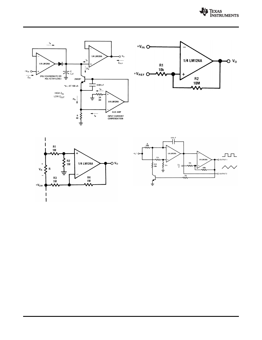
Figure 32. Ground Referencing a Differential Input

Signal

Figure 33. Voltage Controlled Oscillator Circuit

background image

19

SNOSC16D - MARCH 2000 - REVISED JANUARY 2015

Product Folder Links:

Copyright  © 2000-2015, Texas Instruments Incorporated

Typical Applications (continued)

Q = 1

A

V

= 2

Figure 34. Photo Voltaic-Cell Amplifier

Figure 35. DC Coupled Low-Pass RC Active Filter

Figure 36. AC Coupled Inverting Amplifier

Figure 37. AC Coupled Non-Inverting Amplifier

background image

20

SNOSC16D - MARCH 2000 - REVISED JANUARY 2015

Product Folder Links:

Copyright  © 2000-2015, Texas Instruments Incorporated

Typical Applications (continued)

Figure 38. High Input Z, DC Differential Amplifier

Figure 39. High Input Z Adjustable-Gain DC Instrumentation Amplifier

background image

21

SNOSC16D - MARCH 2000 - REVISED JANUARY 2015

Product Folder Links:

Copyright  © 2000-2015, Texas Instruments Incorporated

Typical Applications (continued)

Figure 40. Bridge Current Amplifier

Figure 41. Using Symmetrical Amplifiers to Reduce Input Current (General Concept)

background image

22

SNOSC16D - MARCH 2000 - REVISED JANUARY 2015

Product Folder Links:

Copyright  © 2000-2015, Texas Instruments Incorporated

Typical Applications (continued)

f

O

= 1 kHz

Q = 25

Figure 42. Bandpass Active Filter

background image

1: VOUTA

14: VOUTD

13: IN-D

12: IN+D

11: GND

10: IN+C

9: IN-C

8: VOUTC

2: IN-A

3: IN+A

4: V+

5: IN+B

6: IN-B

7: VOUTB

2

GND

2

GND

2

GND

2

GND

2

VOUTA

2

VOUTB

2

VOUTC

2

VOUTD

2

IN+B

2

IN+A

2

IN+D

2

IN+C

1

GND

2

V+

1

IN-A

1

IN-A

1

IN-D

1

IN-D

1

IN-C

1

IN-C

1

IN-B

1

IN-B

1

VINA

1

VINB

1

VIND

1

VINC

GND

GND

GND

GND

GND

GND

V+

IN+A

IN+B

IN-B

IN-A

IN+C

VINC

IN-C

IN+D

IN-D

VOUTB

VOUTC

VOUTA

VOUTD

VOUT

A

VOUTD

VINC

VIND

GND

GND

GND

VINC

23

SNOSC16D - MARCH 2000 - REVISED JANUARY 2015

Product Folder Links:

Copyright  © 2000-2015, Texas Instruments Incorporated

9 Power Supply Recommendations

The pinouts of the package have been designed to simplify PC board layouts. Inverting inputs are adjacent to
outputs for all of the amplifiers and the outputs have also been placed at the corners of the package (pins 1, 7, 8,
and 14).

Precautions should be taken to insure that the power supply for the integrated circuit never becomes reversed in
polarity or that the unit is not inadvertently installed backwards in a test socket as an unlimited current surge
through the resulting forward diode within the IC could cause fusing of the internal conductors and result in a
destroyed unit.

10 Layout

10.1 Layout Guidelines

The V + pin should be bypassed to ground with a low-ESR capacitor. The optimum placement is closest to the V
+ and ground pins.

Take care to minimize the loop area formed by the bypass capacitor connection between V + and ground.

The ground pin should be connected to the PCB ground plane at the pin of the device.

The feedback components should be placed as close to the device as possible minimizing strays.

10.2 Layout Example

Figure 43. Layout Example

background image

24

SNOSC16D - MARCH 2000 - REVISED JANUARY 2015

Product Folder Links:

Copyright  © 2000-2015, Texas Instruments Incorporated

11 Device and Documentation Support

11.1 Related Links

The table below lists quick access links. Categories include technical documents, support and community
resources, tools and software, and quick access to sample or buy.

Table 1. Related Links

PARTS

PRODUCT FOLDER

SAMPLE & BUY

TECHNICAL

DOCUMENTS

TOOLS &

SOFTWARE

SUPPORT &

COMMUNITY

LM124-N

LM224-N

LM2902-N

LM324-N

11.2 Trademarks

All trademarks are the property of their respective owners.

11.3 Electrostatic Discharge Caution

These devices have limited built-in ESD protection. The leads should be shorted together or the device placed in conductive foam
during storage or handling to prevent electrostatic damage to the MOS gates.

11.4 Glossary

— TI Glossary.

This glossary lists and explains terms, acronyms, and definitions.

12 Mechanical, Packaging, and Orderable Information

The following pages include mechanical, packaging, and orderable information. This information is the most
current data available for the designated devices. This data is subject to change without notice and revision of
this document. For browser-based versions of this data sheet, refer to the left-hand navigation.

background image

PACKAGE OPTION ADDENDUM

www.ti.com

19-Mar-2015

Addendum-Page 1

PACKAGING INFORMATION

Orderable Device

Status

(1)

Package Type Package

Drawing

Pins Package

Qty

Eco Plan

(2)

Lead/Ball Finish

(6)

MSL Peak Temp

(3)

Op Temp ( °C)

Device Marking

(4/5)

Samples

LM124AJ/PB

ACTIVE

CDIP

J

14

25

TBD

Call TI

Call TI

LM124AJ

LM124J/PB

ACTIVE

CDIP

J

14

25

TBD

Call TI

Call TI

LM124J

LM224J

ACTIVE

CDIP

J

14

25

TBD

Call TI

Call TI

-25 to 85

LM224J

LM2902M

NRND

SOIC

D

14

55

TBD

Call TI

Call TI

-40 to 85

LM2902M

LM2902M/NOPB

ACTIVE

SOIC

D

14

55

Green (RoHS

& no Sb/Br)

CU SN

Level-1-260C-UNLIM

-40 to 85

LM2902M

LM2902MT

NRND

TSSOP

PW

14

94

TBD

Call TI

Call TI

-40 to 85

LM290
2MT

LM2902MT/NOPB

ACTIVE

TSSOP

PW

14

94

Green (RoHS

& no Sb/Br)

CU SN

Level-1-260C-UNLIM

-40 to 85

LM290
2MT

LM2902MTX/NOPB

ACTIVE

TSSOP

PW

14

2500

Green (RoHS

& no Sb/Br)

CU SN

Level-1-260C-UNLIM

-40 to 85

LM290
2MT

LM2902MX

NRND

SOIC

D

14

2500

TBD

Call TI

Call TI

-40 to 85

LM2902M

LM2902MX/NOPB

ACTIVE

SOIC

D

14

2500

Green (RoHS

& no Sb/Br)

CU SN

Level-1-260C-UNLIM

-40 to 85

LM2902M

LM2902N/NOPB

ACTIVE

PDIP

NFF

14

25

Green (RoHS

& no Sb/Br)

CU SN

Level-1-NA-UNLIM

-40 to 85

LM2902N

LM324AM

NRND

SOIC

D

14

55

TBD

Call TI

Call TI

0 to 70

LM324AM

LM324AM/NOPB

ACTIVE

SOIC

D

14

55

Green (RoHS

& no Sb/Br)

CU SN

Level-1-260C-UNLIM

0 to 70

LM324AM

LM324AMX

NRND

SOIC

D

14

2500

TBD

Call TI

Call TI

0 to 70

LM324AM

LM324AMX/NOPB

ACTIVE

SOIC

D

14

2500

Green (RoHS

& no Sb/Br)

CU SN

Level-1-260C-UNLIM

0 to 70

LM324AM

LM324AN/NOPB

ACTIVE

PDIP

NFF

14

25

Green (RoHS

& no Sb/Br)

CU SN

Level-1-NA-UNLIM

0 to 70

LM324AN

LM324J

ACTIVE

CDIP

J

14

25

TBD

Call TI

Call TI

0 to 70

LM324J

LM324M

NRND

SOIC

D

14

55

TBD

Call TI

Call TI

0 to 70

LM324M

LM324M/NOPB

ACTIVE

SOIC

D

14

55

Green (RoHS

& no Sb/Br)

CU SN

Level-1-260C-UNLIM

0 to 70

LM324M

LM324MT/NOPB

ACTIVE

TSSOP

PW

14

94

Green (RoHS

& no Sb/Br)

CU SN

Level-1-260C-UNLIM

0 to 70

LM324
MT

background image

PACKAGE OPTION ADDENDUM

www.ti.com

19-Mar-2015

Addendum-Page 2

Orderable Device

Status

(1)

Package Type Package

Drawing

Pins Package

Qty

Eco Plan

(2)

Lead/Ball Finish

(6)

MSL Peak Temp

(3)

Op Temp ( °C)

Device Marking

(4/5)

Samples

LM324MTX

NRND

TSSOP

PW

14

2500

TBD

Call TI

Call TI

0 to 70

LM324
MT

LM324MTX/NOPB

ACTIVE

TSSOP

PW

14

2500

Green (RoHS

& no Sb/Br)

CU SN

Level-1-260C-UNLIM

0 to 70

LM324
MT

LM324MX

NRND

SOIC

D

14

2500

TBD

Call TI

Call TI

0 to 70

LM324M

LM324MX/NOPB

ACTIVE

SOIC

D

14

2500

Green (RoHS

& no Sb/Br)

CU SN

Level-1-260C-UNLIM

0 to 70

LM324M

LM324N/NOPB

ACTIVE

PDIP

NFF

14

25

Green (RoHS

& no Sb/Br)

CU SN

Level-1-NA-UNLIM

0 to 70

LM324N

 

(1)

 The marketing status values are defined as follows:

ACTIVE: Product device recommended for new designs.
LIFEBUY: TI has announced that the device will be discontinued, and a lifetime-buy period is in effect.
NRND: Not recommended for new designs. Device is in production to support existing customers, but TI does not recommend using this part in a new design.
PREVIEW: Device has been announced but is not in production. Samples may or may not be available.
OBSOLETE: TI has discontinued the production of the device.

 

(2)

 Eco Plan - The planned eco-friendly classification: Pb-Free (RoHS), Pb-Free (RoHS Exempt), or Green (RoHS & no Sb/Br) - please check

for the latest availability

information and additional product content details.
TBD:  The Pb-Free/Green conversion plan has not been defined.
Pb-Free (RoHS): TI's terms "Lead-Free" or "Pb-Free" mean semiconductor products that are compatible with the current RoHS requirements for all 6 substances, including the requirement that
lead not exceed 0.1% by weight in homogeneous materials. Where designed to be soldered at high temperatures, TI Pb-Free products are suitable for use in specified lead-free processes.
Pb-Free (RoHS Exempt): This component has a RoHS exemption for either 1) lead-based flip-chip solder bumps used between the die and package, or 2) lead-based  die adhesive used between
the die and leadframe. The component is otherwise considered Pb-Free (RoHS compatible) as defined above.
Green (RoHS & no Sb/Br): TI defines "Green" to mean Pb-Free (RoHS compatible), and free of Bromine (Br)  and Antimony (Sb) based flame retardants (Br or Sb do not exceed 0.1% by weight
in homogeneous material)

 

(3)

 MSL, Peak Temp. - The Moisture Sensitivity Level rating according to the JEDEC industry standard classifications, and peak solder temperature.

 

(4)

 There may be additional marking, which relates to the logo, the lot trace code information, or the environmental category on the device.

 

(5)

 Multiple Device Markings will be inside parentheses. Only one Device Marking contained in parentheses and separated by a "~" will appear on a device. If a line is indented then it is a continuation

of the previous line and the two combined represent the entire Device Marking for that device.

 

(6)

 Lead/Ball Finish - Orderable Devices may have multiple material finish options. Finish options are separated by a vertical ruled line. Lead/Ball Finish values may wrap to two lines if the finish

value exceeds the maximum column width.

 

background image

PACKAGE OPTION ADDENDUM

www.ti.com

19-Mar-2015

Addendum-Page 3

Important Information and Disclaimer:The information provided on this page represents TI's knowledge and belief as of the date that it is provided. TI bases its knowledge and belief on information
provided by third parties, and makes no representation or warranty as to the accuracy of such information. Efforts are underway to better integrate information from third parties. TI has taken and
continues to take reasonable steps to provide representative and accurate information but may not have conducted destructive testing or chemical analysis on incoming materials and chemicals.
TI and TI suppliers consider certain information to be proprietary, and thus CAS numbers and other limited information may not be available for release.

 

In no event shall TI's liability arising out of such information exceed the total purchase price of the TI part(s) at issue in this document sold by TI to Customer on an annual basis.

 

background image

TAPE AND REEL INFORMATION

*All dimensions are nominal

Device

Package

Type

Package

Drawing

Pins

SPQ

Reel

Diameter

(mm)

Reel

Width

W1 (mm)

A0

(mm)

B0

(mm)

K0

(mm)

P1

(mm)

W

(mm)

Pin1

Quadrant

LM2902MTX/NOPB

TSSOP

PW

14

2500

330.0

12.4

6.95

5.6

1.6

8.0

12.0

Q1

LM2902MX

SOIC

D

14

2500

330.0

16.4

6.5

9.35

2.3

8.0

16.0

Q1

LM2902MX/NOPB

SOIC

D

14

2500

330.0

16.4

6.5

9.35

2.3

8.0

16.0

Q1

LM324AMX

SOIC

D

14

2500

330.0

16.4

6.5

9.35

2.3

8.0

16.0

Q1

LM324AMX/NOPB

SOIC

D

14

2500

330.0

16.4

6.5

9.35

2.3

8.0

16.0

Q1

LM324MTX

TSSOP

PW

14

2500

330.0

12.4

6.95

5.6

1.6

8.0

12.0

Q1

LM324MTX/NOPB

TSSOP

PW

14

2500

330.0

12.4

6.95

5.6

1.6

8.0

12.0

Q1

LM324MX

SOIC

D

14

2500

330.0

16.4

6.5

9.35

2.3

8.0

16.0

Q1

LM324MX/NOPB

SOIC

D

14

2500

330.0

16.4

6.5

9.35

2.3

8.0

16.0

Q1

PACKAGE MATERIALS INFORMATION

www.ti.com

23-Nov-2015

Pack Materials-Page 1

background image

*All dimensions are nominal

Device

Package Type

Package Drawing

Pins

SPQ

Length (mm)

Width (mm)

Height (mm)

LM2902MTX/NOPB

TSSOP

PW

14

2500

367.0

367.0

35.0

LM2902MX

SOIC

D

14

2500

367.0

367.0

35.0

LM2902MX/NOPB

SOIC

D

14

2500

367.0

367.0

35.0

LM324AMX

SOIC

D

14

2500

367.0

367.0

35.0

LM324AMX/NOPB

SOIC

D

14

2500

367.0

367.0

35.0

LM324MTX

TSSOP

PW

14

2500

367.0

367.0

35.0

LM324MTX/NOPB

TSSOP

PW

14

2500

367.0

367.0

35.0

LM324MX

SOIC

D

14

2500

367.0

367.0

35.0

LM324MX/NOPB

SOIC

D

14

2500

367.0

367.0

35.0

PACKAGE MATERIALS INFORMATION

www.ti.com

23-Nov-2015

Pack Materials-Page 2

background image
background image

MECHANICAL DATA

N0014A

www.ti.com

N14A (Rev G)

NFF0014A

background image
background image
background image

IMPORTANT NOTICE

Texas Instruments Incorporated and its subsidiaries (TI) reserve the right to make corrections, enhancements, improvements and other
changes to its semiconductor products and services per JESD46, latest issue, and to discontinue any product or service per JESD48, latest
issue. Buyers should obtain the latest relevant information before placing orders and should verify that such information is current and
complete. All semiconductor products (also referred to herein as †ścomponents†ť) are sold subject to TI’s terms and conditions of sale
supplied at the time of order acknowledgment.

TI warrants performance of its components to the specifications applicable at the time of sale, in accordance with the warranty in TI’s terms
and conditions of sale of semiconductor products. Testing and other quality control techniques are used to the extent TI deems necessary
to support this warranty. Except where mandated by applicable law, testing of all parameters of each component is not necessarily
performed.

TI assumes no liability for applications assistance or the design of Buyers’ products. Buyers are responsible for their products and
applications using TI components. To minimize the risks associated with Buyers’ products and applications, Buyers should provide
adequate design and operating safeguards.

TI does not warrant or represent that any license, either express or implied, is granted under any patent right, copyright, mask work right, or
other intellectual property right relating to any combination, machine, or process in which TI components or services are used. Information
published by TI regarding third-party products or services does not constitute a license to use such products or services or a warranty or
endorsement thereof. Use of such information may require a license from a third party under the patents or other intellectual property of the
third party, or a license from TI under the patents or other intellectual property of TI.

Reproduction of significant portions of TI information in TI data books or data sheets is permissible only if reproduction is without alteration
and is accompanied by all associated warranties, conditions, limitations, and notices. TI is not responsible or liable for such altered
documentation. Information of third parties may be subject to additional restrictions.

Resale of TI components or services with statements different from or beyond the parameters stated by TI for that component or service
voids all express and any implied warranties for the associated TI component or service and is an unfair and deceptive business practice.
TI is not responsible or liable for any such statements.

Buyer acknowledges and agrees that it is solely responsible for compliance with all legal, regulatory and safety-related requirements
concerning its products, and any use of TI components in its applications, notwithstanding any applications-related information or support
that may be provided by TI. Buyer represents and agrees that it has all the necessary expertise to create and implement safeguards which
anticipate dangerous consequences of failures, monitor failures and their consequences, lessen the likelihood of failures that might cause
harm and take appropriate remedial actions. Buyer will fully indemnify TI and its representatives against any damages arising out of the use
of any TI components in safety-critical applications.

In some cases, TI components may be promoted specifically to facilitate safety-related applications. With such components, TI’s goal is to
help enable customers to design and create their own end-product solutions that meet applicable functional safety standards and
requirements. Nonetheless, such components are subject to these terms.

No TI components are authorized for use in FDA Class III (or similar life-critical medical equipment) unless authorized officers of the parties
have executed a special agreement specifically governing such use.

Only those TI components which TI has specifically designated as military grade or †śenhanced plastic†ť are designed and intended for use in
military/aerospace applications or environments. Buyer acknowledges and agrees that any military or aerospace use of TI components
which have not been so designated is solely at the Buyer's risk, and that Buyer is solely responsible for compliance with all legal and
regulatory requirements in connection with such use.

TI has specifically designated certain components as meeting ISO/TS16949 requirements, mainly for automotive use. In any case of use of
non-designated products, TI will not be responsible for any failure to meet ISO/TS16949.

Products

Applications

Audio

Automotive and Transportation

Amplifiers

Communications and Telecom

Data Converters

Computers and Peripherals

DLP ® Products

Consumer Electronics

DSP

Energy and Lighting

Clocks and Timers

Industrial

Interface

Medical

Logic

Security

Power Mgmt

Space, Avionics and Defense

Microcontrollers

Video and Imaging

RFID

OMAP Applications Processors

TI E2E Community

Wireless Connectivity

Mailing Address: Texas Instruments, Post Office Box 655303, Dallas, Texas 75265

Copyright  © 2016, Texas Instruments Incorporated


Document Outline


powered by phppowered by MySQLPOWERED BY APACHEPOWERED BY CentOS© 2004 - 2026Información Legalpoliticas de cookiesipv6 ready