Secciones
Foros Electrónica
Boletines de correo
Boletines
background image

TL/H/7752

LM101A/LM201A/LM301A

Operational

Amplifiers

December 1994

LM101A/LM201A/LM301A Operational Amplifiers

General Description

The LM101A series are general purpose operational amplifi-
ers which feature improved performance over industry stan-
dards like the LM709. Advanced processing techniques
make possible an order of magnitude reduction in input cur-
rents, and a redesign of the biasing circuitry reduces the
temperature drift of input current. Improved specifications
include:

Y

Offset voltage 3 mV maximum over
temperature (LM101A/LM201A)

Y

Input current 100 nA maximum over
temperature (LM101A/LM201A)

Y

Offset current 20 nA maximum over
temperature (LM101A/LM201A)

Y

Guaranteed drift characteristics

Y

Offsets guaranteed over entire common mode and sup-
ply voltage ranges

Y

Slew rate of 10V/ms as a summing amplifier

This amplifier offers many features which make its applica-
tion nearly foolproof: overload protection on the input and
output, no latch-up when the common mode range is ex-

ceeded, and freedom from oscillations and compensation
with a single 30 pF capacitor. It has advantages over inter-
nally compensated amplifiers in that the frequency compen-
sation can be tailored to the particular application. For ex-
ample, in low frequency circuits it can be overcompensated
for increased stability margin. Or the compensation can be
optimized to give more than a factor of ten improvement in
high frequency performance for most applications.

In addition, the device provides better accuracy and lower
noise in high impedance circuitry. The low input currents
also make it particularly well suited for long interval integra-
tors or timers, sample and hold circuits and low frequency
waveform generators. Further, replacing circuits where
matched transistor pairs buffer the inputs of conventional IC
op amps, it can give lower offset voltage and a drift at a
lower cost.

The LM101A is guaranteed over a temperature range of

b

55

C to

a

125

C, the LM201A from

b

25

C to

a

85

C,

and the LM301A from 0

C to

a

70

C.

Connection Diagrams

(Top View)

Dual-In-Line Package

TL/H/7752 - 4

Order Number LM101AJ, LM101J/883

*,

LM201AN or LM301AN

See NS Package Number J08A or N08A

Ceramic Flatpack Package

TL/H/7752 - 4

Order Number LM101AW/883 or LM101W/883

See NS Package Number W10A

Metal Can Package

TL/H/7752 - 2

Note:

Pin 4 connected to case.

Order Number LM101AH,

LM101AH/883

*, LM201AH or LM301AH

See NS Package Number H08C

Dual-In-Line Package

TL/H/7752 - 3

Order Number LM101AJ-14/883

*

See NS Package Number J14A

*Available per JM38510/10103.

C1995 National Semiconductor Corporation

RRD-B30M115/Printed in U. S. A.

background image

Absolute Maximum Ratings

If Military/Aerospace specified devices are required, please contact the National Semiconductor Sales Office/
Distributors for availability and specifications.

LM101A/LM201A

LM301A

Supply Voltage

g

22V

g

18V

Differential Input Voltage

g

30V

g

30V

Input Voltage (Note 1)

g

15V

g

15V

Output Short Circuit Duration (Note 2)

Continuous

Continuous

Operating Ambient Temp. Range

b

55

C to

a

125

C (LM101A)

0

C to

a

70

C

b

25

C to

a

85

C (LM201A)

T

J

Max

H-Package

150

C

100

C

N-Package

150

C

100

C

J-Package

150

C

100

C

Power Dissipation at T

A

e

25

C

H-Package (Still Air)

500 mW

300 mW

(400 LF/Min Air Flow)

1200 mW

700 mW

N-Package

900 mW

500 mW

J-Package

1000 mW

650 mW

Thermal Resistance (Typical) i

jA

H-Package (Still Air)

165

C/W

165

C/W

(400 LF/Min Air Flow)

67

C/W

67

C/W

N Package

135

C/W

135

C/W

J-Package

110

C/W

110

CmW

(Typical) i

jC

H-Package

25

C/W

25

C/W

Storage Temperature Range

b

65

C to

a

150

C

b

65

C to

a

150

C

Lead Temperature (Soldering, 10 sec.)

Metal Can or Ceramic

300

C

300

C

Plastic

260

C

260

C

ESD Tolerance (Note 5)

2000V

2000V

Electrical Characteristics

(Note 3) T

A

e

T

J

Parameter

Conditions

LM101A/LM201A

LM301A

Units

Min

Typ

Max Min

Typ

Max

Input Offset Voltage

T

A

e

25

C, R

S

s

50 kX

0.7

2.0

2.0

7.5

mV

Input Offset Current

T

A

e

25

C

1.5

10

3.0

50

nA

Input Bias Current

T

A

e

25

C

30

75

70

250

nA

Input Resistance

T

A

e

25

C

1.5

4.0

0.5

2.0

MX

Supply Current

T

A

e

25

C

V

S

e

g

20V

1.8

3.0

mA

V

S

e

g

15V

1.8

3.0

mA

Large Signal Voltage Gain

T

A

e

25

C, V

S

e

g

15V

50

160

25

160

V/mV

V

OUT

e

g

10V, R

L

t

2 kX

Input Offset Voltage

R

S

s

50 kX

3.0

10

mV

Average Temperature Coefficient R

S

s

50 kX

3.0

15

6.0

30

m

V/

C

of Input Offset Voltage

Input Offset Current

20

70

nA

Average Temperature Coefficient 25

C

s

T

A

s

T

MAX

0.01

0.1

0.01

0.3

nA/

C

of Input Offset Current

T

MIN

s

T

A

s

25

C

0.02

0.2

0.02

0.6

nA/

C

2

background image

Electrical Characteristics

(Note 3) T

A

e

T

J

(Continued)

Parameter

Conditions

LM101A/LM201A

LM301A

Units

Min

Typ

Max Min

Typ

Max

Input Bias Current

0.1

0.3

m

A

Supply Current

T

A

e

T

MAX

, V

S

e

g

20V

1.2

2.5

mA

Large Signal Voltage Gain

V

S

e

g

15V, V

OUT

e

g

10V

25

15

V/mV

R

L

t

2k

Output Voltage Swing

V

S

e

g

15V

R

L

e

10 kX

g

12

g

14

g

12

g

14

V

R

L

e

2 kX

g

10

g

13

g

10

g

13

V

Input Voltage Range

V

S

e

g

20V

g

15

V

V

S

e

g

15V

a

15,

b

13

g

12

a

15,

b

13

V

Common-Mode Rejection Ratio R

S

s

50 kX

80

96

70

90

dB

Supply Voltage Rejection Ratio R

S

s

50 kX

80

96

70

96

dB

Note 1:

For supply voltages less than

g

15V, the absolute maximum input voltage is equal to the supply voltage.

Note 2:

Continuous short circuit is allowed for case temperatures to 125

C and ambient temperatures to 75

C for LM101A/LM201A, and 70

C and 55

C

respectively for LM301A.

Note 3:

Unless otherwise specified, these specifications apply for C1

e

30 pF,

g

5V

s

V

S

s g

20V and

b

55

C

s

T

A

s a

125

C (LM101A),

g

5V

s

V

S

s g

20V

and

b

25

C

s

T

A

s a

85

C (LM201A),

g

5V

s

V

S

s g

15V and 0

C

s

T

A

s a

70

C (LM301A).

Note 4:

Refer to RETS101AX for LM101A military specifications and RETS101X for LM101 military specifications.

Note 5:

Human body model, 100 pF discharged through 1.5 kX.

Guaranteed Performance Characteristics

LM101A/LM201A

Input Voltage Range

Output Swing

Voltage Gain

TL/H/7752 - 5

Guaranteed Performance Characteristics

LM301A

Input Voltage Range

Output Swing

Voltage Gain

TL/H/7752 - 6

3

background image

Typical Performance Characteristics

Supply Current

Voltage Gain

Maximum Power Dissipation

LM101A/LM201A/LM301A

Input Current,

Current Limiting

Input Noise Voltage

Input Noise Current

Common Mode Rejection

Power Supply Rejection

Impedance

Closed Loop Output

TL/H/7752 - 7

4

background image

Typical Performance Characteristics for Various Compensation Circuits

**

Single Pole Compensation

TL/H/7752 - 8

C1

t

R1 C

S

R1

a

R2

C

S

e

30 pF

Two Pole Compensation

C1

t

R1 C

S

R1

a

R2

C

S

e

30 pF

C2

e

10 C1

TL/H/7752 - 12

Feedforward Compensation

C2

e

1

2q f

o

R2

f

o

e

3 MHz

TL/H/7752 - 16

Response

Open Loop Frequency

TL/H/7752 - 9

Response

Open Loop Frequency

TL/H/7752 - 13

Response

Open Loop Frequency

TL/H/7752 - 17

Response

Large Signal Frequency

TL/H/7752 - 10

Response

Large Signal Frequency

TL/H/7752 - 14

Response

Large Signal Frequency

TL/H/7752 - 18

Response

Voltage Follower Pulse

TL/H/7752 - 11

Response

Voltage Follower Pulse

TL/H/7752 - 15

Inverter Pulse Response

TL/H/7752 - 19

**Pin connections shown are for 8-pin packages.

5

background image

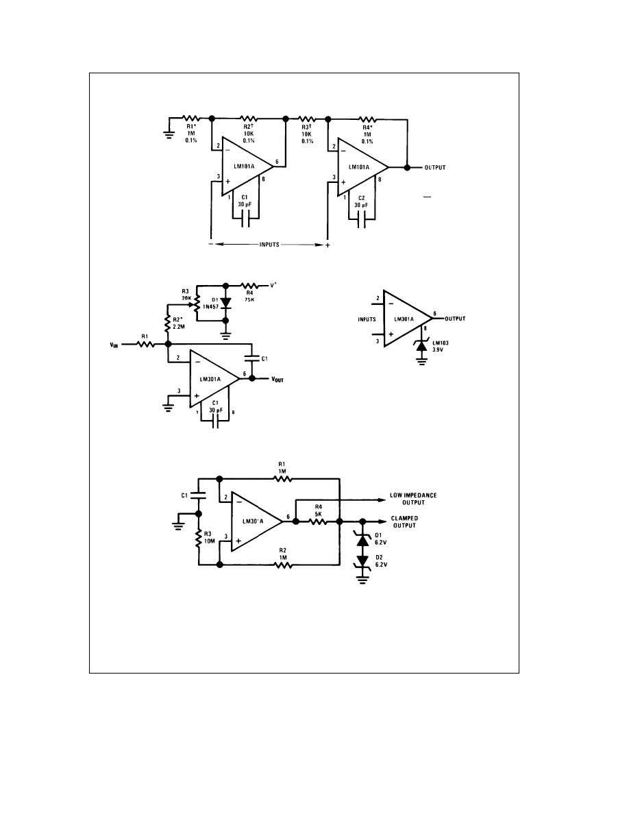
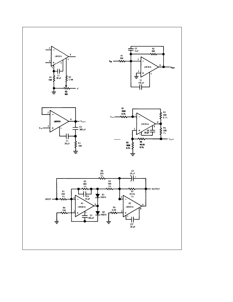
Typical Applications

**

Variable Capacitance Multiplier

C

e

1

a

R

b

R

a

C1

TL/H/7752 - 20

Simulated Inductor

L j R1 R2 C1

R

S

e

R2

R

P

e

R1

TL/H/7752 - 21

Fast Inverting Amplifier

with High Input Impedance

TL/H/7752 - 22

Inverting Amplifier

with Balancing Circuit

May be zero or equal
to parallel combina-
tion of R1 and R2 for
minimum offset.

TL/H/7752 - 23

Integrator with Bias Current

Sine Wave Oscillator

Compensation

TL/H/7752 - 25

*Adjust for zero integrator drift. Current drift typically

0.1 nA/

C over

b

55

C to

a

125

C temperature range.

f

o

e

10 kHz

TL/H/7752 - 24

**Pin connections shown are for 8-pin packages.

6

background image

Application Hints

**

Protecting Against Gross

Fault Conditions

*Protects input

Protects output

TL/H/7752 - 26

Protects outputÐnot needed when R4 is used.

Compensating for Stray Input Capacitances

or Large Feedback Resistor

C2

e

R1 C

S

R2

TL/H/7752 - 27

Isolating Large Capacitive Loads

TL/H/7752 - 28

Although the LM101A is designed for trouble free operation,
experience has indicated that it is wise to observe certain
precautions given below to protect the devices from abnor-
mal operating conditions. It might be pointed out that the
advice given here is applicable to practically any IC op amp,
although the exact reason why may differ with different de-
vices.

When driving either input from a low-impedance source, a
limiting resistor should be placed in series with the input
lead to limit the peak instantaneous output current of the
source to something less than 100 mA. This is especially
important when the inputs go outside a piece of equipment
where they could accidentally be connected to high voltage
sources. Large capacitors on the input (greater than 0.1 mF)
should be treated as a low source impedance and isolated
with a resistor. Low impedance sources do not cause a
problem unless their output voltage exceeds the supply volt-
age. However, the supplies go to zero when they are turned
off, so the isolation is usually needed.

The output circuitry is protected against damage from shorts
to ground. However, when the amplifier output is connected
to a test point, it should be isolated by a limiting resistor, as
test points frequently get shorted to bad places. Further,
when the amplifer drives a load external to the equipment, it
is also advisable to use some sort of limiting resistance to
preclude mishaps.

Precautions should be taken to insure that the power sup-
plies for the integrated circuit never become reversedÐ
even under transient conditions. With reverse voltages
greater than 1V, the IC will conduct excessive current, fus-
ing internal aluminum interconnects. If there is a possibility
of this happening, clamp diodes with a high peak current
rating should be installed on the supply lines. Reversal of
the voltage between V

a

and V

b

will always cause a prob-

lem, although reversals with respect to ground may also
give difficulties in many circuits.

The minimum values given for the frequency compensation
capacitor are stable only for source resistances less than
10 kX, stray capacitances on the summing junction less
than 5 pF and capacitive loads smaller than 100 pF. If any
of these conditions are not met, it becomes necessary to
overcompensate the amplifier with a larger compensation
capacitor. Alternately, lead capacitors can be used in the
feedback network to negate the effect of stray capacitance
and large feedback resistors or an RC network can be add-
ed to isolate capacitive loads.

Although the LM101A is relatively unaffected by supply by-
passing, this cannot be ignored altogether. Generally it is
necessary to bypass the supplies to ground at least once on
every circuit card, and more bypass points may be required
if more than five amplifiers are used. When feed-forward
compensation is employed, however, it is advisable to by-
pass the supply leads of each amplifier with low inductance
capacitors because of the higher frequencies involved.

**Pin connections shown are for 8-pin packages.

7

background image

Typical Applications

**

(Continued)

Standard Compensation and

Offset Balancing Circuit

TL/H/7752 - 29

Fast Summing Amplifier

Power Bandwidth: 250 kHz
Small Signal Bandwiidth: 3.5 MHz
Slew Rate: 10V/ms

TL/H/7752 - 30

Fast Voltage Follower

Power Bandwidth: 15 kHz

Slew Rate: 1V/ms

TL/H/7752 - 31

Bilateral Current Source

I

OUT

e

R3 V

IN

R1 R5

R3

e

R4

a

R5

R1

e

R2

TL/H/7752 - 32

Fast AC/DC Converter

*

*Feedforward

compensation

can be used to make a fast full
wave rectifier without a filter.

TL/H/7752 - 33

**Pin connections shown are for 8-pin packages.

8

background image

Typical Applications

**

(Continued)

Instrumentation Amplifier

R1

e

R4; R2

e

R3

A

V

e

1

a

R1

R2

*,

Matching determines CMRR.

TL/H/7752 - 34

Integrator with Bias Current Compensation

*Adjust for zero integrator

drift. Current drift typically
0.1 nA/

C over 0

C to

a

70

C

temperature range.

TL/H/7752 - 35

Voltage Comparator for Driving RTL Logic or

High Current Driver

TL/H/7752 - 37

Low Frequency Square Wave Generator

TL/H/7752 - 36

**Pin connections shown are for 8-pin packages.

9

background image

Typical Applications

**

(Continued)

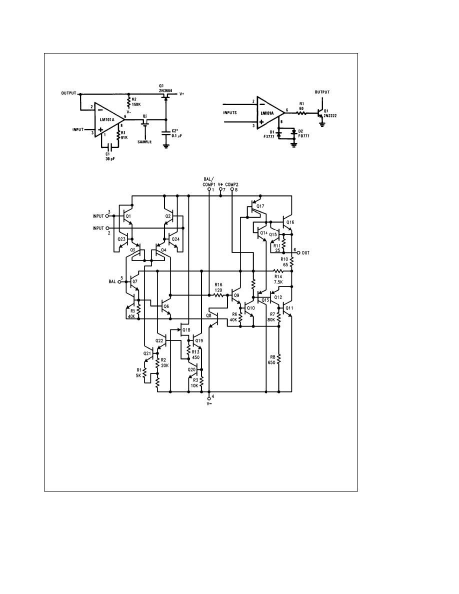
Low Drift Sample and Hold

*Polycarbonate-dielectric capacitor

TL/H/7752 - 38

Voltage Comparator for Driving

DTL or TTL Integrated Circuits

TL/H/7752 - 39

Schematic

**

TL/H/7752 - 1

**Pin connections shown are for 8-pin packages.

10

background image

11

background image

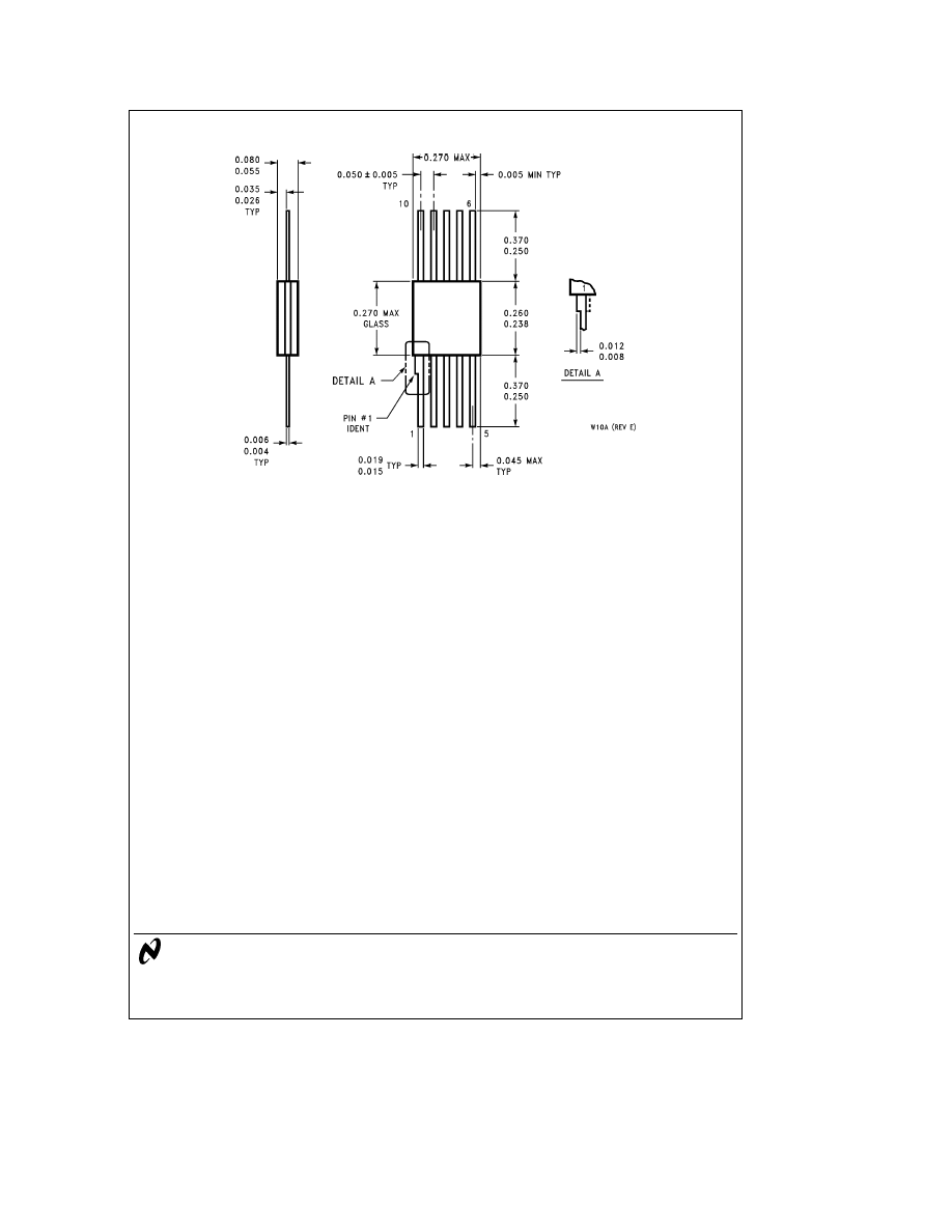
Physical Dimensions

inches (millimeters)

Metal Can Package (H)

Order Number LM101AH, LM101AH/883

LM201AH or LM301AH

NS Package Number H08C

Ceramic Dual-In-Line Package (J)

Order Number LM101J/883 or LM101AJ

NS Package Number J08A

12

background image

Physical Dimensions

inches (millimeters) (Continued)

Ceramic Dual-In-Line Package (J)

Order Number LM101AJ-14/883

NS Package Number J14A

Molded Dual-In-Line Package (N)

Order Number LM201AN or LM301AN

NS Package Number N08E

13

background image

LM101A/LM201A/LM301A

Operational

Amplifiers

Physical Dimensions

inches (millimeters) (Continued)

Ceramic Flatpack Package (W)

Order Number LM101AW/883 or LM101W/883

NS Package Number W10A

LIFE SUPPORT POLICY

NATIONALS PRODUCTS ARE NOT AUTHORIZED FOR USE AS CRITICAL COMPONENTS IN LIFE SUPPORT
DEVICES OR SYSTEMS WITHOUT THE EXPRESS WRITTEN APPROVAL OF THE PRESIDENT OF NATIONAL
SEMICONDUCTOR CORPORATION. As used herein:

1. Life support devices or systems are devices or

2. A critical component is any component of a life

systems which, (a) are intended for surgical implant

support device or system whose failure to perform can

into the body, or (b) support or sustain life, and whose

be reasonably expected to cause the failure of the life

failure to perform, when properly used in accordance

support device or system, or to affect its safety or

with instructions for use provided in the labeling, can

effectiveness.

be reasonably expected to result in a significant injury
to the user.

National Semiconductor

National Semiconductor

National Semiconductor

National Semiconductor

Corporation

Europe

Hong Kong Ltd.

Japan Ltd.

1111 West Bardin Road

Fax: (a49) 0-180-530 85 86

13th Floor, Straight Block,

Tel: 81-043-299-2309

Arlington, TX 76017

Email: cnjwge

@

tevm2.nsc.com

Ocean Centre, 5 Canton Rd.

Fax: 81-043-299-2408

Tel: 1(800) 272-9959

Deutsch Tel: (a49) 0-180-530 85 85

Tsimshatsui, Kowloon

Fax: 1(800) 737-7018

English

Tel: (a49) 0-180-532 78 32

Hong Kong

Fran

3ais Tel: (a49) 0-180-532 93 58

Tel: (852) 2737-1600

Italiano

Tel: (a49) 0-180-534 16 80

Fax: (852) 2736-9960

National does not assume any responsibility for use of any circuitry described, no circuit patent licenses are implied and National reserves the right at any time without notice to change said circuitry and specifications.


powered by phppowered by MySQLPOWERED BY APACHEPOWERED BY CentOS© 2004 - 2026Información Legalpoliticas de cookiesipv6 ready