Secciones
Foros Electrónica
Boletines de correo
Boletines
background image

SNOSBT3I - JANUARY 2000 - REVISED DECEMBER 2014

LMx58-N Low-Power, Dual-Operational Amplifiers

1 Features

3 Description

The LM158 series consists of two independent, high

1

Available in 8-Bump DSBGA Chip-Sized Package,

gain, internally frequency compensated operational

(See AN-1112,

)

amplifiers which were designed specifically to operate

Internally Frequency Compensated for Unity Gain

from a single power supply over a wide range of

Large DC Voltage Gain:

100 dB

voltages. Operation from split power supplies is also
possible and the low power supply current drain is

Wide Bandwidth (Unity Gain):

1 MHz

independent of the magnitude of the power supply

(Temperature Compensated)

voltage.

Wide Power Supply Range:

Application areas include transducer amplifiers, dc

-

Single Supply:

3V to 32V

gain blocks and all the conventional op-amp circuits

-

Or Dual Supplies:

±1.5V to  ±16V

which now can be more easily implemented in single

Very Low Supply Current Drain (500

power supply systems. For example, the LM158
series can be directly operated off of the standard

μA)—Essentially Independent of Supply Voltage

3.3-V power supply voltage which is used in digital

Low Input Offset Voltage:

2 mV

systems and will easily provide the required interface

Input Common-Mode Voltage Range Includes

electronics without requiring the additional  ±15V

Ground

power supplies.

Differential Input Voltage Range Equal to the

The LM358 and LM2904 are available in a chip sized

Power Supply Voltage

package

(8-Bump

DSBGA)

using

TI's

DSBGA

Large Output Voltage Swing

package technology.

Unique Characteristics:

Device 

-

In the Linear Mode the Input Common-Mode

PART NUMBER

PACKAGE

BODY SIZE (NOM)

Voltage Range Includes Ground and the

TO-CAN (8)

9.08 mm x 9.09 mm

Output Voltage Can Also Swing to Ground,

LM158-N

CDIP (8)

10.16 mm x 6.502 mm

even though Operated from Only a Single

LM258-N

TO-CAN (8)

9.08 mm x 9.09 mm

Power Supply Voltage.

DSBGA (8)

1.31 mm x 1.31 mm

-

The Unity Gain Cross Frequency is

LM2904-N

SOIC (8)

4.90 mm x 3.91 mm

Temperature Compensated.

PDIP (8)

9.81 mm x 6.35 mm

-

The Input Bias Current is also Temperature

TO-CAN (8)

9.08 mm x 9.09 mm

Compensated.

DSBGA (8)

1.31 mm x 1.31 mm

Advantages:

LM358-N

SOIC (8)

4.90 mm x 3.91 mm

-

Two Internally Compensated Op Amps

PDIP (8)

9.81 mm x 6.35 mm

-

Eliminates Need for Dual Supplies

(1) For all available packages, see the orderable addendum at

-

Allows Direct Sensing Near GND and V

OUT

the end of the datasheet.

Also Goes to GND

-

Compatible with All Forms of Logic

Voltage Controlled Oscillator (VCO)

-

Power Drain Suitable for Battery Operation

2 Applications

Active Filters

General Signal Conditioning and Amplification

4- to 20-mA Current Loop Transmitters

1

An IMPORTANT NOTICE at the end of this data sheet addresses availability, warranty, changes, use in safety-critical applications,
intellectual property matters and other important disclaimers. PRODUCTION DATA.

background image

SNOSBT3I - JANUARY 2000 - REVISED DECEMBER 2014

Table of Contents

7.3

Feature Description.................................................

1

Features ..................................................................

7.4

Device Functional Modes........................................

2

Applications ...........................................................

8

Application and Implementation ........................

3

Description .............................................................

8.1

Application Information............................................

4

Revision History.....................................................

8.2

Typical Applications ................................................

5

Pin Configuration and Functions .........................

9

Power Supply Recommendations ......................

6

Specifications.........................................................

10

Layout...................................................................

6.1

Absolute Maximum Ratings ......................................

10.1

Layout Guidelines .................................................

6.2

ESD Ratings ............................................................

10.2

Layout Example ....................................................

6.3

Recommended Operating Conditions .......................

11

Device and Documentation Support .................

6.4

Thermal Information ..................................................

11.1

Related Links ........................................................

6.5

Electrical Characteristics: LM158A, LM358A, LM158,

LM258 ........................................................................

11.2

Trademarks ...........................................................

6.6

Electrical Characteristics: LM358, LM2904...............

11.3

Electrostatic Discharge Caution ............................

6.7

Typical Characteristics ..............................................

11.4

Glossary ................................................................

7

Detailed Description ............................................

12

Mechanical, Packaging, and Orderable

Information ...........................................................

7.1

Overview .................................................................

7.2

Functional Block Diagram .......................................

4 Revision History

NOTE: Page numbers for previous revisions may differ from page numbers in the current version.

Changes from Revision H (March 2013) to Revision I

Page

Added Pin Configuration and Functions section, ESD Ratings table, Feature Description section, Device Functional
Modes
Application and Implementation section, Power Supply Recommendations section, Layout section, Device
and Documentation Support 
section, and Mechanical, Packaging, and Orderable Information section ..............................

Changes from Revision G (March 2013) to Revision H

Page

Changed layout of National Data Sheet to TI format ...........................................................................................................

2

Copyright  © 2000-2014, Texas Instruments Incorporated

Product Folder Links:

background image

SNOSBT3I - JANUARY 2000 - REVISED DECEMBER 2014

5 Pin Configuration and Functions

D, P, and NAB Package

8-Pin SOIC, PDIP, and CDIP

Top View

LMC Package

8-Pin TO-99

Top View

YPB Package
8-Pin DSBGA

Top View

Pin Functions

PIN

TYPE

DESCRIPTION

D/P/LMC

DSBGA NO.

NAME

NO.

1

A1

OUTA

O

Output , Channel A

2

B1

-INA

I

Inverting Input, Channel A

3

C1

+INA

I

Non-Inverting Input, Channel A

Ground for Single supply configurations. negative supply for dual supply

4

C2

GND / V-

P

configurations

5

C3

+INB

I

Output, Channel B

6

B3

-INB

I

Inverting Input, Channel B

7

A3

OUTB

O

Non-Inverting Input, Channel B

8

A2

V+

P

Positive Supply

Copyright  © 2000-2014, Texas Instruments Incorporated

3

Product Folder Links:

background image

SNOSBT3I - JANUARY 2000 - REVISED DECEMBER 2014

6 Specifications

6.1 Absolute Maximum Ratings

See

(1) (2) (3)

.

LM158, LM258,

LM358, LM158A,

LM2904

UNIT

LM258A, LM358A

MIN

MAX

MIN

MAX

Supply Voltage, V

+

32

26

V

Differential Input Voltage

32

26

V

Input Voltage

-0.3

32

-0.3

26

V

Power Dissipation

(4)

PDIP (P)

830

830

mW

TO-99 (LMC)

550

mW

SOIC (D)

530

530

mW

DSBGA (YPB)

435

mW

Output Short-Circuit to V

+

≤ 15 V and T

A

= 25 °C

Continuous

Continuou

GND

(One

s

Amplifier)

(5)

Input Current (V

IN

<

-0.3V)

(6)

50

50

mA

Temperature

-55

125

°C

PDIP Package (P): Soldering (10 seconds)

260

260

°C

SOIC Package (D)

Vapor Phase (60

215

215

°C

seconds)

Infrared (15 seconds)

220

220

°C

Lead Temperature

PDIP (P): (Soldering, 10 seconds)

260

260

°C

TO-99 (LMC): (Soldering, 10 seconds)

300

300

°C

Storage temperature, T

stg

-65

150

-65

150

°C

(1)

Absolute Maximum Ratings indicate limits beyond which damage to the device may occur. Recommended Operating Conditions indicate
conditions for which the device is intended to be functional, but specific performance is not ensured. For ensured specifications and the
test conditions, see the Electrical Characteristics.

(2)

Refer to RETS158AX for LM158A military specifications and to RETS158X for LM158 military specifications.

(3)

If Military/Aerospace specified devices are required, please contact the TI Sales Office/Distributors for availability and specifications.

(4)

For operating at high temperatures, the LM358/LM358A, LM2904 must be derated based on a 125 °C maximum junction temperature
and a thermal resistance of 120 °C/W for PDIP, 182 °C/W for TO-99, 189 °C/W for SOIC package, and 230 °C/W for DSBGA, which
applies for the device soldered in a printed circuit board, operating in a still air ambient. The LM258/LM258A and LM158/LM158A can be
derated based on a +150 °C maximum junction temperature. The dissipation is the total of both amplifiers—use external resistors, where
possible, to allow the amplifier to saturate or to reduce the power which is dissipated in the integrated circuit.

(5)

Short circuits from the output to V

+

can cause excessive heating and eventual destruction. When considering short circuits to ground,

the maximum output current is approximately 40 mA independent of the magnitude of V

+

. At values of supply voltage in excess of +15

V, continuous short-circuits can exceed the power dissipation ratings and cause eventual destruction. Destructive dissipation can result
from simultaneous shorts on all amplifiers.

(6)

This input current will only exist when the voltage at any of the input leads is driven negative. It is due to the collector-base junction of
the input PNP transistors becoming forward biased and thereby acting as input diode clamps. In addition to this diode action, there is
also lateral NPN parasitic transistor action on the IC chip. This transistor action can cause the output voltages of the op amps to go to
the V

+

voltage level (or to ground for a large overdrive) for the time duration that an input is driven negative. This is not destructive and

normal output states will re-establish when the input voltage, which was negative, again returns to a value greater than

-0.3 V (at 25 °C).

6.2 ESD Ratings

VALUE

UNIT

V

(ESD)

Electrostatic discharge

Human-body model (HBM), per ANSI/ESDA/JEDEC JS-001

(1)

±250

V

(1)

JEDEC document JEP155 states that 500-V HBM allows safe manufacturing with a standard ESD control process.

4

Copyright  © 2000-2014, Texas Instruments Incorporated

Product Folder Links:

background image

SNOSBT3I - JANUARY 2000 - REVISED DECEMBER 2014

6.3 Recommended Operating Conditions

over operating free-air temperature range (unless otherwise noted)

MIN

MAX

UNIT

Supply Voltage (V+ - V-):LM158. LM258, LM358

3 ( ±1.5)

32 ( ±16)

V

Supply Voltage (V+ - V-):LM2904

3 ( ±1.5)

26 ( ±13)

V

Operating Temperature: LM158

-55

125

°C

Operating Temperature: LM258

-25

85

°C

Operating Temperature: LM358

0

70

°C

Operating Temperature: LM2904

-40

85

°C

6.4 Thermal Information

LM158-N,

LM158-N

LM2904-N, LM358-N

LM258-N,

LM358-N

THERMAL METRIC

(1)

UNIT

LMC

NAB

YPB

D

P

8 PINS

R

ΘJA

Junction-to-ambient thermal resistance

155

132

230

189

120

°C/W

(1)

For more information about traditional and new thermal metrics, see the IC Package Thermal Metrics application report,

6.5 Electrical Characteristics: LM158A, LM358A, LM158, LM258

V

+

= +5.0 V, See

(1)

, unless otherwise stated

LM158A

LM358A

LM158, LM258

PARAMETER

TEST CONDITIONS

UNIT

MIN

TYP

MAX

MIN

TYP

MAX

MIN

TYP

MAX

Input Offset Voltage

See

(2)

, T

A

= 25 °C

1

2

2

3

2

5

mV

Input Bias Current

I

IN(+)

or I

IN(

-)

, T

A

= 25 °C,

20

50

45

100

45

150

nA

V

CM

= 0 V,

(3)

Input Offset Current

I

IN(+)

- I

IN(

-)

, V

CM

= 0V, T

A

=

2

10

5

30

3

30

nA

25 °C

Input Common-Mode

V

+

= 30 V,

(4)

V

+

-1.

0

0

V

+

-1.5

0

V

+

-1.5

V

Voltage Range

(LM2904, V

+

= 26V), T

A

=

5

25 °C

Supply Current

Over Full Temperature
Range

R

L

=

•ž on All Op Amps

V

+

= 30V (LM2904 V

+

= 26V)

1

2

1

2

1

2

mA

V

+

= 5V

0.5

1.2

0.5

1.2

0.5

1.2

mA

Large Signal Voltage Gain

V

+

= 15 V, T

A

= 25 °C,

R

L

≥ 2 kΩ, (For V

O

= 1 V to

50

100

25

100

50

100

V/mV

11 V)

Common-Mode

T

A

= 25 °C,

70

85

65

85

70

85

dB

Rejection Ratio

V

CM

= 0 V to V

+

-1.5 V

Power Supply

V

+

= 5 V to 30 V

65

100

65

100

65

100

dB

Rejection Ratio

(LM2904, V

+

= 5 V to 26 V),

T

A

= 25 °C

(1)

These specifications are limited to -55 °C

≤ T

A

≤ +125 °C for the LM158/LM158A. With the LM258/LM258A, all temperature specifications

are limited to

-25 °C ≤ T

A

≤ 85 °C, the LM358/LM358A temperature specifications are limited to 0 °C ≤ T

A

≤ 70 °C, and the LM2904

specifications are limited to -40 °C

≤ T

A

≤ 85 °C.

(2)

V

O

•‰ 1.4 V, R

S

= 0

Ω with V

+

from 5 V to 30 V; and over the full input common-mode range (0 V to V

+

-1.5 V) at 25 °C. For LM2904, V

+

from 5 V to 26 V.

(3)

The direction of the input current is out of the IC due to the PNP input stage. This current is essentially constant, independent of the
state of the output so no loading change exists on the input lines.

(4)

The input common-mode voltage of either input signal voltage should not be allowed to go negative by more than 0.3 V (at 25 °C). The
upper end of the common-mode voltage range is V

+

-1.5 V (at 25 °C), but either or both inputs can go to 32 V without damage (26 V for

LM2904), independent of the magnitude of V

+

.

Copyright  © 2000-2014, Texas Instruments Incorporated

5

Product Folder Links:

background image

SNOSBT3I - JANUARY 2000 - REVISED DECEMBER 2014

Electrical Characteristics: LM158A, LM358A, LM158, LM258 (continued)

V

+

= +5.0 V, See

unless otherwise stated

LM158A

LM358A

LM158, LM258

PARAMETER

TEST CONDITIONS

UNIT

MIN

TYP

MAX

MIN

TYP

MAX

MIN

TYP

MAX

Power Supply

V

+

= 5 V to 30 V

65

100

65

100

65

100

dB

Rejection Ratio

(LM2904, V

+

= 5 V to 26 V),

T

A

= 25 °C

Amplifier-to-Amplifier

f = 1 kHz to 20 kHz, T

A

=

-120

-120

-120

dB

Coupling

25 °C (Input Referred), See

(5)

Output Current

Source

V

IN

+

= 1 V,

V

IN

-

= 0 V,

20

40

20

40

20

40

mA

V

+

= 15 V,

V

O

= 2 V, T

A

= 25 °C

Sink

V

IN

-

= 1 V, V

IN

+

= 0 V

V

+

= 15 V, T

A

= 25 °C,

10

20

10

20

10

20

mA

V

O

= 2 V

V

IN

-

= 1 V,

V

IN

+

= 0 V

12

50

12

50

12

50

μA

T

A

= 25 °C, V

O

= 200 mV,

V

+

= 15 V

Short Circuit to Ground

T

A

= 25 °C, See

(6)

, V

+

= 15 V

40

60

40

60

40

60

mA

Input Offset Voltage

See

(2)

4

5

7

mV

Input Offset Voltage Drift

R

S

= 0

7

15

7

20

7

μV/ °C

Input Offset Current

I

IN(+)

- I

IN(

-)

30

75

100

nA

Input Offset Current Drift

R

S

= 0

10

200

10

300

10

pA/ °C

Input Bias Current

I

IN(+)

or I

IN(

-)

40

100

40

200

40

300

nA

Input Common-Mode

V

+

= 30 V, See

(4)

(LM2904,

0

V

+

-2

0

V

+

-2

0

V

+

-2

V

Voltage Range

V

+

= 26 V)

Large Signal Voltage Gain

V

+

= +15 V

(V

O

= 1 V to 11 V)

25

15

25

V/mV

R

L

≥ 2 kΩ

Output

V

OH

V

+

= +30 V

R

L

= 2

26

26

26

V

k

Voltage

R

L

=

27

28

27

28

27

28

V

(LM2904, V

+

= 26 V)

10 k

Swing

V

OL

V

+

= 5V, R

L

= 10 k

5

20

5

20

5

20

mV

Output Current

Source

V

IN

+

= +1 V, V

IN

-

= 0 V,

10

20

10

20

10

20

mA

V

+

= 15 V, V

O

= 2 V

Sink

V

IN

-

= +1 V, V

IN

+

= 0 V,

10

15

5

8

5

8

mA

V

+

= 15 V, V

O

= 2 V

(5)

Due to proximity of external components, insure that coupling is not originating via stray capacitance between these external parts. This
typically can be detected as this type of capacitance increases at higher frequencies.

(6)

Short circuits from the output to V

+

can cause excessive heating and eventual destruction. When considering short circuits to ground,

the maximum output current is approximately 40 mA independent of the magnitude of V

+

. At values of supply voltage in excess of +15

V, continuous short-circuits can exceed the power dissipation ratings and cause eventual destruction. Destructive dissipation can result
from simultaneous shorts on all amplifiers.

6

Copyright  © 2000-2014, Texas Instruments Incorporated

Product Folder Links:

background image

SNOSBT3I - JANUARY 2000 - REVISED DECEMBER 2014

6.6 Electrical Characteristics: LM358, LM2904

V

+

= +5.0 V, See

(1)

, unless otherwise stated

LM358

LM2904

PARAMETER

TEST CONDITIONS

UNIT

MIN

TYP

MAX

MIN

TYP

MAX

Input Offset Voltage

See

(2)

, T

A

= 25 °C

2

7

2

7

mV

Input Bias Current

I

IN(+)

or I

IN(

-)

, T

A

= 25 °C,

45

250

45

250

nA

V

CM

= 0 V, See

(3)

Input Offset Current

I

IN(+)

- I

IN(

-)

, V

CM

= 0 V, T

A

= 25 °C

5

50

5

50

nA

Input Common-Mode

V

+

= 30 V, See

(4)

V

+

-1.

0

0

V

+

-1.5

V

Voltage Range

(LM2904, V

+

= 26 V), T

A

= 25 °C

5

Supply Current

Over Full Temperature Range

R

L

=

•ž on All Op Amps

V

+

= 30 V (LM2904 V

+

= 26 V)

1

2

1

2

mA

V

+

= 5 V

0.5

1.2

0.5

1.2

mA

Large Signal Voltage

V

+

= 15V, T

A

= 25 °C,

Gain

R

L

≥ 2 kΩ, (For V

O

= 1 V to 11 V)

25

100

25

100

V/mV

Common-Mode

T

A

= 25 °C,

65

85

50

70

dB

Rejection Ratio

V

CM

= 0 V to V

+

-1.5 V

Power Supply

V

+

= 5 V to 30 V

65

100

50

100

dB

Rejection Ratio

(LM2904, V

+

= 5 V to 26 V), T

A

= 25 °C

Amplifier-to-Amplifier Coupling

f = 1 kHz to 20 kHz, T

A

= 25 °C

-120

-120

dB

(Input Referred), See

(5)

Output Current

Source

V

IN

+

= 1 V,

V

IN

-

= 0 V,

20

40

20

40

mA

V

+

= 15 V,

V

O

= 2 V, T

A

= 25 °C

Sink

V

IN

-

= 1 V, V

IN

+

= 0 V

V

+

= 15V, T

A

= 25 °C,

10

20

10

20

mA

V

O

= 2 V

V

IN

-

= 1 V,

V

IN

+

= 0 V

12

50

12

50

μA

T

A

= 25 °C, V

O

= 200 mV,

V

+

= 15 V

Short Circuit to Ground

T

A

= 25 °C, See

(6)

, V

+

= 15 V

40

60

40

60

mA

Input Offset Voltage

See

(2)

9

10

mV

Input Offset Voltage Drift

R

S

= 0

7

7

μV/ °C

Input Offset Current

I

IN(+)

- I

IN(

-)

150

45

200

nA

Input Offset Current Drift

R

S

= 0

10

10

pA/ °C

Input Bias Current

I

IN(+)

or I

IN(

-)

40

500

40

500

nA

(1)

These specifications are limited to -55 °C

≤ T

A

≤ +125 °C for the LM158/LM158A. With the LM258/LM258A, all temperature specifications

are limited to

-25 °C ≤ T

A

≤ 85 °C, the LM358/LM358A temperature specifications are limited to 0 °C ≤ T

A

≤ 70 °C, and the LM2904

specifications are limited to -40 °C

≤ T

A

≤ 85 °C.

(2)

V

O

•‰ 1.4 V, R

S

= 0

Ω with V

+

from 5 V to 30 V; and over the full input common-mode range (0 V to V

+

-1.5 V) at 25 °C. For LM2904, V

+

from 5 V to 26 V.

(3)

The direction of the input current is out of the IC due to the PNP input stage. This current is essentially constant, independent of the
state of the output so no loading change exists on the input lines.

(4)

The input common-mode voltage of either input signal voltage should not be allowed to go negative by more than 0.3 V (at 25 °C). The
upper end of the common-mode voltage range is V

+

-1.5 V (at 25 °C), but either or both inputs can go to 32 V without damage (26 V for

LM2904), independent of the magnitude of V

+

.

(5)

Due to proximity of external components, insure that coupling is not originating via stray capacitance between these external parts. This
typically can be detected as this type of capacitance increases at higher frequencies.

(6)

Short circuits from the output to V

+

can cause excessive heating and eventual destruction. When considering short circuits to ground,

the maximum output current is approximately 40 mA independent of the magnitude of V

+

. At values of supply voltage in excess of +15

V, continuous short-circuits can exceed the power dissipation ratings and cause eventual destruction. Destructive dissipation can result
from simultaneous shorts on all amplifiers.

Copyright  © 2000-2014, Texas Instruments Incorporated

7

Product Folder Links:

background image

SNOSBT3I - JANUARY 2000 - REVISED DECEMBER 2014

Electrical Characteristics: LM358, LM2904 (continued)

V

+

= +5.0 V, See

unless otherwise stated

LM358

LM2904

PARAMETER

TEST CONDITIONS

UNIT

MIN

TYP

MAX

MIN

TYP

MAX

Input Common-Mode

V

+

= 30 V, See

(4)

(LM2904, V

+

= 26 V)

0

V

+

-2

0

V

+

-2

V

Voltage Range

Large Signal Voltage Gain

V

+

= +15 V

(V

O

= 1 V to 11 V)

15

15

V/mV

R

L

≥ 2 kΩ

Output

V

OH

V

+

= 30 V

R

L

= 2 k

26

22

V

Voltage

(LM2904, V

+

= 26 V)

R

L

= 10 k

27

28

23

24

V

Swing

V

OL

V

+

= 5 V, R

L

= 10 k

5

20

5

100

mV

Output Current

Source

V

IN

+

= 1 V, V

IN

-

= 0 V,

10

20

10

20

mA

V

+

= 15 V, V

O

= 2 V

Sink

V

IN

-

= 1 V, V

IN

+

= 0 V,

5

8

5

8

mA

V

+

= 15 V, V

O

= 2 V

8

Copyright  © 2000-2014, Texas Instruments Incorporated

Product Folder Links:

background image

SNOSBT3I - JANUARY 2000 - REVISED DECEMBER 2014

6.7 Typical Characteristics

Figure 1. Input Voltage Range

Figure 2. Input Current

Figure 3. Supply Current

Figure 4. Voltage Gain

Figure 6. Common-Mode Rejection Ratio

Figure 5. Open Loop Frequency Response

Copyright  © 2000-2014, Texas Instruments Incorporated

9

Product Folder Links:

background image

SNOSBT3I - JANUARY 2000 - REVISED DECEMBER 2014

Typical Characteristics (continued)

Figure 8. Voltage Follower Pulse Response (Small Signal)

Figure 7. Voltage Follower Pulse Response

Figure 9. Large Signal Frequency Response

Figure 10. Output Characteristics Current Sourcing

Figure 11. Output Characteristics Current Sinking

Figure 12. Current Limiting

10

Copyright  © 2000-2014, Texas Instruments Incorporated

Product Folder Links:

background image

SNOSBT3I - JANUARY 2000 - REVISED DECEMBER 2014

Typical Characteristics (continued)

Figure 13. Input Current (LM2902 Only)

Figure 14. Voltage Gain (LM2902 Only)

Copyright  © 2000-2014, Texas Instruments Incorporated

11

Product Folder Links:

background image

SNOSBT3I - JANUARY 2000 - REVISED DECEMBER 2014

7 Detailed Description

7.1 Overview

The LM158 series are operational amplifiers which can operate with only a single power supply voltage, have
true-differential inputs, and remain in the linear mode with an input common-mode voltage of 0 V

DC

. These

amplifiers operate over a wide range of power supply voltage with little change in performance characteristics. At
25 °C amplifier operation is possible down to a minimum supply voltage of 2.3 V

DC

.

Large differential input voltages can be easily accommodated and, as input differential voltage protection diodes
are not needed, no large input currents result from large differential input voltages. The differential input voltage
may be larger than V

+

without damaging the device. Protection should be provided to prevent the input voltages

from going negative more than

-0.3 V

DC

(at 25 °C). An input clamp diode with a resistor to the IC input terminal

can be used.

7.2 Functional Block Diagram

Figure 15. (Each Amplifier)

7.3 Feature Description

The amplifier's differential inputs consist of a non-inverting input (+IN) and an inverting input (-IN). The amplifer
amplifies only the difference in voltage between the two inpus, which is called the differential input voltage. The
output voltage of the op-amp Vout is given by Equation 1:

VOUT = AOL (IN+ - IN-)

where

AOL is the open-loop gain of the amplifier, typically around 100dB (100,000x, or 10uV per Volt).

(1)

To reduce the power supply current drain, the amplifiers have a class A output stage for small signal levels which
converts to class B in a large signal mode. This allows the amplifiers to both source and sink large output
currents. Therefore both NPN and PNP external current boost transistors can be used to extend the power
capability of the basic amplifiers. The output voltage needs to raise approximately 1 diode drop above ground to
bias the on-chip vertical PNP transistor for output current sinking applications.

For ac applications, where the load is capacitively coupled to the output of the amplifier, a resistor should be
used, from the output of the amplifier to ground to increase the class A bias current and prevent crossover
distortion. Where the load is directly coupled, as in dc applications, there is no crossover distortion.

Capacitive loads which are applied directly to the output of the amplifier reduce the loop stability margin. Values
of 50 pF can be accommodated using the worst-case non-inverting unity gain connection. Large closed loop
gains or resistive isolation should be used if larger load capacitance must be driven by the amplifier.

The bias network of the LM158 establishes a drain current which is independent of the magnitude of the power
supply voltage over the range of 3 V

DC

to 30 V

DC

.

Output short circuits either to ground or to the positive power supply should be of short time duration. Units can
be destroyed, not as a result of the short circuit current causing metal fusing, but rather due to the large increase
in IC chip power dissipation which will cause eventual failure due to excessive junction temperatures. Putting
direct short-circuits on more than one amplifier at a time will increase the total IC power dissipation to destructive
levels, if not properly protected with external dissipation limiting resistors in series with the output leads of the
amplifiers. The larger value of output source current which is available at 25 °C provides a larger output current
capability at elevated temperatures (see

than a standard IC op amp.

12

Copyright  © 2000-2014, Texas Instruments Incorporated

Product Folder Links:

background image

SNOSBT3I - JANUARY 2000 - REVISED DECEMBER 2014

7.4 Device Functional Modes

Figure 16. Schematic Diagram

The circuits presented in the

emphasize operation on only a single power

supply voltage. If complementary power supplies are available, all of the standard op-amp circuits can be used.
In general, introducing a pseudo-ground (a bias voltage reference of V

+

/2) will allow operation above and below

this value in single power supply systems. Many application circuits are shown which take advantage of the wide
input common-mode voltage range which includes ground. In most cases, input biasing is not required and input
voltages which range to ground can easily be accommodated.

Copyright  © 2000-2014, Texas Instruments Incorporated

13

Product Folder Links:

background image

SNOSBT3I - JANUARY 2000 - REVISED DECEMBER 2014

8 Application and Implementation

NOTE

Information in the following applications sections is not part of the TI component
specification, and TI does not warrant its accuracy or completeness. TI’s customers are
responsible for determining suitability of components for their purposes. Customers should
validate and test their design implementation to confirm system functionality.

8.1 Application Information

The LM158 family bring performance, economy, and ease-of-use to a wide variety of op-amp applications.

8.2 Typical Applications

8.2.1 Noninverting DC Gain

shows a high input impedance non-inverting circuit. This circuit gives a closed-loop gain equal to the

ratio of the sum of R1 and R2 to R1 and a closed-loop 3 dB bandwidth equal to the amplifier unity-gain frequency
divided by the closed-loop gain. This design has the benefit of a very high input impedance, which is equal to the
differential input impedance multiplied by loop gain. (Open loop gain/Closed loop gain.) In DC coupled
applications, input impedance is not as important as input current and its voltage drop across the source
resistance. Note that the amplifier output will go into saturation if the input is allowed to float. This may be
important if the amplifier must be switched from source to source.

*R not needed due to temperature independent I

IN

Figure 17. Non-Inverting DC Gain (0-V Output)

8.2.1.1 Design Requirements

For this example application, the supply voltage is +5V, and 100x ±5% of noninverting gain is necessary. Signal
input impedance is approx 10k

Ω.

8.2.1.2 Detailed Design Procedure

Using the equation for a non-inverting amplifier configuration ; G = 1+ R2/R1, set R1 to 10k

Ω, and R2 to 99x the

value of R1, which would be 990k

Ω. Replacing the 990kΩ with a 1MΩ will result in a gain of 101, which is within

the desired gain tolerance.

The gain-frequency characteristic of the amplifier and its feedback network must be such that oscillation does not
occur. To meet this condition, the phase shift through amplifier and feedback network must never exceed 180 °
for any frequency where the gain of the amplifier and its feedback network is greater than unity. In practical
applications, the phase shift should not approach 180 ° since this is the situation of conditional stability. Obviously
the most critical case occurs when the attenuation of the feedback network is zero.

14

Copyright  © 2000-2014, Texas Instruments Incorporated

Product Folder Links:

background image

SNOSBT3I - JANUARY 2000 - REVISED DECEMBER 2014

Typical Applications (continued)

8.2.1.3 Application Curve

Figure 18. Transfer Curve for Non-Inverting Configuration

8.2.2 System Examples

8.2.2.1 Typical Single-Supply Applications

(V

+

= 5.0 V

DC

)

V

O

= 0 V

DC

for V

IN

= 0 V

DC

Where: V

O

= V

1

+ V

2

- V

3

- V

4

A

V

= 10

(V

1

+ V

2

)

≥ (V

3

+ V

4

) to keep V

O

> 0 V

DC

Figure 19. DC Summing Amplifier

Figure 20. Power Amplifier

(V

IN'S

≥ 0 V

DC

and V

O

≥ 0 V

DC

)

Copyright  © 2000-2014, Texas Instruments Incorporated

15

Product Folder Links:

background image

SNOSBT3I - JANUARY 2000 - REVISED DECEMBER 2014

Typical Applications (continued)

(V

+

= 5.0 V

DC

)

f

o

= 1 kHz

Q = 50

A

v

= 100 (40 dB)

Figure 21. †śBI-QUAD†ť RC Active Bandpass Filter

Figure 22. Lamp Driver

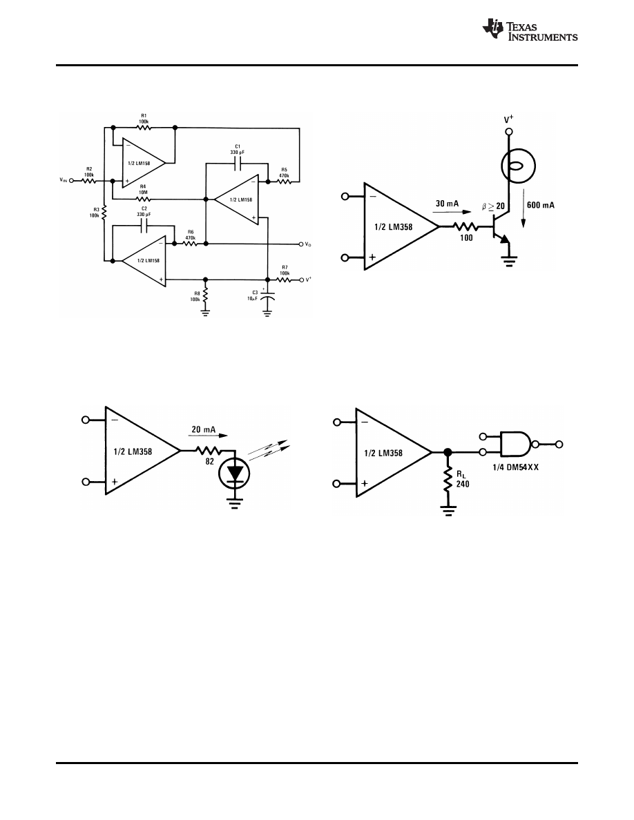
Figure 23. LED Driver

Figure 24. Driving TTL

16

Copyright  © 2000-2014, Texas Instruments Incorporated

Product Folder Links:

background image

SNOSBT3I - JANUARY 2000 - REVISED DECEMBER 2014

Typical Applications (continued)

(V

+

= 5.0 V

DC

)

V

O

= V

IN

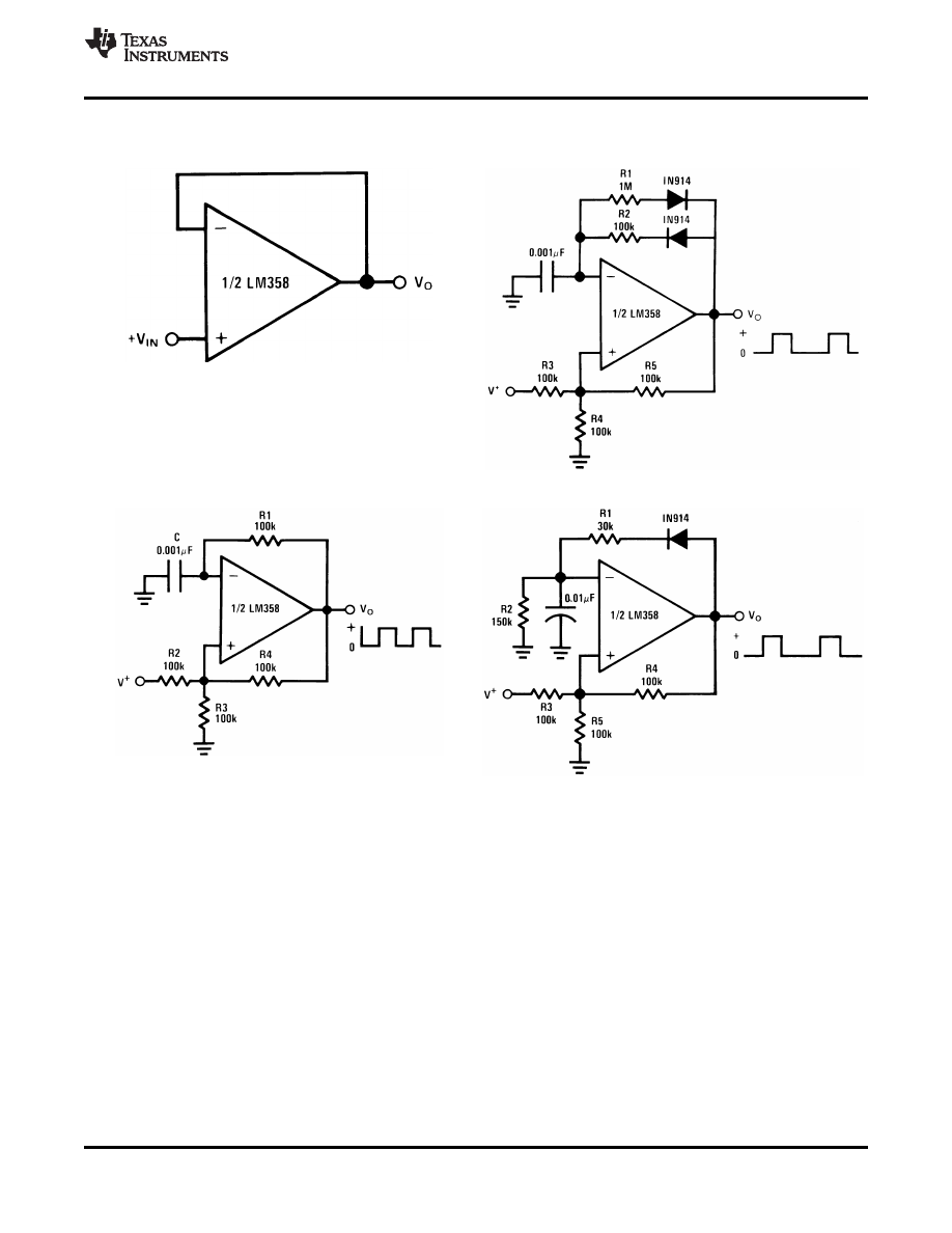
Figure 25. Voltage Follower

Figure 26. Pulse Generator

Figure 27. Squarewave Oscillator

Figure 28. Pulse Generator

Copyright  © 2000-2014, Texas Instruments Incorporated

17

Product Folder Links:

background image

SNOSBT3I - JANUARY 2000 - REVISED DECEMBER 2014

Typical Applications (continued)

(V

+

= 5.0 V

DC

)

HIGH Z

IN

I

O

= 1 amp/volt V

IN

LOW Z

OUT

(Increase R

E

for I

O

small)

Figure 29. Low Drift Peak Detector

Figure 30. High Compliance Current Sink

*WIDE CONTROL VOLTAGE RANGE: 0 V

DC

≤ V

C

2 (V

+

-1.5V

DC

)

Figure 31. Comparator with Hysteresis

Figure 32. Voltage Controlled Oscillator (VCO)

18

Copyright  © 2000-2014, Texas Instruments Incorporated

Product Folder Links:

background image

SNOSBT3I - JANUARY 2000 - REVISED DECEMBER 2014

Typical Applications (continued)

(V

+

= 5.0 V

DC

)

f

o

= 1 kHz

Q = 1

A

V

= 2

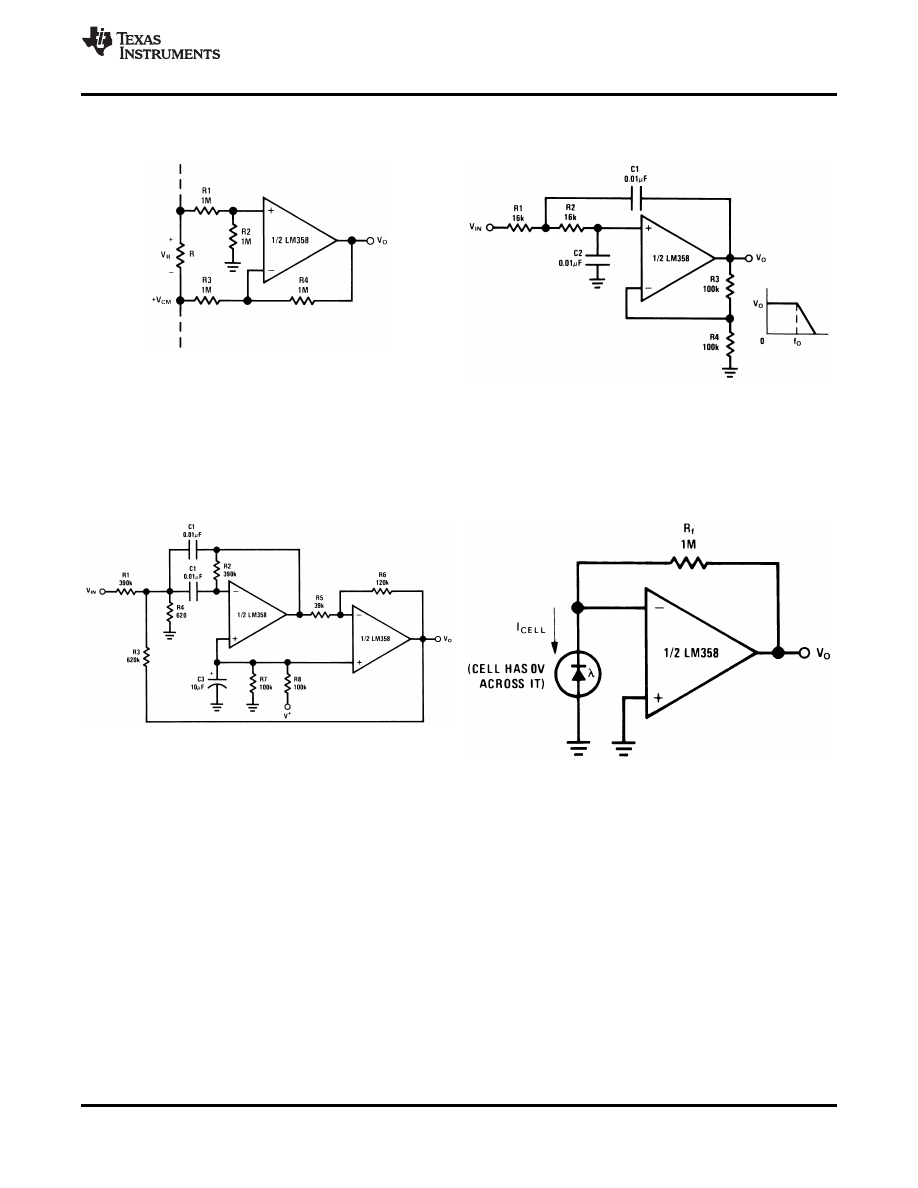
Figure 33. Ground Referencing a Differential Input

Figure 34. DC Coupled Low-Pass RC Active Filter

Signal

f

o

= 1 kHz

Q = 25

Figure 35. Bandpass Active Filter

Figure 36. Photo Voltaic-Cell Amplifier

Copyright  © 2000-2014, Texas Instruments Incorporated

19

Product Folder Links:

background image

SNOSBT3I - JANUARY 2000 - REVISED DECEMBER 2014

Typical Applications (continued)

(V

+

= 5.0 V

DC

)

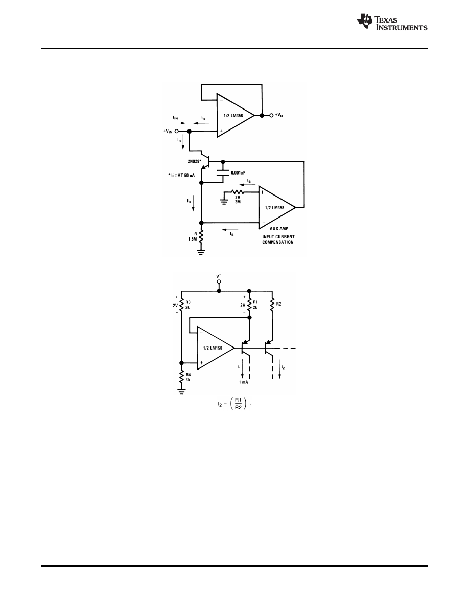
Figure 37. Using Symmetrical Amplifiers to Reduce Input Current (General Concept)

Figure 38. Fixed Current Sources

20

Copyright  © 2000-2014, Texas Instruments Incorporated

Product Folder Links:

background image

SNOSBT3I - JANUARY 2000 - REVISED DECEMBER 2014

Typical Applications (continued)

(V

+

= 5.0 V

DC

)

*(Increase R1 for I

L

small)

V

L

≤ V

+

-2V

Figure 39. Current Monitor

Figure 40. AC Coupled Inverting Amplifier

Copyright  © 2000-2014, Texas Instruments Incorporated

21

Product Folder Links:

background image

SNOSBT3I - JANUARY 2000 - REVISED DECEMBER 2014

Typical Applications (continued)

(V

+

= 5.0 V

DC

)

A

v

= 11 (As Shown)

Figure 41. AC Coupled Non-Inverting Amplifier

Figure 42. High Input Z, DC Differential Amplifier

Figure 43. Bridge Current Amplifier

22

Copyright  © 2000-2014, Texas Instruments Incorporated

Product Folder Links:

background image

SNOSBT3I - JANUARY 2000 - REVISED DECEMBER 2014

Typical Applications (continued)

(V

+

= 5.0 V

DC

)

Figure 44. High Input Z Adjustable-Gain DC Instrumentation Amplifier

Copyright  © 2000-2014, Texas Instruments Incorporated

23

Product Folder Links:

background image

SNOSBT3I - JANUARY 2000 - REVISED DECEMBER 2014

9 Power Supply Recommendations

For proper operation, the power supplies must be properly decoupled. For decoupling the supply pins it is
suggested that 10 nF capacitors be placed as close as possible to the op-amp power supply pins. For single
supply, place a capacitor between V+ and V

-supply leads. For dual supplies, place one capacitor between

V+ and ground, and one capacitor between V- and ground.
Precautions should be taken to insure that the power supply for the integrated circuit never becomes
reversed in polarity or that the unit is not inadvertently installed backwards in a test socket as an unlimited
current surge through the resulting forward diode within the IC could cause fusing of the internal conductors
and result in a destroyed unit.

10 Layout

10.1 Layout Guidelines

For single-ended supply configurations, the V+ pin should be bypassed to ground with a low ESR capacitor. The
optimum placement is closest to the V+ pin. Care should be taken to minimize the loop area formed by the
bypass capacitor connection between V+ and ground. The ground pin should be connected to the PCB ground
plane at the pin of the device. The feedback components should be placed as close to the device as possible to
minimize stray parasitics.

For dual supply configurations, both the V+ pin and V- pin should be bypassed to ground with a low ESR
capacitor. The optimum placement is closest to the corresponding supply pin. Care should be taken to minimize
the loop area formed by the bypass capacitor connection between V+ or V- and ground. The feedback
components should be placed as close to the device as possible to minimize stray parasitics.

For both configurations, as ground plane underneath the device is recommended.

10.2 Layout Example

Figure 45. Layout Example

24

Copyright  © 2000-2014, Texas Instruments Incorporated

Product Folder Links:

background image

SNOSBT3I - JANUARY 2000 - REVISED DECEMBER 2014

11 Device and Documentation Support

11.1 Related Links

The table below lists quick access links. Categories include technical documents, support and community
resources, tools and software, and quick access to sample or buy.

Table 1. Related Links

TECHNICAL

TOOLS &

SUPPORT &

PARTS

PRODUCT FOLDER

SAMPLE & BUY

DOCUMENTS

SOFTWARE

COMMUNITY

LM158-N

LM258-N

LM2904-N

LM358-N

11.2 Trademarks

All trademarks are the property of their respective owners.

11.3 Electrostatic Discharge Caution

These devices have limited built-in ESD protection. The leads should be shorted together or the device placed in conductive foam
during storage or handling to prevent electrostatic damage to the MOS gates.

11.4 Glossary

— TI Glossary.

This glossary lists and explains terms, acronyms, and definitions.

12 Mechanical, Packaging, and Orderable Information

The following pages include mechanical, packaging, and orderable information. This information is the most
current data available for the designated devices. This data is subject to change without notice and revision of
this document. For browser-based versions of this data sheet, refer to the left-hand navigation.

Copyright  © 2000-2014, Texas Instruments Incorporated

25

Product Folder Links:

background image

PACKAGE OPTION ADDENDUM

www.ti.com

19-Mar-2015

Addendum-Page 1

PACKAGING INFORMATION

Orderable Device

Status

(1)

Package Type Package

Drawing

Pins Package

Qty

Eco Plan

(2)

Lead/Ball Finish

(6)

MSL Peak Temp

(3)

Op Temp ( °C)

Device Marking

(4/5)

Samples

LM158AH

ACTIVE

TO-99

LMC

8

500

TBD

Call TI

Call TI

-55 to 125

( LM158AH ~
     LM158AH)

LM158AH/NOPB

ACTIVE

TO-99

LMC

8

500

Green (RoHS

& no Sb/Br)

Call TI

Level-1-NA-UNLIM

-55 to 125

( LM158AH ~
     LM158AH)

LM158H

ACTIVE

TO-99

LMC

8

500

TBD

Call TI

Call TI

-55 to 125

( LM158H ~ LM158H)

LM158H/NOPB

ACTIVE

TO-99

LMC

8

500

Green (RoHS

& no Sb/Br)

Call TI

Level-1-NA-UNLIM

-55 to 125

( LM158H ~ LM158H)

LM158J

ACTIVE

CDIP

NAB

8

40

TBD

Call TI

Call TI

-55 to 125

LM158J

LM258H

ACTIVE

TO-99

LMC

8

500

TBD

Call TI

Call TI

-25 to 85

( LM258H ~ LM258H)

LM258H/NOPB

ACTIVE

TO-99

LMC

8

500

Green (RoHS

& no Sb/Br)

Call TI

Level-1-NA-UNLIM

-25 to 85

( LM258H ~ LM258H)

LM2904ITP/NOPB

ACTIVE

DSBGA

YPB

8

250

Green (RoHS

& no Sb/Br)

SNAGCU

Level-1-260C-UNLIM

-40 to 85

A
09

LM2904ITPX/NOPB

ACTIVE

DSBGA

YPB

8

3000

Green (RoHS

& no Sb/Br)

SNAGCU

Level-1-260C-UNLIM

-40 to 85

A
09

LM2904M

NRND

SOIC

D

8

95

TBD

Call TI

Call TI

-40 to 85

LM
2904M

LM2904M/NOPB

ACTIVE

SOIC

D

8

95

Green (RoHS

& no Sb/Br)

CU SN

Level-1-260C-UNLIM

-40 to 85

LM
2904M

LM2904MX

NRND

SOIC

D

8

2500

TBD

Call TI

Call TI

-40 to 85

LM
2904M

LM2904MX/NOPB

ACTIVE

SOIC

D

8

2500

Green (RoHS

& no Sb/Br)

CU SN

Level-1-260C-UNLIM

-40 to 85

LM
2904M

LM2904N/NOPB

ACTIVE

PDIP

P

8

40

Green (RoHS

& no Sb/Br)

CU SN

Level-1-NA-UNLIM

-40 to 85

LM
2904N

LM358AM

NRND

SOIC

D

8

95

TBD

Call TI

Call TI

0 to 70

LM
358AM

LM358AM/NOPB

ACTIVE

SOIC

D

8

95

Green (RoHS

& no Sb/Br)

CU SN

Level-1-260C-UNLIM

0 to 70

LM
358AM

LM358AMX

NRND

SOIC

D

8

2500

TBD

Call TI

Call TI

0 to 70

LM
358AM

background image

PACKAGE OPTION ADDENDUM

www.ti.com

19-Mar-2015

Addendum-Page 2

Orderable Device

Status

(1)

Package Type Package

Drawing

Pins Package

Qty

Eco Plan

(2)

Lead/Ball Finish

(6)

MSL Peak Temp

(3)

Op Temp ( °C)

Device Marking

(4/5)

Samples

LM358AMX/NOPB

ACTIVE

SOIC

D

8

2500

Green (RoHS

& no Sb/Br)

CU SN

Level-1-260C-UNLIM

0 to 70

LM
358AM

LM358AN/NOPB

ACTIVE

PDIP

P

8

40

Green (RoHS

& no Sb/Br)

CU SN

Level-1-NA-UNLIM

0 to 70

LM
358AN

LM358H/NOPB

ACTIVE

TO-99

LMC

8

500

Green (RoHS

& no Sb/Br)

Call TI

Level-1-NA-UNLIM

0 to 70

( LM358H ~ LM358H)

LM358M

NRND

SOIC

D

8

95

TBD

Call TI

Call TI

0 to 70

LM
358M

LM358M/NOPB

ACTIVE

SOIC

D

8

95

Green (RoHS

& no Sb/Br)

CU SN

Level-1-260C-UNLIM

0 to 70

LM
358M

LM358MX

NRND

SOIC

D

8

2500

TBD

Call TI

Call TI

0 to 70

LM
358M

LM358MX/NOPB

ACTIVE

SOIC

D

8

2500

Green (RoHS

& no Sb/Br)

CU SN

Level-1-260C-UNLIM

0 to 70

LM
358M

LM358N/NOPB

ACTIVE

PDIP

P

8

40

Green (RoHS

& no Sb/Br)

CU SN

Level-1-NA-UNLIM

0 to 70

LM
358N

LM358TP/NOPB

ACTIVE

DSBGA

YPB

8

250

Green (RoHS

& no Sb/Br)

SNAGCU

Level-1-260C-UNLIM

0 to 70

A
07

LM358TPX/NOPB

ACTIVE

DSBGA

YPB

8

3000

Green (RoHS

& no Sb/Br)

SNAGCU

Level-1-260C-UNLIM

0 to 70

A
07

 

(1)

 The marketing status values are defined as follows:

ACTIVE: Product device recommended for new designs.
LIFEBUY: TI has announced that the device will be discontinued, and a lifetime-buy period is in effect.
NRND: Not recommended for new designs. Device is in production to support existing customers, but TI does not recommend using this part in a new design.
PREVIEW: Device has been announced but is not in production. Samples may or may not be available.
OBSOLETE: TI has discontinued the production of the device.

 

(2)

 Eco Plan - The planned eco-friendly classification: Pb-Free (RoHS), Pb-Free (RoHS Exempt), or Green (RoHS & no Sb/Br) - please check

for the latest availability

information and additional product content details.
TBD:  The Pb-Free/Green conversion plan has not been defined.
Pb-Free (RoHS): TI's terms "Lead-Free" or "Pb-Free" mean semiconductor products that are compatible with the current RoHS requirements for all 6 substances, including the requirement that
lead not exceed 0.1% by weight in homogeneous materials. Where designed to be soldered at high temperatures, TI Pb-Free products are suitable for use in specified lead-free processes.
Pb-Free (RoHS Exempt): This component has a RoHS exemption for either 1) lead-based flip-chip solder bumps used between the die and package, or 2) lead-based  die adhesive used between
the die and leadframe. The component is otherwise considered Pb-Free (RoHS compatible) as defined above.
Green (RoHS & no Sb/Br): TI defines "Green" to mean Pb-Free (RoHS compatible), and free of Bromine (Br)  and Antimony (Sb) based flame retardants (Br or Sb do not exceed 0.1% by weight
in homogeneous material)

 

background image

PACKAGE OPTION ADDENDUM

www.ti.com

19-Mar-2015

Addendum-Page 3

(3)

 MSL, Peak Temp. - The Moisture Sensitivity Level rating according to the JEDEC industry standard classifications, and peak solder temperature.

 

(4)

 There may be additional marking, which relates to the logo, the lot trace code information, or the environmental category on the device.

 

(5)

 Multiple Device Markings will be inside parentheses. Only one Device Marking contained in parentheses and separated by a "~" will appear on a device. If a line is indented then it is a continuation

of the previous line and the two combined represent the entire Device Marking for that device.

 

(6)

 Lead/Ball Finish - Orderable Devices may have multiple material finish options. Finish options are separated by a vertical ruled line. Lead/Ball Finish values may wrap to two lines if the finish

value exceeds the maximum column width.

 

Important Information and Disclaimer:The information provided on this page represents TI's knowledge and belief as of the date that it is provided. TI bases its knowledge and belief on information
provided by third parties, and makes no representation or warranty as to the accuracy of such information. Efforts are underway to better integrate information from third parties. TI has taken and
continues to take reasonable steps to provide representative and accurate information but may not have conducted destructive testing or chemical analysis on incoming materials and chemicals.
TI and TI suppliers consider certain information to be proprietary, and thus CAS numbers and other limited information may not be available for release.

 

In no event shall TI's liability arising out of such information exceed the total purchase price of the TI part(s) at issue in this document sold by TI to Customer on an annual basis.

 

background image

TAPE AND REEL INFORMATION

*All dimensions are nominal

Device

Package

Type

Package

Drawing

Pins

SPQ

Reel

Diameter

(mm)

Reel

Width

W1 (mm)

A0

(mm)

B0

(mm)

K0

(mm)

P1

(mm)

W

(mm)

Pin1

Quadrant

LM2904ITP/NOPB

DSBGA

YPB

8

250

178.0

8.4

1.5

1.5

0.66

4.0

8.0

Q1

LM2904ITPX/NOPB

DSBGA

YPB

8

3000

178.0

8.4

1.5

1.5

0.66

4.0

8.0

Q1

LM2904MX

SOIC

D

8

2500

330.0

12.4

6.5

5.4

2.0

8.0

12.0

Q1

LM2904MX/NOPB

SOIC

D

8

2500

330.0

12.4

6.5

5.4

2.0

8.0

12.0

Q1

LM358AMX

SOIC

D

8

2500

330.0

12.4

6.5

5.4

2.0

8.0

12.0

Q1

LM358AMX/NOPB

SOIC

D

8

2500

330.0

12.4

6.5

5.4

2.0

8.0

12.0

Q1

LM358MX

SOIC

D

8

2500

330.0

12.4

6.5

5.4

2.0

8.0

12.0

Q1

LM358MX/NOPB

SOIC

D

8

2500

330.0

12.4

6.5

5.4

2.0

8.0

12.0

Q1

LM358TP/NOPB

DSBGA

YPB

8

250

178.0

8.4

1.5

1.5

0.66

4.0

8.0

Q1

LM358TPX/NOPB

DSBGA

YPB

8

3000

178.0

8.4

1.5

1.5

0.66

4.0

8.0

Q1

PACKAGE MATERIALS INFORMATION

www.ti.com

7-Oct-2014

Pack Materials-Page 1

background image

*All dimensions are nominal

Device

Package Type

Package Drawing

Pins

SPQ

Length (mm)

Width (mm)

Height (mm)

LM2904ITP/NOPB

DSBGA

YPB

8

250

210.0

185.0

35.0

LM2904ITPX/NOPB

DSBGA

YPB

8

3000

210.0

185.0

35.0

LM2904MX

SOIC

D

8

2500

367.0

367.0

35.0

LM2904MX/NOPB

SOIC

D

8

2500

367.0

367.0

35.0

LM358AMX

SOIC

D

8

2500

367.0

367.0

35.0

LM358AMX/NOPB

SOIC

D

8

2500

367.0

367.0

35.0

LM358MX

SOIC

D

8

2500

367.0

367.0

35.0

LM358MX/NOPB

SOIC

D

8

2500

367.0

367.0

35.0

LM358TP/NOPB

DSBGA

YPB

8

250

210.0

185.0

35.0

LM358TPX/NOPB

DSBGA

YPB

8

3000

210.0

185.0

35.0

PACKAGE MATERIALS INFORMATION

www.ti.com

7-Oct-2014

Pack Materials-Page 2

background image

MECHANICAL DATA

NAB0008A

www.ti.com

J08A (Rev M)

background image
background image
background image
background image

MECHANICAL DATA

YPB0008

www.ti.com

TPA08XXX (Rev A)

0.5 ±0.045

D

E

4215100/A      12/12

A. All linear dimensions are in millimeters. Dimensioning and tolerancing per ASME Y14.5M-1994. 
B. This drawing is subject to change without notice.

NOTES:

D: Max = 

E: Max = 

1.337 mm, Min = 

1.337 mm, Min = 

1.276 mm

1.276 mm

background image

IMPORTANT NOTICE

Texas Instruments Incorporated and its subsidiaries (TI) reserve the right to make corrections, enhancements, improvements and other
changes to its semiconductor products and services per JESD46, latest issue, and to discontinue any product or service per JESD48, latest
issue. Buyers should obtain the latest relevant information before placing orders and should verify that such information is current and
complete. All semiconductor products (also referred to herein as †ścomponents†ť) are sold subject to TI’s terms and conditions of sale
supplied at the time of order acknowledgment.

TI warrants performance of its components to the specifications applicable at the time of sale, in accordance with the warranty in TI’s terms
and conditions of sale of semiconductor products. Testing and other quality control techniques are used to the extent TI deems necessary
to support this warranty. Except where mandated by applicable law, testing of all parameters of each component is not necessarily
performed.

TI assumes no liability for applications assistance or the design of Buyers’ products. Buyers are responsible for their products and
applications using TI components. To minimize the risks associated with Buyers’ products and applications, Buyers should provide
adequate design and operating safeguards.

TI does not warrant or represent that any license, either express or implied, is granted under any patent right, copyright, mask work right, or
other intellectual property right relating to any combination, machine, or process in which TI components or services are used. Information
published by TI regarding third-party products or services does not constitute a license to use such products or services or a warranty or
endorsement thereof. Use of such information may require a license from a third party under the patents or other intellectual property of the
third party, or a license from TI under the patents or other intellectual property of TI.

Reproduction of significant portions of TI information in TI data books or data sheets is permissible only if reproduction is without alteration
and is accompanied by all associated warranties, conditions, limitations, and notices. TI is not responsible or liable for such altered
documentation. Information of third parties may be subject to additional restrictions.

Resale of TI components or services with statements different from or beyond the parameters stated by TI for that component or service
voids all express and any implied warranties for the associated TI component or service and is an unfair and deceptive business practice.
TI is not responsible or liable for any such statements.

Buyer acknowledges and agrees that it is solely responsible for compliance with all legal, regulatory and safety-related requirements
concerning its products, and any use of TI components in its applications, notwithstanding any applications-related information or support
that may be provided by TI. Buyer represents and agrees that it has all the necessary expertise to create and implement safeguards which
anticipate dangerous consequences of failures, monitor failures and their consequences, lessen the likelihood of failures that might cause
harm and take appropriate remedial actions. Buyer will fully indemnify TI and its representatives against any damages arising out of the use
of any TI components in safety-critical applications.

In some cases, TI components may be promoted specifically to facilitate safety-related applications. With such components, TI’s goal is to
help enable customers to design and create their own end-product solutions that meet applicable functional safety standards and
requirements. Nonetheless, such components are subject to these terms.

No TI components are authorized for use in FDA Class III (or similar life-critical medical equipment) unless authorized officers of the parties
have executed a special agreement specifically governing such use.

Only those TI components which TI has specifically designated as military grade or †śenhanced plastic†ť are designed and intended for use in
military/aerospace applications or environments. Buyer acknowledges and agrees that any military or aerospace use of TI components
which have not been so designated is solely at the Buyer's risk, and that Buyer is solely responsible for compliance with all legal and
regulatory requirements in connection with such use.

TI has specifically designated certain components as meeting ISO/TS16949 requirements, mainly for automotive use. In any case of use of
non-designated products, TI will not be responsible for any failure to meet ISO/TS16949.

Products

Applications

Audio

Automotive and Transportation

Amplifiers

Communications and Telecom

Data Converters

Computers and Peripherals

DLP ® Products

Consumer Electronics

DSP

Energy and Lighting

Clocks and Timers

Industrial

Interface

Medical

Logic

Security

Power Mgmt

Space, Avionics and Defense

Microcontrollers

Video and Imaging

RFID

OMAP Applications Processors

TI E2E Community

Wireless Connectivity

Mailing Address: Texas Instruments, Post Office Box 655303, Dallas, Texas 75265

Copyright  © 2016, Texas Instruments Incorporated


Document Outline


powered by phppowered by MySQLPOWERED BY APACHEPOWERED BY CentOS© 2004 - 2026Información Legalpoliticas de cookiesipv6 ready