Secciones
Foros Electrónica
Boletines de correo
Boletines
background image

SNVS740C - JANUARY 2000 - REVISED MARCH 2013

LM3915 Dot/Bar Display Driver

Check for Samples:

1

FEATURES

DESCRIPTION

The LM3915 is a monolithic integrated circuit that

2

3 dB/step, 30 dB Range

senses analog voltage levels and drives ten LEDs,

Drives LEDs, LCDs, or Vacuum Fluorescents

LCDs or vacuum fluorescent displays, providing a

Bar or Dot Display Mode Externally Selectable

logarithmic

3

dB/step

analog

display.

One

pin

by User

changes the display from a bar graph to a moving dot
display.

LED

current

drive

is

regulated

and

Expandable to Displays of 90 dB

programmable, eliminating the need for current

Internal Voltage Reference from 1.2V to 12V

limiting resistors. The whole display system can

Operates with Single Supply of 3V to 25V

operate from a single supply as low as 3V or as high
as 25V.

Inputs Operate Down to Ground

Output Current Programmable from 1 mA to 30

The IC contains an adjustable voltage reference and
an accurate ten-step voltage divider. The high-

mA

impedance input buffer accepts signals down to

Input Withstands  ±35V without Damage or

ground and up to within 1.5V of the positive supply.

False Outputs

Further, it needs no protection against inputs of  ±35V.

Outputs are Current Regulated, Open

The input buffer drives 10 individual comparators

Collectors

referenced to the precision divider. Accuracy is
typically better than 1 dB.

Directly Drives TTL or CMOS

The Internal 10-step Divider is Floating and

The LM3915's 3 dB/step display is suited for signals
with wide dynamic range, such as audio level, power,

can be Referenced to a Wide Range of

light intensity or vibration. Audio applications include

Voltages

average or peak level indicators, power meters and

The LM3915 is Rated for Operation from 0 °C to

RF signal strength meters. Replacing conventional

+70 °C. The LM3915N-1 is Available in an 18-

meters with an LED bar graph results in a faster

lead PDIP Package.

responding, more rugged display with high visibility
that retains the ease of interpretation of an analog
display.

The LM3915 is extremely easy to apply. A 1.2V full-
scale meter requires only one resistor in addition to
the ten LEDs. One more resistor programs the full-
scale anywhere from 1.2V to 12V independent of
supply voltage. LED brightness is easily controlled
with a single pot.

The LM3915 is very versatile. The outputs can drive
LCDs, vacuum fluorescents and incandescent bulbs
as well as LEDs of any color. Multiple devices can be
cascaded for a dot or bar mode display with a range
of 60 or 90 dB. LM3915s can also be cascaded with
LM3914s for a linear/log display or with LM3916s for
an extended-range VU meter.

1

Please be aware that an important notice concerning availability, standard warranty, and use in critical applications of
Texas Instruments semiconductor products and disclaimers thereto appears at the end of this data sheet.

2

All trademarks are the property of their respective owners.

PRODUCTION DATA information is current as of publication date.

Copyright  © 2000-2013, Texas Instruments Incorporated

Products conform to specifications per the terms of the Texas
Instruments standard warranty. Production processing does not
necessarily include testing of all parameters.

background image

SNVS740C - JANUARY 2000 - REVISED MARCH 2013

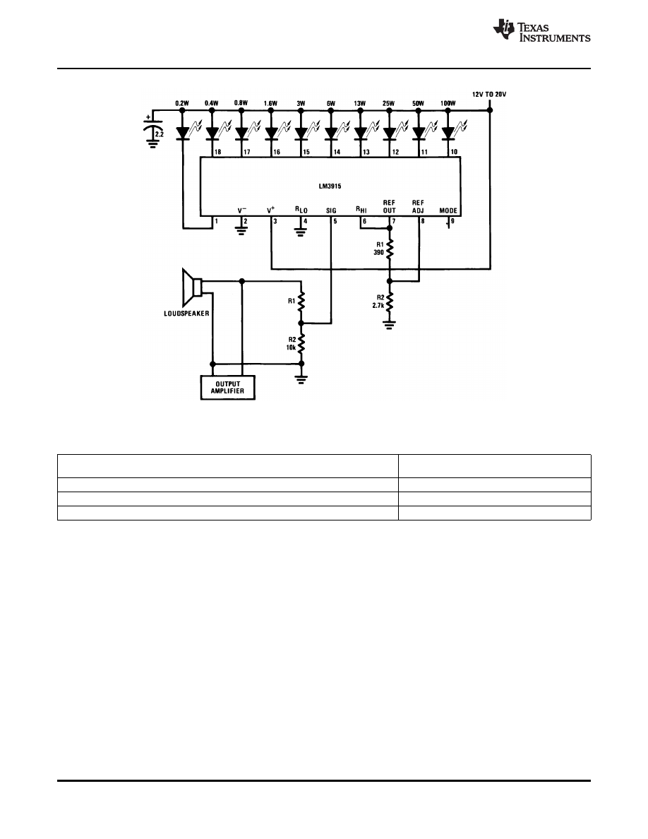
Typical Applications

Notes: Capacitor C1 is required if leads to the LED supply are 6

†ł

or longer.

Circuit as shown is wired for dot mode. For bar mode, connect pin 9 to pin 3. V

LED

must be kept below 7V or dropping

resistor should be used to limit IC power dissipation.

Figure 1. 0V to 10V Log Display

2

Copyright  © 2000-2013, Texas Instruments Incorporated

Product Folder Links:

background image

SNVS740C - JANUARY 2000 - REVISED MARCH 2013

These devices have limited built-in ESD protection. The leads should be shorted together or the device placed in conductive foam
during storage or handling to prevent electrostatic damage to the MOS gates.

ABSOLUTE MAXIMUM RATINGS

(1) (2)

Power Dissipation

(3)

PDIP (NFK)

1365 mW

Supply Voltage

25V

Voltage on Output Drivers

25V

Input Signal Overvoltage

(4)

±35V

Divider Voltage

-

100 mV to V

+

Reference Load Current

10 mA

Storage Temperature Range

-

55 °C to +150 °C

Lead Temperature

(Soldering, 10 sec.)

260 °C

(1)

Absolute Maximum Ratings indicate limits beyond which damage to the device may occur. Operating Ratings indicate conditions for
which the device is functional, but do not ensure specific performance limits. Electrical Characteristics state DC and AC electrical
specifications under particular test conditions which ensure specific performance limits. This assumes that the device is within the
Operating Ratings. Specifications are not ensured for parameters where no limit is given, however, the typical value is a good indication
of device performance.

(2)

If Military/Aerospace specified devices are required, please contact the Texas Instruments Sales Office/Distributors for availability and
specifications.

(3)

The maximum junction temperature of the LM3915 is 100 °C. Devices must be derated for operation at elevated temperatures. Junction
to ambient thermal resistance is 55 °C/W for the PDIP (NFK package).

(4)

Pin 5 input current must be limited to  ±3 mA. The addition of a 39k resistor in series with pin 5 allows  ±100V signals without damage.

ELECTRICAL CHARACTERISTICS

(1) (2)

Parameter

Conditions

(1)

Min

Typ

Max

Units

COMPARATOR

Offset Voltage, Buffer and First

0V

V

RLO

= V

RHI

12V,

3

10

mV

Comparator

I

LED

= 1 mA

Offset Voltage, Buffer and Any Other

0V

V

RLO

= V

RHI

12V,

3

15

mV

Comparator

I

LED

= 1 mA

Gain (

Δ

I

LED

/

Δ

V

IN

)

I

L(REF)

= 2 mA, I

LED

= 10 mA

3

8

mA/mV

Input Bias Current (at Pin 5)

0V

V

IN

(V

+

-

1.5V)

25

100

nA

Input Signal Overvoltage

No Change in Display

-

35

35

V

VOLTAGE-DIVIDER

Divider Resistance

Total, Pin 6 to 4

16

28

36

k

Relative Accuracy (Input Change Between Any

(3)

2.0

3.0

4.0

dB

Two Threshold Points)

Absolute Accuracy at Each Threshold Point

(3)

V

IN

=

-

3,

-

6 dB

-

0.5

+0.5

dB

V

IN

=

-

9 dB

-

0.5

+0.65

dB

V

IN

=

-

12,

-

15,

-

18 dB

-

0.5

+1.0

dB

V

IH

=

-

21,

-

24,

-

27 dB

-

0.5

+1.5

dB

(1)

Unless otherwise stated, all specifications apply with the following conditions:
3 V

DC

V

+

20 V

DC

-

0.015V

V

RLO

12 V

DC

T

A

= 25 °C, I

L(REF)

= 0.2 mA, pin 9 connected to pin 3 (bar mode).

3 V

DC

V

LED

V

+

V

REF

, V

RHI

, V

RLO

(V

+

-

1.5V)

For higher power dissipations, pulse testing is used.

-

0.015V

V

RHI

12 V

DC

0V

V

IN

V

+

-

1.5V

(2)

Pin 5 input current must be limited to  ±3 mA. The addition of a 39k resistor in series with pin 5 allows  ±100V signals without damage.

(3)

Accuracy is measured referred to 0 dB = + 10.000 V

DC

at pin 5, with + 10.000 V

DC

at pin 6, and 0.000 V

DC

at pin 4. At lower full scale

voltages, buffer and comparator offset voltage may add significant error. See

Copyright  © 2000-2013, Texas Instruments Incorporated

3

Product Folder Links:

background image

SNVS740C - JANUARY 2000 - REVISED MARCH 2013

ELECTRICAL 

(continued)

Parameter

Conditions

(1)

Min

Typ

Max

Units

VOLTAGE REFERENCE

Output Voltage

0.1 mA

I

L(REF)

4 mA,

1.2

1.28

1.34

V

V

+

= V

LED

= 5V

Line Regulation

3V

V

+

18V

0.01

0.03

%/V

Load Regulation

0.1 mA

I

L(REF)

4 mA,

0.4

2

%

V

+

= V

LED

= 5V

Output Voltage Change with

0 °C

T

A

+70 °C, I

L(REF)

= 1 mA,

1

%

Temperature

V

+

= V

LED

= 5V

Adjust Pin Current

75

120

μ

A

OUTPUT DRIVERS

LED Current

V

+

= V

LED

= 5V, I

L(REF)

= 1 mA

7

10

13

mA

V

LED

= 5V, I

LED

= 2 mA

0.12

0.4

LED Current Difference (Between

mA

V

LED

= 5V, I

LED

20 mA

Largest and Smallest LED Currents)

1.2

3

LED Current Regulation

2V

V

LED

17V, I

LED

= 2 mA

0.1

0.25

mA

I

LED

= 20 mA

1

3

Dropout Voltage

I

LED(ON)

= 20 mA, @ V

LED

= 5V,

1.5

V

Δ

I

LED

= 2 mA

Saturation Voltage

I

LED

= 2.0 mA, I

L(REF)

= 0.4 mA

0.15

0.4

V

Output Leakage, Each Collector

(Bar Mode)

(4)

0.1

10

μ

A

Output Leakage

(Dot Mode)

(4)

Pins 10-18

0.1

10

μ

A

Pin 1

60

150

450

μ

A

SUPPLY CURRENT

Standby Supply Current

V

+

= +5V, I

L(REF)

= 0.2 mA

2.4

4.2

mA

(All Outputs Off)

V

+

= +20V, I

L(REF)

= 1.0 mA

6.1

9.2

mA

(4)

Bar mode results when pin 9 is within 20 mV of V

+

. Dot mode results when pin 9 is pulled at least 200 mV below V

+

. LED #10 (pin 10

output current) is disabled if pin 9 is pulled 0.9V or more below V

LED

.

THRESHOLD VOLTAGE

(1)

Output

dB

Min

Typ

Max

Output

dB

Min

Typ

Max

1

-

27

0.422

0.447

0.531

6

-

12

2.372

2.512

2.819

2

-

24

0.596

0.631

0.750

7

-

9

3.350

3.548

3.825

3

-

21

0.841

0.891

1.059

8

-

6

4.732

5.012

5.309

4

-

18

1.189

1.259

1.413

9

-

3

6.683

7.079

7.498

5

-

15

1.679

1.778

1.995

10

0

9.985

10

10.015

(1)

Accuracy is measured referred to 0 dB = + 10.000 V

DC

at pin 5, with + 10.000 V

DC

at pin 6, and 0.000 V

DC

at pin 4. At lower full scale

voltages, buffer and comparator offset voltage may add significant error. See

4

Copyright  © 2000-2013, Texas Instruments Incorporated

Product Folder Links:

background image

SNVS740C - JANUARY 2000 - REVISED MARCH 2013

TYPICAL PERFORMANCE CHARACTERISTICS

Supply Current

Operating Input Bias Current

vs

vs

Temperature

Temperature

Figure 2.

Figure 3.

Reference Adjust Pin Current

Reference Voltage vs

vs

Temperature

Temperature

Figure 4.

Figure 5.

LED Current-Regulation

LED Driver Saturation

Dropout

Voltage

Figure 6.

Figure 7.

Copyright  © 2000-2013, Texas Instruments Incorporated

5

Product Folder Links:

background image

SNVS740C - JANUARY 2000 - REVISED MARCH 2013

TYPICAL PERFORMANCE CHARACTERISTICS (continued)

LED Current

Input Current Beyond

vs

Signal Range (Pin 5)

Reference Loading

Figure 8.

Figure 9.

LED Driver Current

Total Divider Resistance

Regulation

vs Temperature

Figure 10.

Figure 11.

Common-Mode Limits

Output Characteristics

Figure 12.

Figure 13.

6

Copyright  © 2000-2013, Texas Instruments Incorporated

Product Folder Links:

background image

SNVS740C - JANUARY 2000 - REVISED MARCH 2013

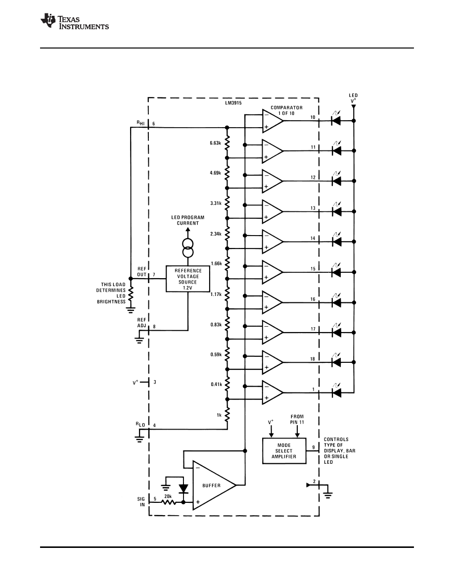
BLOCK DIAGRAM

(Showing Simplest Application)

Copyright  © 2000-2013, Texas Instruments Incorporated

7

Product Folder Links:

background image

SNVS740C - JANUARY 2000 - REVISED MARCH 2013

FUNCTIONAL DESCRIPTION

The simplified LM3915 block diagram is included to give the general idea of the circuit's operation. A high input
impedance buffer operates with signals from ground to 12V, and is protected against reverse and overvoltage
signals. The signal is then applied to a series of 10 comparators; each of which is biased to a different
comparison level by the resistor string.

In the example illustrated, the resistor string is connected to the internal 1.25V reference voltage. In this case, for
each 3 dB that the input signal increases, a comparator will switch on another indicating LED. This resistor
divider can be connected between any 2 voltages, providing that they are at least 1.5V below V

+

and no lower

than V

-

.

INTERNAL VOLTAGE REFERENCE

The reference is designed to be adjustable and develops a nominal 1.25V between the REF OUT (pin 7) and
REF ADJ (pin 8) terminals. The reference voltage is impressed across program resistor R1 and, since the
voltage is constant, a constant current I

1

then flows through the output set resistor R2 giving an output voltage of:

(1)

Since the 120

μ

A current (max) from the adjust terminal represents an error term, the reference was designed to

minimize changes of this current with V

+

and load changes. For correct operation, reference load current should

be between 80

μ

A and 5 mA. Load capacitance should be less than 0.05

μ

F.

CURRENT PROGRAMMING

A feature not completely illustrated by the block diagram is the LED brightness control. The current drawn out of
the reference voltage pin (pin 7) determines LED current. Approximately 10 times this current will be drawn
through each lighted LED, and this current will be relatively constant despite supply voltage and temperature
changes. Current drawn by the internal 10-resistor divider, as well as by the external current and voltage-setting
divider should be included in calculating LED drive current. The ability to modulate LED brightness with time, or
in proportion to input voltage and other signals can lead to a number of novel displays or ways of indicating input
overvoltages, alarms, etc.

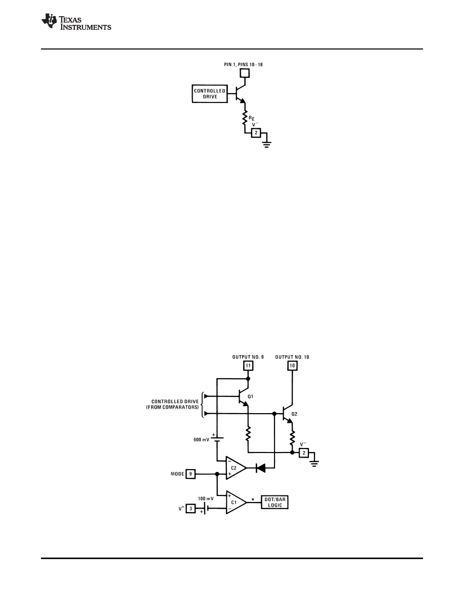
The LM3915 outputs are current-limited NPN transistors as shown below. An internal feedback loop regulates
the transistor drive. Output current is held at about 10 times the reference load current, independent of output
voltage and processing variables, as long as the transistor is not saturated.

8

Copyright  © 2000-2013, Texas Instruments Incorporated

Product Folder Links:

background image

SNVS740C - JANUARY 2000 - REVISED MARCH 2013

Figure 14. LM3915 Output Circuit

Outputs may be run in saturation with no adverse effects, making it possible to directly drive logic. The effective
saturation resistance of the output transistors, equal to R

E

plus the transistors' collector resistance, is about 50

.

It's also possible to drive LEDs from rectified AC with no filtering. To avoid oscillations, the LED supply should be
bypassed with a 2.2

μ

F tantalum or 10

μ

F aluminum electrolytic capacitor.

MODE PIN USE

Pin 9, the Mode Select input, permits chaining of multiple LM3915s, and controls bar or dot mode operation. The
following tabulation shows the basic ways of using this input. Other more complex uses will be illustrated in the
applications.

Bar Graph Display: Wire Mode Select (pin 9) directly to pin 3 (V

+

pin).

Dot Display, Single LM3915 Driver: Leave the Mode Select pin open circuit.

Dot Display, 20 or More LEDs: Connect pin 9 of the first driver in the series (i.e., the one with the lowest input
voltage comparison points) to pin 1 of the next higher LM3915 driver. Continue connecting pin 9 of lower input
drivers to pin 1 of higher input drivers for 30 or more LED displays. The last LM3915 driver in the chain will have
pin 9 left open. All previous drivers should have a 20k resistor in parallel with LED #9 (pin 11 to V

LED

).

Mode Pin Functional Description

This pin actually performs two functions. Refer to the

below.

*High for bar

Figure 15. Block Diagram of Mode Pin Function

Copyright  © 2000-2013, Texas Instruments Incorporated

9

Product Folder Links:

background image

SNVS740C - JANUARY 2000 - REVISED MARCH 2013

DOT OR BAR MODE SELECTION

The voltage at pin 9 is sensed by comparator C1, nominally referenced to (V

+

-

100 mV). The chip is in bar

mode when pin 9 is above this level; otherwise it's in dot mode. The comparator is designed so that pin 9 can be
left open circuit for dot mode.

Taking into account comparator gain and variation in the 100 mV reference level, pin 9 should be no more than
20 mV below V

+

for bar mode and more than 200 mV below V

+

(or open circuit) for dot mode. In most

applications, pin 9 is either open (dot mode) or tied to V

+

(bar mode). In bar mode, pin 9 should be connected

directly to pin 3. Large currents drawn from the power supply (LED current, for example) should not share this
path so that large IR drops are avoided.

DOT MODE CARRY

In order for the display to make sense when multiple LM3915s are cascaded in dot mode, special circuitry has
been included to shut off LED #10 of the first device when LED #1 of the second device comes on. The
connection for cascading in dot mode has already been described and is depicted below.

As long as the input signal voltage is below the threshold of the second LM3915, LED #11 is off. Pin 9 of
LM3915 #1 thus sees effectively an open circuit so the chip is in dot mode. As soon as the input voltage reaches
the threshold of LED #11, pin 9 of LM3915 #1 is pulled an LED drop (1.5V or more) below V

LED

. This condition is

sensed by comparator C2, referenced 600 mV below V

LED

. This forces the output of C2 low, which shuts off

output transistor Q2, extinguishing LED #10.

V

LED

is sensed via the 20k resistor connected to pin 11. The very small current (less than 100

μ

A) that is diverted

from LED #9 does not noticeably affect its intensity.

An auxiliary current source at pin 1 keeps at least 100

μ

A flowing through LED #11 even if the input voltage rises

high enough to extinguish the LED. This ensures that pin 9 of LM3915 #1 is held low enough to force LED #10
off when any higher LED is illuminated. While 100

μ

A does not normally produce significant LED illumination, it

may be noticeable when using high-efficiency LEDs in a dark environment. If this is bothersome, the simple cure
is to shunt LED #11 with a 10k resistor. The 1V IR drop is more than the 900 mV worst case required to hold off
LED #10 yet small enough that LED #11 does not conduct significantly.

OTHER DEVICE CHARACTERISTICS

The LM3915 is relatively low-powered itself, and since any number of LEDs can be powered from about 3V, it is
a very efficient display driver. Typical standby supply current (all LEDs OFF) is 1.6 mA. However, any reference
loading adds 4 times that current drain to the V

+

(pin 3) supply input. For example, an LM3916 with a 1 mA

reference pin load (1.3k) would supply almost 10 mA to every LED while drawing only 10 mA from its V

+

pin

supply. At full-scale, the IC is typically drawing less than 10% of the current supplied to the display.

The display driver does not have built-in hysteresis so that the display does not jump instantly from one LED to
the next. Under rapidly changing signal conditions, this cuts down high frequency noise and often an annoying
flicker. An †śoverlap†ť is built in so that at no time are all segments completely off in the dot mode. Generally 1 LED
fades in while the other fades out over a mV or more of range. The change may be much more rapid between
LED #10 of one device and LED #1 of a second device †śchained†ť to the first.

Application Hints

The most difficult problem occurs when large LED currents are being drawn, especially in bar graph mode.
These currents flowing out of the ground pin cause voltage drops in external wiring, and thus errors and
oscillations. Bringing the return wires from signal sources, reference ground and bottom of the resistor string to a
single point very near pin 2 is the best solution.

Long wires from V

LED

to LED anode common can cause oscillations. Depending on the severity of the problem

0.05

μ

F to 2.2

μ

F decoupling capacitors from LED anode common to pin 2 will damp the circuit. If LED anode

line wiring is inaccessible, often similar decoupling from pin 1 to pin 2 will be sufficient.

If LED turn ON seems slow (bar mode) or several LEDs light (dot mode), oscillation or excessive noise is usually
the problem. In cases where proper wiring and bypassing fail to stop oscillations, V

+

voltage at pin 3 is usually

below suggested limits. Expanded scale meter applications may have one or both ends of the internal voltage
divider terminated at relatively high value resistors. These high-impedance ends should be bypassed to pin 2
with at least a 0.001

μ

F capacitor, or up to 0.1

μ

F in noisy environments.

10

Copyright  © 2000-2013, Texas Instruments Incorporated

Product Folder Links:

background image

SNVS740C - JANUARY 2000 - REVISED MARCH 2013

Figure 16. Cascading LM3915s in Dot Mode

Power dissipation, especially in bar mode should be given consideration. For example, with a 5V supply and all
LEDs programmed to 20 mA the driver will dissipate over 600 mW. In this case a 7.5

resistor in series with the

LED supply will cut device heating in half. The negative end of the resistor should be bypassed with a 2.2

μ

F

solid tantalum capacitor to pin 2.

TIPS ON RECTIFIER CIRCUITS

The simplest way to display an AC signal using the LM3915 is to apply it right to pin 5 unrectified. Since the LED
illuminated represents the instantaneous value of the AC waveform, one can readily discern both peak and
average values of audio signals in this manner. The LM3915 will respond to positive half-cycles only but will not
be damaged by signals up to  ±35V (or up to  ±100V if a 39k resistor is in series with the input). It's recommended
to use dot mode and to run the LEDs at 30 mA for high enough average intensity.

True average or peak detection requires rectification. If an LM3915 is set up with 10V full scale across its voltage
divider, the turn-on point for the first LED is only 450 mV. A simple silicon diode rectifier won't work well at the
low end due to the 600 mV diode threshold. The half-wave peak detector in

uses a PNP emitter-

follower in front of the diode. Now, the transistor's base-emitter voltage cancels out the diode offset, within about
100 mV. This approach is usually satisfactory when a single LM3915 is used for a 30 dB display.

Display circuits using two or more LM3915s for a dynamic range of 60 dB or greater require more accurate
detection. In the precision half-wave rectifier of

the effective diode offset is reduced by a factor equal to

the open-loop gain of the op amp. Filter capacitor C2 charges through R3 and discharges through R2 and R3, so
that appropriate selection of these values results in either a peak or an average detector. The circuit has a gain
equal to R2/R1.

It's best to capacitively couple the input. Audio sources frequently have a small DC offset that can cause
significant error at the low end of the log display. Op amps that slew quickly, such as the LF351, LF353, or
LF356, are needed to faithfully respond to sudden transients. It may be necessary to trim out the op amp DC
offset voltage to accurately cover a 60 dB range. Best results are obtained if the circuit is adjusted for the correct
output when a low-level AC signal (10 mV to 20 mV) is applied, rather than adjusting for zero output with zero
input.

For precision full-wave averaging use the circuit in

. Using 1% resistors for R1 through R4, gain for

positive and negative signal differs by only 0.5 dB worst case. Substituting 5% resistors increases this to 2 dB
worst case. (A 2 dB gain difference means that the display may have a  ±1 dB error when the input is a
nonsymmetrical transient). The averaging time constant is R5-C2. A simple modification results in the precision
full-wave detector of

Since the filter capacitor is not buffered, this circuit can drive only high

impedance loads such as the input of an LM3915.

Copyright  © 2000-2013, Texas Instruments Incorporated

11

Product Folder Links:

background image

SNVS740C - JANUARY 2000 - REVISED MARCH 2013

*DC Couple

Figure 17. Half-Wave Peak Detector

D1, D2: 1N914 or 1N4148

See

R1 = R2 for A

V

= 1

R1 = R2/R10 for A

V

= 10

C1 = 10/R1

Figure 18. Precision Half-Wave Rectifier

Precision Half-Wave Rectifier

Average

Peak

R2

1k

100k

R3

100k

1k

12

Copyright  © 2000-2013, Texas Instruments Incorporated

Product Folder Links:

background image

SNVS740C - JANUARY 2000 - REVISED MARCH 2013

D1, D2: 1N914 or 1N4148

Figure 19. Precision Full-Wave Average Detector

D1, D2, D3, D4: 1N914 or 1N4148

Figure 20. Precision Full-Wave Peak Detector

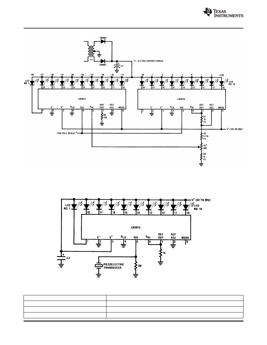
CASCADING THE LM3915

To display signals of 60 dB or 90 dB dynamic range, multiple LM3915s can be easily cascaded. Alternatively, it is
possible to cascade an LM3915 with LM3914s for a log/linear display or with an LM3916 to get an extended
range VU meter.

A simple, low cost approach to cascading two LM3915s is to set the reference voltages of the two chips 30 dB
apart as in

. Potentiometer R1 is used to adjust the full scale voltage of LM3915 #1 to 316 mV

nominally while the second IC's reference is set at 10V by R4. The drawback of this method is that the threshold
of LED #1 is only 14 mV and, since the LM3915 can have an offset voltage as high as 10 mV, large errors can
occur. This technique is not recommended for 60 dB displays requiring good accuracy at the first few display
thresholds.

Copyright  © 2000-2013, Texas Instruments Incorporated

13

Product Folder Links:

background image

SNVS740C - JANUARY 2000 - REVISED MARCH 2013

A better approach shown in

is to keep the reference at 10V for both LM3915s and amplify the input

signal to the lower LM3915 by 30 dB. Since two 1% resistors can set the amplifier gain within  ±0.2 dB, a gain
trim is unnecessary. However, an op amp offset voltage of 5 mV will shift the first LED threshold as much as 4
dB, so that an offset trim may be required. Note that a single adjustment can null out offset in both the precision
rectifier and the 30 dB gain stage. Alternatively, instead of amplifying, input signals of sufficient amplitude can be
fed directly to the lower LM3915 and attenuated by 30 dB to drive the second LM3915.

Figure 21. Low Cost Circuit for 60 dB Display

Figure 22. Improved Circuit for 60 dB Display

To extend this approach to get a 90 dB display, another 30 dB of amplification must be placed in the signal path
ahead of the lowest LM3915. Extreme care is required as the lowest LM3915 displays input signals down to 0.5
mV! Several offset nulls may be required. High currents should not share the same path as the low level signal.
Also power line wiring should be kept away from signal lines.

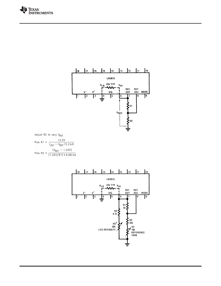
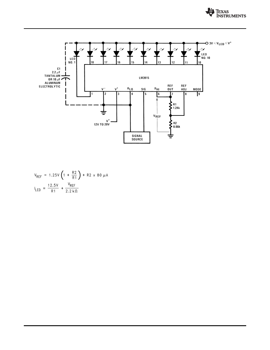
TIPS ON REFERENCE VOLTAGE AND LED CURRENT PROGRAMMING

Single LM3915

The equations in

illustrate how to choose resistor values to set reference voltage for the simple case

where no LED intensity adjustment is required. A LED current of 10 mA to 20 mA generally produces adequate
illumination. Having 10V full-scale across the internal voltage divider gives best accuracy by keeping signal level
high relative to the offset voltage of the internal comparators. However, this causes 450

μ

A to flow from pin 7 into

the divider which means that the LED current will be at least 5 mA. R1 will typically be between 1 k

and 2 k

.

To trim the reference voltage, vary R2.

14

Copyright  © 2000-2013, Texas Instruments Incorporated

Product Folder Links:

background image

SNVS740C - JANUARY 2000 - REVISED MARCH 2013

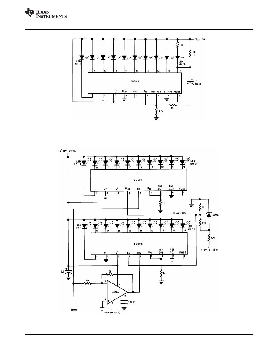
The circuit in

shows how to add a LED intensity control which can vary LED current from 9 mA to 28

mA. The reference adjustment has some effect on LED intensity but the reverse is not true.

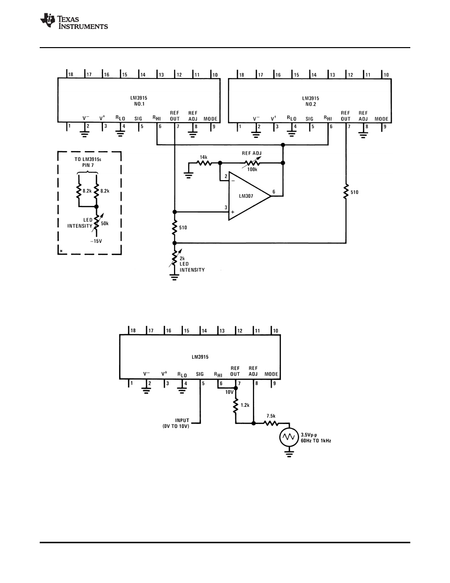
Multiple LM3915s

shows how to obtain a common reference trim and intensity control for two LM3915s. The two ICs may

be connected in cascade for a 60 dB display or may be handling separate channels for stereo. This technique
can be extended for larger numbers of LM3915s by varying the values of R1, R2 and R3 in inverse proportion to
the number of devices tied in. The ICs' internal references track within 100 mV so that worst case error from chip
to chip is only 0.1 dB for V

REF

= 10V.

Figure 23. Design Equations for Fixed LED Intensity

*9 mA < I

LED

< 28 mA @ V

REF

= 10V

Figure 24. Varying LED Intensity

Copyright  © 2000-2013, Texas Instruments Incorporated

15

Product Folder Links:

background image

SNVS740C - JANUARY 2000 - REVISED MARCH 2013

Figure 25. Independent Adjustment of Reference Voltage and LED Intensity for Multiple LM3915s

The scheme in

is useful when the reference and LED intensity must be adjusted independently over a

wide range. The R

HI

voltage can be adjusted from 1.2V to 10V with no effect on LED current. Since the internal

divider here does not load down the reference, minimum LED current is much lower. At the minimum
recommended reference load of 80

μ

A, LED current is about 0.8 mA. The resistor values shown give a LED

current range from 1.5 mA to 20 mA.

At the low end of the intensity adjustment, the voltage drop across the 510

current-sharing resistors is so small

that chip to chip variation in reference voltage may yield a visible variation in LED intensity. The optional
approach shown of connecting the bottom end of the intensity control pot to a negative supply overcomes this
problem by allowing a larger voltage drop across the (larger) current-sharing resistors.

Other Applications

For increased resolution, it's possible to obtain a display with a smooth transition between LEDs. This is
accomplished by varying the reference level at pin 6 by 3 dBp-p as shown in

. The signal can be a

triangle, sawtooth or sine wave from 60 Hz to 1 kHz. The display can be run in either dot or bar mode.

When an exponentially decaying RC discharge waveform is applied to pin 5, the LM3915's outputs will switch at
equal intervals. This makes a simple timer or sequencer. Each time interval is equal to RC/3. The output may be
used to drive logic, opto-couplers, relays or PNP transistors, for example.

16

Copyright  © 2000-2013, Texas Instruments Incorporated

Product Folder Links:

background image

SNVS740C - JANUARY 2000 - REVISED MARCH 2013

Typical Applications

*Optional circuit for improved intensity matching at low currents.
See text.

Figure 26. Wide-Range Adjustment of Reference Voltage and LED Intensity for Multiple LM3915s

Figure 27. 0V to 10V Log Display with Smooth Transitions

Copyright  © 2000-2013, Texas Instruments Incorporated

17

Product Folder Links:

background image

SNVS740C - JANUARY 2000 - REVISED MARCH 2013

This application shows that the LED supply requires minimal filtering.
*See

for optional Peak or Average Detector.

† Adjust R3 for 3 dB difference between LED #11 and LED #12.

Figure 28. Extended Range VU Meter

Figure 29. Vibration Meter

LED

Threshold

1

60 mV

2

80 mV

3

110 mV

18

Copyright  © 2000-2013, Texas Instruments Incorporated

Product Folder Links:

background image

SNVS740C - JANUARY 2000 - REVISED MARCH 2013

LED

Threshold

4

160 mV

5

220 mV

6

320 mV

7

440 mV

8

630 mV

9

890 mV

10

1.25V

*The input to the dot bar switch may be taken from cathodes of other LEDs.
Display will change to bar as soon as the LED so selected begins to light.
**Optional. Shunts 100

μ

A auxiliary sink current away from LED #1.

Figure 30. Indicator and Alarm, Full-Scale Changes Display from Dot to Bar

Copyright  © 2000-2013, Texas Instruments Incorporated

19

Product Folder Links:

background image

SNVS740C - JANUARY 2000 - REVISED MARCH 2013

**Optional. Shunts 100

μ

A auxiliary sink current away from LED #11.

Figure 31. 60 dB Dot Mode Display

20

Copyright  © 2000-2013, Texas Instruments Incorporated

Product Folder Links:

background image

SNVS740C - JANUARY 2000 - REVISED MARCH 2013

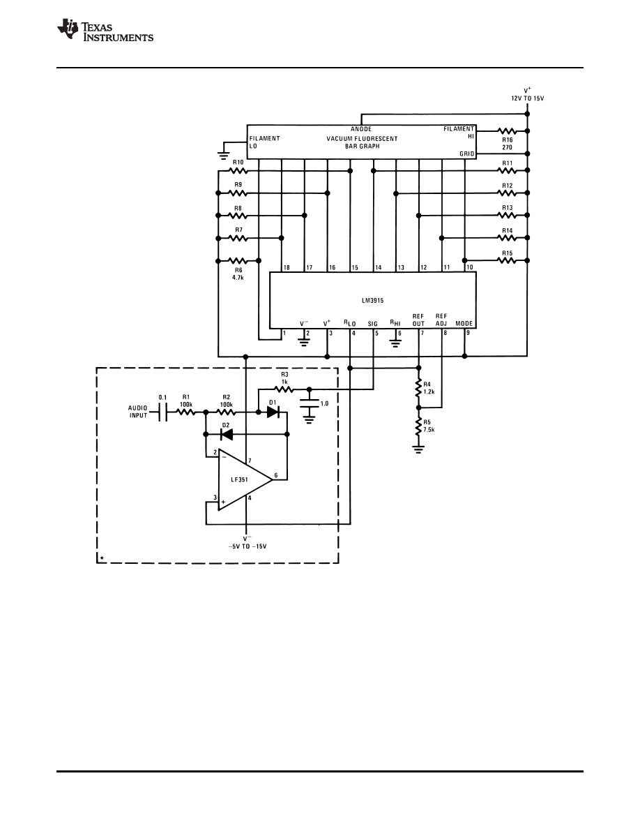
R7 thru R15: 10k  ±10%
D1, D2: 1N914 or 1N4148
*Half-wave peak detector.
See

Figure 32. Driving Vacuum Fluorescent Display

Copyright  © 2000-2013, Texas Instruments Incorporated

21

Product Folder Links:

background image

SNVS740C - JANUARY 2000 - REVISED MARCH 2013

Supply current drain is only 15 mA with ten LEDs illuminated.

Figure 33. Low Current Bar Mode Display

Figure 34. Driving Liquid Crystal Display

22

Copyright  © 2000-2013, Texas Instruments Incorporated

Product Folder Links:

background image

SNVS740C - JANUARY 2000 - REVISED MARCH 2013

Full-scale causes the full bar display to flash. If the junction of R1 and C1 is connected to a different LED cathode, the
display will flash when that LED lights, and at any higher input signal.

Figure 35. Bar Display with Alarm Flasher

Logarithmic response allows coarse and fine adjustments without changing scale.
Resolution ranges from 10 mV at V

IN

= 0 mV to 500 mV at V

IN

=  ±1.25V.

Figure 36. Precision Null Meter

Copyright  © 2000-2013, Texas Instruments Incorporated

23

Product Folder Links:

background image

SNVS740C - JANUARY 2000 - REVISED MARCH 2013

The LED currents are approximately 10 mA, and the LM3915 outputs operate in saturation for minimum dissipation.
*This point is partially regulated and decreases in voltage with temperature. Voltage requirements of the LM3915 also
decrease with temperature.

Figure 37. Operating with a High Voltage Supply (Dot Mode Only)

24

Copyright  © 2000-2013, Texas Instruments Incorporated

Product Folder Links:

background image

SNVS740C - JANUARY 2000 - REVISED MARCH 2013

*Resistor value selects exposure
1/2 f/stop resolution
Ten f/stop range (1000:1)
Typical supply current is 8 mA.

Figure 38. Light Meter

Copyright  © 2000-2013, Texas Instruments Incorporated

25

Product Folder Links:

background image

SNVS740C - JANUARY 2000 - REVISED MARCH 2013

Figure 39. Audio Power Meter

Load

R1

Impedance

4

10k

8

18k

16

30k

26

Copyright  © 2000-2013, Texas Instruments Incorporated

Product Folder Links:

background image

SNVS740C - JANUARY 2000 - REVISED MARCH 2013

Connection Diagram

*Discontinued, Life Time Buy date 12/20/99

Figure 40. PDIP Package

Top View

See Package Number NFK0018A

Definition of Terms

Absolute Accuracy: The difference between the observed threshold voltage and the ideal threshold voltage for

each comparator. Specified and tested with 10V across the internal voltage divider so that resistor ratio
matching error predominates over comparator offset voltage.

Adjust Pin Current: Current flowing out of the reference adjust pin when the reference amplifier is in the linear

region.

Comparator Gain: The ratio of the change in output current (I

LED

) to the change in input voltage (V

IN

) required to

produce it for a comparator in the linear region.

Dropout Voltage: The voltage measured at the current source outputs required to make the output current fall

by 10%.

Input Bias Current: Current flowing out of the signal input when the input buffer is in the linear region.

LED Current Regulation: The change in output current over the specified range of LED supply voltage (V

LED

)

as measured at the current source outputs. As the forward voltage of an LED does not change
significantly with a small change in forward current, this is equivalent to changing the voltage at the LED
anodes by the same amount.

Line Regulation: The average change in reference output voltage (V

REF

) over the specified range of supply

voltage (V

+

).

Load Regulation: The change in reference output voltage over the specified range of load current (I

L(REF)

).

Offset Voltage: The differential input voltage which must be applied to each comparator to bias the output in the

linear region. Most significant error when the voltage across the internal voltage divider is small. Specified
and tested with pin 6 voltage (V

RHI

) equal to pin 4 voltage (V

RLO

).

Relative Accuracy: The difference between any two adjacent threshold points. Specified and tested with 10V

across the internal voltage divider so that resistor ratio matching error predominates over comparator
offset voltage.

Copyright  © 2000-2013, Texas Instruments Incorporated

27

Product Folder Links:

background image

SNVS740C - JANUARY 2000 - REVISED MARCH 2013

REVISION HISTORY

Changes from Revision B (March 2013) to Revision C

Page

Changed layout of National Data Sheet to TI format ..........................................................................................................

28

Copyright  © 2000-2013, Texas Instruments Incorporated

Product Folder Links:

background image

PACKAGE OPTION ADDENDUM

www.ti.com

16-Oct-2015

Addendum-Page 1

PACKAGING INFORMATION

Orderable Device

Status

(1)

Package Type Package

Drawing

Pins Package

Qty

Eco Plan

(2)

Lead/Ball Finish

(6)

MSL Peak Temp

(3)

Op Temp ( °C)

Device Marking

(4/5)

Samples

LM3915N-1

LIFEBUY

PDIP

NFK

18

20

TBD

Call TI

Call TI

0 to 70

LM3915N-1

LM3915N-1/NOPB

LIFEBUY

PDIP

NFK

18

20

Green (RoHS

& no Sb/Br)

Call TI

Level-1-NA-UNLIM

0 to 70

LM3915N-1

 

(1)

 The marketing status values are defined as follows:

ACTIVE: Product device recommended for new designs.
LIFEBUY: TI has announced that the device will be discontinued, and a lifetime-buy period is in effect.
NRND: Not recommended for new designs. Device is in production to support existing customers, but TI does not recommend using this part in a new design.
PREVIEW: Device has been announced but is not in production. Samples may or may not be available.
OBSOLETE: TI has discontinued the production of the device.

 

(2)

 Eco Plan - The planned eco-friendly classification: Pb-Free (RoHS), Pb-Free (RoHS Exempt), or Green (RoHS & no Sb/Br) - please check

for the latest availability

information and additional product content details.
TBD:  The Pb-Free/Green conversion plan has not been defined.
Pb-Free (RoHS): TI's terms "Lead-Free" or "Pb-Free" mean semiconductor products that are compatible with the current RoHS requirements for all 6 substances, including the requirement that
lead not exceed 0.1% by weight in homogeneous materials. Where designed to be soldered at high temperatures, TI Pb-Free products are suitable for use in specified lead-free processes.
Pb-Free (RoHS Exempt): This component has a RoHS exemption for either 1) lead-based flip-chip solder bumps used between the die and package, or 2) lead-based  die adhesive used between
the die and leadframe. The component is otherwise considered Pb-Free (RoHS compatible) as defined above.
Green (RoHS & no Sb/Br): TI defines "Green" to mean Pb-Free (RoHS compatible), and free of Bromine (Br)  and Antimony (Sb) based flame retardants (Br or Sb do not exceed 0.1% by weight
in homogeneous material)

 

(3)

 MSL, Peak Temp. - The Moisture Sensitivity Level rating according to the JEDEC industry standard classifications, and peak solder temperature.

 

(4)

 There may be additional marking, which relates to the logo, the lot trace code information, or the environmental category on the device.

 

(5)

 Multiple Device Markings will be inside parentheses. Only one Device Marking contained in parentheses and separated by a "~" will appear on a device. If a line is indented then it is a continuation

of the previous line and the two combined represent the entire Device Marking for that device.

 

(6)

 Lead/Ball Finish - Orderable Devices may have multiple material finish options. Finish options are separated by a vertical ruled line. Lead/Ball Finish values may wrap to two lines if the finish

value exceeds the maximum column width.

 

Important Information and Disclaimer:The information provided on this page represents TI's knowledge and belief as of the date that it is provided. TI bases its knowledge and belief on information
provided by third parties, and makes no representation or warranty as to the accuracy of such information. Efforts are underway to better integrate information from third parties. TI has taken and
continues to take reasonable steps to provide representative and accurate information but may not have conducted destructive testing or chemical analysis on incoming materials and chemicals.
TI and TI suppliers consider certain information to be proprietary, and thus CAS numbers and other limited information may not be available for release.

 

background image

PACKAGE OPTION ADDENDUM

www.ti.com

16-Oct-2015

Addendum-Page 2

In no event shall TI's liability arising out of such information exceed the total purchase price of the TI part(s) at issue in this document sold by TI to Customer on an annual basis.

 

background image

MECHANICAL DATA

N0018A

www.ti.com

NA18A (Rev B)

NFK0018A

background image

IMPORTANT NOTICE

Texas Instruments Incorporated and its subsidiaries (TI) reserve the right to make corrections, enhancements, improvements and other
changes to its semiconductor products and services per JESD46, latest issue, and to discontinue any product or service per JESD48, latest
issue. Buyers should obtain the latest relevant information before placing orders and should verify that such information is current and
complete. All semiconductor products (also referred to herein as †ścomponents†ť) are sold subject to TI’s terms and conditions of sale
supplied at the time of order acknowledgment.

TI warrants performance of its components to the specifications applicable at the time of sale, in accordance with the warranty in TI’s terms
and conditions of sale of semiconductor products. Testing and other quality control techniques are used to the extent TI deems necessary
to support this warranty. Except where mandated by applicable law, testing of all parameters of each component is not necessarily
performed.

TI assumes no liability for applications assistance or the design of Buyers’ products. Buyers are responsible for their products and
applications using TI components. To minimize the risks associated with Buyers’ products and applications, Buyers should provide
adequate design and operating safeguards.

TI does not warrant or represent that any license, either express or implied, is granted under any patent right, copyright, mask work right, or
other intellectual property right relating to any combination, machine, or process in which TI components or services are used. Information
published by TI regarding third-party products or services does not constitute a license to use such products or services or a warranty or
endorsement thereof. Use of such information may require a license from a third party under the patents or other intellectual property of the
third party, or a license from TI under the patents or other intellectual property of TI.

Reproduction of significant portions of TI information in TI data books or data sheets is permissible only if reproduction is without alteration
and is accompanied by all associated warranties, conditions, limitations, and notices. TI is not responsible or liable for such altered
documentation. Information of third parties may be subject to additional restrictions.

Resale of TI components or services with statements different from or beyond the parameters stated by TI for that component or service
voids all express and any implied warranties for the associated TI component or service and is an unfair and deceptive business practice.
TI is not responsible or liable for any such statements.

Buyer acknowledges and agrees that it is solely responsible for compliance with all legal, regulatory and safety-related requirements
concerning its products, and any use of TI components in its applications, notwithstanding any applications-related information or support
that may be provided by TI. Buyer represents and agrees that it has all the necessary expertise to create and implement safeguards which
anticipate dangerous consequences of failures, monitor failures and their consequences, lessen the likelihood of failures that might cause
harm and take appropriate remedial actions. Buyer will fully indemnify TI and its representatives against any damages arising out of the use
of any TI components in safety-critical applications.

In some cases, TI components may be promoted specifically to facilitate safety-related applications. With such components, TI’s goal is to
help enable customers to design and create their own end-product solutions that meet applicable functional safety standards and
requirements. Nonetheless, such components are subject to these terms.

No TI components are authorized for use in FDA Class III (or similar life-critical medical equipment) unless authorized officers of the parties
have executed a special agreement specifically governing such use.

Only those TI components which TI has specifically designated as military grade or †śenhanced plastic†ť are designed and intended for use in
military/aerospace applications or environments. Buyer acknowledges and agrees that any military or aerospace use of TI components
which have not been so designated is solely at the Buyer's risk, and that Buyer is solely responsible for compliance with all legal and
regulatory requirements in connection with such use.

TI has specifically designated certain components as meeting ISO/TS16949 requirements, mainly for automotive use. In any case of use of
non-designated products, TI will not be responsible for any failure to meet ISO/TS16949.

Products

Applications

Audio

Automotive and Transportation

Amplifiers

Communications and Telecom

Data Converters

Computers and Peripherals

DLP ® Products

Consumer Electronics

DSP

Energy and Lighting

Clocks and Timers

Industrial

Interface

Medical

Logic

Security

Power Mgmt

Space, Avionics and Defense

Microcontrollers

Video and Imaging

RFID

OMAP Applications Processors

TI E2E Community

Wireless Connectivity

Mailing Address: Texas Instruments, Post Office Box 655303, Dallas, Texas 75265

Copyright  © 2015, Texas Instruments Incorporated


Document Outline


powered by phppowered by MySQLPOWERED BY APACHEPOWERED BY CentOS© 2004 - 2026Información Legalpoliticas de cookiesipv6 ready