Secciones
Foros Electrónica
Boletines de correo
Boletines
background image

LM78XX / LM78XXA

 3-T

e

rminal 

1 A Positive V

o

lt

age Regulator

 2006 Fairchild Semiconductor Corporation

  www.fairchildsemi.com

LM78XX / LM78XXA Rev. 1.3.1

 

September 2014

LM78XX / LM78XXA
3-Terminal 1 A Positive Voltage Regulator

Features

 Output Current up to 1 A

 Output Voltages: 5, 6, 8, 9, 10, 12, 15, 18, 24 V

 Thermal Overload Protection

 Short-Circuit Protection

 Output Transistor Safe Operating Area Protection

Ordering Information

(1)

Note:

1. Above output voltage tolerance is available at 25 C.

Product Number

Output Voltage 

Tolerance

Package

Operating 

Temperature

Packing Method

LM7805CT

4%

TO-220

(Single Gauge)

-40

C to +125 C

Rail

LM7806CT

LM7808CT

LM7809CT

LM7810CT

LM7812CT

LM7815CT

LM7818CT

LM7824CT

LM7805ACT

2%

0

C to +125 C

LM7809ACT

LM7810ACT

LM7812ACT

LM7815ACT

Description

The LM78XX series of three-terminal positive regulators
is available in the TO-220 package and with several fixed
output voltages, making them useful in a wide range of
applications. Each type employs internal current limiting,
thermal shut-down, and safe operating area protection. If
adequate heat sinking is provided, they can deliver over
1 A output current. Although designed primarily as fixed-
voltage regulators, these devices can be used with exter-
nal components for adjustable voltages and currents.

1

1. Input
2. GND
3. Output

GND

TO-220

(Single Gauge)

background image

LM78XX / LM78XXA

 3-T

e

rminal 

1 A Positive V

o

lt

age Regulator

 2006 Fairchild Semiconductor Corporation

  www.fairchildsemi.com

LM78XX / LM78XXA Rev. 1.3.1

Block Diagram

Figure 1. Block Diagram

Absolute Maximum Ratings

Stresses exceeding the absolute maximum ratings may damage the device. The device may not function or be opera-
ble above the recommended operating conditions and stressing the parts to these levels is not recommended. In addi-
tion, extended exposure to stresses above the recommended operating conditions may affect device reliability. The
absolute maximum ratings are stress ratings only.

 

Values are at T

= 25 C unless otherwise noted.

Symbol

Parameter

Value

Unit

V

I

Input Voltage

V

O

 = 5 V to 18 V

35

V

V

O

 = 24 V

40

R

ΘJC

Thermal Resistance, Junction-Case (TO-220)

5

C/W

R

ΘJA

Thermal Resistance, Junction-Air

 

(TO-220)

65

C/W

T

OPR

Operating Temperature Range

LM78xx

-40 to +125

C

LM78xxA

0 to +125

T

STG

Storage Temperature Range

- 65 to +150

C

Starting

Circuit

Input

1

Reference

Voltage

Current

Generator

SOA

Protection

Thermal

Protection

Series Pass

Element

Error

Amplifier

Output

3

GND

2

background image

LM78XX / LM78XXA

 3-T

e

rminal 

1 A Positive V

o

lt

age Regulator

 2006 Fairchild Semiconductor Corporation

  www.fairchildsemi.com

LM78XX / LM78XXA Rev. 1.3.1

Electrical Characteristics (LM7805)

Refer to the test circuit, -40 C < T

J

 < 125 C, I

O

 = 500 mA, V

I

 = 10 V, C

I

 = 0.1 

μF, unless otherwise specified.

Notes:
2. Load and line regulation are specified at constant junction temperature. Changes in V

due to heating effects 

    must be taken into account separately. Pulse testing with low duty is used.
3. These parameters, although guaranteed, are not 100% tested in production.

Symbol

Parameter

Conditions

Min.

Typ.

Max.

Unit

V

O

Output Voltage

T

= +25

C

4.80

5.00

5.20

V

I

O

 = 5 mA to 1 A, P

≤ 15 W,

V

I

 = 7 V to 20 V 

4.75

5.00

5.25

Regline

Line Regulation

(2)

T

= +25

C

V

I

 = 7 V to 25 V

4.0

100.0

mV

V

= 8 V to 12 V

1.6

50.0

Regload

Load Regulation

(2)

T

J

 = +25

C

I

O

 = 5 mA to 1.5 A

9.0

100.0

mV

I

O

 = 250 mA to 750 mA

4.0

50.0

I

Q

Quiescent Current

T

J

 = +25

C

5

8

mA

ΔI

Q

Quiescent Current 
Change

I

O

 = 5 mA to 1 A

0.03

0.50

mA

V

I

 = 7 V to 25 V

0.30

1.30

ΔV

O

/

ΔT

Output Voltage Drift

(3)

I

O

 = 5 mA

-0.8

mV/

C

V

N

Output Noise Voltage

f = 10 Hz to 100 kHz, T

A

 = +25

C

42

μV

RR

Ripple Rejection

(3)

f = 120 Hz, V

I

 = 8 V to 18 V

62

73

dB

V

DROP

Dropout Voltage

T

= +25

C, I

O

 = 1 A

2

V

R

O

Output Resistance

(3)

f = 1 kHz

15

m

I

SC

Short-Circuit Current 

T

= +25

C, V

I

 = 35 V

230

mA

I

PK

Peak Current

(3)

T

J

 = +25

C

2.2

A

background image

LM78XX / LM78XXA

 3-T

e

rminal 

1 A Positive V

o

lt

age Regulator

 2006 Fairchild Semiconductor Corporation

  www.fairchildsemi.com

LM78XX / LM78XXA Rev. 1.3.1

Electrical Characteristics (LM7806)

Refer to the test circuit, -40 C < T

J

 < 125 C, I

O

 = 500 mA, V

I

 = 11 V, C

I

 = 0.33 

μF, C

O

 = 0.1 

μF, unless otherwise spec-

ified.

Notes:
4. Load and line regulation are specified at constant junction temperature. Changes in V

due to heating effects must

    be taken into account separately. Pulse testing with low duty is used.
5. These parameters, although guaranteed, are not 100% tested in production.

Symbol

Parameter

Conditions

Min.

Typ.

Max.

Unit

V

O

Output Voltage

T

= +25

C

5.75

6.00

6.25

V

I

O

 = 5 mA to 1 A, P

≤ 15 W,

V

I

 = 8.0 V to 21 V 

5.70

6.00

6.30

Regline

Line Regulation

(4)

T

= +25

C

V

I

 = 8 V to 25 V

5.0

120.0

mV

V

= 9 V to 13 V

1.5

60.0

Regload

Load Regulation

(4)

T

J

 = +25

I

O

 = 5 mA to 1.5 A

9.0

120.0

mV

I

O

 = 250 mA to 750 mA

3.0

60.0

I

Q

Quiescent Current

T

J

 = +25

C

5

8

mA

ΔI

Q

Quiescent Current 
Change

I

O

 = 5 mA to 1 A

0.5

mA

V

I

 = 8 V to 25 V

1.3

ΔV

O

/

ΔT

Output Voltage Drift

(5)

I

O

 = 5 mA

-0.8

mV/

C

V

N

Output Noise Voltage

f = 10 Hz to 100 kHz, T

A

 = +25

C

45

μV

RR

Ripple Rejection

(5)

f = 120 Hz, V

I

 = 8 V to 18 V

62

73

dB

V

DROP

Dropout Voltage

T

= +25

C, I

O

 = 1 A

2

V

R

O

Output Resistance

(5)

f = 1 kHz

19

m

I

SC

Short-Circuit Current 

T

= +25

C, V

I

 = 35 V

250

mA

I

PK

Peak Current

(5)

T

J

 = +25

C

2.2

A

background image

LM78XX / LM78XXA

 3-T

e

rminal 

1 A Positive V

o

lt

age Regulator

 2006 Fairchild Semiconductor Corporation

  www.fairchildsemi.com

LM78XX / LM78XXA Rev. 1.3.1

Electrical Characteristics (LM7808)

Refer to the test circuit, -40 C < T

J

 < 125 C, I

O

 = 500 mA, V

I

 = 14 V, C

I

 = 0.33 

μF, C

O

 = 0.1 

μF, unless otherwise spec-

ified.

Notes:
6. Load and line regulation are specified at constant junction temperature. Changes in V

due to heating effects must

    be taken into account separately. Pulse testing with low duty is used.
7. These parameters, although guaranteed, are not 100% tested in production.

Symbol

Parameter

Conditions

Min.

Typ.

Max.

Unit

V

O

Output Voltage

T

= +25

C

7.7

8.0

8.3

V

I

O

 = 5 mA to 1 A, P

≤ 15 W,

V

I

 = 10.5 V to 23 V 

7.6

8.0

8.4

Regline

Line Regulation

(6)

T

= +25

C

V

I

 = 10.5 V to 25 V

5

160

mV

V

= 11.5 V to 17 V

2

80

Regload

Load Regulation

(6)

T

J

 = +25

I

O

 = 5 mA to 1.5 A

10

160

mV

I

O

 = 250 mA to 750 mA

5

80

I

Q

Quiescent Current

T

J

 = +25

C

5

8

mA

ΔI

Q

Quiescent Current 
Change

I

O

 = 5 mA to 1 A

0.05

0.50

mA

V

I

 = 10.5 V to 25 V

0.5

1.0

ΔV

O

/

ΔT

Output Voltage Drift

(7)

I

O

 = 5 mA

-0.8

mV/

C

V

N

Output Noise Voltage

f = 10 Hz to 100 kHz, T

A

 = +25

C

52

μV

RR

Ripple Rejection

(7)

f = 120 Hz, V

I

 = 11.5 V to 21.5 V

56

73

dB

V

DROP

Dropout Voltage

I

O

 = 1 A, T

= +25

C

2

V

R

O

Output Resistance

(7)

f = 1 kHz

17

m

I

SC

Short-Circuit Current 

V

I

 = 35 V, T

= +25

C

230

mA

I

PK

Peak Current

(7)

T

J

 = +25

C

2.2

A

background image

LM78XX / LM78XXA

 3-T

e

rminal 

1 A Positive V

o

lt

age Regulator

 2006 Fairchild Semiconductor Corporation

  www.fairchildsemi.com

LM78XX / LM78XXA Rev. 1.3.1

Electrical Characteristics (LM7809)

Refer to the test circuit, -40 C < T

J

 < 125 C, I

O

 = 500 mA, V

I

 = 15 V, C

I

 = 0.33 

μF, C

O

 = 0.1 

μF, unless otherwise spec-

ified.

Notes:
8. Load and line regulation are specified at constant junction temperature. Changes in V

due to heating effects must

    be taken into account separately. Pulse testing with low duty is used.
9. These parameters, although guaranteed, are not 100% tested in production.

Symbol

Parameter

Conditions

Min.

Typ.

Max.

Unit

V

O

Output Voltage

T

= +25

C

8.65

9.00

9.35

V

I

O

 = 5 mA to 1 A, P

≤ 15 W,

V

I

 = 11.5 V to 24 V 

8.60

9.00

9.40

Regline

Line Regulation

(8)

T

= +25

C

V

I

 = 11.5 V to 25 V

6

180

mV

V

= 12 V to 17 V

2

90

Regload

Load Regulation

(8)

T

J

 = +25

I

O

 = 5 mA to 1.5 A

12

180

mV

I

O

 = 250 mA to 750 mA

4

90

I

Q

Quiescent Current

T

J

 = +25

C

5

8

mA

ΔI

Q

Quiescent Current 
Change

I

O

 = 5 mA to 1 A

0.5

mA

V

I

 = 11.5 V to 26 V

1.3

ΔV

O

/

ΔT

Output Voltage Drift

(9)

I

O

 = 5 mA

-1

mV/

C

V

N

Output Noise Voltage

f = 10 Hz to 100 kHz, T

A

 = +25

C

58

μV

RR

Ripple Rejection

(9)

f = 120 Hz, V

I

 = 13 V to 23 V

56

71

dB

V

DROP

Dropout Voltage

I

O

 = 1 A, T

= +25

C

2

V

R

O

Output Resistance

(9)

f = 1 kHz

17

m

I

SC

Short-Circuit Current 

V

I

 = 35 V, T

= +25

C

250

mA

I

PK

Peak Current

(9)

T

J

 = +25

C

2.2

A

background image

LM78XX / LM78XXA

 3-T

e

rminal 

1 A Positive V

o

lt

age Regulator

 2006 Fairchild Semiconductor Corporation

  www.fairchildsemi.com

LM78XX / LM78XXA Rev. 1.3.1

Electrical Characteristics (LM7810)

Refer to the test circuit, -40 C < T

J

 < 125 C, I

O

 = 500 mA, V

I

 = 16 V, C

I

 = 0.33 

μF, C

O

 = 0.1 

μF, unless otherwise spec-

ified.

Notes:
10. Load and line regulation are specified at constant junction temperature. Changes in V

due to heating effects must

      be taken into account separately. Pulse testing with low duty is used.
11. These parameters, although guaranteed, are not 100% tested in production.

Symbol

Parameter

Conditions

Min.

Typ.

Max.

Unit

V

O

Output Voltage

T

= +25

C

9.6

10.0

10.4

V

I

O

 = 5 mA to 1 A, P

≤ 15 W,

V

I

 = 12.5 V to 25 V 

9.5

10.0

10.5

Regline

Line Regulation

(10)

T

= +25

C

V

I

 = 12.5 V to 25 V

10

200

mV

V

= 13 V to 25 V

3

100

Regload

Load Regulation

(10)

T

J

 = +25

I

O

 = 5 mA to 1.5 A

12

200

mV

I

O

 = 250 mA to 750 mA

4

400

I

Q

Quiescent Current

T

J

 = +25

C

5.1

8.0

mA

ΔI

Q

Quiescent Current 
Change

I

O

 = 5 mA to 1 A

0.5

mA

V

I

 = 12.5 V to 29 V

1.0

ΔV

O

/

ΔT

Output Voltage Drift

(11)

I

O

 = 5 mA

-1

mV/

C

V

N

Output Noise Voltage

f = 10 Hz to 100 kHz, T

A

 = +25

C

58

μV

RR

Ripple Rejection

(11)

f = 120 Hz, V

I

 = 13 V to 23 V

56

71

dB

V

DROP

Dropout Voltage

I

O

 = 1 A, T

= +25

C

2

V

R

O

Output Resistance

(11)

f = 1 kHz

17

m

I

SC

Short-Circuit Current 

V

I

 = 35 V, T

= +25

C

250

mA

I

PK

Peak Current

(11)

T

J

 = +25

C

2.2

A

background image

LM78XX / LM78XXA

 3-T

e

rminal 

1 A Positive V

o

lt

age Regulator

 2006 Fairchild Semiconductor Corporation

  www.fairchildsemi.com

LM78XX / LM78XXA Rev. 1.3.1

Electrical Characteristics (LM7812)

Refer to the test circuit, -40 C < T

J

 < 125 C, I

O

 = 500 mA, V

I

 = 19 V, C

I

 = 0.33 

μF, C

O

 = 0.1 

μF, unless otherwise spec-

ified.

Notes:
12. Load and line regulation are specified at constant junction temperature. Changes in V

due to heating effects must

      be taken into account separately. Pulse testing with low duty is used.
13. These parameters, although guaranteed, are not 100% tested in production.

Symbol

Parameter

Conditions

Min.

Typ.

Max.

Unit

V

O

Output Voltage

T

= +25

C

11.5

12.0

12.5

V

I

O

 = 5 mA to 1 A, P

≤ 15 W,

V

I

 = 14.5 V to 27 V 

11.4

12.0

12.6

Regline

Line Regulation

(12)

T

= +25

C

V

I

 = 14.5 V to 30 V

10

240

mV

V

= 16 V to 22 V

3

120

Regload

Load Regulation

(12)

T

J

 = +25

I

O

 = 5 mA to 1.5 A

11

240

mV

I

O

 = 250 mA to 750 mA

5

120

I

Q

Quiescent Current

T

J

 = +25

C

5.1

8.0

mA

ΔI

Q

Quiescent Current 
Change

I

O

 = 5 mA to 1 A

0.1

0.5

mA

V

I

 = 14.5 V to 30 V

0.5

1.0

ΔV

O

/

ΔT

Output Voltage Drift

(13)

I

O

 = 5 mA

-1

mV/

C

V

N

Output Noise Voltage

f = 10 Hz to 100 kHz, T

A

 = +25

C

76

μV

RR

Ripple Rejection

(13)

f = 120 Hz, V

I

 = 15 V to 25 V

55

71

dB

V

DROP

Dropout Voltage

I

O

 = 1 A, T

= +25

C

2

V

R

O

Output Resistance

(13)

f = 1 kHz

18

m

I

SC

Short-Circuit Current 

V

I

 = 35 V, T

= +25

C

230

mA

I

PK

Peak Current

(13)

T

J

 = +25

C

2.2

A

background image

LM78XX / LM78XXA

 3-T

e

rminal 

1 A Positive V

o

lt

age Regulator

 2006 Fairchild Semiconductor Corporation

  www.fairchildsemi.com

LM78XX / LM78XXA Rev. 1.3.1

Electrical Characteristics (LM7815)

Refer to the test circuit, -40 C < T

J

 < 125 C, I

O

 = 500 mA, V

I

 = 23 V, C

I

 = 0.33 

μF, C

O

 = 0.1 

μF, unless otherwise spec-

ified.

Notes:
14. Load and line regulation are specified at constant junction temperature. Changes in V

due to heating effects must

      be taken into account separately. Pulse testing with low duty is used.
15. These parameters, although guaranteed, are not 100% tested in production.

Symbol

Parameter

Conditions

Min.

Typ.

Max.

Unit

V

O

Output Voltage

T

= +25

C

14.40

15.00

15.60

V

I

O

 = 5 mA to 1 A, P

≤ 15 W,

V

I

 = 17.5 V to 30 V 

14.25

15.00

15.75

Regline

Line Regulation

(14)

T

= +25

C

V

I

 = 17.5 V to 30 V

11

300

mV

V

= 20 V to 26 V

3

150

Regload

Load Regulation

(14)

T

J

 = +25

I

O

 = 5 mA to 1.5 A

12

300

mV

I

O

 = 250 mA to 750 mA

4

150

I

Q

Quiescent Current

T

J

 = +25

C

5.2

8.0

mA

ΔI

Q

Quiescent Current 
Change

I

O

 = 5 mA to 1 A

0.5

mA

V

I

 = 17.5 V to 30 V

1.0

ΔV

O

/

ΔT

Output Voltage Drift

(15)

I

O

 = 5 mA

-1

mV/

C

V

N

Output Noise Voltage

f = 10 Hz to 100 kHz, T

A

 = +25

C

90

μV

RR

Ripple Rejection

(15)

f = 120 Hz, V

I

 = 18.5 V to 28.5 V

54

70

dB

V

DROP

Dropout Voltage

I

O

 = 1 A, T

= +25

C

2

V

R

O

Output Resistance

(15)

f = 1 kHz

19

m

I

SC

Short-Circuit Current 

V

I

 = 35 V, T

= +25

C

250

mA

I

PK

Peak Current

(15)

T

J

 = +25

C

2.2

A

background image

LM78XX / LM78XXA

 3-T

e

rminal 

1 A Positive V

o

lt

age Regulator

 2006 Fairchild Semiconductor Corporation

  www.fairchildsemi.com

LM78XX / LM78XXA Rev. 1.3.1

10 

Electrical Characteristics (LM7818)

Refer to the test circuit, -40 C < T

J

 < 125 C, I

O

 = 500 mA, V

I

 = 27 V, C

I

 = 0.33 

μF, C

O

 = 0.1 

μF, unless otherwise spec-

ified.

Notes:
16. Load and line regulation are specified at constant junction temperature. Changes in V

due to heating effects must

      be taken into account separately. Pulse testing with low duty is used.
17. These parameters, although guaranteed, are not 100% tested in production.

Symbol

Parameter

Conditions

Min.

Typ.

Max.

Unit

V

O

Output Voltage

T

= +25

C

17.3

18.0

18.7

V

I

O

 = 5 mA to 1 A, P

≤ 15 W,

V

I

 = 21 V to 33 V 

17.1

18.0

18.9

Regline

Line Regulation

(16)

T

= +25

C

V

I

 = 21 V to 33 V

15

360

mV

V

= 24 V to 30 V

5

180

Regload

Load Regulation

(16)

T

J

 = +25

I

O

 = 5 mA to 1.5 A

15

360

mV

I

O

 = 250 mA to 750 mA

5

180

I

Q

Quiescent Current

T

J

 = +25

C

5.2

8.0

mA

ΔI

Q

Quiescent Current 
Change

I

O

 = 5 mA to 1 A

0.5

mA

V

I

 = 21 V to 33 V

1.0

ΔV

O

/

ΔT

Output Voltage Drift

(17)

I

O

 = 5 mA

-1

mV/

C

V

N

Output Noise Voltage

f = 10 Hz to 100 kHz, T

A

 = +25

C

110

μV

RR

Ripple Rejection

(17)

f = 120 Hz, V

I

 = 22 V to 32 V

53

69

dB

V

DROP

Dropout Voltage

I

O

 = 1 A, T

= +25

C

2

V

R

O

Output Resistance

(17)

f = 1 kHz

22

m

I

SC

Short-Circuit Current 

V

I

 = 35 V, T

= +25

C

250

mA

I

PK

Peak Current

(17)

T

J

 = +25

C

2.2

A

background image

LM78XX / LM78XXA

 3-T

e

rminal 

1 A Positive V

o

lt

age Regulator

 2006 Fairchild Semiconductor Corporation

  www.fairchildsemi.com

LM78XX / LM78XXA Rev. 1.3.1

11 

Electrical Characteristics (LM7824)

Refer to the test circuit, -40 C < T

J

 < 125 C, I

O

 = 500 mA, V

I

 = 33 V, C

I

 = 0.33 

μF, C

O

 = 0.1 

μF, unless otherwise spec-

ified.

Notes:
18. Load and line regulation are specified at constant junction temperature. Changes in V

due to heating effects must

      be taken into account separately. Pulse testing with low duty is used.
19. These parameters, although guaranteed, are not 100% tested in production.

Symbol

Parameter

Conditions

Min.

Typ.

Max.

Unit

V

O

Output Voltage

T

= +25

C

23.00

24.00

25.00

V

I

O

 = 5 mA to 1 A, P

≤ 15 W,

V

I

 = 27 V to 38 V 

22.80

24.00

25.25

Regline

Line Regulation

(18)

T

= +25

C

V

I

 = 27 V to 38 V

17

480

mV

V

= 30 V to 36 V

6

240

Regload

Load Regulation

(18)

T

J

 = +25

I

O

 = 5 mA to 1.5 A

15

480

mV

I

O

 = 250 mA to 750 mA

5

240

I

Q

Quiescent Current

T

J

 = +25

C

5.2

8.0

mA

ΔI

Q

Quiescent Current 
Change

I

O

 = 5 mA to 1 A

0.1

0.5

mA

V

I

 = 27 V to 38 V

0.5

1.0

ΔV

O

/

ΔT

Output Voltage Drift

(19)

I

O

 = 5 mA

-1.5

mV/

C

V

N

Output Noise Voltage

f = 10 Hz to 100 kHz, T

A

 = +25

C

120

μV

RR

Ripple Rejection

(19)

f = 120 Hz, V

I

 = 28 V to 38 V

50

67

dB

V

DROP

Dropout Voltage

I

O

 = 1 A, T

= +25

C

2

V

R

O

Output Resistance

(19)

f = 1 kHz

28

m

I

SC

Short-Circuit Current 

V

I

 = 35 V, T

= +25

C

230

mA

I

PK

Peak Current

(19)

T

J

 = +25

C

2.2

A

background image

LM78XX / LM78XXA

 3-T

e

rminal 

1 A Positive V

o

lt

age Regulator

 2006 Fairchild Semiconductor Corporation

  www.fairchildsemi.com

LM78XX / LM78XXA Rev. 1.3.1

12 

Electrical Characteristics (LM7805A)

Refer to the test circuit, 0 C < T

J

 < 125 C, I

O

 = 1 A, V

I

 = 10 V, C

I

 = 0.33 

μF, C

O

 = 0.1 

μF, unless otherwise specified.

Notes:
20. Load and line regulation are specified at constant junction temperature. Changes in V

due to heating effects must

      be taken into account separately. Pulse testing with low duty is used.
21. These parameters, although guaranteed, are not 100% tested in production.

Symbol

Parameter

Conditions

Min.

Typ.

Max.

Unit

V

O

Output Voltage

T

= +25

C

4.9

5.0

5.1

V

I

O

 = 5 mA to 1 A, P

≤ 15 W,

V

I

 = 7.5 V to 20 V 

4.8

5.0

5.2

Regline

Line Regulation

(20)

V

I

 = 7.5 V to 25 V, I

O

 = 500 mA

5.0

50.0

mV

V

I

 = 8 V to 12 V

3.0

50.0

T

= +25

C

V

I

 = 7.3 V to 20 V

5.0

50.0

V

= 8 V to 12 V

1.5

25.0

Regload

Load Regulation

(20)

T

J

 = +25

C, I

O

 = 5 mA to 1.5 A 

9

100

mV

I

O

 = 5 mA to 1 A

9

100

I

O

 = 250 mA to 750 mA

4

50

I

Q

Quiescent Current

T

J

 = +25

C

5

6

mA

ΔI

Q

Quiescent Current 
Change

I

O

 = 5 mA to 1 A

0.5

mA

V

I

 = 8 V to 25 V, I

O

 = 500 mA

0.8

V

I

 = 7.5 V to 20 V, T

J

 = +25

C

0.8

ΔV

O

/

ΔT

Output Voltage Drift

(21)

I

O

 = 5 mA

-0.8

mV/

C

V

N

Output Noise Voltage

f = 10 Hz to 100 kHz, T

A

 = +25

C

42

μV

RR

Ripple Rejection

(21)

f = 120 Hz, V

O

 = 500 mA, 

V

I

 =8 V to 18 V

68

dB

V

DROP

Dropout Voltage

I

O

 = 1 A, T

= +25

C

2

V

R

O

Output Resistance

(21)

f = 1 kHz

17

m

I

SC

Short-Circuit Current 

V

I

 = 35 V, T

= +25

C

250

mA

I

PK

Peak Current

(21)

T

J

 = +25

C

2.2

A

background image

LM78XX / LM78XXA

 3-T

e

rminal 

1 A Positive V

o

lt

age Regulator

 2006 Fairchild Semiconductor Corporation

  www.fairchildsemi.com

LM78XX / LM78XXA Rev. 1.3.1

13 

Electrical Characteristics (LM7809A)

Refer to the test circuit, 0 C < T

J

 < 125 C, I

O

 = 1 A, V

I

 = 15 V, C

I

 = 0.33 

μF, C

O

 = 0.1 

μF, unless otherwise specified.

Notes:
22. Load and line regulation are specified at constant junction temperature. Changes in V

due to heating effects must

 be taken into account separately. Pulse testing with low duty is used.

23. These parameters, although guaranteed, are not 100% tested in production.

Symbol

Parameter

Conditions

Min.

Typ.

Max.

Unit

V

O

Output Voltage

T

= +25

C

8.82

9.00

9.16

V

I

O

 = 5 mA to 1 A, P

≤ 15 W,

V

I

 = 11.2 V to 24 V 

8.65

9.00

9.35

Regline

Line Regulation

(22)

V

I

 = 11.7 V to 25 V, I

O

 = 500 mA

6

90

mV

V

I

 = 12.5 V to 19 V

4

45

T

= +25

C

V

I

 = 11.5 V to 24 V

6

90

V

= 12.5 V to 19 V

2

45

Regload

Load Regulation

(22)

T

J

 = +25

C, I

O

 = 5 mA to 1.5 A 

12

100

mV

I

O

 = 5 mA to 1 A

12

100

I

O

 = 250 mA to 750 mA

5

50

I

Q

Quiescent Current

T

J

 = +25

C

5

6

mA

ΔI

Q

Quiescent Current 
Change

I

O

 = 5 mA to 1 A

0.5

mA

V

I

 = 12 V to 25 V, I

O

 = 500 mA

0.8

V

I

 = 11.7 V to 25 V, T

J

 = +25

C

0.8

ΔV

O

/

ΔT

Output Voltage Drift

(23)

I

O

 = 5 mA

-1

mV/

C

V

N

Output Noise Voltage

f = 10 Hz to 100 kHz, T

A

 = +25

C

58

μV

RR

Ripple Rejection

(23)

f = 120 Hz, V

O

 = 500 mA, 

V

I

 =12 V to 22 V

62

dB

V

DROP

Dropout Voltage

I

O

 = 1 A, T

= +25

C

2

V

R

O

Output Resistance

(23)

f = 1 kHz

17

m

I

SC

Short-Circuit Current 

V

I

 = 35 V, T

= +25

C

250

mA

I

PK

Peak Current

(23)

T

J

 = +25

C

2.2

A

background image

LM78XX / LM78XXA

 3-T

e

rminal 

1 A Positive V

o

lt

age Regulator

 2006 Fairchild Semiconductor Corporation

  www.fairchildsemi.com

LM78XX / LM78XXA Rev. 1.3.1

14 

Electrical Characteristics (LM7810A)

Refer to the test circuit, 0 C < T

J

 < 125 C, I

O

 = 1 A, V

I

 = 16 V, C

I

 = 0.33 

μF, C

O

 = 0.1 

μF, unless otherwise specified.

Notes:
24. Load and line regulation are specified at constant junction temperature. Changes in V

due to heating effects must

 be taken into account separately. Pulse testing with low duty is used.

25. These parameters, although guaranteed, are not 100% tested in production.

Symbol

Parameter

Conditions

Min.

Typ.

Max.

Unit

V

O

Output Voltage

T

= +25

C

9.8

10.0

10.2

V

I

O

 = 5 mA to 1 A, P

≤ 15 W,

V

I

 = 12.8 V to 25 V 

9.6

10.0

10.4

Regline

Line Regulation

(24)

V

I

 = 12.8 V to 26 V, I

O

 = 500 mA

8

100

mV

V

I

 = 13 V to 20 V

4

50

T

= +25

C

V

I

 = 12.5 V to 25 V

8

100

V

= 13 V to 20 V

3

50

Regload

Load Regulation

(24)

T

J

 = +25

C, I

O

 = 5 mA to 1.5 A 

12

100

mV

I

O

 = 5 mA to 1 A

12

100

I

O

 = 250 mA to 750 mA

5

50

I

Q

Quiescent Current

T

J

 = +25

C

5

6

mA

ΔI

Q

Quiescent Current 
Change

I

O

 = 5 mA to 1 A

0.5

mA

V

I

 = 12.8 V to 25 V, I

O

 = 500 mA

0.8

V

I

 = 13 V to 26 V, T

J

 = +25

C

0.5

ΔV

O

/

ΔT

Output Voltage Drift

(25)

I

O

 = 5 mA

-1

mV/

C

V

N

Output Noise Voltage

f = 10 Hz to 100 kHz, T

A

 = +25

C

58

μV

RR

Ripple Rejection

(25)

f = 120 Hz, V

O

 = 500 mA, 

V

I

 =14 V to 24 V

62

dB

V

DROP

Dropout Voltage

I

O

 = 1 A, T

= +25

C

2

V

R

O

Output Resistance

(25)

f = 1 kHz

17

m

I

SC

Short-Circuit Current 

V

I

 = 35 V, T

= +25

C

250

mA

I

PK

Peak Current

(25)

T

J

 = +25

C

2.2

A

background image

LM78XX / LM78XXA

 3-T

e

rminal 

1 A Positive V

o

lt

age Regulator

 2006 Fairchild Semiconductor Corporation

  www.fairchildsemi.com

LM78XX / LM78XXA Rev. 1.3.1

15 

Electrical Characteristics (LM7812A)

Refer to the test circuit, 0 C < T

J

 < 125 C, I

O

 = 1 A, V

I

 = 19 V, C

I

 = 0.33 

μF, C

O

 = 0.1 

μF, unless otherwise specified.

Notes:
26. Load and line regulation are specified at constant junction temperature. Changes in V

due to heating effects must

 be taken into account separately. Pulse testing with low duty is used.

27. These parameters, although guaranteed, are not 100% tested in production.

Symbol

Parameter

Conditions

Min.

Typ.

Max.

Unit

V

O

Output Voltage

T

= +25

C

11.75

12.00

12.25

V

I

O

 = 5 mA to 1 A, P

≤ 15 W,

V

I

 = 14.8 V to 27 V 

11.50

12.00

12.50

Regline

Line Regulation

(26)

V

I

 = 14.8 V to 30 V, I

O

 = 500 mA

10

120

mV

V

I

 = 16 V to 22 V

4

120

T

= +25

C

V

I

 = 14.5 V to 27 V

10

120

V

= 16 V to 22 V

3

60

Regload

Load Regulation

(26)

T

J

 = +25

C, I

O

 = 5 mA to 1.5 A 

12

100

mV

I

O

 = 5 mA to 1 A

12

100

I

O

 = 250 mA to 750 mA

5

50

I

Q

Quiescent Current

T

J

 = +25

C

5

6

mA

ΔI

Q

Quiescent Current 
Change

I

O

 = 5 mA to 1 A

0.5

mA

V

I

 = 14 V to 27 V, I

O

 = 500 mA

0.8

V

I

 = 15 V to 30 V, T

J

 = +25

C

0.8

ΔV

O

/

ΔT

Output Voltage Drift

(27)

I

O

 = 5 mA

-1

mV/

C

V

N

Output Noise Voltage

f = 10 Hz to 100 kHz, T

A

 = +25

C

76

μV

RR

Ripple Rejection

(27)

f = 120 Hz, V

O

 = 500 mA, 

V

I

 =14 V to 24 V

60

dB

V

DROP

Dropout Voltage

I

O

 = 1 A, T

= +25

C

2

V

R

O

Output Resistance

(27)

f = 1 kHz

18

m

I

SC

Short-Circuit Current 

V

I

 = 35 V, T

= +25

C

250

mA

I

PK

Peak Current

(27)

T

J

 = +25

C

2.2

A

background image

LM78XX / LM78XXA

 3-T

e

rminal 

1 A Positive V

o

lt

age Regulator

 2006 Fairchild Semiconductor Corporation

  www.fairchildsemi.com

LM78XX / LM78XXA Rev. 1.3.1

16 

Electrical Characteristics (LM7815A)

Refer to the test circuit, 0 C < T

J

 < 125 C, I

O

 = 1 A, V

I

 = 23 V, C

I

 = 0.33 

μF, C

O

 = 0.1 

μF, unless otherwise specified.

Notes:
28. Load and line regulation are specified at constant junction temperature. Changes in V

due to heating effects must

 be taken into account separately. Pulse testing with low duty is used.

29. These parameters, although guaranteed, are not 100% tested in production.

Symbol

Parameter

Conditions

Min.

Typ.

Max.

Unit

V

O

Output Voltage

T

= +25

C

14.75

15.00

15.30

V

I

O

 = 5 mA to 1 A, P

≤ 15 W,

V

I

 = 17.7 V to 30 V 

14.40

15.00

15.60

Regline

Line Regulation

(28)

V

I

 = 17.4 V to 30 V, I

O

 = 500 mA

10

150

mV

V

I

 = 20 V to 26 V

5

150

T

= +25

C

V

I

 = 17.5 V to 30 V

11

150

V

= 20 V to 26 V

3

75

Regload

Load Regulation

(28)

T

J

 = +25

C, I

O

 = 5 mA to 1.5 A 

12

100

mV

I

O

 = 5 mA to 1 A

12

100

I

O

 = 250 mA to 750 mA

5

50

I

Q

Quiescent Current

T

J

 = +25

C

5.2

6.0

mA

ΔI

Q

Quiescent Current 
Change

I

O

 = 5 mA to 1 A

0.5

mA

V

I

 = 17.5 V to 30 V, I

O

 = 500 mA

0.8

V

I

 = 17.5 V to 30 V, T

J

 = +25

C

0.8

ΔV

O

/

ΔT

Output Voltage Drift

(29)

I

O

 = 5 mA

-1

mV/

C

V

N

Output Noise Voltage

f = 10 Hz to 100 kHz, T

A

 = +25

C

90

μV

RR

Ripple Rejection

(29)

f = 120 Hz, V

O

 = 500 mA, 

V

I

 =18.5 V to 28.5 V

58

dB

V

DROP

Dropout Voltage

I

O

 = 1 A, T

= +25

C

2

V

R

O

Output Resistance

(29)

f = 1 kHz

19

m

I

SC

Short-Circuit Current 

V

I

 = 35 V, T

= +25

C

250

mA

I

PK

Peak Current

(29)

T

J

 = +25

C

2.2

A

background image

LM78XX / LM78XXA

 3-T

e

rminal 

1 A Positive V

o

lt

age Regulator

 2006 Fairchild Semiconductor Corporation

  www.fairchildsemi.com

LM78XX / LM78XXA Rev. 1.3.1

17 

Typical Performance Characteristics

Figure 2. Quiescent Current

Figure 3. Peak Output Current

Figure 4. Output Voltage

Figure 5. Quiescent Current

6

5.75

5.5

5.25

5

4.75

4.5

V

I

 = 10V

V

O

 = 5V

I

O

 = 5mA

-25

-50

0

25

50

75

100

125

QUIESCENT CURRENT (mA)

JUNCTION TEMPERATURE ( C)

0

3

2.5

2

1.5

1

.5

0

T

J

 = 25

C

ΔV

O

 = 100mV

5

10

15

20

25

30

35

OUTPUT CURRENT (A)

INPUT-OUTPUT DIFFERENTIAL (V)

1.02

1.01

1

0.99

0.98

V

I

 - V

O

 = 5V

I

O

 = 5mA

-25

-50

0

25

50

75

100

125

NORMALIZED OUTPUT VOLTAGE (V)

JUNCTION TEMPERATURE ( C)

7

6.5

6

5.5

5

4.5

4

T

J

 = 25

C

V

O

 = 5V

I

O

 = 10mA

10

5

15

20

25

30

35

QUIESCENT CURRENT (mA)

INPUT VOLTAGE (V)

background image

LM78XX / LM78XXA

 3-T

e

rminal 

1 A Positive V

o

lt

age Regulator

 2006 Fairchild Semiconductor Corporation

  www.fairchildsemi.com

LM78XX / LM78XXA Rev. 1.3.1

18 

Typical Applications

Figure 6. DC Parameters

Figure 7. Load Regulation

Figure 8. Ripple Rejection

0.1

μF

C

O

C

I

0.33

μF

Output

Input

LM78XX

1

3

2

LM78XX

3

2

1

0.33μF

270pF

100

30μS

R

L

2N6121
or EQ

Output

Input

V

O

0V

V

O

LM78XX

Output

Input

5.1

0.33μF

2

3

1

R

L

470μF

120Hz

+

background image

LM78XX / LM78XXA

 3-T

e

rminal 

1 A Positive V

o

lt

age Regulator

 2006 Fairchild Semiconductor Corporation

  www.fairchildsemi.com

LM78XX / LM78XXA Rev. 1.3.1

19 

Typical Applications

(Continued)

Figure 9. Fixed-Output Regulator

Figure 10. Constant Current Regulator

Notes:

29. To specify an output voltage, substitute voltage value for XX. A common ground is required between the input and

      the output voltage. The input voltage must remain typically 2.0 V above the output voltage even during the low point

     on the input ripple voltage.

30. C

I

 is required if regulator is located an appreciable distance from power supply filter.

31. C

O

 improves stability and transient response.

Figure 11. Circuit for Increasing Output Voltage

0.1

μF

C

O

C

I

0.33

μF

Output

Input

LM78XX

1

3

2

0.1

μF

C

O

C

I

0.33

μF

Output

Input

LM78XX

1

3

2

V

XX

R

1

R

L

I

Q

I

O

I

=  

R

1

  

+ I

Q

V

XX

0.1

μF

C

O

C

I

0.33

μF

Output

Input

LM78XX

1

3

2

V

XX

R1

R2

I

Q

I

RI

 

≥ 5 I

Q

V

O

 = V

XX

(1

 

+

 

R

2

 

/

 

R

1

)

 

+

 

I

Q

R

2

background image

LM78XX / LM78XXA

 3-T

e

rminal 

1 A Positive V

o

lt

age Regulator

 2006 Fairchild Semiconductor Corporation

  www.fairchildsemi.com

LM78XX / LM78XXA Rev. 1.3.1

20 

Typical Applications

(Continued)

Figure 12. Adjustable Output Regulator (7 V to 30 V)

Figure 13. High-Current Voltage Regulator

Figure 14. High Output Current with Short-Circuit Protection

LM741

-

+

2

3

6

4

2

3

1

0.33

μF

C

I

Input

Output

0.1

μF

C

O

LM7805

10kΩ

I

RI

 

≥ 5 I

Q

V

O

 = V

XX

(1

 

+

 

R

2

 

/

 

R

1

)

 

+

 

I

Q

R

2

3

2

1

LM78XX

Output

Input

R1

3

0.33μF

IREG

0.1μF

I

O

IQ1

I

O

 = I

REG

 + B

Q1

 (I

REG

-V

BEQ1

/R

1

)

Q1  BD536

R1 = 

V

BEQ1

I

REG

-I

Q1

 B

Q1

/

LM78XX

Output

0.1μF

0.33μF

R1

3

3

2

1

Q1

Input

Q2

Q1 = TIP42
Q2 = TIP42

R

SC

 = 

I

 SC

V

BEQ2

R

SC

background image

LM78XX / LM78XXA

 3-T

e

rminal 

1 A Positive V

o

lt

age Regulator

 2006 Fairchild Semiconductor Corporation

  www.fairchildsemi.com

LM78XX / LM78XXA Rev. 1.3.1

21 

Typical Applications

(Continued)

Figure 15. Tracking Voltage Regulator

Figure 16. Split Power Supply ( 15 V - 1 A)

LM78XX

LM741

0.1μF

0.33μF

1

2

3

7

2

6

4

3

4.7k

4.7k

TIP42

COMMON

COMMON

V

O

-V

O

V

I

-V

IN

_

+

3

1

2

1

3

2

0.33μF

0.1μF

2.2μF

1μF +

+

1N4001

1N4001

+15V

-15V

+20V

-20V

LM7815

MC7915

background image

LM78XX / LM78XXA

 3-T

e

rminal 

1 A Positive V

o

lt

age Regulator

 2006 Fairchild Semiconductor Corporation

  www.fairchildsemi.com

LM78XX / LM78XXA Rev. 1.3.1

22 

Typical Applications

(Continued)

Figure 17. Negative Output Voltage Circuit

Figure 18. Switching Regulator

LM78XX

Output

Input

+

1

2

0.1μF

3

LM78XX

1mH

3

1

2

2000μF

Output

Input

D45H11

0.33μF

470

4.7

10μF

0.5

Z1

+

+

background image

LM78XX / LM78XXA

 3-T

e

rminal 

1 A Positive V

o

lt

age Regulator

 2006 Fairchild Semiconductor Corporation

  www.fairchildsemi.com

LM78XX / LM78XXA Rev. 1.3.1

23 

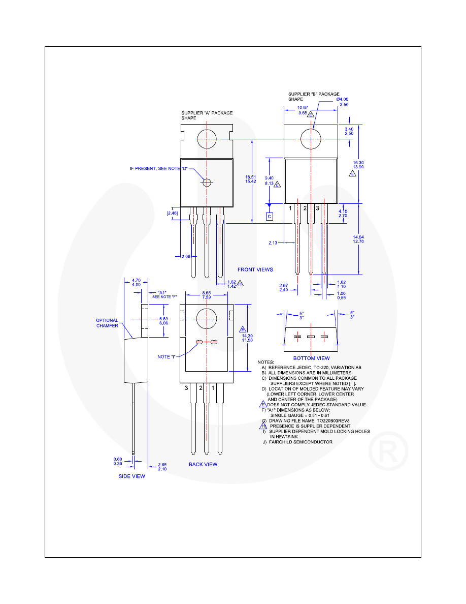
Physical Dimensions

Figure 19. TO-220, MOLDED, 3-LEAD, JEDEC VARIATION AB (ACTIVE)

background image

Fairchild Semiconductor Corporation 

 

www.fairchildsemi.com 

TRADEMARKS 
The following includes registered and unregistered trademarks and service marks, owned by Fairchild Semiconductor and/or its global subsidiaries, and is not 

intended to be an exhaustive list of all such trademarks. 
AccuPower

Awinda

AX-CAP

*

BitSiC
Build it Now
CorePLUS
CorePOWER

CROSSVOLT

CTL
Current Transfer Logic

DEUXPEED

Dual Cool™ 

EcoSPARK

EfficientMax
ESBC

Fairchild

Fairchild Semiconductor

FACT Quiet Series

FACT

FAST

FastvCore
FETBench
FPS

F-PFS

FRFET

Global Power Resource

SM

GreenBridge
Green FPS
Green FPS  e-Series
Gmax

GTO
IntelliMAX
ISOPLANAR

Making Small Speakers Sound Louder 

and Better™

MegaBuck
MICROCOUPLER
MicroFET
MicroPak
MicroPak2
MillerDrive
MotionMax

MotionGrid

MTi

MTx

MVN

mWSaver

OptoHiT

PowerTrench

PowerXS™ 
Programmable Active Droop

QFET

QS
Quiet Series
RapidConfigure

Saving our world, 1mW/W/kW at a time™ 
SignalWise
SmartMax

SMART START
Solutions for Your Success

SPM

STEALTH

SuperFET

SuperSOT -3 

SuperSOT -6 
SuperSOT -8 

SupreMOS

SyncFET

Sync-Lock™ 

*

TinyBoost

TinyBuck

TinyCalc

TinyLogic

TINYOPTO
TinyPower

TinyPWM
TinyWire
TranSiC
TriFault Detect

TRUECURRENT

*

μSerDes

UHC

Ultra FRFET
UniFET
VCX
VisualMax
VoltagePlus

XS™ 

Xsens™

* Trademarks of System General Corporation, used under license by Fairchild Semiconductor. 

DISCLAIMER 
FAIRCHILD SEMICONDUCTOR RESERVES THE RIGHT TO MAKE CHANGES WITHOUT FURTHER NOTICE TO ANY PRODUCTS HEREIN TO IMPROVE 

RELIABILITY, FUNCTION, OR DESIGN. T

O OBTAIN THE LATEST, MOST UP-TO-DATE DATASHEET AND PRODUCT INFORMATION, VISIT OUR WEBSITE 

AT 

HTTP://WWW.FAIRCHILDSEMI.COM.

FAIRCHILD DOES NOT ASSUME ANY LIABILITY ARISING OUT OF THE APPLICATION OR USE OF ANY 

PRODUCT OR CIRCUIT DESCRIBED HEREIN; NEITHER DOES IT CONVEY ANY LICENSE UNDER ITS PATENT RIGHTS, NOR THE RIGHTS OF OTHERS. 

THESE SPECIFICATIONS DO NOT EXPAND THE TERMS OF FAIRCHILDS WORLDWIDE TERMS AND CONDITIONS, SPECIFICALLY THE WARRANTY 

THEREIN, WHICH COVERS THESE PRODUCTS. 

LIFE SUPPORT POLICY 
FAIRCHILDS PRODUCTS ARE NOT AUTHORIZED FOR USE AS CRITICAL COMPONENTS IN LIFE SUPPORT DEVICES OR SYSTEMS WITHOUT THE 

EXPRESS WRITTEN APPROVAL OF FAIRCHILD SEMICONDUCTOR CORPORATION. 
As used herein: 

1.  Life support devices or systems are devices or systems which, (a) are 

intended for surgical implant into the body or (b) support or sustain 

life, and (c) whose failure to perform when properly used in 

accordance with instructions for use provided in the labeling, can be 

reasonably expected to result in a significant injury of the user. 

2.  A critical component in any component of a life support, device, or 

system whose failure to perform can be reasonably expected to 

cause the failure of the life support device or system, or to affect its 

safety or effectiveness.  

ANTI-COUNTERFEITING POLICY 
Fairchild Semiconductor Corporation's Anti-Counterfeiting Policy. Fairchild's Anti-Counterfeiting Policy is also stated on our external website, www.fairchildsemi.com, 

under Sales Support.  
Counterfeiting of semiconductor parts is a growing problem in the industry. All manufacturers of semiconductor products are experiencing counterfeiting of their 

parts. Customers who inadvertently purchase counterfeit parts experience many problems such as loss of brand reputation, substandard performance, failed 

applications, and increased cost of production and manufacturing delays. Fairchild is taking strong measures to protect ourselves and our customers from the 

proliferation of counterfeit parts. Fairchild strongly encourages customers to purchase Fairchild parts either directly from Fairchild or from Authorized Fairchild 

Distributors who are listed by country on our web page cited above. Products customers buy either from Fairchild directly or from Authorized Fairchild Distributors 

are genuine parts, have full traceability, meet Fairchild's quality standards for handling and storage and provide access to Fairchild's full range of up-to-date technical 

and product information. Fairchild and our Authorized Distributors will stand behind all warranties and will appropriately address any warranty issues that may arise. 

Fairchild will not provide any warranty coverage or other assistance for parts bought from Unauthorized Sources. Fairchild is committed to combat this global 

problem and encourage our customers to do their part in stopping this practice by buying direct or from authorized distributors.

PRODUCT STATUS DEFINITIONS 

Definition of Terms 

Datasheet Identification 

Product Status 

Definition 

Advance Information 

Formative / In Design  Datasheet contains the design specifications for product development. Specifications may change 

in any manner without notice. 

Preliminary First 

Production 

Datasheet contains preliminary data; supplementary data will be published at a later date. Fairchild 

Semiconductor reserves the right to make changes at any time without notice to improve design. 

No Identification Needed 

Full Production 

Datasheet contains final specifications. Fairchild Semiconductor reserves the right to make 

changes at any time without notice to improve the design. 

Obsolete 

Not In Production 

Datasheet contains specifications on a product that is discontinued by Fairchild Semiconductor.  

The datasheet is for reference information only. 

Rev. I71 


powered by phppowered by MySQLPOWERED BY APACHEPOWERED BY CentOS© 2004 - 2025Información Legalpoliticas de cookiesipv6 ready