Secciones
Foros Electrónica
Boletines de correo
Boletines
background image

©2011 Fairchild Semiconductor Corporation

www.fairchildsemi.com

Rev. 1.0.3

Features

• Output Current in Excess of 1A
• Output Voltages of -5, -6, -8 , -9, -10, -12, -15, -18 and -

24V

• Internal Thermal Overload Protection
• Short Circuit Protection
• Output Transistor Safe Operating Area Compensation

Description

The LM79XX series of three terminal  negative  regulators
are  available  in TO-220 package and with several fixed 
output voltages, making them useful in a wide range 
of applications. Each type employs internal current limiting,
thermal shut down and safe operating area protection, 
making it essentially indestructible.

TO-220 (Single Gauge)

1. GND 2. Input 3. Output

1

Vin

Internal Block Digram

VOLTAGE

REFERENCE

+

-

PROTECTION

CIRCUITRY

R1

R2

Rsc

GND

I1

I2

Out

In

Q1

Q2

Output

Input

LM79XX

3-Terminal 1A Negative Voltage Regulator

background image

LM79XX

2

Absolute Maximum Ratings

Note:
1. Thermal resistance test board

Size: 76.2mm * 114.3mm * 1.6mm(1S0P)
JEDEC standard: JESD51-3, JESD51-7

2. Assume no ambient airflow

Electrical Characteristics (LM7905)

(V

I  

= -10V, I

= 500mA, 0

°C ≤T

≤ +125 °C, C

=2.2

μF, C

O

 =1

μF, unless otherwise specified.)

Note
3. Load and line regulation are specified at constant junction temperature. Changes in V

due to heating effects must be taken

into account separately. Pulse testing with low duty is used.

Parameter

Symbol

Value

Unit

Input Voltage

V

I

-35

V

Thermal Resistance Junction-Case (Note1)

R

ΘJC

5

°C/W

Thermal Resistance Junction-Air (Note1, 2)

R

ΘJA

65

Operating Temperature Range

T

OPR

0 ~ +125

°C

Storage Temperature Range

T

STG

-65 ~ +150

°C

Parameter

Symbol

Conditions

Min.

Typ.

Max.

Unit

Output Voltage

V

O

T

= +25

°C

-4.8

-5.0

-5.2

V

I

O

 = 5mA to 1A, P

≤ 

15W

V

I

 = -7V to -20V 

-4.75

-5.0

-5.25

Line Regulation (Note3)

ΔV

O

T

= +25

°C

V

I

 = -7V to -25V 

-

35

100

mV

V

= -8V to -12V

-

8

50

Load Regulation (Note3)

ΔV

O

T

J

 = +25

°C

I

O

 = 5mA to 1.5A

-

10

100

mV

T

J

 =+25

°C

I

O

 = 250mA to 750mA

-

3

50

Quiescent Current

I

Q

T

J

 =+25

°C

-

3

6

mA

Quiescent Current Change

ΔI

Q

I

O

 = 5mA to 1A

-

0.05

0.5

mA

V

I

 = -8V to -25V

-

0.1

0.8

Temperature Coefficient of V

D

ΔVo/ΔT

I

O

 = 5mA

-

- 0.4

-

mV/

°C

Output Noise Voltage

V

N

f = 10Hz to 100kHz
T

A

 =+25

°C

-

40

-

μV

Ripple Rejection

RR

f = 120Hz

ΔV

I

 = 10V

54

60

-

dB

Dropout Voltage

V

D

T

= +25

°C

I

O

 = 1A

-

2

-

V

Short Circuit Current 

I

SC

T

=+25

°C, V

I

 = -35V

-

300

-

mA

Peak Current

I

PK

T

J

 =+25

°C

-

2.2

-

A

background image

LM79XX

3

Electrical Characteristics (LM7906) 

(Continued)

(V

I  

= -11V, I

= 500mA, 0

°C ≤T

≤ +125 °C, C

=2.2

μF, C

O

 =1

μF, unless otherwise specified.)

Note
1. Load and line regulation are specified at constant junction temperature. Changes in V

due to heating effects must be taken

into account separately. Pulse testing with low duty is used.

Parameter

Symbol

Conditions

Min.

Typ.

Max.

Unit

Output Voltage

V

O

T

= +25

°C

-5.75

-6

-6.25

V

I

O

 = 5mA to 1A, P

≤ 15W

V

I

 = -9V to -21V 

-5.7

-6

-6.3

Line Regulation (Note1)

ΔV

O

T

= +25

°C

V

I

 = -8V to -25V

-

10

120

mV

V

= -9V to -13V

-

5

60

Load Regulation (Note1)

ΔV

O

T

= +25

°C

I

O

 = 5mA to 1.5A

-

10

120

mV

T

J

 =+25

°C

I

O

 = 250mA to 750mA

-

3

60

Quiescent Current

I

Q

T

J

 =+25

°C

-

3

6

mA

Quiescent Current Change

ΔI

Q

I

O

 = 5mA to 1A

-

0.05

0.5

mA

V

I

 = -8V to -25V

-

0.1

1.3

Temperature Coefficient of V

D

ΔVo/ΔT

I

O

 = 5mA

-

-0.5

-

mV/

°C

Output Noise Voltage

V

N

f = 10Hz to 100kHz
T

A

 =+25

°C

-

130

-

μV

Ripple Rejection

RR

f = 120Hz

ΔV

I

 = 10V

54

60

-

dB

Dropout Voltage

V

D

T

= +25

°C

I

O

 = 1A

-

2

-

V

Short Circuit Current 

I

SC

T

= +25

°C, V

I

 = -35V

-

300

-

mA

Peak Current

I

PK

T

J

 = +25

°C

-

2.2

-

A

background image

LM79XX

4

Electrical Characteristics (LM7908) 

(Continued)

(V

I  

= -14V, I

= 500mA, 0

°C ≤T

≤ +125 °C, C

=2.2

μF, C

O

 =1

μF, unless otherwise specified.)

Note
1. Load and line regulation are specified at constant junction temperature. Changes in V

due to heating effects must be taken

into account separately. Pulse testing with low duty is used.

Parameter

Symbol

Conditions

Min.

Typ.

Max.

Unit

Output Voltage

V

O

T

= +25

°C

-7.7

-8

-8.3

V

I

O

 = 5mA to 1A, P

≤ 15W

V

I

 = -10V to -23V 

-7.6

-8

-8.4

Line Regulation (Note1)

ΔV

O

T

= +25

°C

V

I

 = -10.5V to -25V

-

10

160

mV

V

= -11V to -17V

-

5

80

Load Regulation (Note1)

ΔV

O

T

= +25

°C

I

O

 = 5mA to 1.5A

-

12

160

mV

T

J

 =+25

°C

I

O

 = 250mA to 750mA

-

4

80

Quiescent Current

I

Q

T

J

 =+25

°C

-

3

6

mA

Quiescent Current Change

ΔI

Q

I

O

 = 5mA to 1A

-

0.05

0.5

mA

V

I

 = -10.5V to -25V

-

0.1

1

Temperature Coefficient of V

D

ΔVo/ΔT

I

O

 = 5mA

-

-0.6

-

mV/

°C

Output Noise Voltage

V

N

f = 10Hz to 100kHz
T

A

 =+25

°C

-

175

-

μV

Ripple Rejection

RR

f = 120Hz

ΔV

I

 = 10V

54

60

-

dB

Dropout Voltage

V

D

T

= +25

°C

I

O

 = 1A

-

2

-

V

Short Circuit Current 

I

SC

T

= +25

°C, V

I

 = -35V

-

300

-

mA

Peak Current

I

PK

T

J

 = +25

°C

-

2.2

-

A

background image

LM79XX

5

Electrical Characteristics (LM7909) 

(Continued)

(V

I  

= -15V, I

= 500mA, 0

°C ≤T

≤ +125 °C, C

=2.2

μF, C

O

 =1

μF, unless otherwise specified.)

Note:
1. Load and line regulation are specified at constant junction temperature. Changes in V

due to heating effects must be taken

into account separately. Pulse testing with low duty is used.

Parameter

Symbol

Conditions

Min.

Typ.

Max.

Unit

Output Voltage

V

O

T

= +25

°C

-8.7

-9.0

-9.3

V

I

O

 = 5mA to 1A, P

≤ 15W

V

I

 = -1.5V to -23V 

-8.6

-9.0

-9.4

Line Regulation (Note1)

ΔV

O

T

= +25

°C

V

I

 = -11.5V to -26V

-

10

180

mV

V

= -12V to -18V

-

5

90

Load Regulation (Note1)

ΔV

O

T

= +25

°C

I

O

 = 5mA to 1.5A

-

12

180

mV

T

J

 = +25

°C

I

O

 = 250mA to 750mA

-

4

90

Quiescent Current

I

Q

T

J

 = +25

°C

-

3

6

mA

Quiescent Current Change

ΔI

Q

I

O

 = 5mA to 1A

-

0.05

0.5

mA

V

I

 = -11.5V to -26V

-

0.1

1

Temperature Coefficient of V

D

ΔVo/ΔT

I

O

 = 5mA

-

-0.6

-

mV/

°C

Output Noise Voltage

V

N

f = 10Hz to 100kHz
T

A

 = +25

°C

-

175

-

μV

Ripple Rejection

RR

f = 120Hz

ΔV

I

 = 10V

54

60

-

dB

Dropout Voltage

V

D

T

= +25

°C

I

O

 = 1A

-

2

-

V

Short Circuit Current 

I

SC

T

= +25

°C, V

I

 = -35V

-

300

-

mA

Peak Current

I

PK

T

J

 = +25

°C

-

2.2

-

A

background image

LM79XX

6

Electrical Characteristics (LM7910) 

(Continued)

(V

I  

= -17V, I

= 500mA, 0

°C ≤T

≤ +125 °C, C

=2.2

μF, C

O

 =1

μF, unless otherwise specified.)

Note:
1. Load and line regulation are specified at constant junction temperature. Changes in V

due to heating effects must be taken

into account separately. Pulse testing with low duty is used.

Parameter

Symbol

Conditions

Min.

Typ.

Max.

Unit

Output Voltage

V

O

T

= +25

°C

-9.6

-10

-10.4

V

I

O

 = 5mA to 1A, P

≤ 15W

V

I

 = -12V to -28 

-9.5

-10

-10.5

Line Regulation (Note1)

ΔV

O

T

= +25

°C

V

I

 = -12.5V to -28V

-

12

200

mV

V

= -14V to -20V

-

6

100

Load Regulation (Note1)

ΔV

O

T

= +25

°C

I

O

 = 5mA to 1.5A

-

12

200

mV

T

J

 = +25

°C

I

O

 = 250mA to 750mA

-

4

100

Quiescent Current

I

Q

T

J

 = +25

°C

-

3

6

mA

Quiescent Current Change

ΔI

Q

I

O

 = 5mA to 1A

-

0.05

0.5

mA

V

I

 = -12.5V to -28V

-

0.1

1

Temperature Coefficient of V

O

ΔVo/ΔT

I

O

 = 5mA

-

-1

-

mV/

°C

Output Noise Voltage

V

N

10Hz 

≤ f ≤ 100kHz

T

A

 =+25

°C

-

280

-

μV

Ripple Rejection

RR

f = 120Hz

ΔV

I

 = 10V

54

60

-

dB

Dropout Voltage

V

D

T

= +25

°C

I

O

 = 1A

-

2

-

V

Short Circuit Current 

I

SC

T

= +25

°C, V

I

 = -35V

-

300

-

mA

Peak Current

I

PK

T

J

 = +25

°C

-

2.2

-

A

background image

LM79XX

7

Electrical Characteristics (LM7912) 

(Continued)

(V

I  

= -19V, I

= 500mA, 0

°C ≤T

≤ +125 °C, C

=2.2

μF, C

O

 =1

μF, unless otherwise specified.)

Note:
1. Load and line regulation are specified at constant junction temperature. Changes in V

due to heating effects must be taken

into account separately. Pulse testing with low duty is used.

Parameter

Symbol

Conditions

Min.

Typ.

Max.

Unit

Output Voltage

V

O

T

= +25

°C

-11.5

-12

-12.5

V

I

O

 = 5mA to 1A, P

≤ 15W

V

I

 = -15.5V to -27V 

-11.4

-12

-12.6

Line Regulation (Note1)

ΔV

O

T

= +25

°C

V

I

 = -14.5V to -30V

-

12

240

mV

V

= -16V to -22V

-

6

120

Load Regulation (Note1)

ΔV

O

T

= +25

°C

I

O

 = 5mA to 1.5A

-

12

240

mV

T

J

 = +25

°C

I

O

 = 250mA to 750mA

-

4

120

Quiescent Current

I

Q

T

J

 = +25

°C

-

3

6

mA

Quiescent Current Change

ΔI

Q

I

O

 = 5mA to 1A

-

0.05

0.5

mA

V

I

 = -14.5V to -30V

-

0.1

1

Temperature Coefficient of V

D

ΔVo/ΔT

I

O

 = 5mA

-

-0.8

-

mV/

°C

Output Noise Voltage

V

N

f = 10Hz to 100kHz
T

A

 = +25

°C

-

200

-

μV

Ripple Rejection

RR

f = 120Hz

ΔV

I

 = 10V

54

60

-

dB

Dropout Voltage

V

D

T

= +25

°C

I

O

 = 1A

-

2

-

V

Short Circuit Current 

I

SC

T

= +25

°C, V

I

 = -35V

-

300

-

mA

Peak Current

I

PK

T

J

 = +25

°C

-

2.2

-

A

background image

LM79XX

8

Electrical Characteristics (LM7915) 

(Continued)

(V

I  

= -23V, I

= 500mA, 0

°C ≤T

≤ +125 °C, C

=2.2

μF, C

O

 =1

μF, unless otherwise specified.)

Note:
1. Load and line regulation are specified at constant junction temperature. Changes in V

due to heating effects must be taken

into account separately. Pulse testing with low duty is used.

Parameter

Symbol

Conditions

Min.

Typ.

Max.

Unit

Output Voltage

V

O

T

= +25

°C

-14.4

-15

-15.6

V

I

O

 = 5mA to 1A, P

≤ 15W

V

I

 = -18V to -30V 

-14.25

-15

-15.75

Line Regulation (Note1)

ΔV

O

T

= +25

°C

V

I

 = -17.5V to -30V

-

12

300

mV

V

= -20V to -26V

-

6

150

Load Regulation (Note1)

ΔV

O

T

= +25

°C

I

O

 = 5mA to 1.5A

-

12

300

mV

T

J

 = +25

°C

I

O

 = 250mA to 750mA

-

4

150

Quiescent Current

I

Q

T

J

 = +25

°C

-

3

6

mA

Quiescent Current Change

ΔI

Q

I

O

 = 5mA to 1A

-

0.05

0.5

mA

V

I

 = -17.5V to -30V

-

0.1

1

Temperature Coefficient of V

D

ΔVo/ΔT

I

O

 = 5mA

-

-0.9

-

mV/

°C

Output Noise Voltage

V

N

f = 10Hz to 100kHz
T

A

 =+25

°C

-

250

-

μV

Ripple Rejection

RR

f = 120Hz

ΔV

I

 = 10V

54

60

-

dB

Dropout Voltage

V

D

T

= +25

°C

I

O

 = 1A

-

2

-

V

Short Circuit Current 

I

SC

T

= +25

°C, V

I

 = -35V

-

300

-

mA

Peak Current

I

PK

T

J

 = +25

°C

-

2.2

-

A

background image

LM79XX

9

Electrical Characteristics (LM7918) 

(Continued)

(V

I  

= -27V, I

= 500mA, 0

°C ≤T

≤ +125 °C, C

=2.2

μF, C

O

 =1

μF, unless otherwise specified.)

Note:
1. Load and line regulation are specified at constant junction temperature. Changes in V

due to heating effects must be taken

into account separately. Pulse testing with low duty is used.

Parameter

Symbol

Conditions

Min.

Typ.

Max.

Unit

Output Voltage

V

O

T

= +25

°C

-17.3

-18

-18.7

V

I

O

 = 5mA to 1A, P

≤ 15W

V

I

 = -22.5V to -33V 

-17.1

-18

-18.9

Line Regulation (Note1)

ΔV

O

T

= +25

°C

V

= -21V to -33V

-

15

360

mV

V

= -24V to -30V

-

8

180

Load Regulation (Note1)

ΔV

O

T

= +25

°C

I

O

 = 5mA to 1.5A

-

15

360

mV

T

J

 = +25

°C

I

O

 = 250mA to 750mA

-

5

180

Quiescent Current

I

Q

T

J

 = +25

°C

-

3

6

mA

Quiescent Current Change

ΔI

Q

I

O

 = 5mA to 1A

-

0.05

0.5

mA

V

I

 = -21V to -33V

-

0.1

1

Temperature Coefficient of V

D

ΔVo/ΔT

I

O

 = 5mA

-

-1

-

mV/

°C

Output Noise Voltage

V

N

f = 10Hz to 100kHz
T

A

 = +25

°C

-

300

-

μV

Ripple Rejection

RR

f = 120Hz

ΔV

I

 = 10V

54

60

-

dB

Dropout Voltage

V

D

T

= +25

°C

I

O

 = 1A

-

2

-

V

Short Circuit Current 

I

SC

T

= +25

°C, V

I

 = -35V

-

300

-

mA

Peak Current

I

PK

T

J

 = +25

°C

-

2.2

-

A

background image

LM79XX

10

Electrical Characteristics (LM7924) 

(Continued)

(V

I  

= -33V, I

= 500mA, 0

°C ≤T

≤ +125 °C, C

=2.2

μF, C

O

 =1

μF, unless otherwise specified.)

Note:
1. Load and line regulation are specified at constant junction temperature. Changes in V

due to heating effects must be taken

into account separately. Pulse testing with low duty is used.

Parameter

Symbol

Conditions

Min.

Typ.

Max.

Unit

Output Voltage

V

O

T

= +25

°C

-23

-24

-25

V

I

O

 = 5mA to 1A, P

≤ 15W

V

I

 = -27V to -38V 

-22.8

-24

-25.2

Line Regulation (Note1)

ΔV

O

T

= +25

°C

V

I

 = -27V to -38V

-

15

480

mV

V

= -30V to -36V

-

8

180

Load Regulation (Note1)

ΔV

O

T

= +25

°C

I

O

 = 5mA to 1.5A

-

15

480

mV

T

J

 = +25

°C

I

O

 = 250mA to 750mA

-

5

240

Quiescent Current

I

Q

T

J

 = +25

°C

-

3

6

mA

Quiescent Current Change

ΔI

Q

I

O

 = 5mA to 1A

-

0.05

0.5

mA

V

I

 = -27V to -38V

-

0.1

1

Temperature Coefficient of V

D

ΔVo/ΔT

I

O

 = 5mA

-

-1

-

mV/

°C

Output Noise Voltage

V

N

f = 10Hz to 100kHz
T

A

 = +25

°C

-

400

-

μV

Ripple Rejection

RR

f = 120Hz

ΔV

I

 = 10V

54

60

-

dB

Dropout Voltage

V

D

T

= +25

°C

I

O

 = 1A

-

2

-

V

Short Circuit Current 

I

SC

T

= +25

°C, V

I

 = -35V

-

300

-

mA

Peak Current

I

PK

T

J

 = +25

°C

-

2.2

-

A

background image

LM79XX

11

Typical Performance Characteristics

Figure 1. Output Voltage

Figure 3. Quiescent Current

Figure 5. Short Circuit Current

Figure 2. Load Regulation

Figure 4. Dropout Voltage

4.8

4.85

4.9

4.95

5

5.05

5.1

-40

-25

0

25

50

75

100

125

Vin=10V

Io=40mA

Vin=25V

Io=100mA

Ou
tp
ut
Vo
lta
ge
[-
V]

T

A

, Ambient Temperature [

o

C]

Outp

ut Volta

ge[-

V

]

0

0.5

1

1.5

2

2.5

3

3.5

4

4.5

5

-40

-25

0

25

50

75

100

125

Q

u

ie

s

c

ent Cur

rent [m

A

]

DV

l

[V

]

T

A

, Ambient Temperature [

o

C]

-0.1

-0.05

0

0.05

0.1

0.15

0.2

0.25

0.3

0.35

0.4

0.45

0.5

0.55

0.6

-40

-25

0

25

50

75

100

125

Sh
ort
Cir
cui
t
Cu
rre
nt
[A]

T

A

, Ambient Temperature [

o

C]

Sho

rt Circui

Curre

nt[A]

-5

-3

-1

1

3

5

7

9

11

13

15

-40

-25

0

25

50

75

100

125

Io=0.75A

Io=1.5A

Lo
ad
Re
gul
ati
on
[m
V]

T

A

, Ambient Temperature [

o

C]

Load

 Regu

la

tion[

mV]

0

0.5

1

1.5

2

2.5

3

3.5

4

-40

-25

0

25

50

75

100

125

Io=1A

Dr

op

out V

o

lt

age

 [V

]

T

A

, Ambient Temperature [

o

C]

background image

LM79XX

12

Typical Applications

Figure 6. Negative Fixed output regulator 

Figure 7. Split power supply (  ± 12V/1A)

Notes:
(1) To specify an output voltage, substitute voltage value for "XX "
(2) Required for stability. For value given, capacitor must be solid tantalum. If aluminium electronics are used, at least ten times

value shown should be selected. C

I

 is required if regulator is located an appreciable distance from power supply filter.

(3) To improve transient response. If large capacitors are used, a high current diode from input to output (1N400l or similar)

should be introduced to protect the device from momentary input short circuit.

2.2

μF

2

- V

I

- V

O

 

KA79XX 

1

3

+

+ 1μF

C

I

C

O

Input

Output

LM79XX

1N4001

2.2

μF

2

- 15V

-12V

 

KA7912 

1

3

+

+

1

μF

0.33

μF

+

 

KA7812 

+ 15V

+12V

+

1

μF

1

2

3

1N4001

GND

*

*

MC7812

LM7912

Co

Co

C1

C1

background image

LM79XX

13

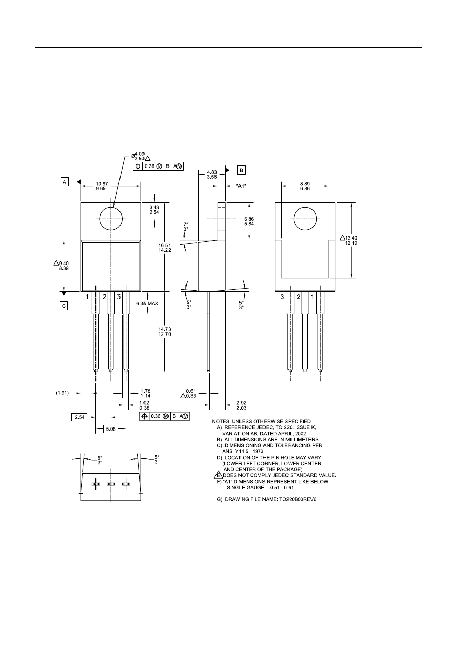
Mechanical Dimensions

Package

Dimensions in millimeters

TO-220 [ SINGLE GAUGE ]

background image

LM79XX

14

Ordering Information

Product Number

Output Voltage Tolerance

Package

Operating Temperature

LM7905CT

±4%

TO-220

(Single Gauge)

0 ~ +125

°C

LM7906CT

LM7908CT

LM7909CT

LM7910CT

LM7912CT

LM7915CT

LM7918CT

LM7924CT

background image

LM79XX

9/7/11 0.0m 001

Stock#DS400021

© 2011 Fairchild Semiconductor Corporation

LIFE SUPPORT POLICY 
FAIRCHILD’S PRODUCTS ARE NOT AUTHORIZED FOR USE AS CRITICAL COMPONENTS IN LIFE SUPPORT DEVICES 
OR SYSTEMS WITHOUT THE EXPRESS WRITTEN APPROVAL OF THE PRESIDENT OF FAIRCHILD SEMICONDUCTOR 
CORPORATION.  As used herein:

1. Life support devices or systems are devices or systems 

which, (a) are intended for surgical implant into the body, 
or (b) support or sustain life, and (c) whose failure to 
perform when properly used in accordance with 
instructions for use provided in the labeling, can be 
reasonably expected to result in a significant injury of the 
user.

2. A critical component in any component of a life support 

device or system whose failure to perform can be 
reasonably expected to cause the failure of the life support 
device or system, or to affect its safety or effectiveness.

www.fairchildsemi.com

DISCLAIMER 
FAIRCHILD SEMICONDUCTOR RESERVES THE RIGHT TO MAKE CHANGES WITHOUT FURTHER NOTICE TO ANY 
PRODUCTS HEREIN TO IMPROVE RELIABILITY, FUNCTION OR DESIGN. FAIRCHILD DOES NOT ASSUME ANY 
LIABILITY ARISING OUT OF THE APPLICATION OR USE OF ANY PRODUCT OR CIRCUIT DESCRIBED HEREIN; NEITHER 
DOES IT CONVEY ANY LICENSE UNDER ITS PATENT RIGHTS, NOR THE RIGHTS OF OTHERS.


powered by phppowered by MySQLPOWERED BY APACHEPOWERED BY CentOS© 2004 - 2025Información Legalpoliticas de cookiesipv6 ready