©2011 Fairchild Semiconductor Corporation
www.fairchildsemi.com
Rev. 1.0.3
Features
• Output Current in Excess of 1A • Output Voltages of -5, -6, -8 , -9, -10, -12, -15, -18 and -
24V
• Internal Thermal Overload Protection • Short Circuit Protection • Output Transistor Safe Operating Area Compensation
Description
The LM79XX series of three terminal negative regulators are available in TO-220 package and with several fixed output voltages, making them useful in a wide range of applications. Each type employs internal current limiting, thermal shut down and safe operating area protection, making it essentially indestructible.
TO-220 (Single Gauge)
1. GND 2. Input 3. Output
1
Vin
Internal Block Digram
VOLTAGE
REFERENCE
+
-
PROTECTION
CIRCUITRY
R1
R2
Rsc
GND
I1
I2
Out
In
Q1
Q2
Output
Input
LM79XX
3-Terminal 1A Negative Voltage Regulator
LM79XX
2
Absolute Maximum Ratings
Note: 1. Thermal resistance test board
Size: 76.2mm * 114.3mm * 1.6mm(1S0P) JEDEC standard: JESD51-3, JESD51-7
2. Assume no ambient airflow
Electrical Characteristics (LM7905)
(V
I
= -10V, I
O
= 500mA, 0
°C ≤T
J
≤ +125 °C, C
I
=2.2
μF, C
O
=1
μF, unless otherwise specified.)
Note 3. Load and line regulation are specified at constant junction temperature. Changes in V
O
due to heating effects must be taken
into account separately. Pulse testing with low duty is used.
Parameter
Symbol
Value
Unit
Input Voltage
V
I
-35
V
Thermal Resistance Junction-Case (Note1)
R
ΘJC
5
°C/W
Thermal Resistance Junction-Air (Note1, 2)
R
ΘJA
65
Operating Temperature Range
T
OPR
0 ~ +125
°C
Storage Temperature Range
T
STG
-65 ~ +150
°C
Parameter
Symbol
Conditions
Min.
Typ.
Max.
Unit
Output Voltage
V
O
T
J
= +25
°C
-4.8
-5.0
-5.2
V
I
O
= 5mA to 1A, P
O
≤
15W
V
I
= -7V to -20V
-4.75
-5.0
-5.25
Line Regulation (Note3)
ΔV
O
T
J
= +25
°C
V
I
= -7V to -25V
-
35
100
mV
V
I
= -8V to -12V
-
8
50
Load Regulation (Note3)
ΔV
O
T
J
= +25
°C
I
O
= 5mA to 1.5A
-
10
100
mV
T
J
=+25
°C
I
O
= 250mA to 750mA
-
3
50
Quiescent Current
I
Q
T
J
=+25
°C
-
3
6
mA
Quiescent Current Change
ΔI
Q
I
O
= 5mA to 1A
-
0.05
0.5
mA
V
I
= -8V to -25V
-
0.1
0.8
Temperature Coefficient of V
D
ΔVo/ΔT
I
O
= 5mA
-
- 0.4
-
mV/
°C
Output Noise Voltage
V
N
f = 10Hz to 100kHz T
A
=+25
°C
-
40
-
μV
Ripple Rejection
RR
f = 120Hz
ΔV
I
= 10V
54
60
-
dB
Dropout Voltage
V
D
T
J
= +25
°C
I
O
= 1A
-
2
-
V
Short Circuit Current
I
SC
T
J
=+25
°C, V
I
= -35V
-
300
-
mA
Peak Current
I
PK
T
J
=+25
°C
-
2.2
-
A
LM79XX
3
Electrical Characteristics (LM7906)
(Continued)
(V
I
= -11V, I
O
= 500mA, 0
°C ≤T
J
≤ +125 °C, C
I
=2.2
μF, C
O
=1
μF, unless otherwise specified.)
Note 1. Load and line regulation are specified at constant junction temperature. Changes in V
O
due to heating effects must be taken
into account separately. Pulse testing with low duty is used.
Parameter
Symbol
Conditions
Min.
Typ.
Max.
Unit
Output Voltage
V
O
T
J
= +25
°C
-5.75
-6
-6.25
V
I
O
= 5mA to 1A, P
O
≤ 15W
V
I
= -9V to -21V
-5.7
-6
-6.3
Line Regulation (Note1)
ΔV
O
T
J
= +25
°C
V
I
= -8V to -25V
-
10
120
mV
V
I
= -9V to -13V
-
5
60
Load Regulation (Note1)
ΔV
O
T
J
= +25
°C
I
O
= 5mA to 1.5A
-
10
120
mV
T
J
=+25
°C
I
O
= 250mA to 750mA
-
3
60
Quiescent Current
I
Q
T
J
=+25
°C
-
3
6
mA
Quiescent Current Change
ΔI
Q
I
O
= 5mA to 1A
-
0.05
0.5
mA
V
I
= -8V to -25V
-
0.1
1.3
Temperature Coefficient of V
D
ΔVo/ΔT
I
O
= 5mA
-
-0.5
-
mV/
°C
Output Noise Voltage
V
N
f = 10Hz to 100kHz T
A
=+25
°C
-
130
-
μV
Ripple Rejection
RR
f = 120Hz
ΔV
I
= 10V
54
60
-
dB
Dropout Voltage
V
D
T
J
= +25
°C
I
O
= 1A
-
2
-
V
Short Circuit Current
I
SC
T
J
= +25
°C, V
I
= -35V
-
300
-
mA
Peak Current
I
PK
T
J
= +25
°C
-
2.2
-
A
LM79XX
4
Electrical Characteristics (LM7908)
(Continued)
(V
I
= -14V, I
O
= 500mA, 0
°C ≤T
J
≤ +125 °C, C
I
=2.2
μF, C
O
=1
μF, unless otherwise specified.)
Note 1. Load and line regulation are specified at constant junction temperature. Changes in V
O
due to heating effects must be taken
into account separately. Pulse testing with low duty is used.
Parameter
Symbol
Conditions
Min.
Typ.
Max.
Unit
Output Voltage
V
O
T
J
= +25
°C
-7.7
-8
-8.3
V
I
O
= 5mA to 1A, P
O
≤ 15W
V
I
= -10V to -23V
-7.6
-8
-8.4
Line Regulation (Note1)
ΔV
O
T
J
= +25
°C
V
I
= -10.5V to -25V
-
10
160
mV
V
I
= -11V to -17V
-
5
80
Load Regulation (Note1)
ΔV
O
T
J
= +25
°C
I
O
= 5mA to 1.5A
-
12
160
mV
T
J
=+25
°C
I
O
= 250mA to 750mA
-
4
80
Quiescent Current
I
Q
T
J
=+25
°C
-
3
6
mA
Quiescent Current Change
ΔI
Q
I
O
= 5mA to 1A
-
0.05
0.5
mA
V
I
= -10.5V to -25V
-
0.1
1
Temperature Coefficient of V
D
ΔVo/ΔT
I
O
= 5mA
-
-0.6
-
mV/
°C
Output Noise Voltage
V
N
f = 10Hz to 100kHz T
A
=+25
°C
-
175
-
μV
Ripple Rejection
RR
f = 120Hz
ΔV
I
= 10V
54
60
-
dB
Dropout Voltage
V
D
T
J
= +25
°C
I
O
= 1A
-
2
-
V
Short Circuit Current
I
SC
T
J
= +25
°C, V
I
= -35V
-
300
-
mA
Peak Current
I
PK
T
J
= +25
°C
-
2.2
-
A
LM79XX
5
Electrical Characteristics (LM7909)
(Continued)
(V
I
= -15V, I
O
= 500mA, 0
°C ≤T
J
≤ +125 °C, C
I
=2.2
μF, C
O
=1
μF, unless otherwise specified.)
Note: 1. Load and line regulation are specified at constant junction temperature. Changes in V
O
due to heating effects must be taken
into account separately. Pulse testing with low duty is used.
Parameter
Symbol
Conditions
Min.
Typ.
Max.
Unit
Output Voltage
V
O
T
J
= +25
°C
-8.7
-9.0
-9.3
V
I
O
= 5mA to 1A, P
O
≤ 15W
V
I
= -1.5V to -23V
-8.6
-9.0
-9.4
Line Regulation (Note1)
ΔV
O
T
J
= +25
°C
V
I
= -11.5V to -26V
-
10
180
mV
V
I
= -12V to -18V
-
5
90
Load Regulation (Note1)
ΔV
O
T
J
= +25
°C
I
O
= 5mA to 1.5A
-
12
180
mV
T
J
= +25
°C
I
O
= 250mA to 750mA
-
4
90
Quiescent Current
I
Q
T
J
= +25
°C
-
3
6
mA
Quiescent Current Change
ΔI
Q
I
O
= 5mA to 1A
-
0.05
0.5
mA
V
I
= -11.5V to -26V
-
0.1
1
Temperature Coefficient of V
D
ΔVo/ΔT
I
O
= 5mA
-
-0.6
-
mV/
°C
Output Noise Voltage
V
N
f = 10Hz to 100kHz T
A
= +25
°C
-
175
-
μV
Ripple Rejection
RR
f = 120Hz
ΔV
I
= 10V
54
60
-
dB
Dropout Voltage
V
D
T
J
= +25
°C
I
O
= 1A
-
2
-
V
Short Circuit Current
I
SC
T
J
= +25
°C, V
I
= -35V
-
300
-
mA
Peak Current
I
PK
T
J
= +25
°C
-
2.2
-
A
LM79XX
6
Electrical Characteristics (LM7910)
(Continued)
(V
I
= -17V, I
O
= 500mA, 0
°C ≤T
J
≤ +125 °C, C
I
=2.2
μF, C
O
=1
μF, unless otherwise specified.)
Note: 1. Load and line regulation are specified at constant junction temperature. Changes in V
O
due to heating effects must be taken
into account separately. Pulse testing with low duty is used.
Parameter
Symbol
Conditions
Min.
Typ.
Max.
Unit
Output Voltage
V
O
T
J
= +25
°C
-9.6
-10
-10.4
V
I
O
= 5mA to 1A, P
d
≤ 15W
V
I
= -12V to -28
-9.5
-10
-10.5
Line Regulation (Note1)
ΔV
O
T
J
= +25
°C
V
I
= -12.5V to -28V
-
12
200
mV
V
I
= -14V to -20V
-
6
100
Load Regulation (Note1)
ΔV
O
T
J
= +25
°C
I
O
= 5mA to 1.5A
-
12
200
mV
T
J
= +25
°C
I
O
= 250mA to 750mA
-
4
100
Quiescent Current
I
Q
T
J
= +25
°C
-
3
6
mA
Quiescent Current Change
ΔI
Q
I
O
= 5mA to 1A
-
0.05
0.5
mA
V
I
= -12.5V to -28V
-
0.1
1
Temperature Coefficient of V
O
ΔVo/ΔT
I
O
= 5mA
-
-1
-
mV/
°C
Output Noise Voltage
V
N
10Hz
≤ f ≤ 100kHz
T
A
=+25
°C
-
280
-
μV
Ripple Rejection
RR
f = 120Hz
ΔV
I
= 10V
54
60
-
dB
Dropout Voltage
V
D
T
J
= +25
°C
I
O
= 1A
-
2
-
V
Short Circuit Current
I
SC
T
J
= +25
°C, V
I
= -35V
-
300
-
mA
Peak Current
I
PK
T
J
= +25
°C
-
2.2
-
A
LM79XX
7
Electrical Characteristics (LM7912)
(Continued)
(V
I
= -19V, I
O
= 500mA, 0
°C ≤T
J
≤ +125 °C, C
I
=2.2
μF, C
O
=1
μF, unless otherwise specified.)
Note: 1. Load and line regulation are specified at constant junction temperature. Changes in V
O
due to heating effects must be taken
into account separately. Pulse testing with low duty is used.
Parameter
Symbol
Conditions
Min.
Typ.
Max.
Unit
Output Voltage
V
O
T
J
= +25
°C
-11.5
-12
-12.5
V
I
O
= 5mA to 1A, P
O
≤ 15W
V
I
= -15.5V to -27V
-11.4
-12
-12.6
Line Regulation (Note1)
ΔV
O
T
J
= +25
°C
V
I
= -14.5V to -30V
-
12
240
mV
V
I
= -16V to -22V
-
6
120
Load Regulation (Note1)
ΔV
O
T
J
= +25
°C
I
O
= 5mA to 1.5A
-
12
240
mV
T
J
= +25
°C
I
O
= 250mA to 750mA
-
4
120
Quiescent Current
I
Q
T
J
= +25
°C
-
3
6
mA
Quiescent Current Change
ΔI
Q
I
O
= 5mA to 1A
-
0.05
0.5
mA
V
I
= -14.5V to -30V
-
0.1
1
Temperature Coefficient of V
D
ΔVo/ΔT
I
O
= 5mA
-
-0.8
-
mV/
°C
Output Noise Voltage
V
N
f = 10Hz to 100kHz T
A
= +25
°C
-
200
-
μV
Ripple Rejection
RR
f = 120Hz
ΔV
I
= 10V
54
60
-
dB
Dropout Voltage
V
D
T
J
= +25
°C
I
O
= 1A
-
2
-
V
Short Circuit Current
I
SC
T
J
= +25
°C, V
I
= -35V
-
300
-
mA
Peak Current
I
PK
T
J
= +25
°C
-
2.2
-
A
LM79XX
8
Electrical Characteristics (LM7915)
(Continued)
(V
I
= -23V, I
O
= 500mA, 0
°C ≤T
J
≤ +125 °C, C
I
=2.2
μF, C
O
=1
μF, unless otherwise specified.)
Note: 1. Load and line regulation are specified at constant junction temperature. Changes in V
O
due to heating effects must be taken
into account separately. Pulse testing with low duty is used.
Parameter
Symbol
Conditions
Min.
Typ.
Max.
Unit
Output Voltage
V
O
T
J
= +25
°C
-14.4
-15
-15.6
V
I
O
= 5mA to 1A, P
O
≤ 15W
V
I
= -18V to -30V
-14.25
-15
-15.75
Line Regulation (Note1)
ΔV
O
T
J
= +25
°C
V
I
= -17.5V to -30V
-
12
300
mV
V
I
= -20V to -26V
-
6
150
Load Regulation (Note1)
ΔV
O
T
J
= +25
°C
I
O
= 5mA to 1.5A
-
12
300
mV
T
J
= +25
°C
I
O
= 250mA to 750mA
-
4
150
Quiescent Current
I
Q
T
J
= +25
°C
-
3
6
mA
Quiescent Current Change
ΔI
Q
I
O
= 5mA to 1A
-
0.05
0.5
mA
V
I
= -17.5V to -30V
-
0.1
1
Temperature Coefficient of V
D
ΔVo/ΔT
I
O
= 5mA
-
-0.9
-
mV/
°C
Output Noise Voltage
V
N
f = 10Hz to 100kHz T
A
=+25
°C
-
250
-
μV
Ripple Rejection
RR
f = 120Hz
ΔV
I
= 10V
54
60
-
dB
Dropout Voltage
V
D
T
J
= +25
°C
I
O
= 1A
-
2
-
V
Short Circuit Current
I
SC
T
J
= +25
°C, V
I
= -35V
-
300
-
mA
Peak Current
I
PK
T
J
= +25
°C
-
2.2
-
A
LM79XX
9
Electrical Characteristics (LM7918)
(Continued)
(V
I
= -27V, I
O
= 500mA, 0
°C ≤T
J
≤ +125 °C, C
I
=2.2
μF, C
O
=1
μF, unless otherwise specified.)
Note: 1. Load and line regulation are specified at constant junction temperature. Changes in V
O
due to heating effects must be taken
into account separately. Pulse testing with low duty is used.
Parameter
Symbol
Conditions
Min.
Typ.
Max.
Unit
Output Voltage
V
O
T
J
= +25
°C
-17.3
-18
-18.7
V
I
O
= 5mA to 1A, P
O
≤ 15W
V
I
= -22.5V to -33V
-17.1
-18
-18.9
Line Regulation (Note1)
ΔV
O
T
J
= +25
°C
V
I
= -21V to -33V
-
15
360
mV
V
I
= -24V to -30V
-
8
180
Load Regulation (Note1)
ΔV
O
T
J
= +25
°C
I
O
= 5mA to 1.5A
-
15
360
mV
T
J
= +25
°C
I
O
= 250mA to 750mA
-
5
180
Quiescent Current
I
Q
T
J
= +25
°C
-
3
6
mA
Quiescent Current Change
ΔI
Q
I
O
= 5mA to 1A
-
0.05
0.5
mA
V
I
= -21V to -33V
-
0.1
1
Temperature Coefficient of V
D
ΔVo/ΔT
I
O
= 5mA
-
-1
-
mV/
°C
Output Noise Voltage
V
N
f = 10Hz to 100kHz T
A
= +25
°C
-
300
-
μV
Ripple Rejection
RR
f = 120Hz
ΔV
I
= 10V
54
60
-
dB
Dropout Voltage
V
D
T
J
= +25
°C
I
O
= 1A
-
2
-
V
Short Circuit Current
I
SC
T
J
= +25
°C, V
I
= -35V
-
300
-
mA
Peak Current
I
PK
T
J
= +25
°C
-
2.2
-
A
LM79XX
10
Electrical Characteristics (LM7924)
(Continued)
(V
I
= -33V, I
O
= 500mA, 0
°C ≤T
J
≤ +125 °C, C
I
=2.2
μF, C
O
=1
μF, unless otherwise specified.)
Note: 1. Load and line regulation are specified at constant junction temperature. Changes in V
O
due to heating effects must be taken
into account separately. Pulse testing with low duty is used.
Parameter
Symbol
Conditions
Min.
Typ.
Max.
Unit
Output Voltage
V
O
T
J
= +25
°C
-23
-24
-25
V
I
O
= 5mA to 1A, P
O
≤ 15W
V
I
= -27V to -38V
-22.8
-24
-25.2
Line Regulation (Note1)
ΔV
O
T
J
= +25
°C
V
I
= -27V to -38V
-
15
480
mV
V
I
= -30V to -36V
-
8
180
Load Regulation (Note1)
ΔV
O
T
J
= +25
°C
I
O
= 5mA to 1.5A
-
15
480
mV
T
J
= +25
°C
I
O
= 250mA to 750mA
-
5
240
Quiescent Current
I
Q
T
J
= +25
°C
-
3
6
mA
Quiescent Current Change
ΔI
Q
I
O
= 5mA to 1A
-
0.05
0.5
mA
V
I
= -27V to -38V
-
0.1
1
Temperature Coefficient of V
D
ΔVo/ΔT
I
O
= 5mA
-
-1
-
mV/
°C
Output Noise Voltage
V
N
f = 10Hz to 100kHz T
A
= +25
°C
-
400
-
μV
Ripple Rejection
RR
f = 120Hz
ΔV
I
= 10V
54
60
-
dB
Dropout Voltage
V
D
T
J
= +25
°C
I
O
= 1A
-
2
-
V
Short Circuit Current
I
SC
T
J
= +25
°C, V
I
= -35V
-
300
-
mA
Peak Current
I
PK
T
J
= +25
°C
-
2.2
-
A
LM79XX
11
Typical Performance Characteristics
Figure 1. Output Voltage
Figure 3. Quiescent Current
Figure 5. Short Circuit Current
Figure 2. Load Regulation
Figure 4. Dropout Voltage
4.8
4.85
4.9
4.95
5
5.05
5.1
-40
-25
0
25
50
75
100
125
Vin=10V
Io=40mA
Vin=25V
Io=100mA
Ou tp ut Vo lta ge [- V]
T
A
, Ambient Temperature [
o
C]
Outp
ut Volta
ge[-
V
]
0
0.5
1
1.5
2
2.5
3
3.5
4
4.5
5
-40
-25
0
25
50
75
100
125
Q
u
ie
s
c
ent Cur
rent [m
A
]
DV
l
[V
]
T
A
, Ambient Temperature [
o
C]
-0.1
-0.05
0
0.05
0.1
0.15
0.2
0.25
0.3
0.35
0.4
0.45
0.5
0.55
0.6
-40
-25
0
25
50
75
100
125
Sh ort Cir cui t Cu rre nt [A]
T
A
, Ambient Temperature [
o
C]
Sho
rt Circui
t
Curre
nt[A]
-5
-3
-1
1
3
5
7
9
11
13
15
-40
-25
0
25
50
75
100
125
Io=0.75A
Io=1.5A
Lo ad Re gul ati on [m V]
T
A
, Ambient Temperature [
o
C]
Load
Regu
la
tion[
mV]
0
0.5
1
1.5
2
2.5
3
3.5
4
-40
-25
0
25
50
75
100
125
Io=1A
Dr
op
out V
o
lt
age
[V
]
T
A
, Ambient Temperature [
o
C]
LM79XX
12
Typical Applications
Figure 6. Negative Fixed output regulator
Figure 7. Split power supply ( ± 12V/1A)
Notes: (1) To specify an output voltage, substitute voltage value for "XX " (2) Required for stability. For value given, capacitor must be solid tantalum. If aluminium electronics are used, at least ten times
value shown should be selected. C
I
is required if regulator is located an appreciable distance from power supply filter.
(3) To improve transient response. If large capacitors are used, a high current diode from input to output (1N400l or similar)
should be introduced to protect the device from momentary input short circuit.
2.2
μF
2
- V
I
- V
O
KA79XX
1
3
+
+ 1μF
C
I
C
O
Input
Output
LM79XX
1N4001
2.2
μF
2
- 15V
-12V
KA7912
1
3
+
+
1
μF
0.33
μF
+
KA7812
+ 15V
+12V
+
1
μF
1
2
3
1N4001
GND
*
*
MC7812
LM7912
Co
Co
C1
C1
LM79XX
13
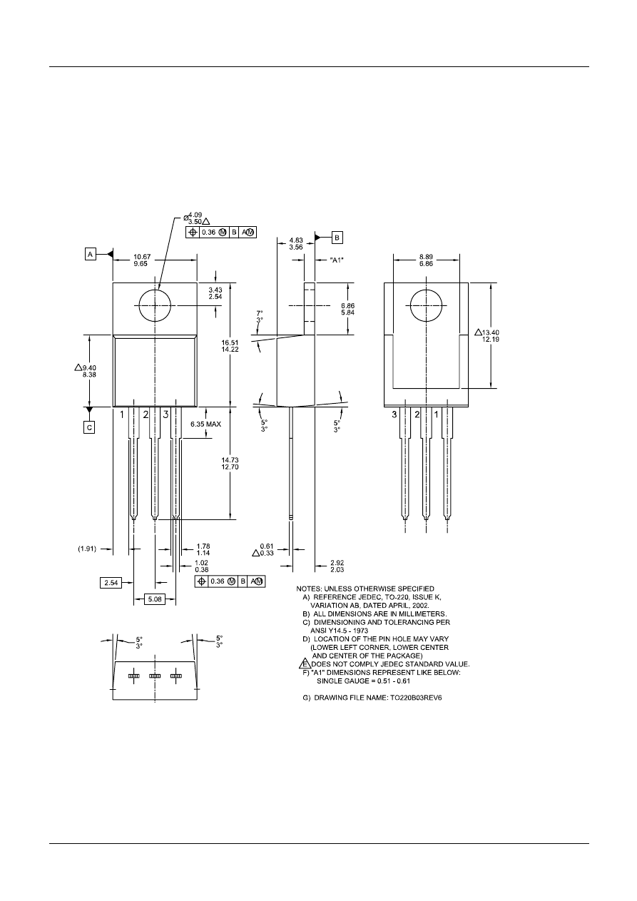
Mechanical Dimensions
Package
Dimensions in millimeters
TO-220 [ SINGLE GAUGE ]
LM79XX
14
Ordering Information
Product Number
Output Voltage Tolerance
Package
Operating Temperature
LM7905CT
±4%
TO-220
(Single Gauge)
0 ~ +125
°C
LM7906CT
LM7908CT
LM7909CT
LM7910CT
LM7912CT
LM7915CT
LM7918CT
LM7924CT
LM79XX
9/7/11 0.0m 001
Stock#DS400021
© 2011 Fairchild Semiconductor Corporation
LIFE SUPPORT POLICY FAIRCHILD’S PRODUCTS ARE NOT AUTHORIZED FOR USE AS CRITICAL COMPONENTS IN LIFE SUPPORT DEVICES OR SYSTEMS WITHOUT THE EXPRESS WRITTEN APPROVAL OF THE PRESIDENT OF FAIRCHILD SEMICONDUCTOR CORPORATION. As used herein:
1. Life support devices or systems are devices or systems
which, (a) are intended for surgical implant into the body, or (b) support or sustain life, and (c) whose failure to perform when properly used in accordance with instructions for use provided in the labeling, can be reasonably expected to result in a significant injury of the user.
2. A critical component in any component of a life support
device or system whose failure to perform can be reasonably expected to cause the failure of the life support device or system, or to affect its safety or effectiveness.
www.fairchildsemi.com
DISCLAIMER FAIRCHILD SEMICONDUCTOR RESERVES THE RIGHT TO MAKE CHANGES WITHOUT FURTHER NOTICE TO ANY PRODUCTS HEREIN TO IMPROVE RELIABILITY, FUNCTION OR DESIGN. FAIRCHILD DOES NOT ASSUME ANY LIABILITY ARISING OUT OF THE APPLICATION OR USE OF ANY PRODUCT OR CIRCUIT DESCRIBED HEREIN; NEITHER DOES IT CONVEY ANY LICENSE UNDER ITS PATENT RIGHTS, NOR THE RIGHTS OF OTHERS.
|