Secciones
Foros Electrónica
Boletines de correo
Boletines
background image

General Description

The MAX77950 is an advanced wireless power receiver 

IC that meets the specification requirements for WPC 

low-power (v1.2) and PMA SR1 (v2.0) communication 

protocols. This device operates using near-field magnetic 

induction when coupled with a WPC or PMA transmitter 

and provides output power up to 12 watts.
The IC has precision output current and voltage-sensing 

scheme over the entire load range. It enables accurate 

received power packets, as defined in the WPC specifications 

for best foreign object detection (FOD). The IC supports 

FSK demodulation to receive PMA advertisement ID as 

well as WPC FSK packets.
The IC features the patent-pending PeerPower

™ function. 

In PeerPower mode, the IC  operates as a transmitter, 

enabling power transfer to another peer device through 

in-band ASK communications.
The MAX77950 communicates with an application pro-

cessor through an I ²C serial interface. The status of power 

transfer and alerts are read through this interface.

Applications

 

•— Smartphones

 

•— Tablets

 

•— Smart Watches

 

•— Headsets

 

•— Wearable Devices

 

•— Battery-Power Banks

 

•— Wi-Fi Hotspots

 

•— Digital Cameras

 

•— Portable Medical Applications

 

•— Portable Media Players

 

•— Point-of-Sale Devices

 

•— Handheld Devices

PeerPower is a trademark of Maxim Integrated Products, Inc.

19-100003; Rev 0; 3/17

Benefits and Features

 

•— WPC/PMA Dual Mode Wireless Power Receiver

 

•— Compliant with WPC Low Power (v1.2) and PMA 

SR1 (v2.0)

 

•— Peer-to-Peer Power Transmission with In-Band ASK 

Communications

 

•— WPC ASK Demodulator/FSK Demodulator

 

•— Output Programmable Range from 3.5V to 12.7V 

with 100mV Step

 

•— Integrated High-Efficiency n-Channel Full-Bridge 

Synchronous Rectifier

 

•— Programmable Foreign Object Detection

 

•— Programmable Dynamic Rectifier-Voltage Scaling

 

•— Overvoltage, Overcurrent, and Overtemperature 

Protection

MAX77950

WPC/PMA Dual Mode Wireless Power Receiver

EVALUATION KIT AVAILABLE

background image

TABLE OF CONTENTS

www.maximintegrated.com

Maxim Integrated •”‚

  2

MAX77950

WPC/PMA Dual Mode Wireless Power Receiver

background image

TABLE OF CONTENTS (CONTINUED)

www.maximintegrated.com

Maxim Integrated •”‚

  3

MAX77950

WPC/PMA Dual Mode Wireless Power Receiver

background image

TABLE OF CONTENTS (CONTINUED)

www.maximintegrated.com

Maxim Integrated •”‚

  4

MAX77950

WPC/PMA Dual Mode Wireless Power Receiver

background image

LIST OF FIGURES

TABLE OF CONTENTS (CONTINUED)

www.maximintegrated.com

Maxim Integrated •”‚

  5

MAX77950

WPC/PMA Dual Mode Wireless Power Receiver

background image

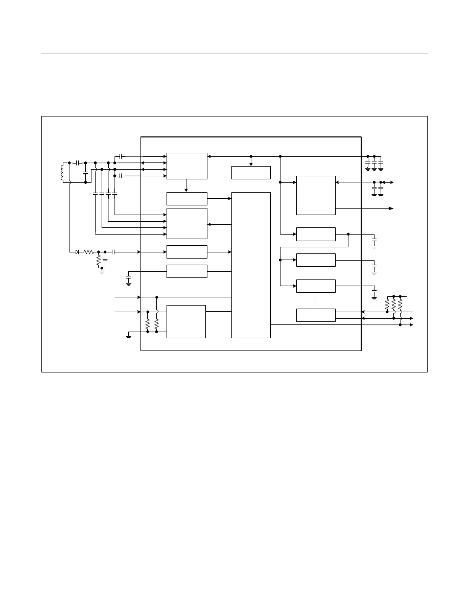
Simplified Block Diagram

LDO/

PeerPower 

SWITCH/

WP DETECTION

V

RECT

FSM

SYNC-

RECTIFIER/

INVERTER

FSK 

DEMODULATION

DMODIN

BPF FILTER/ASK 

DEMODULATOR

12 BIT ADC

ADCREF

1 ΅F

SCL

I

2

C SLAVE

SDA

WP_DET

LDO V

DD

1 ΅F

1 ΅F

LDO V

CC

V

CC

AC2

Ls

AC1

10 ΅F x 3

10 ΅F x 2

PRECLAMP / 

DC LOAD

1 ΅F

V

OUT

V

DD

LDO 1.8V

V1P8

SYS_I/O

BOOT1

BOOT2

COMM1

CLAMP2

CLAMP1

COMM2

47

nF 

ASK 

MODULATOR/

OV CLAMP

Cs

Cd

SBIAS/ REF

DIS

INT

800

k٦

47

nF 

47

nF 

47

nF 

15nF 

15nF 

800

k٦

P2PEN

AGND

MAX77950

www.maximintegrated.com

Maxim Integrated •”‚

  6

MAX77950

WPC/PMA Dual Mode Wireless Power Receiver

background image

AC1, AC2 to PGND ...............................................-0.3V to +20V

V

RECT

, V

OUT

 to PGND .........................................-0.3V to +20V

COMM1, COMM2, CLAMP1, CLAMP2 to PGND .-0.3V to +20V

BST1, BST2 to PGND ...........................................-0.3V to +25V

Differential ABS-MAX: BST1 to AC1, BST2 to AC2  ..........+4.5V

V

CC

 to AGND .......................................................-0.3V to +4.5V

V

DD

 to AGND .....................................................-0.3V to +1.65V

V1P8 to AGND .....................................................-0.3V to +4.5V

SCL, SDA, INT to AGND ......................................-0.3V to +4.5V

DIS to AGND .............................................-0.3V to V1P8 + 0.3V

WP_DET to AGND ....................................-0.3V to V1P8 + 0.3V

P2PEN to AGND .......................................-0.3V to V1P8 + 0.3V

DMODIN to AGND .......................................-0.3V to V

CC

 + 0.3V

ADCREF to AGND ......................................-0.3V to V

DD

 + 0.3V

DNC .............................................................-0.3V to V

CC

 + 0.3V

AGND to PGND ....................................................-0.3V to +0.3V

AC1, AC2 Current.................................................................2.5A

V

OUT

 Current ....................................................... -1.5A to +1.5A

COMM1, COMM2 ....................................................................1A

CLAMP1, CLAMP2 ...............................................................1.5A

Operating Ambient Temperature Range ............. -40 °C to +85 °C

Junction Temperature ....................................... -40 °C to +150 °C

Soldering Temperature (reflow) .......................................+260 °C

Absolute Maximum Ratings

Stresses beyond those listed under †œAbsolute Maximum Ratings† may cause permanent damage to the device. These are stress ratings only, and functional operation of the device at these 

or any other conditions beyond those indicated in the operational sections of the specifications is not implied. Exposure to absolute maximum rating conditions for extended periods may affect 

device reliability.

Package Code

W546A9+1 (6x9, 0.4mm pitch)

Outline Number

Land Pattern Number

THERMAL RESISTANCE, FOUR-LAYER BOARD:
Junction to Ambient (Θ

JA

)

40 °C/W

Junction to Case (Θ

JC

)

N/A

Package thermal resistances were obtained using the method described in JEDEC specification JESD51-7, using a four-layer board. 

For detailed information on package thermal considerations, 

.

For the latest package outline information and land patterns (footprints), go to 

. Note that a †œ+†, 

†œ#†, or †œ-† in the package code indicates RoHS status only. Package drawings may show a different suffix character, but the drawing 

pertains to the package regardless of RoHS status.

Package Information

www.maximintegrated.com

Maxim Integrated •”‚

  7

MAX77950

WPC/PMA Dual Mode Wireless Power Receiver

background image

(V

RECT

 = 3V to 20V, T

A

 = -40 °C to +85 °C, unless otherwise noted, limits are 100% tested at T

A

 = +25 °C; limits over the operating 

temperature range and relevant supply voltage range are guaranteed by design and characterization, unless otherwise noted.)

PARAMETER

SYMBOL

CONDITIONS

MIN

TYP

MAX

UNITS

Input Supply Current

I

VRECT

No load

5

mA

Disable Supply Current

I

VRECT_SHDN

DIS = 1, V

RECT

 = 5V

2.1

mA

Disable supply Current

I

VRECT_SHDN

DIS = 1, V

RECT

 = 20V

2.2

mA

Undervoltage Lockout 

Threshold

V

UVLO

V

RECT

 rising

2.4

2.9

V

Undervoltage Lockout 

Hysteresis

V

UVLO_HYS

400

mV

Internal Pulldown Resistance 

for DIS and P2PEN

R

PD

Pulldown resistance to AGND

400

800

1600

kΩ

VOLTAGE REGULATORS
Voltage Regulator for 

Internal Blocks

V

CC

4.06

4.275

4.49

V

V

DD

1.496

1.575

1.65

V1P8 Voltage Regulator

V1P8

I

V1P8

 = 20mA

1.71

1.8

1.89

V

LDO
HV LDO Input Voltage 

Range

V

RECT

3

20

V

V

OUT

 Programmable 

Range Through I

2

C

V

OUTPRG

100mV step

3.5

12.7

V

HV LDO Startup Rate

t

LDOSTUP

I

OUT

 = 0mA

0.5

V/ms

HV LDO Line Regulation

∆V

OUT

/∆V

IN

LDO_VOUTSET[6:0] = 0x32, I

OUT

 = 1mA; 

V

RECT

 = 6V to 12V

0.1

%

HV LDO Load Regulation

∆V

OUT

/∆I

OUT

LDO_VOUTSET[6:0] = 0x32, I

OUT

 = 1mA to 

1A,  V

RECT

 = 5.2V

0.5

%

HV LDO Load Transient

I

OUT

 = 1mA to 1A and 1A to 1mA within 20 ΅s

±8

%

HV LDO Dropout Voltage

V

DO

LDO_VOUTSET[6:0] = 0x32, I

OUT 

= 1A, 

V

DO 

= V

RECT

-V

OUT

100

mV

HV LDO Current Limit

I

LIM

LDO_ILIMSET[4:0] = 0x1A, LDO_VOUT-

SET[6:0] = 0x32, V

RECT

 = +5.1V, V

OUT

 = 

+4.8V

1.1

1.5

A

Output Voltage Initial 

Accuracy

V

OUT_ACC

LDO_VOUTSET[6:0] = 0x32, I

OUT

 = 1mA, 

T

A

 = +25 °C

-2

+2

%

COMM PINS
COMMn On-Resistance

R

COMM

1

COMMn Leakage Current

I

COMM

V

COMM1 

= V

COMM2 

= 20V, T

A

 = +25 °C

1

μA

CLAMP PINS
CLAMPn On-Resistance

R

CLAMP

0.5

CLAMPn Leakage Current

I

CLAMP

V

CLAMP1 

= V

CLAMP2 

= 20V, T

= +25 °C

1

μA

OVP Preclamp Threshold

OVLO

PRECLAMP

V

RECT

 rising

16

V

Electrical Characteristics

www.maximintegrated.com

Maxim Integrated •”‚

  8

MAX77950

WPC/PMA Dual Mode Wireless Power Receiver

background image

(V

RECT

 = 3V to 20V, T

A

 = -40 °C to +85 °C, unless otherwise noted, limits are 100% tested at T

A

 = +25 °C; limits over the operating 

temperature range and relevant supply voltage range are guaranteed by design and characterization, unless otherwise noted.)

PARAMETER

SYMBOL

CONDITIONS

MIN

TYP

MAX

UNITS

SYNCHRONOUS RECTIFIER
High-Side Switch 

On-Resistance

R

ON_HS

50

mΩ

Low-Side Switch 

On-Resistance

R

ON_LS

50

mΩ

ADC
ADC Reference Voltage

V

ADC_REF

No load

1.237

1.25

1.262

V

Initial ADC Accumulated 

Error for V

RECT

ADC_ERR_VRECT V

RECT

 = 3V to 15V, production tested at 

3.5V, 7.5V, and 14.5V

-1

+1

%

Initial ADC Accumulated 

Error for V

OUT

ADC_ERR_VOUT V

OUT

 = 3.6V to 10V, production tested at 

3.5V, 6.5V, and 9.5V

-1

+1

%

Initial ADC Accumulated 

Error for ISNS

ADC_ERR_ISNS Current range 0 to 1A, T

A

 = +25 °C

-10

+10

mA

DEMODULATOR
DMODIN Input Resistance

0.7

mΩ

DMODIN Minimum 

Detectable Input Voltage

200

mV

THERMAL PROTECTION
Thermal Shutdown

T

JOFF

T

J

 rising

165

°C

Thermal-Shutdown 

Hysteresis

T

JOFFHYS

T

J

 falling

10

°C

Temperature-Warning 

Threshold

T

JWARN

120

°C

LOGIC OUTPUT
WP_DET Output High 

Voltage

Source current 5mA

V1P8 - 

0.4

V

WP_DET Output 

Low Voltage

Sink current 5mA

0.4

V

INTB Output Low Voltage

V

OL

Sink current 20mA

0.4

V

LOGIC INPUT
P2PEN Input High Voltage

1.4

V

P2PEN Input Low Voltage

0.4

V

P2PEN Input Leakage 

Current

1

μA

DIS Input High Voltage

1.4

V

DIS Input Low Voltage

0.4

V

DIS Input Leakage Current

1

μA

Electrical Characteristics (continued)

www.maximintegrated.com

Maxim Integrated •”‚

  9

MAX77950

WPC/PMA Dual Mode Wireless Power Receiver

background image

Note 1:  Limits are 100% production tested at T

A

 = +25 °C.  Limits over the operating temperature range and relevant supply voltage 

range are guaranteed by design and characterization.

Note 2:  All voltages are referenced to AGND.

Note 3:  Test is performed on unmounted/unsoldered ports.

Note 4: f

SCL

 must meet the minimum clock low time plus the rise/fall times.

Note 5:  The maximum t

HD:DAT

 has to be met only if the device does not stretch the low period (t

LOW

) of the SCL signal.

(V

RECT

 = 3V to 20V, T

A

 = -40 °C to +85 °C, unless otherwise noted, limits are 100% tested at T

A

 = +25 °C; limits over the operating 

temperature range and relevant supply voltage range are guaranteed by design and characterization, unless otherwise noted.)

PARAMETER

SYMBOL

CONDITIONS

MIN

TYP

MAX

UNITS

I

2

C INTERFACE

SCL, SDA Input 

High Voltage

V

IH

1.4

V

SCL, SDA Input  

Low Voltage

V

IL

0.4

V

SCL, SDA Input Hysteresis

V

HYS

0.2

V

SCL, SDA Input Leakage 

Current

I

I

0.1 x V

DD

 < SCL/SDA < 0.9 x V

DD

-1

+1

μA

SDA Output Low Voltage

V

OL

Sinking 10mA

0.4

V

SCL, SDA Pin Capacitance

C

I

10

pF

Output Fall Time from 

V

IH

 to V

IL

t

OF

300

ns

Clock Frequency

f

SCL

0

400

kHz

Hold Time Repeated 

Start Condition

t

HD;STA

Note 4

0.6

μs

SCL Low Period

t

LOW

1.3

μs

SCL High Period

t

HIGH

0.6

μs

Setup Time Repeated 

Start Condition

t

SU_STA

0.6

μs

Data Hold Time

t

HD_DAT

Note 5

0

0.9

μs

Data Setup Time

t

SU_DAT

100

ns

Setup Time for STOP 

Condition

t

SU_STO

0.6

μs

Bus Free Time Between 

STOP and START Condition

t

BUF

1.3

μs

Data Valid Time

t

VD:DAT

0.9

μs

Data Valid Acknowledge 

Time

t

VD:ACK

0.9

μs

Bus Capacitance

C

B

550

pF

Pulse Width of Suppressed 

Spikes

t

SP

Maximum pulse width of spikes that must be 

suppressed by the input filter

50

ns

Electrical Characteristics (continued)

www.maximintegrated.com

Maxim Integrated •”‚

  10

MAX77950

WPC/PMA Dual Mode Wireless Power Receiver

background image

(Using WPC A11 and PMA 7 transmitters at T

A

 = +25 °C, unless otherwise noted.)

Typical Operating Characteristics

2V/div

toc01

200ms/div

V

OUT

V

RECT

AC1

WPC MODE NO LOAD START-UP

2V/div

2V/div

2V/div

toc01

200ms/div

V

OUT

V

RECT

AC1

2V/div

2V/div

0

10

20

30

40

50

60

70

80

90

0

200

400

600

800

1000

EF

FI

CI

EN

CY

 (%

)

LOAD CURRENT  (mA)

PMA MODE DC-DC EFFICIENCY

toc04

0

10

20

30

40

50

60

70

80

90

0

200

400

600

800

1000

EF

FI

CI

EN

CY

 (%

)

LOAD CURRENT  (mA)

PeerPower MODE DC-DC EFFICIENCY

toc07

COIL PART NUMBER

Tx: SUNLORD SWA30N30H20C01B

Rx: SUNLORD SWA30R30H08C01B 

2V/div

toc02

200ms/div

V

OUT

V

RECT

AC1

PMA MODE NO LOAD START-UP

2V/div

2V/div

3.0

3.5

4.0

4.5

5.0

5.5

6.0

6.5

7.0

7.5

8.0

0

200

400

600

800

1000

V

R

EC

T

(V

)

LOAD CURRENT  (mA)

RECTIFIER VOLTAGE IN WPC MODE

toc05

-400

-350

-300

-250

-200

-150

-100

-50

0

0

200

400

600

800

1000

PP

T-

PP

(m

W

)

LOAD CURRENT  (mA)

Center

Up

Down

Left

Right

WPC FOREIGN OBJECT DETECTION

toc08

0

10

20

30

40

50

60

70

80

90

0

200

400

600

800

1000

EF

FI

CI

EN

CY

 (%

)

LOAD CURRENT  (mA)

WPC MODE DC-DC EFFICIENCY

toc03

3.0

3.5

4.0

4.5

5.0

5.5

6.0

6.5

7.0

7.5

8.0

0

200

400

600

800

1000

V

R

EC

T

(V

)

LOAD CURRENT  (mA)

RECTIFIER VOLTAGE IN PMA MODE

toc06

Maxim Integrated •”‚

  11

www.maximintegrated.com

MAX77950

WPC/PMA Dual Mode Wireless Power Receiver

background image

Bump Configuration

PGND

PGND

PGND

PGND

PGND

PGND

AC1

AC1

DNC

DNC

AC2

AC2

BST1

AC1

DNC

DMODIN

AC2

BST2

V

CC

V

RECT

V

RECT

V

RECT

V

RECT

V1P8

V

RECT

V

RECT

V

RECT

V

RECT

V

OUT

V

OUT

V

OUT

V

OUT

V

OUT

V

OUT

PGND

N.C.

INT

WP_DET

V

DD

PGND

CLAMP1

P2PEN

SDA

AGND

DIS

CLAMP2

COMM1

DNC

SCL

ADCREF

DNC

COMM2

A

B

C

D

E

F

G

H

J

1

2

3

4

5

6

TOP VIEW

(BUMP SIDE DOWN)

( 52-Bump WLP, 0.4mm pitch )

TOP VIEW

(BUMP SIDE DOWN)

www.maximintegrated.com

Maxim Integrated •”‚

  12

MAX77950

WPC/PMA Dual Mode Wireless Power Receiver

background image

PIN

NAME

FUNCTION

TYPE

A1

COMM1

Open-Drain Output. Achieves the AC modulation to communicate with the Tx.

Digital Output

A2, A5, G3, 

H3, H4

DNC

Do Not Connect. Leave open in system.

Analog I/O

A3

SCL

I

2

C Clock Input

Digital Input

A4

ADCREF

ADC Reference Voltage. Bypass to ground with a 1μF ceramic capacitor.

Analog Output

A6

COMM2

Open-Drain Output. Achieves the AC modulation to communicate with the Tx.

Digital Output

B1

CLAMP1

Open-Drain Outputs. Switches to modulate ASK to communicate with Tx. Turns on 

when V

RECT

 overvoltage event occurs.

Digital Output

B2

P2PEN

PeerPower function active-high enable input.

Digital Input

B3

SDA

I

2

C Data Input/Output

Digital I/O

B4

AGND

Analog Reference Ground. "Star-ground" connection to system GND.

Ground

B5

DIS

Disable Pin, Active-High

Digital Input

B6

CLAMP2

Open-Drain Outputs. Switches to modulate ASK to communicate with Tx. Turns on 

when V

RECT

 overvoltage event occurs.

Digital Output

C1, C6, J1- J6

PGND

Power Ground

Ground

C2

N.C.

Not Internally Connected. Can connect to power, ground, or leave open.

No Connect

C3

INT

Open-Drain, Active-Low Interrupt Output

Digital Output

C4

WP_DET

Wireless Power Detected Output. Active-high

Digital Output

C5

V

DD

+1.575V linear regulator low ripple output for internal use. Bypass to ground with a 

1μF ceramic capacitor.

Power Output

D1-D6

V

OUT

Linear Regulator Output. Bypass to ground with two 10μF capacitors.

Power I/O

E1, E2, F2-F5, 

E5, E6

V

RECT

Rectifier's Output. Bypass to ground with three 10μF and one 100nF ceramic 

capacitor.

Power I/O

F1

V

CC

+4.275V linear regulator low ripple output for internal use. Bypass to ground with a 

1μF ceramic capacitor.

Power Output

F6

V1P8

+1.8V linear regulator low ripple output. Bypass to ground with a 1μF ceramic 

capacitor.

Power Output

G1

BST1

Bootstrap pin for rectifier's high side n-channel FET gate driver.

Analog Output

G2, H1, H2

AC1

Rectifier Input. Connect to receiver LC tank.

Power Input

G4

DMODIN

Amplitude Shift Keying Demodulator Input

Analog Input

G5, H5, H6

AC2

Rectifier Input. Connect to receiver LC tank.

Power Input

G6

BST2

Bootstrap pin for rectifier's high side n-channel FET gate driver

Analog Output

Bump Description

www.maximintegrated.com

Maxim Integrated •”‚

  13

MAX77950

WPC/PMA Dual Mode Wireless Power Receiver

background image

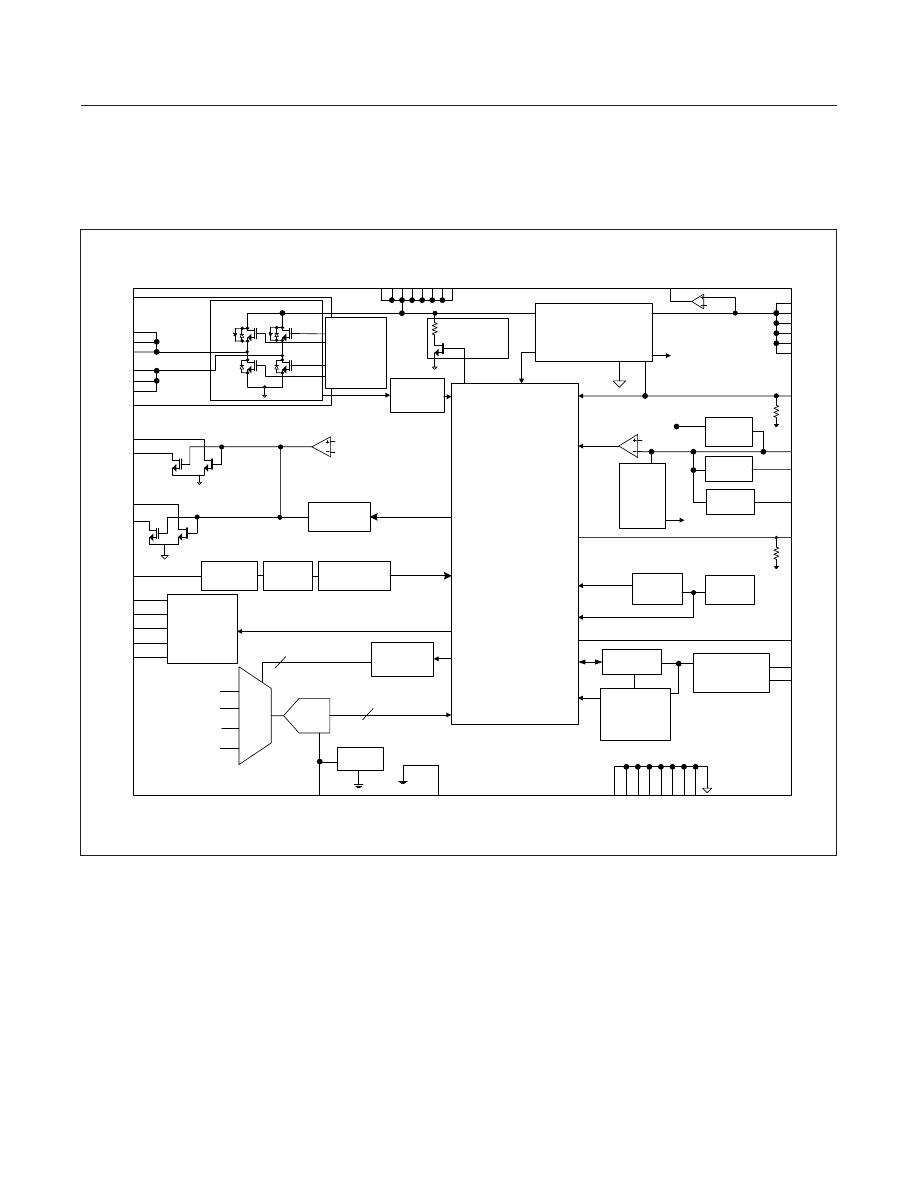
1.25V 

ADC REF

OSC 

(4MHz)

PLL 

(16x)

LDO V

CC 

(4.275V)

LDO V

DD

 

(1.575V)

ASK 

MODULATOR

OVP

V

OUT

ISNS

TDIE

2

AC2

ADCREF

V

CC

V

DD

VCC

UVTH

VOK

PGND

PGND

PGND

PGND

SYNC-RECTIFIER / INVERTER

P2PEN

AC1
AC1

AC2

I

2

C SLAVE

REGISTER 

BANK

SCL

SDA

INT

64MHz

BOOT1

BOOT2

CLAMP1
CLAMP2

COMM

COMM1

COMM2

AGND

RECTIFIER/ 

INVERTER 

CONTROLLER

OTP

Q1

Q2

Q3

Q4

Q5

Q6

Q7

Q8

V

RECT

LOWPASS

FILTER

AFE ASK 

DEMODULATOR

V

RECT

ADC 

MUX

12-BIT

ADC

HIGHPASS

FILTER

FSK 

DEMOD

FSM

12

ADC 

SEQUENCER

DMODIN

PGND

PGND

PGND

PGND

BIAS, BG/  

SBIAS

AC2

AC1

LDO  

(1.8V)

V1P8

4MHz

TEST 

CONTROLLER

DNC

DNC
DNC
DNC

N.C.

MAIN FSM FOR WPC/PMA Rx 

FUNCTIONALITY

TDIE

VREF

WP

_DET

V

RECT

V

RECT

DC-LOAD/ 

PRECLAMP

HV-LDO / 

PeerPower SWITCH

V

RECT

ISNS

ILIM

V

OUT

V

OUT

DNC

DIS

V

RECT

V

RECT

V

RECT

V

RECT

V

RECT

V

RECT

V

RECT

V

OUT

V

OUT

V

OUT

V

OUT

V

OUT

MAX77950

Functional Diagram

www.maximintegrated.com

Maxim Integrated •”‚

  14

MAX77950

WPC/PMA Dual Mode Wireless Power Receiver

background image

Detailed Description

Wireless Power Transfer System Overview

A wireless power system consists of a base station on 

the primary side and a power receiver on the secondary 

side, as shown

. The base station (referred 

to as a power transmitter), comprises a power conver-

sion unit, primary coil, communications demodulator, and 

control unit. The power receiver comprises a secondary 

coil, power pick-up unit, communications modulator, and 

controller.
When the receiver is placed on top of the transmitter’s 

interface surface, the magnetic field that is generated 

by the primary coil induces a voltage on the secondary 

coil when the coils are magnetically coupled together. 

The output voltage of the receiver is regulated, and the 

received power is controlled through the communications 

and control unit in the receiver. The receiver communi-

cates with the transmitter for requesting increased power, 

decreased power, no change in power transfer, or power-

transfer termination. This communication is conducted in-

band between the coils and is digitally overlaid on top of 

the power signal. The impedance on the secondary side 

is modulated as the receiver communicates, which is cap-

tured as load modulation by the primary coil. The trans-

mitter changes frequency, duty cycle, or even voltage 

input of the power inverter to meet the demand of power 

that the receiver requests through the communication.
In WPC mode, the transmitter detects the modulation of 

the current and/or voltage across the primary coil and 

demodulates communication messages known as pack-

ets. A few examples of WPC packets are control error 

packet, received power packet, and end power transfer 

packet. The digital communication scheme, in the WPC 

protocol, utilizes differential bi-phase encoding as ONE 

and ZERO bits are transferred from the secondary to pri-

mary at a rate of 2kbps.
The PMA communication protocol operates continuously 

to transmit symbol messages that are encoded through 

frequency-based modulation. The receiver can send six 

different types of symbols to the transmitter using different 

frequency rates between 250Hz and 8kHz. They include 

decrement (DEC), increment (INC), no change (NoCh), 

end of charge (EOC), MsgBit, and a proprietary symbol 

intended for future use.

Figure 1. Wireless Power Transfer System Diagram

COMMUNICATIONS

AND CONTROL UNIT

BASE STATION

VOLTAGE/

CURRENT 

SENSE

POWER 

INVERTER

POWER RECEIVER

      

POWER PICK-UP UNIT

VOLTAGE/

CURRENT 

SENSE

RECTIFIER

VOLTAGE/

CURRENT 

REGULATOR

COMMUNICATION 

MODULATOR

POWER 

CONTROL 

ALGORITHMS

/ WPC, PMA 

PROTOCOLS

POWER 

CONTROL 

ALGORITHMS 

AND WPC, PMA 

PROTOCOLS

DC OUTPUT

DC INPUT

PRIMARY 

COIL

SECONDARY 
COIL

INTERFACE 

SURFACE

POWER 

TRANSFER

COMMUNICATION

DEMODULATOR

POWER 

CONVERSION

UNIT

www.maximintegrated.com

Maxim Integrated •”‚

  15

MAX77950

WPC/PMA Dual Mode Wireless Power Receiver

background image

Rectified-Voltage Control Loop

The rectified voltage (V

RECT

) is regulated by a closed 

control loop between the wireless power transmitter (base 

station) and the wireless power receiver (mobile device). 

To achieve the best compromise between optimal effi-

ciency and output load transient response, the rectified 

voltage is regulated based on the output current. The 

V

RECT

 profile versus the load can be programmed in the 

following 

The V

RECT

 target voltage is stored in eight 8-bit reg-

isters allocated for WPC mode (VRECT_TARGET_Y0 

to VRECT_TARGET_Y7) and eight 8-bit registers allo-

cated for PMA mode (VRECT_TARGET_PMA_Y0 to 

VRECT_TARGET_PMA_Y7). The output current is divid-

ed into eight thresholds which are stored in the registers 

VRECT_TARGET_X0 to VRECT_TARGET_X7. Different 

V

RECT

 target profiles are used for WPC and PMA due to 

the different power transfer profile characteristics.

The following equation calculates the V

RECT

 target based 

on linear interpolation between the adjacent coefficients:

y = yn-1 +

(

x - xn-1

)(

yn-yn-1

)

xn-xn-1

Where X is the actual output current reading:

VRECT_TARGET_Xn =

Xn

(

A

)

× 255 × 0.73

1.25

VRECT_TARGET_Yn =

Yn

(

V

)

× 255

1.25 × 12

VRECT_TARGET_PMA_Yn =

Yn

(

V

)

× 255

1.25 × 12

PeerPower Function

Overview

The PeerPower function enables one mobile device to 

charge another mobile device wirelessly. 

shows 

the main concept.
The MAX77950 is a highly configurable wireless power IC 

that allows the user to reconfigure the rectifier into a full-

bridge inverter, achieving high-efficiency power transfer 

due to low R

DS(ON)

 of the power MOSFETs.

Once P2PEN is pulled high, the switch located between 

V

OUT

 and V

RECT

 is turned on and the inverter generates 

a digital ping repeatedly. The IC continues power transfer 

once it receives the signal strength packet and also termi-

nates power transfer after the end power transfer packet 

is received. A demodulated packet is stored in the regis-

ters (such as TX_WPC_HEADER, TX_WPC_DATA0/../7) 

until the next packet comes.

Figure 2. Rectified Voltage Profile vs. Output Current

Figure 3. System-Level Block Diagram in PeerPower Mode

(X

0, 

Y0

)

I

OUT

(X

1, 

Y1

)

(X

2, 

Y2

)

(Xn

-1

, Yn

-1

)

(X

7, 

Y7

)

[A]

X

Y

(Xn

, Yn

)

Xn-1

Xn

X

Y

X7

X0

X1

X2

SWITCH

INVERTER

RECTIFIER

LDO

Tx-COIL

Rx-COIL

5V TO 10V 

INPUT

V

OUT

SCL

SDA

P2

PEN

(HIGH

)

SCL

SDA

P2

PEN 

(LOW

)

MOBILE DEVICE IN Tx MODE

POWER

ASK

MODULATOR

ASK

DEMODULATOR

COMMUNICATION

(ASK)

APPLICATION PROCESSOR 

OR HOST ΅C

MOBILE DEVICE IN Rx MODE

APPLICATION PROCESSOR 

OR HOST ΅C

INT

www.maximintegrated.com

Maxim Integrated •”‚

  16

MAX77950

WPC/PMA Dual Mode Wireless Power Receiver

background image

In PeerPower mode, the IC can generate interrupts in 

power transfer phase whenever it receives WPC packets 

that are non-zero CEP, RPP, CSP, EPT, and PPP so that 

an application processor or microcontroller notices it. To 

make this, a user needs to enable the ASK_DEMOD_PT_

INT_EN bit. Then, INT goes low and the ASK_DEMOD_

PT bit is set whenever the IC receives packets in power 

transfer phase.
To operate the IC in PeerPower mode, the following steps 

must be followed:
1)  Supply an input voltage to the output of the LDO 

(V

OUT

 pin).

2)  Program initial frequency into TX_FOP_SET_H/L; 

otherwise, the inverter will operate at 125kHz since it 

is the default frequency.

3)  Pull P2PEN pin high to make LDO be a switch and 

run the inverter.

Wireless Power Detection Function

The IC offers a WP_DET output that is a power-good indi-

cator that monitors the V

OUT

 level. The WP_DET output 

goes high once V

OUT

 exceeds the level programmed in 

WPDET_H_Threshold[1:0] and it goes low once V

OUT

 

drops down to the level programmed in WPDET_L_

Threshold[1:0].

Clamp Function

An overvoltage event may occur when the mobile device 

is moved over the transmitter’s surface, or when partially 

removed from the mobile device and quickly placed on 

the power transmitter. In addition, it may occur during 

the ping stage in PMA mode. The IC has preclamp and 

clamp features to limit the rectifier-output voltage as an 

overvoltage protection. The preclamp pulls 250mA from 

V

RECT

 to PGND when the voltage on V

RECT

 exceeds 

16V. If the rectifier-output voltage reaches 17V, even after 

the preclamp is activated, the IC turns on FETs between 

CLAMP1/2 and PGND as an additional protection. The 

preclamp and the clamp thresholds are both program-

mable through I

2

C.

ASK/FSK Demodulation

The IC contains an ASK demodulation block that demodu-

lates WPC ASK in PeerPower mode. In WPC, transmitted 

power is coupled to the receiver coil.  When the receiver is 

powered up, it communicates with the transmitter at 2kHz 

by modulating the impedance of the receiver coil with 

communication capacitors. The function of the IC's ASK 

demodulator is to detect the 2kHz communication signal 

from the power signal.
The external circuits, shown in 

are required for 

the ASK demodulation in PeerPower mode. If the user 

application does not require PeerPower mode, the circuit 

is not necessary, so connect the DMODIN pin to GND.
The IC can demodulate the PMA advertising packet and 

WPC FSK with the FSK demodulation block.
The IC demodulates WPC FSK by using positive (+) 

polarity with modulation depth 0 following WPC Power 

Class 0 specification, version 1.2.1. 

Foreign Object Detection (FOD)

As stated in the WPC specifications, a foreign object is 

defined as any object positioned on the interface surface 

of a base station but not part of the mobile device, such 

as coins, keys, or other metals. If the foreign object is 

within the active area, it may heat up during the power 

transfer, due to eddy currents, resulting from the oscil-

lating magnetic field. Power loss is the key to detecting 

foreign objects and limiting the power loss on a wireless 

power system actually limits the heat.  To start a power-

transfer cycle during the selection phase, the transmit-

ter detects and locates objects that are placed on the 

interface surface and attempts to differentiate between 

the foreign objects and a possible power receiver device. 

Once the wireless power receiver is discovered and the 

power transmitter completes the identification and the 

configuration phase, the power receiver reports to the 

power transmitter its received power in a received power 

packet (P

RECEIVED

).

Figure 4. External Circuits for Envelope Detection, Level 

Shifting, and AC Coupling

AC1

(FROM COIL)

DMODIN

www.maximintegrated.com

Maxim Integrated •”‚

  17

MAX77950

WPC/PMA Dual Mode Wireless Power Receiver

background image

The received power (P

PR

) equals the power available 

from the output of the power receiver, plus any power lost 

in producing that output power. For example, the power 

loss includes, but is not limited to:

 

•— Power loss in the secondary coil and series resonant 

capacitor

 

•— Power loss in the shielding of the power receiver

 

•— Power loss in the rectifier

 

•— Power loss in any post-regulation stage

 

•— Eddy current loss in metal components or contacts 

within the power receiver

The IC complies with the WPC low-power (v1.2) requirement:

P

RECEIVED

 - 350mW ≤ P

PR

 ≤ P

RECEIVED

This means that the reported received power is an over-

estimate of the actual received power, by 350mW, where 

P

PR

 is the actual received power determined by the 

mobile device by measuring its load power and adding the 

estimated parasitic power losses.
The IC has high-precision output current-sensing capa-

bilities and accurate V

RECT

 control over the operating 

load, ensuring they are sufficient to estimate the received 

power and comply with WPC (v1.2) FOD requirements.
The IC provides registers that are FOD_Xn and FOD_Yn 

as part of the received power look-up table (LUT). Based 

on this LUT, the state machine sends a received power 

packet that is specified in the WPC requirements.
FOD_Xn stores 16 X-coordinates for output current val-

ues and FOD_Yn stores 16 Y-coordinates of received 

power values so it makes 16 pairs of coordinates, as 

shown in 

Between each coordinate, the values are interpolated 

linearly, as shown in the following equation:

y = yn-1 +

(

x - xn-1

)(

yn-yn-1

)

xn-xn-1

Equations for the FOD register are:

FOD_Xn =

Xn

(

A

)

× 255 × 0.73

1.25

FOD_Yn =

Yn

(

W

)

× 128 × 2

10

Watchdog Function

The IC supports a watchdog function that disables the main 

LDO output in case the watchdog timer expires. When the 

WDOG_INT_EN bit is set, it enables the watchdog function 

as well as the associated interrupt (WDOG_INT). The 

default timer is 41.5s. To keep the main LDO outputs 

after setting the WDOG_INT_EN bit, an application 

processor must periodically set the WDOG_INT_CLR bit 

before the timer expires. If the WDOG_INT_CLR bit is 

set, the timer is reset, and the WDOG_INT bit cleared. 

This feature prevents the IC from supplying power to a 

charger when the application processor freezes. To turn 

the main LDO back on, the application processor needs to 

set the WDOG_INT_CLR and Toggle_LDO bits. The timer 

options are programmable by OTP.

Sending End Power Transfer (EPT)/End of 

Charge (EOC)

The WPC EPT packet and the PMA EOC symbol is sent 

to a transmitter only by setting SEND_EPT bit 1 in RX_

COM register (address : 0x20) or pulling the DIS pin high. 

The IC state machine does not send EPT or EOC by itself.

Sending Proprietary Packets (PPP)

The IC supports PPP, that is defined in the WPC 

specifications. The maximum length of a PPP is 5 bytes 

of messages. An example procedure for sending a PPP 

(3 bytes of messages) is as follows:
1. Write 0x38 in PPP_HEADER[7:0]
2. Write the first message in RX_DATA_VALUE0[7:0]
3. Write the second message in RX_DATA_VALUE1[7:0]
4. Write the third message in RX_DATA_VALUE2[7:0]
5. Set SEND_RX_DATA bit in RX_COM[7:0]

Figure 5. FOD Coefficients vs. Load Current

(X

0, 

Y0

)

I

OUT

(X

1, 

Y1

)

(X

2, 

Y2

)

(Xn

-1

, Yn

-1

)

(X

15

, Y

15

)

[A]

X

Y

(Xn

, Yn

)

Xn-1

Xn

X

Y

X15

X0

X1

X2

www.maximintegrated.com

Maxim Integrated •”‚

  18

MAX77950

WPC/PMA Dual Mode Wireless Power Receiver

background image

Register Map

ADDRESS

NAME

MSB

LSB

FUNCTIONAL

0x00

CHIP_ID[7:0]

CHIP_ID[7:0]

0x05

OTP_REV[7:0]

OTP_REV[7:0]

0x06

STATUS_L[7:0]

STAT_

VOUT

STAT_

VRECT

STAT_

WDOG FSK_RCVDRESERVEDRESERVED

OVER_

VOLTAGE

OVER_

CURRENT

0x07

STATUS_H[7:0]

OVER_

TEMP

TX_OVER_

CURRENT

TX_OVER_

TEMP

RESERVED TX_CONN ASK_DE-

MOD_PING

ASK_DE-

MOD_IDCF

ASK_DE-

MOD_PT

0x08

INT_L[7:0]

VOUT_INT VRECT_

INT

WDOG_INT

FSK_

RCVD_INT RESERVEDRESERVED OV_INT

OC_INT

0x09

INT_H[7:0]

OT_INT

TX_OC_

INT

TX_OT_INTRESERVEDTX_CONN_

INT

ASK_DE-

MOD_

PING_INT

ASK_DE-

MOD_

IDCF_INT

ASK_DE-

MOD_PT_

INT

0x0A

INT_ENABLE_L[7:0]

VOUT_

INT_EN

VRECT_

INT_EN

WDOG_

INT_EN

FSK_

RCVD_

INT_EN

RESERVEDRESERVED OV_INT_

EN

OC_INT_

EN

0x0B

INT_ENABLE_H[7:0] OT_INT_

EN

TX_OC_

INT_EN

TX_OT_

INT_EN RESERVED

TX_CONN_

INT_EN

ASK_DE-

MOD_

PING_INT_

EN

ASK_DE-

MOD_

IDCF_INT_

EN

ASK_DE-

MOD_PT_

INT_EN

0x0C

INT_CLEAR_L[7:0]

VOUT_

INT_CLR

VRECT_

INT_CLR

WDOG_

INT_CLR

FSK_

RCVD_

INT_CLR

RESERVEDRESERVED OV_INT_

CLR

OC_INT_

CLR

0x0D

INT_CLEAR_H[7:0]

OT_INT_

CLR

TX_OC_

INT_CLR

TX_OT_

INT_CLR RESERVED

TX_CONN_

INT_CLR

ASK_DE-

MOD_

PING_INT_

CLR

ASK_DE-

MOD_

IDCF_INT_

CLR

ASK_DE-

MOD_PT_

INT_CLR

0x0E

CHARGE_STA-

TUS[7:0]

CHARGE_STATUS[7:0]

0x0F

EPT_REASON[7:0]

EPT_REASON[7:0]

0x10

VOUTVAL_H[7:0]

VOUTVAL[11:4]

0x11

VOUTVAL_L[7:0]

RESERVED[3:0]

VOUTVAL[3:0]

0x12

VOUTSET[7:0]

RE-

SERVED

VOUTSET[6:0]

0x13

VRECT_ADJ[7:0]

VRECT_ADJ[7:0]

0x14

VRECTVAL_H[7:0]

VRECTVAL[11:4]

0x15

VRECTVAL_L[7:0]

RESERVED[3:0]

VRECTVAL[3:0]

0x16

ISENSEVAL_H[7:0]

ISENSEVAL[11:4]

0x17

ISENSEVAL_L[7:0]

RESERVED[3:0]

ISENSEVAL[3:0]

0x18

TDIE_VALUE[7:0]

TDIE_VALUE[7:0]

0x19

OP_FREQ_L[7:0]

OP_FREQ[7:0]

0x1A

OP_FREQ_H[7:0]

OP_FREQ[15:8]

0x1B

PING_OP_

FREQ_L[7:0]

PING_OP_FREQ[7:0]

www.maximintegrated.com

Maxim Integrated •”‚

  19

MAX77950

WPC/PMA Dual Mode Wireless Power Receiver

background image

Register Map (continued)

ADDRESS

NAME

MSB

LSB

0x1C

PING_OP_

FREQ_H[7:0]

PING_OP_FREQ[15:8]

0x1D

LDO_ILIMSET[7:0]

RESERVED[2:0]

LDO_ILIMSET[4:0]

0x1E

TX_ILIMSET[7:0]

RESERVED[2:0]

TX_ILIMSET[4:0]

0x1F

SYS_OP_MODE[7:0]

SYS_OP_MODE[7:0]

0x20

RX_COM[7:0]

RE-

SERVED

RE-

SERVED

CLEAR_IN-

TERRUPT

SEND_

CHARGE_

STATUS

SEND_EPT

RE-

SERVED

TOGGLE_

LDO

SEND_RX_

DATA

0x21

PPP_HEADER[7:0]

PPP_HEADER[7:0]

0x22

RX_DATA_VAL-

UE0[7:0]

RX_DATA_VALUE0[7:0]

0x23

RX_DATA_VAL-

UE1[7:0]

RX_DATA_VALUE1[7:0]

0x24

RX_DATA_VAL-

UE2[7:0]

RX_DATA_VALUE2[7:0]

0x25

RX_DATA_VAL-

UE3[7:0]

RX_DATA_VALUE3[7:0]

0x26

RX_DATA_VAL-

UE4[7:0]

RX_DATA_VALUE4[7:0]

0x27

FSK_DATA_VAL-

UE0[7:0]

FSK_DATA_VALUE0[7:0]

0x28

FSK_DATA_VAL-

UE1[7:0]

FSK_DATA_VALUE1[7:0]

0x29

FSK_DATA_VAL-

UE2[7:0]

FSK_DATA_VALUE2[7:0]

0x2A

TX_FOP_SET_L[7:0]

TX_FOP_SET[7:0]

0x2B

TX_FOP_SET_H[7:0]

RESERVED[6:0]

TX_FOP_

SET[8]

0x2C

TX_FOP_TON_

SET_L[7:0]

TX_FOP_TON_SET[7:0]

0x2D

TX_FOP_TON_

SET_H[7:0]

RESERVED[6:0]

TX_FOP_

TON_

SET[8]

0x34

TX_WPC_HEAD-

ER[7:0]

TX_WPC_HEADER[7:0]

0x35

TX_WPC_DATA0[7:0]

TX_WPC_DATA0[7:0]

0x36

TX_WPC_DATA1[7:0]

TX_WPC_DATA1[7:0]

0x37

TX_WPC_DATA2[7:0]

TX_WPC_DATA2[7:0]

0x38

TX_WPC_DATA3[7:0]

TX_WPC_DATA3[7:0]

0x39

TX_WPC_DATA4[7:0]

TX_WPC_DATA4[7:0]

0x3A

TX_WPC_DATA5[7:0]

TX_WPC_DATA5[7:0]

0x3B

TX_WPC_DATA6[7:0]

TX_WPC_DATA6[7:0]

www.maximintegrated.com

Maxim Integrated •”‚

  20

MAX77950

WPC/PMA Dual Mode Wireless Power Receiver

background image

Register Map (continued)

ADDRESS

NAME

MSB

LSB

0x3C

TX_WPC_DATA7[7:0]

TX_WPC_DATA7[7:0]

0x3D

TX_WPC_CHECK-

SUM[7:0]

TX_WPC_CHECKSUM[7:0]

0x3E

FOD_X0[7:0]

FOD_X0[7:0]

0x3F

FOD_Y0[7:0]

FOD_Y0[7:0]

0x40

FOD_X1[7:0]

FOD_X1[7:0]

0x41

FOD_Y1[7:0]

FOD_Y1[7:0]

0x42

FOD_X2[7:0]

FOD_X2[7:0]

0x43

FOD_Y2[7:0]

FOD_Y2[7:0]

0x44

FOD_X3[7:0]

FOD_X3[7:0]

0x45

FOD_Y3[7:0]

FOD_Y3[7:0]

0x46

FOD_X4[7:0]

FOD_X4[7:0]

0x47

FOD_Y4[7:0]

FOD_Y4[7:0]

0x48

FOD_X5[7:0]

FOD_X5[7:0]

0x49

FOD_Y5[7:0]

FOD_Y5[7:0]

0x4A

FOD_X6[7:0]

FOD_X6[7:0]

0x4B

FOD_Y6[7:0]

FOD_Y6[7:0]

0x4C

FOD_X7[7:0]

FOD_X7[7:0]

0x4D

FOD_Y7[7:0]

FOD_Y7[7:0]

0x4E

FOD_X8[7:0]

FOD_X8[7:0]

0x4F

FOD_Y8[7:0]

FOD_Y8[7:0]

0x50

FOD_X9[7:0]

FOD_X9[7:0]

0x51

FOD_Y9[7:0]

FOD_Y9[7:0]

0x52

FOD_X10[7:0]

FOD_X10[7:0]

0x53

FOD_Y10[7:0]

FOD_Y10[7:0]

0x54

FOD_X11[7:0]

FOD_X11[7:0]

0x55

FOD_Y11[7:0]

FOD_Y11[7:0]

0x56

FOD_X12[7:0]

FOD_X12[7:0]

0x57

FOD_Y12[7:0]

FOD_Y12[7:0]

0x58

FOD_X13[7:0]

FOD_X13[7:0]

0x59

FOD_Y13[7:0]

FOD_Y13[7:0]

0x5A

FOD_X14[7:0]

FOD_X14[7:0]

0x5B

FOD_Y14[7:0]

FOD_Y14[7:0]

0x5C

FOD_X15[7:0]

FOD_X15[7:0]

0x5D

FOD_Y15[7:0]

FOD_Y15[7:0]

0x62

OV_CLAMP_VOLT-

AGE[7:0]

RESERVED[2:0]

POV_

CLAMP_

VOLTAGE

RESERVED[1:0]

OV_CLAMP_VOLT-

AGE[1:0]

0x63

TX_LAST_CEP[7:0]

TX_LAST_CEP[7:0]

www.maximintegrated.com

Maxim Integrated •”‚

  21

MAX77950

WPC/PMA Dual Mode Wireless Power Receiver

background image

Register Map (continued)

ADDRESS

NAME

MSB

LSB

0x64

TX_LAST_RPP[7:0]

TX_LAST_RPP[7:0]

0x65

TX_LAST_PCHP[7:0]

TX_LAST_PCHP[7:0]

LDO

0x70

LDO_WPDET_

CNFG[7:0]

WPDET_H_DE-

BOUNCE[1:0]

WPDET_L_DE-

BOUNCE[1:0]

WPDET_H_THRESH-

OLD[1:0]

WPDET_L_THRESH-

OLD[1:0]

VRECT_TARGET

0xBA

VRECT_TARGET_

X0[7:0]

VRECT_TARGET_X0[7:0]

0xBB

VRECT_TARGET_

Y0[7:0]

VRECT_TARGET_Y0[7:0]

0xBC

VRECT_TARGET_

PMA_Y0[7:0]

VRECT_TARGET_PMA_Y0[7:0]

0xBD

VRECT_TARGET_

X1[7:0]

VRECT_TARGET_X1[7:0]

0xBE

VRECT_TARGET_

Y1[7:0]

VRECT_TARGET_Y1[7:0]

0xBF

VRECT_TARGET_

PMA_Y1[7:0]

VRECT_TARGET_PMA_Y1[7:0]

0xC0

VRECT_TARGET_

X2[7:0]

VRECT_TARGET_X2[7:0]

0xC1

VRECT_TARGET_

Y2[7:0]

VRECT_TARGET_Y2[7:0]

0xC2

VRECT_TARGET_

PMA_Y2[7:0]

VRECT_TARGET_PMA_Y2[7:0]

0xC3

VRECT_TARGET_

X3[7:0]

VRECT_TARGET_X3[7:0]

0xC4

VRECT_TARGET_

Y3[7:0]

VRECT_TARGET_Y3[7:0]

0xC5

VRECT_TARGET_

PMA_Y3[7:0]

VRECT_TARGET_PMA_Y3[7:0]

0xC6

VRECT_TARGET_

X4[7:0]

VRECT_TARGET_X4[7:0]

0xC7

VRECT_TARGET_

Y4[7:0]

VRECT_TARGET_Y4[7:0]

0xC8

VRECT_TARGET_

PMA_Y4[7:0]

VRECT_TARGET_PMA_Y4[7:0]

0xC9

VRECT_TARGET_

X5[7:0]

VRECT_TARGET_X5[7:0]

0xCA

VRECT_TARGET_

Y5[7:0]

VRECT_TARGET_Y5[7:0]

0xCB

VRECT_TARGET_

PMA_Y5[7:0]

VRECT_TARGET_PMA_Y5[7:0]

www.maximintegrated.com

Maxim Integrated •”‚

  22

MAX77950

WPC/PMA Dual Mode Wireless Power Receiver

background image

Register Map (continued)

ADDRESS

NAME

MSB

LSB

0xCC

VRECT_TARGET_

X6[7:0]

VRECT_TARGET_X6[7:0]

0xCD

VRECT_TARGET_

Y6[7:0]

VRECT_TARGET_Y6[7:0]

0xCE

VRECT_TARGET_

PMA_Y6[7:0]

VRECT_TARGET_PMA_Y6[7:0]

0xCF

VRECT_TARGET_

X7[7:0]

VRECT_TARGET_X7[7:0]

0xD0

VRECT_TARGET_

Y7[7:0]

VRECT_TARGET_Y7[7:0]

0xD1

VRECT_TARGET_

PMA_Y7[7:0]

VRECT_TARGET_PMA_Y7[7:0]

DEMOD

0xDB

PMA_ADV_DATA[7:0]

PMA_ADV_DATA[7:0]

0xDC

PMA_ADV_CRC[7:0]

RESERVED[3:0]

PMA_ADV_CRC[3:0]

CHIP_ID (0x00)

BIT

7

6

5

4

3

2

1

0

Field

CHIP_ID[7:0]

Reset

0b0001_0010

Access Type

Read Only

BITFIELD

BITS

DESCRIPTION

CHIP_ID

7:0

-

OTP_REV (0x05)

BIT

7

6

5

4

3

2

1

0

Field

OTP_REV[7:0]

Reset

0b0000_0000

Access Type

Read Only

BITFIELD

BITS

DESCRIPTION

OTP_REV

7:0

OTP revision

www.maximintegrated.com

Maxim Integrated •”‚

  23

MAX77950

WPC/PMA Dual Mode Wireless Power Receiver

background image

STATUS_L (0x06)

BIT

7

6

5

4

3

2

1

0

Field

STAT_

VOUT

STAT_

VRECT

STAT_

WDOG

FSK_RCVD RESERVED RESERVED

OVER_

VOLTAGE

OVER_

CURRENT

Reset

0b0

0b0

0b0

0b0

0b0

0b0

0b0

0b0

Access Type

Read Only

Read Only

Read Only

Read Only

Read Only

Read Only

Read Only

Read Only

BITFIELD

BITS

DESCRIPTION

STAT_VOUT

7

1: LDO is ON

0: LDO is OFF (Rx ONLY)

STAT_VRECT

6

1: V

RECT

 is over UVLO (Rx ONLY)

STAT_WDOG

5

1: Watchdog timer expires

0: No watchdog timer expires

FSK_RCVD

4

1: FSK data sent by transmitter is received

0: No FSK data

RESERVED

3

RSVD

RESERVED

2

RSVD

OVER_VOLTAGE

1

1: Overvoltage (V

RECT

)

0: Normal

OVER_CURRENT

0

1: Overcurrent (LDO output current) in Rx mode

0: Normal

STATUS_H (0x07)

BIT

7

6

5

4

3

2

1

0

Field

OVER_

TEMP

TX_OVER_

CURRENT

TX_OVER_

TEMP

RESERVED

TX_CONN

ASK_DE-

MOD_PING

ASK_DE-

MOD_IDCF

ASK_DE-

MOD_PT

Reset

0b0

0b0

0b0

0b0

0b0

0b0

0b0

0b0

Access Type

Read Only

Read Only

Read Only

Read Only

Read Only

Read Only

Read Only

Read Only

BITFIELD

BITS

DESCRIPTION

OVER_TEMP

7

1: Overtemperature in Rx mode

0: Normal

TX_OVER_CURRENT

6

1: Overcurrent in Tx mode

0: Normal

TX_OVER_TEMP

5

1: Overtemperature in Tx mode

0: Normal

RESERVED

4

RSVD

TX_CONN

3

1: Power transfer established in Tx mode

0: No power transfer established

ASK_DEMOD_PING

2

1: Packet received in PING phase

0: No packet

ASK_DEMOD_IDCF

1

1: Packet received in ID and configuration phase

0: No packet

ASK_DEMOD_PT

0

1: Packet received in power transfer phase (count CEP if that is non zero)

0: No packet

www.maximintegrated.com

Maxim Integrated •”‚

  24

MAX77950

WPC/PMA Dual Mode Wireless Power Receiver

background image

INT_L (0x08)

BIT

7

6

5

4

3

2

1

0

Field

VOUT_INT VRECT_INT WDOG_INT

FSK_

RCVD_INT RESERVED RESERVED

OV_INT

OC_INT

Reset

0b0

0b0

0b0

0b0

0b0

0b0

0b0

0b0

Access Type

Read Only

Read Only

Read Only

Read Only

Read Only

Read Only

Read Only

Read Only

BITFIELD

BITS

DESCRIPTION

VOUT_INT

7

1: V

OUT

 state change (off to on, on to off)

VRECT_INT

6

1: V

RECT

 is over UVLO (Rx ONLY)

WDOG_INT

5

1: Watchdog timer expired

FSK_RCVD_INT

4

1: FSK data sent by transmitter is received

RESERVED

3

RSVD

RESERVED

2

RSVD

OV_INT

1

1: Overvoltage (V

RECT

)

0: Normal

OC_INT

0

1: Overcurrent (LDO output current) in Rx mode

0: Normal

INT_H (0x09)

BIT

7

6

5

4

3

2

1

0

Field

OT_INT

TX_OC_INT TX_OT_INT RESERVED TX_CONN_

INT

ASK_DE-

MOD_

PING_INT

ASK_DE-

MOD_

IDCF_INT

ASK_DE-

MOD_PT_

INT

Reset

0b0

0b0

0b0

0b0

0b0

0b0

0b0

0b0

Access Type

Read Only

Read Only

Read Only

Read Only

Read Only

Read Only

Read Only

Read Only

BITFIELD

BITS

DESCRIPTION

OT_INT

7

1: Overtemperature in Rx mode

TX_OC_INT

6

1: Overcurrent in Tx mode

TX_OT_INT

5

1: Overtemperature in Tx mode

RESERVED

4

RSVD

TX_CONN_INT

3

1: Power tranfer phase established in Tx mode

ASK_DEMOD_PING_

INT

2

1: Packet received in PING Phase

ASK_DEMOD_IDCF_

INT

1

1: Packet received in ID and configuration phase

ASK_DEMOD_PT_INT

0

1: Packet received in power transfer phase

www.maximintegrated.com

Maxim Integrated •”‚

  25

MAX77950

WPC/PMA Dual Mode Wireless Power Receiver

background image

INT_ENABLE_L (0x0A)

BIT

7

6

5

4

3

2

1

0

Field

VOUT_INT_

EN

VRECT_INT_

EN

WDOG_INT_

EN

FSK_RCVD_

INT_EN

RESERVED RESERVED OV_INT_EN OC_INT_EN

Reset

0b0

0b0

0b0

0b0

0b0

0b0

0b0

0b0

Access Type Write, Read Write, Read Write, Read Write, Read Write, Read Write, Read Write, Read Write, Read

BITFIELD

BITS

DESCRIPTION

VOUT_INT_EN

7

1: Enable VOUT_INT

0: Disable

VRECT_INT_EN

6

1: Enable VRECT_INT

0: Disable

WDOG_INT_EN

5

1: Enable watchdog timer and associated interrupt

0: Disable

FSK_RCVD_INT_EN

4

1: Enable FSK_RCVD_INT

0: Disable

RESERVED

3

RSVD

RESERVED

2

RSVD

OV_INT_EN

1

1: Enable OV_INT

0: Disable

OC_INT_EN

0

1: Enable OC_INT

0: Disable

INT_ENABLE_H (0x0B)

BIT

7

6

5

4

3

2

1

0

Field

OT_INT_EN TX_OC_INT_

EN

TX_OT_INT_

EN

RESERVED TX_CONN_

INT_EN

ASK_DE-

MOD_PING_

INT_EN

ASK_DE-

MOD_IDCF_

INT_EN

ASK_DE-

MOD_PT_

INT_EN

Reset

0b0

0b0

0b0

0b0

0b0

0b0

0b0

0b0

Access Type Write, Read Write, Read Write, Read Write, Read Write, Read Write, Read Write, Read Write, Read

BITFIELD

BITS

DESCRIPTION

OT_INT_EN

7

1: Enable OT_INT

0: Disable

TX_OC_INT_EN

6

1: Enable TX_OC_INT

0: Disable

TX_OT_INT_EN

5

1: Enable TX_OT_INT

0: Disable

RESERVED

4

RSVD

TX_CONN_INT_EN

3

1: Enable TX_CONN_INT

0: Disable

ASK_DEMOD_PING_

INT_EN

2

1: Enable ASK_DEMOD_PING_INT

0: Disable

ASK_DEMOD_IDCF_

INT_EN

1

1: Enable ASK_DEMOD_IDCF_INT

0: Disable

ASK_DEMOD_PT_INT_

EN

0

1: Enable ASK_DEMOD_PT_INT

0: Disable

www.maximintegrated.com

Maxim Integrated •”‚

  26

MAX77950

WPC/PMA Dual Mode Wireless Power Receiver

background image

INT_CLEAR_L (0x0C)

BIT

7

6

5

4

3

2

1

0

Field

VOUT_INT_

CLR

VRECT_

INT_CLR

WDOG_

INT_CLR

FSK_

RCVD_INT_

CLR

RESERVED RESERVED

OV_INT_

CLR

OC_INT_

CLR

Reset

0b0

0b0

0b0

0b0

0b0

0b0

0b0

0b0

Access Type Write, Read Write, Read Write, Read Write, Read Write, Read Write, Read Write, Read Write, Read

BITFIELD

BITS

DESCRIPTION

VOUT_INT_CLR

7

1: Clear VOUT_INT bit (this CLR bit resets automatically after being set)

VRECT_INT_CLR

6

1: Clear VRECT_INT bit (this CLR bit resets automatically after being set)

WDOG_INT_CLR

5

1: Clear WDOG_INT bit (this CLR bit resets automatically after being set)

FSK_RCVD_INT_CLR

4

1: Clear FSK_RCVD_INT (this CLR bit resets automatically after being set)

RESERVED

3

RSVD

RESERVED

2

RSVD

OV_INT_CLR

1

1: Clear OV_INT bit (this CLR bit resets automatically after being set)

OC_INT_CLR

0

1: Clear OC_INT bit (this CLR bit resets automatically after being set)

INT_CLEAR_H (0x0D)

BIT

7

6

5

4

3

2

1

0

Field

OT_INT_

CLR

TX_OC_

INT_CLR

TX_OT_

INT_CLR

RESERVED TX_CONN_

INT_CLR

ASK_DE-

MOD_

PING_INT_

CLR

ASK_DE-

MOD_

IDCF_INT_

CLR

ASK_DE-

MOD_PT_

INT_CLR

Reset

0b0

0b0

0b0

0b0

0b0

0b0

0b0

0b0

Access Type Write, Read Write, Read Write, Read Write, Read Write, Read Write, Read Write, Read Write, Read

BITFIELD

BITS

DESCRIPTION

OT_INT_CLR

7

1: Clear OT_INT bit (this CLR bit resets automatically after being set)

TX_OC_INT_CLR

6

1: Clear TX_OC_INT bit (this CLR bit resets automatically after being set)

TX_OT_INT_CLR

5

1: Clear TX_OT_INT bit (this CLR bit resets automatically after being set)

RESERVED

4

RSVD

TX_CONN_INT_CLR

3

1: Clear TX_CONN_INT bit (this CLR bit resets automatically after being set)

ASK_DEMOD_PING_

INT_CLR

2

1: Clear ASK_DEMOD_PING_INT bit (this CLR bit resets automatically after 

being set)

ASK_DEMOD_IDCF_

INT_CLR

1

1: Clear ASK_DEMOD_IDCF_INT bit (this CLR bit resets automatically after 

being set)

ASK_DEMOD_PT_INT_

CLR

0

1: Clear ASK_DEMOD_PT_INT bit (this CLR bit resets automatically after 

being set)

www.maximintegrated.com

Maxim Integrated •”‚

  27

MAX77950

WPC/PMA Dual Mode Wireless Power Receiver

background image

CHARGE_STATUS (0x0E)

BIT

7

6

5

4

3

2

1

0

Field

CHARGE_STATUS[7:0]

Reset

0b1111_1111

Access Type

Write, Read

BITFIELD

BITS

DESCRIPTION

CHARGE_STATUS

7:0

Register for storing charge status as follows:

0x00: Reserved

0x01: Charge status = 1 (1%)

0x02: Charge status = 2 (2%)

†¦..

0x64: Charge status = 64 (100%)

0x65 to 0xFE: Reserved

 0xFF: No battery charge device or not providing charge status packet

EPT_REASON (0x0F)

BIT

7

6

5

4

3

2

1

0

Field

EPT_REASON[7:0]

Reset

0b1111_1111

Access Type

Write, Read

BITFIELD

BITS

DESCRIPTION

EPT_REASON

7:0

A user can program the reason for the end power transfer request that is 

specified in the WPC specifications.

VOUTVAL_H (0x10)

BIT

7

6

5

4

3

2

1

0

Field

VOUTVAL[11:4]

Reset

0b0000_0000

Access Type

Read Only

BITFIELD

BITS

DESCRIPTION

VOUTVAL

7:0

8 MSB of VOUTVAL ADC value.

V

OUT

(V) = VOUTVAL[11:0] x (1.25/4095) x 12

VOUTVAL_L (0x11)

BIT

7

6

5

4

3

2

1

0

Field

RESERVED[3:0]

VOUTVAL[3:0]

Reset

0b0000

0b0000

Access Type

Read Only

Read Only

BITFIELD

BITS

DESCRIPTION

RESERVED

7:4

RSVD

VOUTVAL

3:0

4 LSB of VOUTVAL ADC value

www.maximintegrated.com

Maxim Integrated •”‚

  28

MAX77950

WPC/PMA Dual Mode Wireless Power Receiver

background image

VOUTSET (0x12)

BIT

7

6

5

4

3

2

1

0

Field

RESERVED

VOUTSET[6:0]

Reset

0b0

0b011_0010

Access Type Write, Read

Write, Read

BITFIELD

BITS

DESCRIPTION

RESERVED

7

RSVD

VOUTSET

6:0

Main LDO output-voltage-setting register.

V

OUT

(V) = VOUTSET[6:0] x 0.1

VRECT_ADJ (0x13)

BIT

7

6

5

4

3

2

1

0

Field

VRECT_ADJ[7:0]

Reset

0b0000_0000

Access Type

Write, Read

BITFIELD

BITS

DESCRIPTION

VRECT_ADJ

7:0

2's complement signed integer representing values -128 ~ +127.

Adjustment(V) = VRECT_ADJ x 12 x 1.25/255

VRECTVAL_H (0x14)

BIT

7

6

5

4

3

2

1

0

Field

VRECTVAL[11:4]

Reset

0b0000_0000

Access Type

Read Only

BITFIELD

BITS

DESCRIPTION

VRECTVAL

7:0

8 MSB of VRECTVAL ADC value.

V

RECT

(V) = VRECTVAL[11:0] x (1.25/4095) x 12

VRECTVAL_L (0x15)

BIT

7

6

5

4

3

2

1

0

Field

RESERVED[3:0]

VRECTVAL[3:0]

Reset

0b0000

0b0000

Access Type

Read Only

Read Only

BITFIELD

BITS

DESCRIPTION

RESERVED

7:4

RSVD

VRECTVAL

3:0

4 LSB of VRECTVAL ADC value

www.maximintegrated.com

Maxim Integrated •”‚

  29

MAX77950

WPC/PMA Dual Mode Wireless Power Receiver

background image

ISENSEVAL_H (0x16)

BIT

7

6

5

4

3

2

1

0

Field

ISENSEVAL[11:4]

Reset

0b0000_0000

Access Type

Read Only

BITFIELD

BITS

DESCRIPTION

ISENSEVAL

7:0

8 MSB of ISENSE ADC value. ISENSE(A) = ISENSEVAL[11:0] x (1.25/4095) x 

(1/0.73). Bidirectional measurement for Rx and Tx mode.

ISENSEVAL_L (0x17)

BIT

7

6

5

4

3

2

1

0

Field

RESERVED[3:0]

ISENSEVAL[3:0]

Reset

0b0000

0b0000

Access Type

Read Only

Read Only

BITFIELD

BITS

DESCRIPTION

RESERVED

7:4

RSVD

ISENSEVAL

3:0

4 LSB of ISENSEVAL ADC value

TDIE_VALUE (0x18)

BIT

7

6

5

4

3

2

1

0

Field

TDIE_VALUE[7:0]

Reset

0b0000_0000

Access Type

Read Only

BITFIELD

BITS

DESCRIPTION

TDIE_VALUE

7:0

Die temperature value = TDIE_VALUE[7:0] x 16 x 0.108603481-262.1459

OP_FREQ_L (0x19)

BIT

7

6

5

4

3

2

1

0

Field

OP_FREQ[7:0]

Reset

0b0000_0000

Access Type

Read Only

BITFIELD

BITS

DESCRIPTION

OP_FREQ

7:0

8 LSB of OP_FREQ. AC operation frequency in Rx and Tx mode.

FREQ(Hz) = 64 x 10^6/OP_FREQ[15:0]

www.maximintegrated.com

Maxim Integrated •”‚

  30

MAX77950

WPC/PMA Dual Mode Wireless Power Receiver

background image

OP_FREQ_H (0x1A)

BIT

7

6

5

4

3

2

1

0

Field

OP_FREQ[15:8]

Reset

0b0000_0000

Access Type

Read Only

BITFIELD

BITS

DESCRIPTION

OP_FREQ

7:0

8 MSB of OP_FREQ. AC operation frequency in Rx and Tx mode.

FREQ(Hz) = 64 x 10^6/OP_FREQ[15:0]

PING_OP_FREQ_L (0x1B)

BIT

7

6

5

4

3

2

1

0

Field

PING_OP_FREQ[7:0]

Reset

0b0000_0000

Access Type

Read Only

BITFIELD

BITS

DESCRIPTION

PING_OP_FREQ

7:0

8 LSB of PING_OP_FREQ. AC frequency captured in PING phase.

PING FREQ(Hz) = 64 x 10^6/OP_FREQ[15:0]

PING_OP_FREQ_H (0x1C)

BIT

7

6

5

4

3

2

1

0

Field

PING_OP_FREQ[15:8]

Reset

0b0000_0000

Access Type

Read Only

BITFIELD

BITS

DESCRIPTION

PING_OP_FREQ

7:0

8 MSB of PING_OP_FREQ. AC frequency captured in PING phase.

LDO_ILIMSET (0x1D)

BIT

7

6

5

4

3

2

1

0

Field

RESERVED[2:0]

LDO_ILIMSET[4:0]

Reset

0b000

0b1_1010

Access Type

Write, Read

Write, Read

BITFIELD

BITS

DESCRIPTION

RESERVED

7:5

RSVD

LDO_ILIMSET

4:0

LDO current-limit-setting register. ILIM(A) = LDO_ILIMSET[4:0] x 0.05. ILIM 

lower clamp = 20mA, ILIM upper clamp = 1.5A

www.maximintegrated.com

Maxim Integrated •”‚

  31

MAX77950

WPC/PMA Dual Mode Wireless Power Receiver

background image

TX_ILIMSET (0x1E)

BIT

7

6

5

4

3

2

1

0

Field

RESERVED[2:0]

TX_ILIMSET[4:0]

Reset

0b000

0b0_1010

Access Type

Write, Read

Write, Read

BITFIELD

BITS

DESCRIPTION

RESERVED

7:5

RSVD

TX_ILIMSET

4:0

Tx (PeerPower) mode input current-limit-setting register. ILIM(A) = TX_ILIM-

SET[4:0] x 0.05. ILIM lower clamp = 20mA, ILIM upper clamp = 1.5A

SYS_OP_MODE (0x1F)

BIT

7

6

5

4

3

2

1

0

Field

SYS_OP_MODE[7:0]

Reset

0b0000_0000

Access Type

Read Only

BITFIELD

BITS

DESCRIPTION

SYS_OP_MODE

7:0

0x00: Initial state

0x01: WPC Rx mode

0x02: PMA Rx mode

 0x04: Tx mode (PeerPower)

RX_COM (0x20)

BIT

7

6

5

4

3

2

1

0

Field

RESERVED RESERVED CLEAR_IN-

TERRUPT

SEND_

CHARGE_

STATUS

SEND_EPT RESERVED

TOGGLE_

LDO

SEND_RX_

DATA

Reset

0b0

0b0

0b0

0b0

0b0

0b0

0b0

0b0

Access Type Write, Read Write, Read Write, Read Write, Read Write, Read Write, Read Write, Read Write, Read

BITFIELD

BITS

DESCRIPTION

RESERVED

7

RSVD

RESERVED

6

RSVD

CLEAR_INTERRUPT

5

Global Interrtup Clear Bit. Clears all interrupt bits. After the set, it resets auto-

matically.

SEND_CHARGE_STA-

TUS

4

1: Send charge status packet. After the set, it resets automatically.

SEND_EPT

3

1: Send end power transfer packet. After the set, it resets automatically.

RESERVED

2

RSVD

TOGGLE_LDO

1

1: Toggle LDO output once (on to off, off to on). After the set, it resets auto-

matically.

SEND_RX_DATA

0

1: Send WPC proprietary packet that includes PPP_Header (0x21), data com-

mand (0x22), and data values (0x23 to 0x26). After the set, it resets automati-

cally.

www.maximintegrated.com

Maxim Integrated •”‚

  32

MAX77950

WPC/PMA Dual Mode Wireless Power Receiver

background image

PPP_HEADER (0x21)

BIT

7

6

5

4

3

2

1

0

Field

PPP_HEADER[7:0]

Reset

0b0000_0000

Access Type

Write, Read

BITFIELD

BITS

DESCRIPTION

PPP_HEADER

7:0

WPC Proprietary Packet Header

RX_DATA_VALUE0 (0x22)

BIT

7

6

5

4

3

2

1

0

Field

RX_DATA_VALUE0[7:0]

Reset

0b0000_0000

Access Type

Write, Read

BITFIELD

BITS

DESCRIPTION

RX_DATA_VALUE0

7:0

1st Byte of Proprietary Packet

RX_DATA_VALUE1 (0x23)

BIT

7

6

5

4

3

2

1

0

Field

RX_DATA_VALUE1[7:0]

Reset

0b0000_0000

Access Type

Write, Read

BITFIELD

BITS

DESCRIPTION

RX_DATA_VALUE1

7:0

2nd Byte of Proprietary Packet

RX_DATA_VALUE2 (0x24)

BIT

7

6

5

4

3

2

1

0

Field

RX_DATA_VALUE2[7:0]

Reset

0b0000_0000

Access Type

Write, Read

BITFIELD

BITS

DESCRIPTION

RX_DATA_VALUE2

7:0

3rd Byte of Proprietary Packet

RX_DATA_VALUE3 (0x25)

BIT

7

6

5

4

3

2

1

0

Field

RX_DATA_VALUE3[7:0]

Reset

0b0000_0000

Access Type

Write, Read

BITFIELD

BITS

DESCRIPTION

RX_DATA_VALUE3

7:0

4th Byte of Proprietary Packet

www.maximintegrated.com

Maxim Integrated •”‚

  33

MAX77950

WPC/PMA Dual Mode Wireless Power Receiver

background image

RX_DATA_VALUE4 (0x26)

BIT

7

6

5

4

3

2

1

0

Field

RX_DATA_VALUE4[7:0]

Reset

0b0000_0000

Access Type

Write, Read

BITFIELD

BITS

DESCRIPTION

RX_DATA_VALUE4

7:0

5th Byte of Proprietary Packet

FSK_DATA_VALUE0 (0x27)

BIT

7

6

5

4

3

2

1

0

Field

FSK_DATA_VALUE0[7:0]

Reset

0b0000_0000

Access Type

Read Only

BITFIELD

BITS

DESCRIPTION

FSK_DATA_VALUE0

7:0

1st Byte of FSK_DATA

FSK_DATA_VALUE1 (0x28)

BIT

7

6

5

4

3

2

1

0

Field

FSK_DATA_VALUE1[7:0]

Reset

0b0000_0000

Access Type

Read Only

BITFIELD

BITS

DESCRIPTION

FSK_DATA_VALUE1

7:0

2nd Byte of FSK_DATA

FSK_DATA_VALUE2 (0x29)

BIT

7

6

5

4

3

2

1

0

Field

FSK_DATA_VALUE2[7:0]

Reset

0b0000_0000

Access Type

Read Only

BITFIELD

BITS

DESCRIPTION

FSK_DATA_VALUE2

7:0

3rd Byte of FSK_DATA

TX_FOP_SET_L (0x2A)

BIT

7

6

5

4

3

2

1

0

Field

TX_FOP_SET[7:0]

Reset

0b1111_1111

Access Type

Write, Read

BITFIELD

BITS

DESCRIPTION

TX_FOP_SET

7:0

Tx operating frequency = 64 x 10^6/(2 x (TX_FOP_SET[8:0] + 1))

www.maximintegrated.com

Maxim Integrated •”‚

  34

MAX77950

WPC/PMA Dual Mode Wireless Power Receiver

background image

TX_FOP_SET_H (0x2B)

BIT

7

6

5

4

3

2

1

0

Field

RESERVED[6:0]

TX_FOP_

SET[8]

Reset

0b0000_000

0b0

Access Type

Write, Read

Write, Read

BITFIELD

BITS

DESCRIPTION

RESERVED

7:1

RSVD

TX_FOP_SET

0

TX_FOP_TON_SET_L (0x2C)

BIT

7

6

5

4

3

2

1

0

Field

TX_FOP_TON_SET[7:0]

Reset

0b0000_0000

Access Type

Write, Read

BITFIELD

BITS

DESCRIPTION

TX_FOP_TON_SET

7:0

Tx duty cycle = (TX_FOP_SET[8:0] - TX_FOP_TON_SET[8:0])/(2 x (TX_

FOP_SET[8:0] + 1))

TX_FOP_TON_SET_H (0x2D)

BIT

7

6

5

4

3

2

1

0

Field

RESERVED[6:0]

TX_FOP_

TON_

SET[8]

Reset

0b0000_000

0b0

Access Type

Write, Read

Write, Read

BITFIELD

BITS

DESCRIPTION

RESERVED

7:1

RSVD

TX_FOP_TON_SET

0

TX_WPC_HEADER (0x34)

BIT

7

6

5

4

3

2

1

0

Field

TX_WPC_HEADER[7:0]

Reset

0b0000_0000

Access Type

Read Only

BITFIELD

BITS

DESCRIPTION

TX_WPC_HEADER

7:0

Header of packet that is received by ASK demodulation in Tx (PeerPower) 

mode.

www.maximintegrated.com

Maxim Integrated •”‚

  35

MAX77950

WPC/PMA Dual Mode Wireless Power Receiver

background image

TX_WPC_DATA0 (0x35)

BIT

7

6

5

4

3

2

1

0

Field

TX_WPC_DATA0[7:0]

Reset

0b0000_0000

Access Type

Read Only

BITFIELD

BITS

DESCRIPTION

TX_WPC_DATA0

7:0

DATA0 of packet that is received by ASK demodulation in Tx (PeerPower) 

mode.

TX_WPC_DATA1 (0x36)

BIT

7

6

5

4

3

2

1

0

Field

TX_WPC_DATA1[7:0]

Reset

0b0000_0000

Access Type

Read Only

BITFIELD

BITS

DESCRIPTION

TX_WPC_DATA1

7:0

DATA1 of packet that is received by ASK demodulation in Tx (PeerPower) 

mode.

TX_WPC_DATA2 (0x37)

BIT

7

6

5

4

3

2

1

0

Field

TX_WPC_DATA2[7:0]

Reset

0b0000_0000

Access Type

Read Only

BITFIELD

BITS

DESCRIPTION

TX_WPC_DATA2

7:0

DATA2 of packet that is received by ASK demodulation in Tx (PeerPower) 

mode.

TX_WPC_DATA3 (0x38)

BIT

7

6

5

4

3

2

1

0

Field

TX_WPC_DATA3[7:0]

Reset

0b0000_0000

Access Type

Read Only

BITFIELD

BITS

DESCRIPTION

TX_WPC_DATA3

7:0

DATA3 of packet that is received by ASK demodulation in Tx (PeerPower) 

mode.

www.maximintegrated.com

Maxim Integrated •”‚

  36

MAX77950

WPC/PMA Dual Mode Wireless Power Receiver

background image

TX_WPC_DATA4 (0x39)

BIT

7

6

5

4

3

2

1

0

Field

TX_WPC_DATA4[7:0]

Reset

0b0000_0000

Access Type

Read Only

BITFIELD

BITS

DESCRIPTION

TX_WPC_DATA4

7:0

DATA4 of packet that is received by ASK demodulation in Tx (PeerPower) 

mode.

TX_WPC_DATA5 (0x3A)

BIT

7

6

5

4

3

2

1

0

Field

TX_WPC_DATA5[7:0]

Reset

0b0000_0000

Access Type

Read Only

BITFIELD

BITS

DESCRIPTION

TX_WPC_DATA5

7:0

DATA5 of packet that is received by ASK demodulation in Tx (PeerPower) 

mode.

TX_WPC_DATA6 (0x3B)

BIT

7

6

5

4

3

2

1

0

Field

TX_WPC_DATA6[7:0]

Reset

0b0000_0000

Access Type

Read Only

BITFIELD

BITS

DESCRIPTION

TX_WPC_DATA6

7:0

DATA6 of packet that is received by ASK demodulation in Tx (PeerPower) 

mode.

TX_WPC_DATA7 (0x3C)

BIT

7

6

5

4

3

2

1

0

Field

TX_WPC_DATA7[7:0]

Reset

0b0000_0000

Access Type

Read Only

BITFIELD

BITS

DESCRIPTION

TX_WPC_DATA7

7:0

DATA7 of packet that is received by ASK demodulation in Tx (PeerPower) 

mode.

www.maximintegrated.com

Maxim Integrated •”‚

  37

MAX77950

WPC/PMA Dual Mode Wireless Power Receiver

background image

TX_WPC_CHECKSUM (0x3D)

BIT

7

6

5

4

3

2

1

0

Field

TX_WPC_CHECKSUM[7:0]

Reset

0b0000_0000

Access Type

Read Only

BITFIELD

BITS

DESCRIPTION

TX_WPC_CHECKSUM

7:0

CHECKSUM of data received by ASK demodulation in Tx (PeerPower) mode.

FOD_X0 (0x3E)

BIT

7

6

5

4

3

2

1

0

Field

FOD_X0[7:0]

Reset

0b0000_0000

Access Type

Write, Read

BITFIELD

BITS

DESCRIPTION

FOD_X0

7:0

FOD Adjust Parameter

FOD_Y0 (0x3F)

BIT

7

6

5

4

3

2

1

0

Field

FOD_Y0[7:0]

Reset

0b0001_0001

Access Type

Write, Read

BITFIELD

BITS

DESCRIPTION

FOD_Y0

7:0

FOD Adjust Parameter

FOD_X1 (0x40)

BIT

7

6

5

4

3

2

1

0

Field

FOD_X1[7:0]

Reset

0b0000_1000

Access Type

Write, Read

BITFIELD

BITS

DESCRIPTION

FOD_X1

7:0

FOD Adjust Parameter

FOD_Y1 (0x41)

BIT

7

6

5

4

3

2

1

0

Field

FOD_Y1[7:0]

Reset

0b0001_1010

Access Type

Write, Read

BITFIELD

BITS

DESCRIPTION

FOD_Y1

7:0

FOD Adjust Parameter

www.maximintegrated.com

Maxim Integrated •”‚

  38

MAX77950

WPC/PMA Dual Mode Wireless Power Receiver

background image

FOD_X2 (0x42)

BIT

7

6

5

4

3

2

1

0

Field

FOD_X2[7:0]

Reset

0b0000_1110

Access Type

Write, Read

BITFIELD

BITS

DESCRIPTION

FOD_X2

7:0

FOD Adjust Parameter

FOD_Y2 (0x43)

BIT

7

6

5

4

3

2

1

0

Field

FOD_Y2[7:0]

Reset

0b0010_0000

Access Type

Write, Read

BITFIELD

BITS

DESCRIPTION

FOD_Y2

7:0

FOD Adjust Parameter

FOD_X3 (0x44)

BIT

7

6

5

4

3

2

1

0

Field

FOD_X3[7:0]

Reset

0b0001_0000

Access Type

Write, Read

BITFIELD

BITS

DESCRIPTION

FOD_X3

7:0

FOD Adjust Parameter

FOD_Y3 (0x45)

BIT

7

6

5

4

3

2

1

0

Field

FOD_Y3[7:0]

Reset

0b0001_1111

Access Type

Write, Read

BITFIELD

BITS

DESCRIPTION

FOD_Y3

7:0

FOD Adjust Parameter

FOD_X4 (0x46)

BIT

7

6

5

4

3

2

1

0

Field

FOD_X4[7:0]

Reset

0b0001_0111

Access Type

Write, Read

BITFIELD

BITS

DESCRIPTION

FOD_X4

7:0

FOD Adjust Parameter

www.maximintegrated.com

Maxim Integrated •”‚

  39

MAX77950

WPC/PMA Dual Mode Wireless Power Receiver

background image

FOD_Y4 (0x47)

BIT

7

6

5

4

3

2

1

0

Field

FOD_Y4[7:0]

Reset

0b0010_0110

Access Type

Write, Read

BITFIELD

BITS

DESCRIPTION

FOD_Y4

7:0

FOD Adjust Parameter

FOD_X5 (0x48)

BIT

7

6

5

4

3

2

1

0

Field

FOD_X5[7:0]

Reset

0b0001_1101

Access Type

Write, Read

BITFIELD

BITS

DESCRIPTION

FOD_X5

7:0

FOD Adjust Parameter

FOD_Y5 (0x49)

BIT

7

6

5

4

3

2

1

0

Field

FOD_Y5[7:0]

Reset

0b0010_1100

Access Type

Write, Read

BITFIELD

BITS

DESCRIPTION

FOD_Y5

7:0

FOD Adjust Parameter

FOD_X6 (0x4A)

BIT

7

6

5

4

3

2

1

0

Field

FOD_X6[7:0]

Reset

0b0010_1010

Access Type

Write, Read

BITFIELD

BITS

DESCRIPTION

FOD_X6

7:0

FOD Adjust Parameter

FOD_Y6 (0x4B)

BIT

7

6

5

4

3

2

1

0

Field

FOD_Y6[7:0]

Reset

0b0011_1000

Access Type

Write, Read

BITFIELD

BITS

DESCRIPTION

FOD_Y6

7:0

FOD Adjust Parameter

www.maximintegrated.com

Maxim Integrated •”‚

  40

MAX77950

WPC/PMA Dual Mode Wireless Power Receiver

background image

FOD_X7 (0x4C)

BIT

7

6

5

4

3

2

1

0

Field

FOD_X7[7:0]

Reset

0b0011_0001

Access Type

Write, Read

BITFIELD

BITS

DESCRIPTION

FOD_X7

7:0

FOD Adjust Parameter

FOD_Y7 (0x4D)

BIT

7

6

5

4

3

2

1

0

Field

FOD_Y7[7:0]

Reset

0b0011_1110

Access Type

Write, Read

BITFIELD

BITS

DESCRIPTION

FOD_Y7

7:0

FOD Adjust Parameter

FOD_X8 (0x4E)

BIT

7

6

5

4

3

2

1

0

Field

FOD_X8[7:0]

Reset

0b0011_1100

Access Type

Write, Read

BITFIELD

BITS

DESCRIPTION

FOD_X8

7:0

FOD Adjust Parameter

FOD_Y8 (0x4F)

BIT

7

6

5

4

3

2

1

0

Field

FOD_Y8[7:0]

Reset

0b0100_0101

Access Type

Write, Read

BITFIELD

BITS

DESCRIPTION

FOD_Y8

7:0

FOD Adjust Parameter

FOD_X9 (0x50)

BIT

7

6

5

4

3

2

1

0

Field

FOD_X9[7:0]

Reset

0b0100_1100

Access Type

Write, Read

BITFIELD

BITS

DESCRIPTION

FOD_X9

7:0

FOD Adjust Parameter

www.maximintegrated.com

Maxim Integrated •”‚

  41

MAX77950

WPC/PMA Dual Mode Wireless Power Receiver

background image

FOD_Y9 (0x51)

BIT

7

6

5

4

3

2

1

0

Field

FOD_Y9[7:0]

Reset

0b0101_0011

Access Type

Write, Read

BITFIELD

BITS

DESCRIPTION

FOD_Y9

7:0

FOD Adjust Parameter

FOD_X10 (0x52)

BIT

7

6

5

4

3

2

1

0

Field

FOD_X10[7:0]

Reset

0b0110_0011

Access Type

Write, Read

BITFIELD

BITS

DESCRIPTION

FOD_X10

7:0

FOD Adjust Parameter

FOD_Y10 (0x53)

BIT

7

6

5

4

3

2

1

0

Field

FOD_Y10[7:0]

Reset

0b0110_1000

Access Type

Write, Read

BITFIELD

BITS

DESCRIPTION

FOD_Y10

7:0

FOD Adjust Parameter

FOD_X11 (0x54)

BIT

7

6

5

4

3

2

1

0

Field

FOD_X11[7:0]

Reset

0b0110_1001

Access Type

Write, Read

BITFIELD

BITS

DESCRIPTION

FOD_X11

7:0

FOD Adjust Parameter

FOD_Y11 (0x55)

BIT

7

6

5

4

3

2

1

0

Field

FOD_Y11[7:0]

Reset

0b0110_1110

Access Type

Write, Read

BITFIELD

BITS

DESCRIPTION

FOD_Y11

7:0

FOD Adjust Parameter

www.maximintegrated.com

Maxim Integrated •”‚

  42

MAX77950

WPC/PMA Dual Mode Wireless Power Receiver

background image

FOD_X12 (0x56)

BIT

7

6

5

4

3

2

1

0

Field

FOD_X12[7:0]

Reset

0b0111_0111

Access Type

Write, Read

BITFIELD

BITS

DESCRIPTION

FOD_X12

7:0

FOD Adjust Parameter

FOD_Y12 (0x57)

BIT

7

6

5

4

3

2

1

0

Field

FOD_Y12[7:0]

Reset

0b0111_1100

Access Type

Write, Read

BITFIELD

BITS

DESCRIPTION

FOD_Y12

7:0

FOD Adjust Parameter

FOD_X13 (0x58)

BIT

7

6

5

4

3

2

1

0

Field

FOD_X13[7:0]

Reset

0b1000_0110

Access Type

Write, Read

BITFIELD

BITS

DESCRIPTION

FOD_X13

7:0

FOD Adjust Parameter

FOD_Y13 (0x59)

BIT

7

6

5

4

3

2

1

0

Field

FOD_Y13[7:0]

Reset

0b1000_1011

Access Type

Write, Read

BITFIELD

BITS

DESCRIPTION

FOD_Y13

7:0

FOD Adjust Parameter

FOD_X14 (0x5A)

BIT

7

6

5

4

3

2

1

0

Field

FOD_X14[7:0]

Reset

0b1001_0101

Access Type

Write, Read

BITFIELD

BITS

DESCRIPTION

FOD_X14

7:0

FOD Adjust Parameter

www.maximintegrated.com

Maxim Integrated •”‚

  43

MAX77950

WPC/PMA Dual Mode Wireless Power Receiver

background image

FOD_Y14 (0x5B)

BIT

7

6

5

4

3

2

1

0

Field

FOD_Y14[7:0]

Reset

0b1001_1011

Access Type

Write, Read

BITFIELD

BITS

DESCRIPTION

FOD_Y14

7:0

FOD Adjust Parameter

FOD_X15 (0x5C)

BIT

7

6

5

4

3

2

1

0

Field

FOD_X15[7:0]

Reset

0b1010_0100

Access Type

Write, Read

BITFIELD

BITS

DESCRIPTION

FOD_X15

7:0

FOD Adjust Parameter

FOD_Y15 (0x5D)

BIT

7

6

5

4

3

2

1

0

Field

FOD_Y15[7:0]

Reset

0b1010_1011

Access Type

Write, Read

BITFIELD

BITS

DESCRIPTION

FOD_Y15

7:0

FOD Adjust Parameter

OV_CLAMP_VOLTAGE (0x62)

BIT

7

6

5

4

3

2

1

0

Field

RESERVED[2:0]

POV_

CLAMP_

VOLTAGE

RESERVED[1:0]

OV_CLAMP_VOLT-

AGE[1:0]

Reset

0b000

0b0

0b00

0b00

Access Type

Write, Read

Write, Read

Write, Read

Write, Read

BITFIELD

BITS

DESCRIPTION

RESERVED

7:5

RSVD

POV_CLAMP_VOLT-

AGE

4

1: OV_CLAMP_VOLTAGE - 1.5V

0: OV_CLAMP_VOLTAGE - 1.0V

RESERVED

3:2

RSVD

OV_CLAMP_VOLTAGE

1:0

00: 17V

01: 16V

10: 15V

11: 14V

www.maximintegrated.com

Maxim Integrated •”‚

  44

MAX77950

WPC/PMA Dual Mode Wireless Power Receiver

background image

TX_LAST_CEP (0x63)

BIT

7

6

5

4

3

2

1

0

Field

TX_LAST_CEP[7:0]

Reset

0b0000_0000

Access Type

Read Only

BITFIELD

BITS

DESCRIPTION

TX_LAST_CEP

7:0

The latest received CEP from the WPC receiver in Tx (PeerPower) mode.

TX_LAST_RPP (0x64)

BIT

7

6

5

4

3

2

1

0

Field

TX_LAST_RPP[7:0]

Reset

0b0000_0000

Access Type

Read Only

BITFIELD

BITS

DESCRIPTION

TX_LAST_RPP

7:0

The latest received RPP from the WPC receiver in Tx (PeerPower) mode.

TX_LAST_PCHP (0x65)

BIT

7

6

5

4

3

2

1

0

Field

TX_LAST_PCHP[7:0]

Reset

0b0000_0101

Access Type

Read Only

BITFIELD

BITS

DESCRIPTION

TX_LAST_PCHP

7:0

The latest received PCHP (power control hold off packet) from the WPC 

receiver in Tx (PeerPower) mode.

www.maximintegrated.com

Maxim Integrated •”‚

  45

MAX77950

WPC/PMA Dual Mode Wireless Power Receiver

background image

LDO_WPDET_CNFG (0x70)

BIT

7

6

5

4

3

2

1

0

Field

WPDET_H_DE-

BOUNCE[1:0]

WPDET_L_DE-

BOUNCE[1:0]

WPDET_H_THRESH-

OLD[1:0]

WPDET_L_THRESH-

OLD[1:0]

Reset

0b01

0b01

0b01

0b00

Access Type

Write, Read

Write, Read

Write, Read

Write, Read

BITFIELD

BITS

DESCRIPTION

WPDET_H_DE-

BOUNCE

7:6

00: 1μs

01: 1ms

10: 2ms

11: 3ms

WPDET_L_DEBOUNCE

5:4

00: 1μs

01: 1ms

10: 2ms

11: 3ms

WPDET_H_THRESH-

OLD

3:2

00: 4.4V

01: 4.5V

10: 4.6V

11: 4.7V

WPDET_L_THRESH-

OLD

1:0

00: 3.6V

01: 3.8V

10: 4.0V

11: 4.2V

VRECT_TARGET_X0 (0xBA)

BIT

7

6

5

4

3

2

1

0

Field

VRECT_TARGET_X0[7:0]

Reset

0b0000_0000

Access Type

Write, Read

BITFIELD

BITS

DESCRIPTION

VRECT_TARGET_X0

7:0

V

RECT

 Target Profile, X-coordinate 0

VRECT_TARGET_Y0 (0xBB)

BIT

7

6

5

4

3

2

1

0

Field

VRECT_TARGET_Y0[7:0]

Reset

0b0111_0111

Access Type

Write, Read

BITFIELD

BITS

DESCRIPTION

VRECT_TARGET_Y0

7:0

V

RECT

 Target Profile, WPC Y-coordinate 0

www.maximintegrated.com

Maxim Integrated •”‚

  46

MAX77950

WPC/PMA Dual Mode Wireless Power Receiver

background image

VRECT_TARGET_PMA_Y0 (0xBC)

BIT

7

6

5

4

3

2

1

0

Field

VRECT_TARGET_PMA_Y0[7:0]

Reset

0b0111_1011

Access Type

Write, Read

BITFIELD

BITS

DESCRIPTION

VRECT_TARGET_

PMA_Y0

7:0

V

RECT

 Target Profile, PMA Y-coordinate 0

VRECT_TARGET_X1 (0xBD)

BIT

7

6

5

4

3

2

1

0

Field

VRECT_TARGET_X1[7:0]

Reset

0b0000_0111

Access Type

Write, Read

BITFIELD

BITS

DESCRIPTION

VRECT_TARGET_X1

7:0

V

RECT

 Target Profile, X-coordinate 1

VRECT_TARGET_Y1 (0xBE)

BIT

7

6

5

4

3

2

1

0

Field

VRECT_TARGET_Y1[7:0]

Reset

0b0111_0010

Access Type

Write, Read

BITFIELD

BITS

DESCRIPTION

VRECT_TARGET_Y1

7:0

V

RECT

 Target Profile, WPC Y-coordinate 1

VRECT_TARGET_PMA_Y1 (0xBF)

BIT

7

6

5

4

3

2

1

0

Field

VRECT_TARGET_PMA_Y1[7:0]

Reset

0b0111_0111

Access Type

Write, Read

BITFIELD

BITS

DESCRIPTION

VRECT_TARGET_

PMA_Y1

7:0

V

RECT

 Target Profile, PMA Y-coordinate 1

www.maximintegrated.com

Maxim Integrated •”‚

  47

MAX77950

WPC/PMA Dual Mode Wireless Power Receiver

background image

VRECT_TARGET_X2 (0xC0)

BIT

7

6

5

4

3

2

1

0

Field

VRECT_TARGET_X2[7:0]

Reset

0b0001_0001

Access Type

Write, Read

BITFIELD

BITS

DESCRIPTION

VRECT_TARGET_X2

7:0

V

RECT

 Target Profile, X-coordinate 2

VRECT_TARGET_Y2 (0xC1)

BIT

7

6

5

4

3

2

1

0

Field

VRECT_TARGET_Y2[7:0]

Reset

0b0110_1100

Access Type

Write, Read

BITFIELD

BITS

DESCRIPTION

VRECT_TARGET_Y2

7:0

V

RECT

 Target Profile, WPC Y-coordinate 2

VRECT_TARGET_PMA_Y2 (0xC2)

BIT

7

6

5

4

3

2

1

0

Field

VRECT_TARGET_PMA_Y2[7:0]

Reset

0b0111_0001

Access Type

Write, Read

BITFIELD

BITS

DESCRIPTION

VRECT_TARGET_

PMA_Y2

7:0

V

RECT

 Target Profile, PMA Y-coordinate 2

VRECT_TARGET_X3 (0xC3)

BIT

7

6

5

4

3

2

1

0

Field

VRECT_TARGET_X3[7:0]

Reset

0b0001_1110

Access Type

Write, Read

BITFIELD

BITS

DESCRIPTION

VRECT_TARGET_X3

7:0

V

RECT

 Target Profile, X-coordinate 3

VRECT_TARGET_Y3 (0xC4)

BIT

7

6

5

4

3

2

1

0

Field

VRECT_TARGET_Y3[7:0]

Reset

0b0110_0110

Access Type

Write, Read

BITFIELD

BITS

DESCRIPTION

VRECT_TARGET_Y3

7:0

V

RECT

 Target Profile, WPC Y-coordinate 3

www.maximintegrated.com

Maxim Integrated •”‚

  48

MAX77950

WPC/PMA Dual Mode Wireless Power Receiver

background image

VRECT_TARGET_PMA_Y3 (0xC5)

BIT

7

6

5

4

3

2

1

0

Field

VRECT_TARGET_PMA_Y3[7:0]

Reset

0b0110_1010

Access Type

Write, Read

BITFIELD

BITS

DESCRIPTION

VRECT_TARGET_

PMA_Y3

7:0

V

RECT

 Target Profile, PMA Y-coordinate 3

VRECT_TARGET_X4 (0xC6)

BIT

7

6

5

4

3

2

1

0

Field

VRECT_TARGET_X4[7:0]

Reset

0b0010_1110

Access Type

Write, Read

BITFIELD

BITS

DESCRIPTION

VRECT_TARGET_X4

7:0

V

RECT

 Target Profile, X-coordinate 4

VRECT_TARGET_Y4 (0xC7)

BIT

7

6

5

4

3

2

1

0

Field

VRECT_TARGET_Y4[7:0]

Reset

0b0110_0000

Access Type

Write, Read

BITFIELD

BITS

DESCRIPTION

VRECT_TARGET_Y4

7:0

V

RECT

 Target Profile, WPC Y-coordinate 4

VRECT_TARGET_PMA_Y4 (0xC8)

BIT

7

6

5

4

3

2

1

0

Field

VRECT_TARGET_PMA_Y4[7:0]

Reset

0b0110_0010

Access Type

Write, Read

BITFIELD

BITS

DESCRIPTION

VRECT_TARGET_

PMA_Y4

7:0

V

RECT

 Target Profile, PMA Y-coordinate 4

VRECT_TARGET_X5 (0xC9)

BIT

7

6

5

4

3

2

1

0

Field

VRECT_TARGET_X5[7:0]

Reset

0b0011_1111

Access Type

Write, Read

BITFIELD

BITS

DESCRIPTION

VRECT_TARGET_X5

7:0

V

RECT

 Target Profile, X-coordinate 5

www.maximintegrated.com

Maxim Integrated •”‚

  49

MAX77950

WPC/PMA Dual Mode Wireless Power Receiver

background image

VRECT_TARGET_Y5 (0xCA)

BIT

7

6

5

4

3

2

1

0

Field

VRECT_TARGET_Y5[7:0]

Reset

0b0101_1010

Access Type

Write, Read

BITFIELD

BITS

DESCRIPTION

VRECT_TARGET_Y5

7:0

V

RECT

 Target Profile, WPC Y-coordinate 5

VRECT_TARGET_PMA_Y5 (0xCB)

BIT

7

6

5

4

3

2

1

0

Field

VRECT_TARGET_PMA_Y5[7:0]

Reset

0b0101_1011

Access Type

Write, Read

BITFIELD

BITS

DESCRIPTION

VRECT_TARGET_

PMA_Y5

7:0

V

RECT

 Target Profile, PMA Y-coordinate 5

VRECT_TARGET_X6 (0xCC)

BIT

7

6

5

4

3

2

1

0

Field

VRECT_TARGET_X6[7:0]

Reset

0b0101_0001

Access Type

Write, Read

BITFIELD

BITS

DESCRIPTION

VRECT_TARGET_X6

7:0

V

RECT

 Target Profile, X-coordinate 6

VRECT_TARGET_Y6 (0xCD)

BIT

7

6

5

4

3

2

1

0

Field

VRECT_TARGET_Y6[7:0]

Reset

0b0101_1000

Access Type

Write, Read

BITFIELD

BITS

DESCRIPTION

VRECT_TARGET_Y6

7:0

V

RECT

 Target Profile, WPC Y-coordinate 6

VRECT_TARGET_PMA_Y6 (0xCE)

BIT

7

6

5

4

3

2

1

0

Field

VRECT_TARGET_PMA_Y6[7:0]

Reset

0b0101_1001

Access Type

Write, Read

BITFIELD

BITS

DESCRIPTION

VRECT_TARGET_

PMA_Y6

7:0

V

RECT

 Target Profile, PMA Y-coordinate 6

www.maximintegrated.com

Maxim Integrated •”‚

  50

MAX77950

WPC/PMA Dual Mode Wireless Power Receiver

background image

VRECT_TARGET_X7 (0xCF)

BIT

7

6

5

4

3

2

1

0

Field

VRECT_TARGET_X7[7:0]

Reset

0b0110_0110

Access Type

Write, Read

BITFIELD

BITS

DESCRIPTION

VRECT_TARGET_X7

7:0

V

RECT

 Target Profile, X-coordinate 7

VRECT_TARGET_Y7 (0xD0)

BIT

7

6

5

4

3

2

1

0

Field

VRECT_TARGET_Y7[7:0]

Reset

0b0101_0111

Access Type

Write, Read

BITFIELD

BITS

DESCRIPTION

VRECT_TARGET_Y7

7:0

V

RECT

 Target Profile, WPC Y-coordinate 7

VRECT_TARGET_PMA_Y7 (0xD1)

BIT

7

6

5

4

3

2

1

0

Field

VRECT_TARGET_PMA_Y7[7:0]

Reset

0b0101_0111

Access Type

Write, Read

BITFIELD

BITS

DESCRIPTION

VRECT_TARGET_

PMA_Y7

7:0

V

RECT

 Target Profile, PMA Y-coordinate 7

PMA_ADV_DATA (0xDB)

BIT

7

6

5

4

3

2

1

0

Field

PMA_ADV_DATA[7:0]

Reset

0b0000_0000

Access Type

Read Only

BITFIELD

BITS

DESCRIPTION

PMA_ADV_DATA

7:0

Data from the PMA advertisement packet received from the PMA transmitter.

PMA_ADV_CRC (0xDC)

BIT

7

6

5

4

3

2

1

0

Field

RESERVED[3:0]

PMA_ADV_CRC[3:0]

Reset

0b0000

0b0000

Access Type

Read Only

Read Only

BITFIELD

BITS

DESCRIPTION

RESERVED

7:4

RSVD

PMA_ADV_CRC

3:0

CRC code in the PMA advertised packet received from the PMA transmitter.

www.maximintegrated.com

Maxim Integrated •”‚

  51

MAX77950

WPC/PMA Dual Mode Wireless Power Receiver

background image

PART NUMBER

TEMP RANGE

PIN-PACKAGE

MAX77950EWW+T

-40 °C to +85 °C

52-bump WLP, 

0.4mm pitch

+ Denotes a lead(Pb)-free/RoHS-compliant package. 

T = Tape-and-reel.

DIS

WP_EN

CLAMP1

COMM1

BST1

AC1
AC1
AC1

AC2
AC2
AC2

BST2

COMM2

CLAMP2

V

RECT

V

RECT

V

RECT

V

RECT

V

RECT

V

RECT

V

RECT

G2

H1
H2

15nF

G1

A1

B1

B5

47nF

47nF

G5

H5
H6

DMODIN

100nF

100nF

100nF

100k٦

1nF

10nF

20k٦

GND

G

4

ADCREF

V

DD

Ls

8 ΅H

GND

1 ΅F

1 ΅F

V

RECT

V

OUT

V

OUT

V

OUT

V

OUT

V

OUT

V

OUT

INT

SCL

SDA

WP_DET

P2PEN

V1P8

V

CC

N.C.

DNC
DNC
DNC
DNC
DNC

C2

A2

H4
H3
G3

A5

GND

1 ΅F

1 ΅F

GND

D2
D3
D4
D5
D6

D1

10 ΅F

10 ΅F

100kΩ¦ 2.2kΩ¦ 2.2kΩ¦

INT

SCL
SDA

VIO_SYSTEM

WP_DET

P2PEN

15nF

G6

A6

B6

47nF

47nF

PGND

PGND

PGND

PGND

PGND

PGND

PGND

PGND

AGND

GND

GND

C

1

C

6

J1

J2

J3

J4

J5

J6

B4

F6

F1

B2

C4

B3

A3

C3

10 ΅F

10 ΅F

10 ΅F 100nF

GND

E1
E2
F2
F3

F4
F5
E5
E6

A4

C

5

ONLY FOR PeerPower MODE

MAX77950

100nF

Typical Application Circuit

Ordering Information

www.maximintegrated.com

Maxim Integrated •”‚

  52

MAX77950

WPC/PMA Dual Mode Wireless Power Receiver

background image

REVISION

NUMBER

REVISION

DATE

DESCRIPTION

PAGES

CHANGED

0

3/17

Initial release

—

Revision History

Maxim Integrated cannot assume responsibility for use of any circuitry other than circuitry entirely embodied in a Maxim Integrated product. No circuit patent licenses 

are implied. Maxim Integrated reserves the right to change the circuitry and specifications without notice at any time. The parametric values (min and max limits) 

shown in the Electrical Characteristics table are guaranteed. Other parametric values quoted in this data sheet are provided for guidance.

Maxim Integrated and the Maxim Integrated logo are trademarks of Maxim Integrated Products, Inc.

© 2017 Maxim Integrated Products, Inc. •”‚  53

MAX77950

WPC/PMA Dual Mode Wireless Power Receiver

For pricing, delivery, and ordering information, please contact Maxim Direct at 1-888-629-4642, or visit Maxim Integrated’s website at www.maximintegrated.com.


powered by phppowered by MySQLPOWERED BY APACHEPOWERED BY CentOS© 2004 - 2026Información Legalpoliticas de cookiesipv6 ready