Secciones
Foros Electrónica
Boletines de correo
Boletines
background image

Device

Operating

Temperature Range

Package



SEMICONDUCTOR

TECHNICAL DATA

COLOR TELEVISION

RGB to PAL/NTSC ENCODER

ORDERING INFORMATION

MC1377DW

MC1377P

TA = 0

 to +70

C

SO-20L

Plastic DIP

Order this document by MC1377/D

P SUFFIX

PLASTIC PACKAGE

CASE 738

DW SUFFIX

PLASTIC PACKAGE

CASE 751D

(SO-20L)

20

1

20

1

1

MOTOROLA ANALOG IC DEVICE DATA

       

     

The MC1377 will generate a composite video from baseband red, green,

blue, and sync inputs.  On board features include: a color subcarrier
oscillator; voltage controlled 90

 phase shifter; two double sideband

suppressed carrier (DSBSC) chroma modulators; and RGB input matrices
with blanking level clamps.  Such features permit system design with few
external components and accordingly, system performance comparable to
studio equipment with external components common in receiver systems.

Self-contained or Externally Driven Reference Oscillator

Chroma Axes, Nominally 90

 (

5

), are Optionally Trimable

PAL/NTSC Compatible

Internal 8.2 V Regulator

Figure 1. Representative Block Diagram

Oscout

Oscin

NTSC/PAL

Select

Gnd

18

17

20

15

Quad

Decoup

VCC

VB

19

14

16

13

10

11

12

9

7

Chroma Out

Chroma In

B-Y Clamp

R-Y Clamp

Composite
Video Output
Video Clamp

1

2

3

4

5

6

8

Trise

Composite
Sync Input

R

G

B

Inputs

-Yout

-Yin

Oscillator

Buffer

Voltage

Controlled

90

8.2V

Regulator

PAL

Switch
0/180

Chroma
Amp

B-Y

Clamp

R-Y

Clamp

Output Amp/

Clamp

Color Difference and

Luminance Matrix

Dual

Comparator

Latching

Ramp

Generator

PAL/NTSC

Control

Burst

Pulse

Driver

90

0

H/2

R-Y

B-Y

R-Y

B-Y

-Y

Motorola, Inc. 1995

background image

MC1377

2

MOTOROLA ANALOG IC DEVICE DATA

MAXIMUM OPERATING CONDITIONS

Rating

Symbol

Value

Unit

Supply Voltage

VCC

15

Vdc

Storage Temperature

Tstg

-65 to +150

C

Power Dissipation Package

Derate above 25

C

PD

1.25

10

W

mW/

C

Operating Temperature

TA

0 to +70

C

RECOMMENDED OPERATING CONDITIONS

Characteristics

Min

Typ

Max

Unit

Supply Voltage

10

12

14

Vdc

IB Current (Pin 16)

0

-

-10

mA

Sync, Blanking Level (DC level between pulses, see Figure 9e)
Sync Tip Level (see Figure 9e)
Sync Pulse Width (see Figure 9e)

1.7

-0.5

2.5

-
0
-

8.2
0.9
5.2

Vdc

s

R, G, B Input (Amplitude)
R, G, B Peak Levels for DC Coupled Inputs, with Respect to Ground

-

2.2

1.0

-

-

4.4

Vpp

V

Chrominance Bandwidth (Non-comb Filtered Applications), (6 dB)

0.5

1.5

2.0

MHz

Ext. Subscarrier Input (to Pin 17) if On-Chip Oscillator is not used.

0.5

0.7

1.0

Vpp

ELECTRICAL CHARACTERISTICS 

(VCC = 12 Vdc, TA = 25

C, circuit of Figure 7, unless otherwise noted.)

Characteristics

Pins

Symbol

Min

Typ

Max

Unit

SUPPLY CURRENT

Supply Current into VCC, No Load, on Pin 9.

VCC = 10 V

Circuit Figure 7

VCC = 11 V
VCC = 12 V
VCC = 13 V
VCC = 14 V

14

ICC

-
-

20

-
-

33
34
35
36
37

-
-

40

-
-

mA

VOLTAGE REGULATOR

VB Voltage (IB = -10 mA, VCC = 12 V, Figure 7)

Load Regulation (0 < IB 

 10 mA, VCC = 12 V)

Line Regulation (IB = 0 mA, 10 V < VCC < 14 V) 

16

VB

Regload

Regline

7.7

-20

-

8.2

120

4.5

8.7

+30

-

Vdc

mV

mV/V

OSCILLATOR AND MODULATION

Oscillator Amplitude with 3.58 MHz/4.43 MHz crystal

17

Osc

-

0.6

-

Vpp

Subcarrier Input: Resistance at 3.58 MHz

Subcarrier Input: Resistance at 

4.43 MHz

17

Rosc

-
-

5.0
4.0

-
-

k

Capacitance

Cosc

-

2.0

-

pF

Modulation Angle (R-Y) to (B-Y)

Angle Adjustment (R-Y)
DC Bias Voltage

-

19
19

m

m

V19

-
-
-

5

0.25

6.4

-
-
-

Deg

Deg/

A

Vdc

CHROMINANCE AND LUMINANCE

Chroma Input DC Level
Chroma Input Level for 100% Saturation

10

Vin

-
-

4.0
0.7

-
-

Vdc
Vpp

Chroma Input: Resistance

Chroma Input: 

Capacitance

Rin
Cin

-
-

10

2.0

-
-

k

pF

Chroma DC Output Level
Chroma Output Level at 100% Saturation

13

Vout

8.9

-

10

1.0

10.9

-

Vdc
Vpp

Chroma Output Resistance

Rout

-

50

-

Luminance Bandwidth (-3.0 dB), Less Delay Line

9

BWLuma

-

8.0

-

MHz

background image

MC1377

3

MOTOROLA ANALOG IC DEVICE DATA

ELECTRICAL CHARACTERISTICS 

(VCC = 12 Vdc, TA = 25

C, circuit of Figure 7, unless otherwise noted.)

Characteristics

Pins

Symbol

Min

Typ

Max

Unit

VIDEO INPUT

R, G, B Input DC Levels

3, 4, 5

RGB

2.8

3.3

3.8

Vdc

R, G, B Input for 100% Color Saturation

-

1.0

-

Vpp

R, G, B Input: Resistance

R, G, B Input: 

Capacitance

RRGB
CRGB

8.0

-

10

2.0

17

-

k

pF

Sync Input Resistance (1.7 V < Input < 8.2)

2

Sync

-

10

-

k

COMPOSITE VIDEO OUTPUT

Composite Output,
100% Saturation
(see Figure 8d)

Sync
Luminance
Chroma
Burst

9

CVout

-
-
-
-

0.6
1.4
1.7
0.6

-
-
-
-

Vpp

Output Impedance (Note 1)

Rvideo

-

50

-

Subcarrier Leakage in Output (Note 2)

Vlk

-

20

-

mVpp

NOTES: 1. Output Impedance can be reduced to less than 10 

 by using a 150 

 output load from Pin 9 to ground. Power supply current will

increase to about 60 mA.

2. Subcarrier leakage can be reduced to less than 10 mV with optional circuitry (see Figure 12).

PIN FUNCTION DESCRIPTIONS

Symbol

Pin

Description

tr

1

External components at this pin set the rise time of the internal ramp function generator (see Figure 10).

Sync

2

Composite sync input. Presents 10 k

 resistance to input.

R

3

Red signal input. Presents 10 k

 impedance to input. 1.0 Vpp required for 100% saturation.

G

4

Green signal input. Presents 10 k

 impedance to input. 1.0 Vpp required for 100% saturation.

B

5

Blue signal Input. Presents 10 k

 impedance to input. 1.0 Vpp required for 100% saturation.

-Yout

6

Luma (-Y) output. Allows external setting of luma delay time.

Vclamp

7

Video Clamp pin. Typical connection is a 0.01 

F capacitor to ground.

-Yin

8

Luma (-Y) input. Presents 10 k

 input impedance.

CVout

9

Composite Video output. 50 

 output impedance.

ChromaIn

10

Chroma input. Presents 10 k

 input impedance.

B-Yclamp

11

B-Y clamp. Clamps B-Y during blanking with a 0.1 

F capacitor to ground.

Also used with R-Y clamp to null residual color subcarrier in output.

R-Yclamp

12

R-Y clamp. Clamps R-Y during blanking with a 0.1 

F capacitor to ground.

Also used with B-Y clamp to null residual color subcarrier in output.

ChromaOut

13

Chroma output. 50 

 output impedance.

VCC

14

Power supply pin for the IC; +12, 

 

2.0 V, required at 35 mA (typical).

Gnd

15

Ground pin.

VB

16

8.2 V reference from an internal regulator capable of delivering 10 mA to external circuitry.

Oscin

17

Oscillator input. A transistor base presents 5.0 k

 to an external subcarrier input, or is available for

constructing a Colpitts oscillator (see Figure 4).

Oscout

18

Oscillator output. The emitter of the transistor, with base access at Pin 17, is accessible for completing the
Colpitts oscillator. See Figure 4.

m

19

Quad decoupler. With external circuitry, R-Y to B-Y relative angle errors can be corrected. Typically,
requires a 0.01 

F capacitor to ground.

NTSC/PAL

Select

20

NTSC/PAL switch. When grounded, the MC1377 is in the NTSC mode; if unconnected, in the PAL mode.

background image

MC1377

4

MOTOROLA ANALOG IC DEVICE DATA

FUNCTIONAL DESCRIPTION

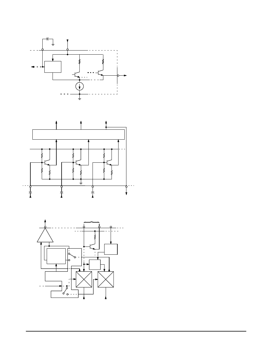
Figure 2. Power Supply and VB

0.1

VCC = +12V

16

14

15

32mA

8.2V

Regulator

9

100

Figure 3. RGB Input Circuitry

13

17

18

19

Chroma

Out

Oscillator

Quad

Decoup

Amp/

Buffer

  

Θ

PAL

Switch
0/180

NTSC

PAL

PAL/NTSC

Control

Burst
Flag

NTSC

PAL

B-Y

R-Y

B-Y

R-Y

+90

R

Figure 4. Chroma Section

R-Y

15

F

3

18k

B-Y

-Y

RGB Matrix

18k

18k

15

F

4

G

15

F

5

B

6

-Y

27k

27k

27k

Power Supply and VB (8.2 V Regulator)

The MC1377 pin for power supply connection is Pin 14.

From the supply voltage applied to this pin, the IC biases
internal output stages and is used to power the 8.2 V internal
regulator (VB at Pin 16) which biases the majority of internal
circuitry. The regulator will provide a nominal 8.2 V and is
capable of 10 mA before degradation of performance. An
equivalent circuit of the supply and regulator is shown in
Figure 2.

R, G, B Inputs

The RGB inputs are internally biased to 3.3 V and provide

10 k

 of input impedance. Figure 3 shows representative

input circuitry at Pins 3, 4, and 5.

The input coupling capacitors of 15 

F are used to prevent

tilt during the 50/60 Hz vertical period. However, if it is desired
to avoid the use of the capacitors, then inputs to Pins 3, 4,
and 5 can be dc coupled provided that the signal levels are
always between 2.2 V and 4.4 V.

After input, the separate RGB information is introduced to

the matrix circuitry which outputs the R-Y, B-Y, and -Y
signals. The -Y information is routed out at Pin 6 to an
external delay line (typically 400 ns).

DSBSC Modulators and 3.58 MHz Oscillator

The R-Y and B-Y outputs (see (B-Y)/(R-Y) Axes versus

I/Q Axes, Figure 22) from the matrix circuitry are amplitude
modulated onto the 3.58/4.43 MHz subcarrier. These signals
are added and color burst is included to produce composite
chroma available at Pin 13. These functions plus others,
depending on whether NTSC or PAL operation is chosen, are
performed in the chroma section. Figure 4 shows a block
diagram of the chroma section.

The MC1377 has two double balanced mixers, and

regardless of which mode is chosen (NTSC or PAL), the
mixers always perform the same operation. The B-Y mixer
modulates the color subcarrier directly, the R-Y mixer
receives a 90

 phase shifted color subcarrier before being

modulated by the R-Y baseband information. Additional
operations are then performed on these two signals to make
them NTSC or PAL compatible.

In the NTSC mode, the NTSC/PAL control circuitry allows

an inverted burst of 3.58 MHz to be added only to the B-Y
signal. A gating pulse or burst flag from the timing section
permits color burst to be added to the B-Y signal. This color
burst is 180

 from the B-Y signal and 90

 away from the R-Y

signal (see Figure 22) and permits decoding of the color
information. These signals are then added and amplified
before being output, at Pin 13, to be bandpassed and then
reintroduced to the IC at Pin 10.

In the PAL mode, NTSC/PAL control circuitry allows an

inverted 4.43 MHz burst to be added to both R-Y and B-Y
equally to produce the characteristic PAL 225

/135 burst

phase. Also, the R-Y information is switched alternately from
180

 to 0

 of its original position and added to the B-Y

information to be amplified and output.

background image

MC1377

5

MOTOROLA ANALOG IC DEVICE DATA

Timing Circuitry

The composite sync input at Pin 2 performs three

important functions: it provides the timing (but not the
amplitude) for the sync in the final output; it drives the black
level clamps in the modulators and output amplifier; and it
triggers the ramp generator at Pin 1, which produces burst
envelope and PAL switching. A representative block diagram
of the timing circuitry is shown in Figure 5.

In order to produce a color burst, a burst envelope must be

generated which gates a color subcarrier into the R-Y and
B-Y modulators. This is done with the ramp generator at
Pin 1.

The ramp generator at Pin 1 is an R-C type in which the

pin is held low until the arrival of the 

leading edge of sync. The

rising ramp function, with time constant R-C, passes through
two level sensors - the first one starts the gating pulse and
the second stops it (see Figure 10). Since the early part of
the exponential is used, the timing provided is relatively
accurate from chip-to-chip and assembly-to-assembly.
Fixed components are usually adequate. The ramp
continues to rise for more than half of the line interval, thereby
inhibiting burst generation on half interval pulses on vertical
front and back porches. The ramp method will produce burst
on the vertical front and back porches at full line intervals.

R-Y, B-Y Clamps and Output Clamp/Amplifier

The sync signal, shown in the block diagram of Figure 6,

drives the R-Y and B-Y clamps which clamp the R-Y and
B-Y signals to reference black during the blanking periods.
The output amplifier/clamp provides this same function plus
combines and amplifies the chroma and luma components
for composite video output.

Application Circuit

Figure 7 illustrates the block diagram of the MC1377 and

the external circuitry required for typical operation.

11

Sync
Input

Figure 5. Timing Circuitry

Figure 6. R-Y, B-Y and Output Amplifier Clamps

PAL/
NTSC

H/2

Line Drive

10k

Latching

Ramp

Generator

Dual

Comparator

Burst Flag

Burst

Pulse

Driver

PAL/NTSC

Control

20

2

1

B-Y

R-Y

Sync

B-Y

Clamp

R-Y

Clamp

Output

Amp/Clamp

Chroma

10

12

9

7

8

-Y

Composite

Video

VB

R

C

0.1

0.1

0.01

Figure 7. Block Diagram and Application Circuit

R-Y

B-Y

Osc/

Buffer

Voltage

Controlled

90

8.2V

Regulator

PAL

Switch
0/180

Chroma
Amp

B-Y

Clamp

R-Y

Clamp

Output Amp/

Clamp

Color Difference and

Luminance Matrix

Dual

Comparator

Latching

Ramp

Gen

PAL/NTS

C

Control

Burst

Pulse

Driver

0.01

19

VCC

16

VB

0.1

TOKO 166NNF

-10264AG

13 220

100/

62*

0.1

3.3k

47/33*

10

9

7 0.01

12

0.1

0.1

1000

3.58/

4.43*

MHz

220

220

5.0 to

25pF

20

15

1

2

3

4

5

6

8

56k

0.001

mica

Composite

Sync
Input

14

11

Composite

Video Output

1.0k

400ns

Y Delay

1.0k

+

+

+

15

F

15

F

15

F

VB

R

G

B

R, G, B Inputs

H/2

90

0

NTSC/

PAL Select

17

18

* Refers to the choice NTSC/PAL

(3.58 MHz/4.43 MHz).

R-Y

B-Y

-Y

-Y

background image

MC1377

6

MOTOROLA ANALOG IC DEVICE DATA

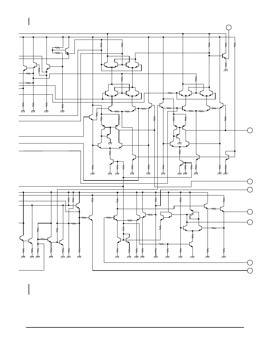
10k

R29

R21

220

R161

15k

R127

27k

R129

18k

R126

2.7k

R123

3.9k

T111

T23

22k

R28

R4

2.0k

+12V

+8.2V

Gnd

PAL/NTSC

Comp Sync

T

RISE

R-IN

G-IN

B-IN

R6A 5.1k

Z1

R2

1.2k

R2A
1.0k

T1

R3
6.8k

R13

22k

R11

22k

R12

10k

R14

22k

R22

270

R9

22k

560

R25

560

R26

T22

T19

T20

R23
1.5k

R24
1.5k

R18

220

R20

220

T17

T15

T16

T24

T25

T26

T27

T10

T13

R16
1.0k

R17
1.0k

T9

T8

T7

R8

220

R9

220

R5

470

T5

T4

+

C1

5pF

R6

5.1k

R10
5.0k

R15

T2

T3

R7

4.0k

+

C2

18pF

T11

T12

T28

5.0k
R30

R162

R71

22k

R69

R70

10k

R72

22k

R73

22k

R74

10k

R75

10k

T79

T68

T69

R77

15k

R76

15k

R80A

4.0k

R81

22k

T71

T73

T74

R83

10k

R79
1.0k

R78

15k

Z2

T75

R86

10k

T76

R87

13.8k

R88

30.4k

T77

R95

18k

T82

T81

R94
2.2k

R93
2.2k

R92
2.2k

R91

10k

T78

T79

T80

R85

10k

T72

R82

22k

R100

22k

T91B

T91A

R96

22k

R101

10k

R97

22k

R102

1.0k

T90

R99

10k

R98

22k

T92

T93

T94

R160

22k

R104

2.0k

R104

15k

R108

2.7k

R164

4.7k

T102

T103

T104

T101

T100

T99

T98

R107

820

T95

R105

7.5k

R110

1.0k

T105

R111

4.7k

T107

R112

36k

R113

27k

R118

R117

10k

R120

27k

T110

T109

T108

R115

18k

R119

5.3k

R116

3.9k

R122

18k

T96

R106

9.1k

R109

22k

T206

T97

19

18

17

14

16

15

20

2

1

3

4

5

Osc In

Osc Out

Quad
Decoup

10k

R121

27k

22k

R90

R80 B

6.0k

T18

T6

T14

1.5k

220

R27

220

22k

10k

background image

MC1377

7

MOTOROLA ANALOG IC DEVICE DATA

R31
5.1k

R31
5.1k

T30

R35
1.0k

R36
1.0k

R66
2.4k

R51

12k

R67

220

T5

4

R68
3.0k

R55

220

R54

220

T50

T51

T52

T53

T57

T56

R65

220

B-Y Clamp

T58

R58

300

R63

10k

R58

300

R60
4.7k

T59

T66

R44A

22k

R52

10k

R49

10k

R45

300

R44

22k

R43

10k

R38

10k

R47
4.7k

T45

T46

T62

T43

T44

R40
2.0k

R41

2.0K

T41

T40

R47
1.0k

R46
1.0k

R39

500

T39

T47

T63

T64

T65

R62
2.0k

R61
2.0k

R56
1.0k

T55

R53

500

T49

T33

T34

T32

T31

R37

220

T35

T36

T37

T38

T42

27k

R34

22k

R33

10k

R29

R21

220

R27

220

R135

220

R136

4.7k

R134

220

R133

220

R137

1.5k

R139

40k

T118

T120

R156

220

T117

470

R140

470

R141

4.7k

R138

22k

R155

20k

R144

R157

22k

R147

27k

R154

100

R153

220

T128

Composite Video Out

Video Clamp

Chroma In

R-Y Clamp

Chroma Out

-Y In

-Y Out

R151

9.1k

R149

10k

15k

R152

R150

4.7k

T126

15k

R148

10k

R142

R143

22k

R145

3.3k

T123

T124

T125

T122

T121

T119

T116

T114

R124

12.5 k

R132
1.85k

R163

10k

R125
12.5k

R131

14k

R130

3.9k

R159

10k

R127

27k

T113

T112

T127

R129

18k

R126

2.7k

R123

3.9k

T1

T23

T48

R50

220

R43A

10k

T60

T61

22k

R28

T28

5.0k
R30

T110

13

11

12

10

9

7

8

6

T115

R128

220

R158

10k

R48

500

R57
1.0k

R64

500

P

AL

 F/F

R-Y

B-Y

Burst Flag

Burst Flag

P

AL

 F/F

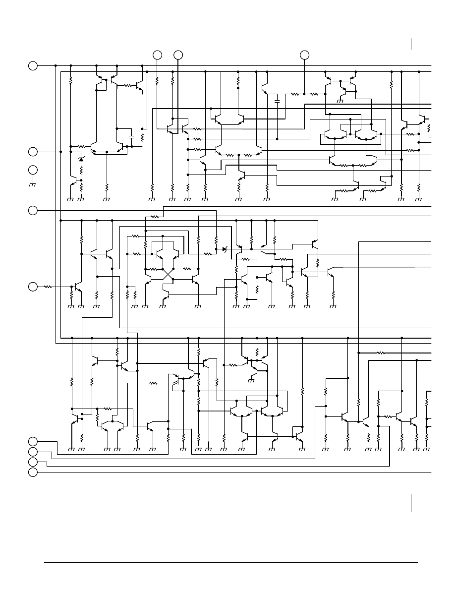
Figure 8. Internal Schematic

background image

MC1377

8

MOTOROLA ANALOG IC DEVICE DATA

APPLICATION INFORMATION

Figure 8. Signal Voltages

(Circuit Values of Figure 7)

4.4V

Limits
for DC
Coupled
Inputs

(a)

(b)

(c)

(d)

(e)

(f)

(g)

(h)

(i)

1.0Vpp

1.0Vpp

1.0Vpp

2.2V

5.0

4.0

3.0

8.2 Max

1.7 Min

0.9 Max

0

-0.5 Min

10.5

10.0

9.5

4.35

4.0

3.65

5.2

4.3

2.6

2.1

Luminance
Input
(Pin 8)

Luminance
Output
(Pin 6)

Chroma
Input
(Pin 10)

Chroma
Output
(Pin 13)

Sync
Input
(Pin 2)

Composite
Output
(Pin 9)

100%
Blue
Input
(Pin 5)

100%
Red
Input
(Pin 3)

100%
Green
Input
(Pin 4)

R, G, B Input Levels

The signal levels into Pins 3, 4, 5 should be 1.0 Vpp for fully

saturated, standard composite video output levels as shown
in Figure 9(d). The inputs require 1.0 Vpp since the internally
generated sync pulse and color burst are at fixed and
predetermined amplitudes.

Further, it is essential that the portion of each input which

occurs during the sync interval represent black for that input
since that level will be clamped to reference black in the color
modulators and output stage. This implies that a refinement,
such as a difference between black and blanking levels, must
be incorporated in the RGB input signals.

If Y, R-Y, B-Y and burst flag components are available and

the MC1377 is operating in NTSC, inputs may be as follows:
the Y component can be coupled through a 15 pF capacitor
to Pins 3, 4 and 5 tied together; the (-[R-Y]) component can
be coupled to Pin 12 through a 0.1 

F capacitor, and the

(-[B-Y]) and burst flag components can be coupled to Pin 11
in a similar manner.

Sync Input

As shown in Figure 9(e), the sync input amplitude can be

varied over a wide latitude, but will require bias pull-up from
most sync sources. The important requirements are:

1) The voltage level between sync pulses must be between

1.7 V and 8.2 V, see Figure 9(e).

2) The voltage level for the sync tips must be between

+0.9 V and - 0.5 V, to prevent substrate leakage in the IC,
see Figure 9(e).

3) The width of the sync pulse should be no longer than

5.2

s and no shorter than 2.5 

s.

For PAL operation, correctly serrated vertical sync is

necessary to properly trigger the PAL divider. In NTSC mode,
simplified block vertical sync can be used but the loss of
proper horizontal timing may cause top hook or flag
waving in some monitors. An interesting note is that
composite video can be used directly as a sync signal,
provided that it meets the sync input criteria.

Latching Ramp (Burst Flag) Generator

The recommended application is to connect a close

tolerance (5%) 0.001 

F capacitor from Pin 1 to ground and a

resistor of 51 k

 or 56 k

 from Pin 1 to VB (Pin 16). This will

produce a burst pulse of 2.5 

s to 3.5 

s in duration, as

shown in Figure 10. As the ramp on Pin 1 rises toward the
charging voltage of 8.2 V, it passes first through a burst start
threshold at 1.0 V, then a stop threshold at 1.3 V, and finally
a ramp reset threshold at 5.0 V. If the resistor is reduced to
43 k

, the ramp will rise more quickly, producing a narrower

and earlier burst pulse (starting approx. 0.4 

s after sync and

about 0.6 

s wide). The burst will be wider and later if the

resistor is raised to 62 k

, but more importantly, the 5.0 V

reset point may not be reached in one full line interval,
resulting in loss of alternate burst pulses.

As mentioned earlier, the ramp method does produce

burst at full line intervals on the vertical porches. If this is not
desired, and the MC1377 is operating in the NTSC mode,
burst flag may be applied to Pin 1 provided that the tip of the
pulse is between 1.0 Vdc and 1.3 Vdc. In PAL mode this
method is not suitable, since the ramp isnt available to drive
the PAL flip-flop. Another means of inhibiting the burst pulse
is to set Pin 1 either above 1.3 Vdc or below 1.0 Vdc for the
duration that burst is not desired.

background image

MC1377

9

MOTOROLA ANALOG IC DEVICE DATA

Color Reference Oscillator/Buffer

As stated earlier in the general description, there is an

on-board common collector Colpitts color reference
oscillator with the transistor base at Pin 17 and the emitter at
Pin 18. When used with a common low-cost TV crystal and
capacitive divider, about 0.6 Vpp will be developed at Pin 17.
The frequency adjustment can be done with a series 30 pF
trimmer capacitor over a total range of about 1.0 kHz.
Oscillator frequency should be adjusted for each unit,
keeping in mind that most monitors and receivers can pull in
1200 Hz.

If an external color reference is to be used exclusively, it

must be continuous. The components on Pins 17 and 18 can
be removed, and the external source capacitively coupled
into Pin 17. The input at Pin 17 should be a sine wave with
amplitude between 0.5 Vpp and 1.0 Vpp.

Also, it is possible to do both; i.e., let the oscillator free run

on its own crystal and override with an external source. An

extra coupling capacitor of 50 pF from the external source to
Pin 17 was adequate with the experimentation attempted.

Voltage Controlled 90

The oscillator drives the (B-Y) modulator and a voltage

controlled phase shifter which produces an oscillator phase
of 90

 

 

5

 at the (R-Y) modulator. In most situations, the

result of an error of 5

 is very subtle to all but the most expert

eye. However, if it is necessary to adjust the angle to better
accuracy, the circuit shown in Figure 11 can be used.

Pulling Pin 19 up will increase the (R-Y) to (B-Y) angle by

about 0.25

/

A. Pulling Pin 19 down reduces the angle by the

same sensitivity. The nominal Pin 19 voltage is about 6.3 V,
so even though it is unregulated, the 12 V supply is best for
good control. For effective adjustment, the simplest approach
is to apply RGB color bar inputs and use a vectorscope. A
simple bar generator giving R, G, and B outputs is shown in
Figure 26.

Figure 9. Ramp/Burst Gate Generator

Pin 1 Ramp V

oltage

(Vdc)

1.3

5.0

0

1.0

50

63.5

8.5

0

5.5

Burst Stop

Time (

s)

Burst Start

Sync

(Pin 2

)

Residual Feedthrough Components

As shown in Figure 9(d), the composite output at Pin 9

for fully saturated color bars is about 2.6 Vpp, output with full
chroma on the largest bars (cyan and red) being 1.7 Vpp.
The typical device, due to imperfections in gain, matrixing,
and modulator balance, will exhibit about 20 mVpp residual
color subcarrier in both white and black. Both residuals can
be reduced to less than 10 mVpp for the more exacting
applications.

 The subcarrier feedthrough in black is due primarily to

imbalance in the modulators and can be nulled by sinking or
sourcing small currents into clamp Pins 11 and 12 as shown
in Figure 12. The nominal voltage on these pins is about
4.0 Vdc, so the 8.2 V regulator is capable of supplying a pull
up source. Pulling Pin 11 down is in the 0

 direction, pulling it

up is towards 180

. Pulling Pin 12 down is in the 90

 direction,

pulling it up is towards 270

. Any direction of correction may

be required from part to part.

White carrier imbalance at the output can only be

corrected by juggling the relative levels of R, G, and B inputs

for perfect balance. Standard devices are tested to be within
5% of balance at full saturation. Black balance should be
adjusted first, because it affects all levels of gray scale
equally. There is also usually some residual baseband video
at the chroma output (Pin 13), which is most easily observed
by disabling the color oscillator. Typical devices show 0.4 Vpp
of residual luminance for saturated color bar inputs. This is
not a major problem since Pin 13 is always coupled to Pin 10
through a bandpass or a high pass filter, but it serves as a
warning to pay proper attention to the coupling network.

Figure 10. Adjusting Modulator Angle

19

0.01

F

220k

12Vdc

10k

background image

MC1377

10

MOTOROLA ANALOG IC DEVICE DATA

Figure 11. Nulling Residual Color in Black

Figure 12. Delay of Chroma Information

12

11

470k

470k

VB

VB

10k

10k

Luminance

Chroma

The Chroma Coupling Circuits

With the exception of S-VHS equipped monitors and

receivers, it is generally true that most monitors and receivers
have color IF 6.0 dB bandwidths limited to approximately

0.5 MHz. It is therefore recommended that the encoder

circuit should also limit the chroma bandwidth to
approximately 

0.5 MHz through insertion of a bandpass

circuit between Pin 13 and Pin 10. However, if S-VHS
operation is desired, a coupling circuit which outputs the
composite chroma directly for connection to a S-VHS
terminal is given in the S-VHS application (see Figure 19).

For proper color level in the video output, a 

0.5 MHz

bandwidth and a midband insertion loss of 3.0 dB is desired.
The bandpass circuit shown in Figure 7, using the TOKO
fixed tuned transformer, couples Pin 10 to Pin 13 and gives
this result. However, this circuit introduces about 350 ns of
delay to the chroma information (see Figure 13). This must be
accounted for in the luminance path.

A 350 ns delay results in a visible displacement of the color

and black and white information on the final display. The
solution is to place a delay line in the luminance path from
Pins 6 to 8, to realign the two components. A normal TV
receiver delay line can be used. These delay lines are usually
of 1.0 k

 to 1.5 k

 characteristic impedance, and the

resistors at Pins 6 and 8 should be selected accordingly. A
very compact, lumped constant delay line is available from
TDK (see Figure 25 for specifications). Some types of delay
lines have very low impedances (approx. 100 

) and should

not be used, due to drive and power dissipation
requirements.

In the event of very low resolution RGB, the transformer

and the delay line may be omitted from the circuit. Very low
resolution for the MC1377 can be considered RGB
information of less than 1.5 MHz. However, in this situation, a
bandwidth reduction scheme is still recommended due to the
response of most receivers.

Figure 14(a) shows the output of the MC1377 with low

resolution RGB inputs. If no bandwidth reduction is employed
then a monitor or receiver with frequency response shown in
Figure 14(b), which is fairly typical of non-comb filtered
monitors and receivers, will detect an incorrect luma
sideband at X

. This will result in cross-talk in the form of

chroma information in the luma channel. To avoid this
situation, a simpler bandpass circuit as shown in Figure
15(a), can be used.

Figure 13. MC1377 Output with

Low Resolution RGB Inputs

(a) Encoder Output with Low Resolution Inputs

and No Bandpass Transformer

(b) Standard Receiver Response

Gain

Gain

X

X

X

X

X

X

1.0

2.0

3.0 3.58 4.0

5.0

1.0

2.0

3.0 3.58 4.0

5.0

A final option is shown in Figure 15(b). This circuit provides

very little bandwidth reduction, but enough to remove the
chroma to luma feedthrough, with essentially no delay. There
is, however, about a 9 dB insertion loss from this network.

It will be left to the designer to decide which, if any,

compromises are acceptable. Color bars viewed on a good
monitor can be used to judge acceptability of step
luminance/chrominance alignment and step edge transients,
but signals containing the finest detail to be encountered in
the system must also be examined before settling on a
compromise.

The Output Stage

The output amplifier normally produces about 2.0 Vpp and

is intended to be loaded with 150 

 as shown in Figure 16.

This provides about 1.0 Vpp into 75 

, an industry standard

level (RS-343). In some cases, the input to the monitor may
be through a large coupling capacitor. If so, it is necessary to
connect a 150 

 resistor from Pin 9 to ground to provide a low

impedance path to discharge the capacitor. The nominal
average voltage at Pin 9 is over 4.0 V. The 150 

 dc load

causes the current supply to rise another 30 mA (to
approximately 60 mA total into Pin 14). Under this (normal)
condition the total device dissipation is about 600 mW. The
calculated worst case die temperature rise is 60

C, but the

typical device in a test socket is only slightly warm to the
touch at room temperature. The solid copper 20-pin lead
frame in a printed circuit board will be even more
effectively cooled.

background image

MC1377

11

MOTOROLA ANALOG IC DEVICE DATA

Figure 14. Optional Chroma Coupling Circuits

0.001

1.0k

0.001

  13

  10

39pF

56pF

0.001

4.7k

27pF

   13

  10

1.0k

a) Insertion Loss: 3.0 dB

a)

Bandwidth: 

 1.0 MHz

a)

Delay: 

 100 ns

b)  Insertion Loss: 9.0 dB

b)  

Bandwidth: 

 2.0 MHz

b)  

Delay: 0

22

H

Power Supplies

The MC1377 is designed to operate from an unregulated

10 V to 14 Vdc power supply. Device current into Pin 14 with
open output is typically 35 mA. To provide a stable reference
for the ramp generator and the video output, a high quality
8.2 V regulator can supply up to 10 mA for external uses,

with an effective source impedance of less than 1.0 

. This

regulator is convenient for a tracking dc reference for dc
coupling the output to an RF modulator. Typical turn-on drift
for the regulator is approximately -30 mV over 1 to 2 minutes
in otherwise stable ambient conditions.

Figure 15. Output Termination

9

Output

75

Monitor

MC1377

4.7k

75

 Cable

75

SUMMARY

The preceding information was intended to detail the

application and basis of circuit choices for the MC1377. A
complete MC1377 application with the MC1374 VHF
modulator is illustrated in Figure 17. The internal schematic
diagram of the MC1377 is provided in Figure 8.

Figure 16. Application with VHF Modulator

3.58MHz

75

RF
Out

47k

17

18

2

3

4

5

10

13

14

11 12 19 15

7

6

8

9

1

16

20

10

5-25

220

220

S

R

0.1

+

+

+

15

15

15

0.001

3.3k B

G

47

100

220

+12Vdc

0.1

0.1

.01

.01

1.2k

1.2k

Delay Line

Video

Out

Audio

In

1.0

0.001

0.001

mica

53k

0.1

6.8k

120

47

2.2k

VCC

470

0.001

470

470

56

0.12

H

PAL

NTSC

8.2VRef

2.7k

+12Vdc

75

0.33

H

0.33

H

0.001

22

47

22

5.1k

6

7

4

8

9

12

13

10

5

14

11

2

3

1

MC1377

MC1374

+

10

H

+

0.1

Color Bandpass
Transformer (Fig. 24)

background image

MC1377

12

MOTOROLA ANALOG IC DEVICE DATA

APPLICATIONS INFORMATION

S-VHS

In full RGB systems (Figure 18), three information

channels are provided from the signal source to the display to
permit unimpaired image resolution. The detail reproduction
of the system is limited only by the signal bandwidth and the
capability of the color display device. Also, higher than
normal sweep rates may be employed to add more lines
within a vertical period and three separate projection picture
tubes can be used to eliminate the shadow mask limitations
of a conventional color CRT.

Figure 21 shows the baseband components of a studio

NTSC signal. As in the previous example, energy is
concentrated at multiples of the horizontal sweep frequency.
The system is further refined by precisely locating the color
subcarrier midway between luminance spectral components.
This places all color spectra between luminance spectra and
can be accomplished in the MC1377 only if full interlaced
external color reference and sync are applied. The individual

components of luminance and color can then be separated
by the use of a comb filter in the monitor or receiver. This
technique has not been widely used in consumer products,
due to cost, but it is rapidly becoming less expensive and
more common. Another technique which is gaining popularity
is S-VHS (Super VHS).

In S-VHS, the chroma and luma information are contained

on separate channels. This allows the bandwidth of both the
chroma and luma channels to be as wide as the monitors
ability to reproduce the extra high frequency information. An
output coupling circuit for the composite chroma using the
TOKO transformer is shown in Figure 19. It is composed of
the bandpass transformer and an output buffer and has the
frequency performance shown in Figure 20. The composite
output (Pin 9) then produces the luma information as well as
composite sync and blanking.

Figure 17. Spectra of a Full RGB System

Figure 18. S-VHS Output Buffer

Figure 19. Frequency Response of

Chroma Coupling Circuit

2.7

3.66

4.5

f, MHz

-6 dB

Red

Green

Blue

1.0

2.0

3.0

4-8

f, FREQUENCY (MHz)

 13

100/62pF*

220

+12Vdc

0.1

F

**

47/33pF*

3.3k

8.2k

6.8k

75

Composite

Chroma

Out

+12Vdc

33

16k

1.0

F

1000pF

*

*Refers to different component values used for NTSC/PAL (3.58 MHz/4.43 MHz).

**Toko 166NNF-1026AG

background image

MC1377

13

MOTOROLA ANALOG IC DEVICE DATA

I/Q System versus (R-Y)/(B-Y) System

The NTSC standard calls for unequal bandwidths for I and

Q (Figure 21). The MC1377 has no means of processing the
unequal bandwidths because the I and Q axes are not used
(Figure 22) and because the outputs of the (R-Y) and the
(B-Y) modulators are added before being output at Pin 13.
Therefore, any bandwidth reduction intended for the chroma
information must be performed on the composite chroma
information. This is generally not a problem, however, since
most monitors compromise the standard quite a bit.

Figure 23 shows the typical response of most monitors

and receivers. This figure shows that some crosstalk
between luma and chroma information is always present.
The acceptability of the situation is enhanced by the limited
ability of the CRT to display information above 2.5 MHz. If the
signal from the MC1377 is to be used primarily to drive
conventional non-comb filtered monitors or receivers, it
would be best to reduce the bandwidth at the MC1377 to that
of Figure 23 to lessen crosstalk.

I

(123

)

Figure 20. NTSC Standard Spectral Content

Luminance

Q

Color

Subcarrier

Sound

Subcarrier

0

1.0

2.0

3.0

4.0

V

ideo 

Amplitude

f, FREQUENCY (MHz)

Figure 21. Color Vector Relationship

(Showing Standard Colors)

Figure 22. Frequency Response of

Typical Monitor/TV

Gain

3.58

2.0

3.0

1.0

4.0

Luminance

Channel

Chroma

Channel

f, FREQUENCY (MHz)

(R-Y)

(90

)

Red

(104

)

Yellow

(168

)

Color Burst

(180

)

Green

(241

)

Cyan

(284

)

Blue

(348

)

(B-Y) 0

Q (33

)

Purple

(61

)

I

background image

MC1377

14

MOTOROLA ANALOG IC DEVICE DATA

Figure 23. A Prototype Chroma Bandpass Transformer

Toko Sample Number 166NNF-10264AG

 0.2mm

0.7mm Pin Diameter

15.0mm Max

3.5mm 

 0.5mm

Unloaded Q (Pins 1-3): 15 @ 2.5 MHz
Inductance: 30 

 10% @ 2.5 MHz

Turns: 60 (each winding)
Wire: #38 AWG (0.1 m/m)

Connection Diagram

Bottom View

(Drawing Provided By:
Toko America, Skokie, IL)

Time Delay

Impedance

Resistance

Transient Response with 20 ns
Rise Time Input Pulse

Attenuation

Item

Specifications

3

2

1

4

5

S

S

Figure 24. A Prototype Delay Line

TDK Sample Number DL122301D-1533

1.26 Max

32.0

0.93 Max

23.5

0.2 

 0.04

5.0 

 1.0

*Marking

0.394

 

 0.06

10.0 

 1.5

0.8 Radius Max

2.0

0.788 

 0.08

20.0 

 2.0

0.026 

 0.002

0.65 

 0.33

0.35 Max

9.0

*Marking: Part Number, Manufacturers Identification,

*Marking:

Date Code and Lead Number. 

*Marking:

Skokie, IL (TDK Corporation of America)

400 ns 

 10%

1200 

 

 10%

Less Than 15 

Preshoot: 10% Max

Overshoot: 10% Max

Rise Time: 120 ns Max

3 dB Max at 6.0 MHz

background image

MC1377

15

MOTOROLA ANALOG IC DEVICE DATA

Figure 25. RGB Pulse Generator

RGB Pulse Generator Timing Diagram for NTSC

64 

s

Yellow

Green

Red

Black

White

Cyan

Magenta

Blue

1.0 Vpp

154 kHz
Clock

Blue
Output

Red 
Output

Green 
Output

Composite
Blanking
Input

2.2k

3.3k

3.3k

2.2 k

10 k

470

1.8k

1.8k

680

1.8k

680

470

470

4.7

F

10k

10k

10k

0.1

0.1

0.1

0.1

0.1

0.1

0.1

0.1

0.1

10k

Freq

Adj

680

750 pF

8

R10

1/2 MC74LS112A

-5.0V
Reg

BNC

Composite

Blanking

2N4403

2N
4401

MC1455

MC74LS112A

BNC
Blue
Output

BNC
Red
Output

BNC
Green
Output

2N4401

2N4401

2N4401

7

2

6

4

8

3

5

1

3J

15S 16

2k

13C

Q7

1C

Q6

R4

Q5

12k

11J

14S

Q9

3J

15S 16

2k

1C

Q6

R4

8

154kHz

background image

MC1377

16

MOTOROLA ANALOG IC DEVICE DATA

Figure 26. Printed Circuit Boards for the MC1377

(CIRCUIT SIDE)

(COMPONENT SIZE)

Figure 27. Color TV Encoder - Modulator

470

470

470

2.7k

2.2k

47k

3.3k

220

1.2k

1.2k

75k

5.1k

6.8k

54k

75

1.0

22

47

22

47

120

0.001

220

220

0.1

0.1

15

F

15

F

15

F

0.001

47

0.001

56

0.001

0.1

.01

0.1

.01

17

18

2

3

4

5

10

13

14

11 12 19 15

7

6

8

9

1

16

20

1

6

7

4

8

9

12

13

10

5

14

11

2

3

0.12

H

0.33

H

0.33

H

RF
Out

10

H

+

400ns

3.58MHz

5-25

R

G

B

+

+

+

+

VCC

Video
Out

Audio
In

VCC
(+12V)

10264

100

AG

MC1377

MC1374

8.2Vdc

0.1

0.001
mica

(+12V)

VCC

S

background image

MC1377

17

MOTOROLA ANALOG IC DEVICE DATA

OUTLINE DIMENSIONS

NOTES:

1. DIMENSIONING AND TOLERANCING PER

ANSI Y14.5M, 1982.

2. CONTROLLING DIMENSION: INCH.
3. DIMENSION L TO CENTER OF LEAD WHEN

FORMED PARALLEL.

4. DIMENSION B DOES NOT INCLUDE MOLD

FLASH.

M

J

20 PL

M

B

M

0.25 (0.010)

T

DIM

MIN

MAX

MIN

MAX

MILLIMETERS

INCHES

A

25.66

27.17

1.010

1.070

B

6.10

6.60

0.240

0.260

C

3.81

4.57

0.150

0.180

D

0.39

0.55

0.015

0.022

G

2.54 BSC

0.100 BSC

J

0.21

0.38

0.008

0.015

K

2.80

3.55

0.110

0.140

L

7.62 BSC

0.300 BSC

M

0  

15  

0  

15  

N

0.51

1.01

0.020

0.040

_

_

_

_

E

1.27

1.77

0.050

0.070

1

11

10

20

-A-

SEATING
PLANE

K

N

F

G

D

20 PL

-T-

M

A

M

0.25 (0.010)

T

E

B

C

F

1.27 BSC

0.050 BSC

NOTES:

1. DIMENSIONING AND TOLERANCING PER

ANSI Y14.5M, 1982.

2. CONTROLLING DIMENSION: MILLIMETER.
3. DIMENSIONS A AND B DO NOT INCLUDE

MOLD PROTRUSION.

4. MAXIMUM MOLD PROTRUSION 0.150 (0.006)

PER SIDE.

5. DIMENSION D DOES NOT INCLUDE DAMBAR

PROTRUSION. ALLOWABLE DAMBAR
PROTRUSION SHALL BE 0.13 (0.005) TOTAL
IN EXCESS OF D DIMENSION AT MAXIMUM
MATERIAL CONDITION.

-A-

-B-

20

1

11

10

S

A

M

0.010 (0.25)

B

S

T

D

20X

M

B

M

0.010 (0.25)

P

10X

J

F

G

18X

K

C

-T-

SEATING
PLANE

M

R

X 45

_

DIM

MIN

MAX

MIN

MAX

INCHES

MILLIMETERS

A

12.65

12.95

0.499

0.510

B

7.40

7.60

0.292

0.299

C

2.35

2.65

0.093

0.104

D

0.35

0.49

0.014

0.019

F

0.50

0.90

0.020

0.035

G

1.27 BSC

0.050 BSC

J

0.25

0.32

0.010

0.012

K

0.10

0.25

0.004

0.009

M

0  

7  

0  

7  

P

10.05

10.55

0.395

0.415

R

0.25

0.75

0.010

0.029

_

_

_

_

P SUFFIX

PLASTIC PACKAGE

CASE 738-03

ISSUE E

DW SUFFIX

PLASTIC PACKAGE

CASE 751D-04

(SO-20L)

ISSUE E

background image

MC1377

18

MOTOROLA ANALOG IC DEVICE DATA

Motorola reserves the right to make changes without further notice to any products herein.  Motorola makes no warranty, representation or guarantee regarding
the suitability of its products for any particular purpose, nor does Motorola assume any liability arising out of the application or use of any product or circuit, and
specifically disclaims any and all liability, including without limitation consequential or incidental damages.  Typical parameters can and do vary in different
applications.  All operating parameters, including Typicals must be validated for each customer application by customers technical experts.  Motorola does
not convey any license under its patent rights nor the rights of others.  Motorola products are not designed, intended, or authorized for use as components in
systems intended for surgical implant into the body, or other applications intended to support or sustain life, or for any other application in which the failure of
the Motorola product could create a situation where personal injury or death may occur.  Should Buyer purchase or use Motorola products for any such
unintended or unauthorized application, Buyer shall indemnify and hold Motorola and its officers, employees, subsidiaries, affiliates, and distributors harmless
against all claims, costs, damages, and expenses, and reasonable attorney fees arising out of, directly or indirectly, any claim of personal injury or death
associated with such unintended or unauthorized use, even if such claim alleges that Motorola was negligent regarding the design or manufacture of the part.
Motorola and   

 are registered trademarks of Motorola, Inc. Motorola, Inc. is an Equal Opportunity/Affirmative Action Employer.

How to reach us:
USA / EUROPE
: Motorola Literature Distribution; 

JAPAN: Nippon Motorola Ltd.; Tatsumi-SPD-JLDC, Toshikatsu Otsuki,

P.O. Box 20912; Phoenix, Arizona 85036. 1-800-441-2447

6F Seibu-Butsuryu-Center, 3-14-2 Tatsumi Koto-Ku, Tokyo 135, Japan.  03-3521-8315

MFAX: RMFAX0@email.sps.mot.com - TOUCHTONE (602) 244-6609

HONG KONG: Motorola Semiconductors H.K. Ltd.; 8B Tai Ping Industrial Park, 

INTERNET: http://Design-NET.com

51 Ting Kok Road, Tai Po, N.T., Hong Kong.  852-26629298

MC1377/D

*MC1377/D*


powered by phppowered by MySQLPOWERED BY APACHEPOWERED BY CentOS© 2004 - 2026Información Legalpoliticas de cookiesipv6 ready