Secciones
Foros Electrónica
Boletines de correo
Boletines
background image

+

RIN

RG

RF

VOUT

VIN

SLOS075J - NOVEMBER 1979 - REVISED JANUARY 2015

NE5532x, SA5532x Dual Low-Noise Operational Amplifiers

1 Features

3 Description

The NE5532, NE5532A, SA5532, and SA5532A

1

Equivalent Input Noise Voltage:

devices are high-performance operational amplifiers

5 nV/

√Hz Typ at 1 kHz

combining excellent DC and AC characteristics. They

Unity-Gain Bandwidth: 10 MHz Typ

feature very low noise, high output-drive capability,

Common-Mode Rejection Ratio: 100 dB Typ

high

unity-gain

and

maximum-output-swing

bandwidths, low distortion, high slew rate, input-

High DC Voltage Gain: 100 V/mV Typ

protection diodes, and output short-circuit protection.

Peak-to-Peak Output Voltage Swing 26 V Typ

These

operational

amplifiers

are

compensated

With V

CC ±

=  ±15 V and R

L

= 600

Ω¦

internally for unity-gain operation. These devices

High Slew Rate: 9 V/

μs Typ

have specified maximum limits for equivalent input
noise voltage.

2 Applications

Device 

AV Receivers

PART NUMBER

PACKAGE (PIN)

BODY SIZE (NOM)

Embedded PCs

NE5532x, SA5532x

SOIC (8)

4.90 mm × 3.91 mm

Netbooks

NE5532x, SA5532x

PDIP (8)

9.81 mm × 6.35 mm

Video Broadcasting and Infrastructure: Scalable

NE5532x

SO (8)

6.20 mm × 5.30 mm

Platforms

(1) For all available packages, see the orderable addendum at

DVD Recorders and Players

the end of the data sheet.

Multichannel Video Transcoders

Pro Audio Mixers

4 Simplified Schematic

1

An IMPORTANT NOTICE at the end of this data sheet addresses availability, warranty, changes, use in safety-critical applications,
intellectual property matters and other important disclaimers. PRODUCTION DATA.

background image

SLOS075J - NOVEMBER 1979 - REVISED JANUARY 2015

Table of Contents

8.2

Functional Block Diagram .........................................

1

Features ..................................................................

8.3

Feature Description...................................................

2

Applications ...........................................................

8.4

Device Functional Modes..........................................

3

Description .............................................................

9

Application and Implementation ..........................

4

Simplified Schematic.............................................

9.1

Typical Application ...................................................

5

Revision History.....................................................

10

Power Supply Recommendations .....................

6

Pin Configuration and Functions .........................

11

Layout...................................................................

7

Specifications.........................................................

11.1

Layout Guidelines .................................................

7.1

Absolute Maximum Ratings ......................................

11.2

Layout Example ....................................................

7.2

ESD Ratings..............................................................

12

Device and Documentation Support .................

7.3

Recommended Operating Conditions .......................

12.1

Related Links ........................................................

7.4

Thermal Information ..................................................

12.2

Trademarks ...........................................................

7.5

Electrical Characteristics...........................................

12.3

Electrostatic Discharge Caution ............................

7.6

Operating Characteristics..........................................

12.4

Glossary ................................................................

7.7

Typical Characteristics ..............................................

13

Mechanical, Packaging, and Orderable

8

Detailed Description ..............................................

Information ...........................................................

8.1

Overview ...................................................................

5 Revision History

Changes from Revision I (April 2009) to Revision J

Page

Added ApplicationsDevice Information table, Pin Functions table, ESD Ratings table, Thermal Information table,
Typical CharacteristicsFeature Description section, Device Functional ModesApplication and Implementation
section, Power Supply Recommendations section, Layout section, Device and Documentation Support section, and
Mechanical, Packaging, and Orderable Information section. .................................................................................................

Deleted Ordering Information table. .......................................................................................................................................

2

Copyright  © 1979-2015, Texas Instruments Incorporated

Product Folder Links:

background image

1

2

3

4

5

6

7

8

2IN+

2IN-

2OUT

V

CC+

V

CC-

1IN+

1IN-

1OUT

NE5532, NE5532A . . . D, P, OR PS PACKAGE

SA5532, SA5532A . . . D OR P PACKAGE

(TOP VIEW)

SLOS075J - NOVEMBER 1979 - REVISED JANUARY 2015

6 Pin Configuration and Functions

Pin Functions

PIN

TYPE

DESCRIPTION

NAME

NO.

1IN+

3

I

Noninverting input

1IN-

2

I

Inverting Input

OUT1

1

O

Output

2IN+

5

I

Noninverting input

2IN-

6

I

Inverting Input

2OUT

7

O

Output

VCC+

8

Positive Supply

VCC-

4

Negative Supply

Copyright  © 1979-2015, Texas Instruments Incorporated

3

Product Folder Links:

background image

SLOS075J - NOVEMBER 1979 - REVISED JANUARY 2015

7 Specifications

7.1 Absolute Maximum Ratings

over operating free-air temperature range (unless otherwise noted)

(1)

MIN

MAX

UNIT

V

CC+

0

22

V

V

CC

Supply voltage

(2)

V

CC-

-22

0

V

Input voltage, either input

(2) (3)

V

CC-

V

CC+

V

Input current

(4)

-10

10

mA

Duration of output short circuit

(5)

Unlimited

T

J

Operating virtual-junction temperature

150

°C

T

stg

Storage temperature range

-65

150

°C

(1)

Stresses beyond those listed under Absolute Maximum Ratings may cause permanent damage to the device. These are stress ratings
only, and functional operation of the device at these or any other conditions beyond those indicated under

is not implied. Exposure to absolute-maximum-rated conditions for extended periods may affect device reliability.

(2)

All voltage values, except differential voltages, are with respect to the midpoint between V

CC+

and V

CC-

.

(3)

The magnitude of the input voltage must never exceed the magnitude of the supply voltage.

(4)

Excessive input current will flow if a differential input voltage in excess of approximately 0.6 V is applied between the inputs, unless
some limiting resistance is used.

(5)

The output may be shorted to ground or either power supply. Temperature and/or supply voltages must be limited to ensure the
maximum dissipation rating is not exceeded.

7.2 ESD Ratings

VALUE

UNIT

Human body model (HBM), per ANSI/ESDA/JEDEC JS-001, all

2000

pins

(1)

V

(ESD)

Electrostatic discharge

V

Charged device model (CDM), per JEDEC specification JESD22-

1000

C101, all pins

(2)

(1)

JEDEC document JEP155 states that 500-V HBM allows safe manufacturing with a standard ESD control process.

(2)

JEDEC document JEP157 states that 250-V CDM allows safe manufacturing with a standard ESD control process.

7.3 Recommended Operating Conditions

MIN

MAX

UNIT

V

CC+

Supply voltage

5

15

V

V

CC-

Supply voltage

-5

-15

V

NE5532, NE5532A

0

70

T

A

Operating free-air temperature

°C

SA5532, SA5532A

-40

85

7.4 Thermal Information

NE5532, NE5532A, SA5532, and SA5532A

THERMAL METRIC

(1)

D

P

PS

UNIT

8 PINS

R

ΘJA

Junction-to-ambient thermal resistance

(2) (3)

97

85

95

°C/W

(1)

For more information about traditional and new thermal metrics, see the IC Package Thermal Metrics application report,

(2)

The package thermal impedance is calculated in accordance with JESD 51-7.

(3)

Maximum power dissipation is a function of T

J

(max),

Θ

JA

, and T

A

. The maximum allowable power dissipation at any allowable ambient

temperature is P

D

= (T

J

(max) - T

A

) /

Θ

JA.

Operating at the absolute maximum T

J

of 150 °C can affect reliability.

4

Copyright  © 1979-2015, Texas Instruments Incorporated

Product Folder Links:

background image

SLOS075J - NOVEMBER 1979 - REVISED JANUARY 2015

7.5 Electrical Characteristics

V

CC ±

=  ±15 V, T

A

= 25 °C (unless otherwise noted)

PARAMETER

TEST CONDITIONS

(1)

MIN

TYP

MAX

UNIT

T

A

= 25 °C

0.5

4

V

IO

Input offset voltage

V

O

= 0

mV

T

A

= Full range

(2)

5

T

A

= 25 °C

10

150

I

IO

Input offset current

nA

T

A

= Full range

(2)

200

T

A

= 25 °C

200

800

I

IB

Input bias current

nA

T

A

= Full range

(2)

1000

V

ICR

Common-mode input-voltage range

±12

±13

V

V

OPP

Maximum peak-to-peak output-voltage swing

R

L

≥ 600 Ω¦, V

CC ±

=  ±15 V

24

26

V

T

A

= 25 °C

15

50

R

L

≥ 600 Ω¦, V

O

=  ±10 V

T

A

= Full range

(2)

10

A

VD

Large-signal differential-voltage amplification

V/mV

T

A

= 25 °C

25

100

R

L

≥ 2 kΩ¦, V

O

±10 V

T

A

= Full range

(2)

15

A

vd

Small-signal differential-voltage amplification

f = 10 kHz

2.2

V/mV

B

OM

Maximum output-swing bandwidth

R

L

= 600

Ω¦, V

O

=  ±10 V

140

kHz

B

1

Unity-gain bandwidth

R

L

= 600

Ω¦, C

L

= 100 pF

10

MHz

r

i

Input resistance

30

300

k

Ω¦

z

o

Output impedance

A

VD

= 30 dB, R

L

= 600

Ω¦, f = 10 kHz

0.3

Ω¦

CMRR Common-mode rejection ratio

V

IC

= V

ICR

min

70

100

dB

k

SVR

Supply-voltage rejection ratio (

ΔV

CC ±

/

ΔV

IO

)

V

CC ±

=  ±9 V to  ±15 V, V

O

= 0

80

100

dB

I

OS

Output short-circuit current

10

38

60

mA

I

CC

Total supply current

V

O

= 0, No load

8

16

mA

Crosstalk attenuation (V

O1

/V

O2

)

V

01

= 10 V peak, f = 1 kHz

110

dB

(1)

All characteristics are measured under open-loop conditions, with zero common-mode input voltage, unless otherwise specified.

(2)

Full temperature ranges are: -40 °C to 85 °C for the SA5532 and SA5532A devices, and 0 °C to 70 °C for the NE5532 and NE5532A
devices.

7.6 Operating Characteristics

V

CC ±

=  ±15 V, T

A

= 25 °C (unless otherwise noted)

NE5532, SA5532

NE5532A, SA5532A

PARAMETER

TEST CONDITIONS

UNIT

MIN

TYP

MAX

MIN

TYP

MAX

SR

Slew rate at unity gain

9

9

V/

μs

V

I

= 100 mV,

R

L

= 600

Ω¦,

Overshoot factor

10

10

%

A

VD

= 1,

C

L

= 100 pF

f = 30 Hz

8

8

10

V

n

Equivalent input noise voltage

nV/

√Hz

f = 1 kHz

5

5

6

f = 30 Hz

2.7

2.7

I

n

Equivalent input noise current

pA/

√Hz

f = 1 kHz

0.7

0.7

Copyright  © 1979-2015, Texas Instruments Incorporated

5

Product Folder Links:

background image

Temperature (C)

Ou

tp

u

t S

w

in

g

 B

a

n

d

w

id

th

 (k

H

z

)

-40

-20

0

20

40

60

80

100

0

20

40

60

80

100

120

140

160

180

D003

Frequency (Hz)

E

q

u

iv

a

le

n

t i

n

p

u

t n

o

is

e

 V

o

lta

g

e

 (

n

V

)

10

100

1000

10000

100000

0

2

4

6

8

10

12

14

16

18

D001

Frequency (Hz)

E

q

u

iv

a

le

n

t i

n

p

u

t n

o

is

e

 c

u

rre

n

t (p

A

)

10

100

1000

0

0.2

0.4

0.6

0.8

1

1.2

1.4

1.6

D002

SLOS075J - NOVEMBER 1979 - REVISED JANUARY 2015

7.7 Typical Characteristics

Figure 1. Equivalent Input Noise Voltage vs Frequency

Figure 2. Equivalent Input Noise Current vs Frequency

Figure 3. Output Swing Bandwidth

vs Temperature at V

CC

=  ±10 V

6

Copyright  © 1979-2015, Texas Instruments Incorporated

Product Folder Links:

background image

OUT

V

CC-

V

CC+

36 pF

37 pF

14 pF

7 pF

15 W

460 W

15 W

IN+

IN-

Component values shown are nominal.

SLOS075J - NOVEMBER 1979 - REVISED JANUARY 2015

8 Detailed Description

8.1 Overview

The NE5532, NE5532A, SA5532, and SA5532A devices are high-performance operational amplifiers combining
excellent dc and ac characteristics. They feature very low noise, high output-drive capability, high unity-gain and
maximum-output-swing bandwidths, low distortion, high slew rate, input-protection diodes, and output short-
circuit protection. These operational amplifiers are compensated internally for unity-gain operation. These
devices have specified maximum limits for equivalent input noise voltage.

8.2 Functional Block Diagram

8.3 Feature Description

8.3.1 Unity-Gain Bandwidth

The unity-gain bandwidth is the frequency up to which an amplifier with a unity gain may be operated without
greatly distorting the signal. The NE5532, NE5532A, SA5532, and SA5532A devices have a 10-MHz unity-gain
bandwidth.

8.3.2 Common-Mode Rejection Ratio

The common-mode rejection ratio (CMRR) of an amplifier is a measure of how well the device rejects unwanted
input signals common to both input leads. It is found by taking the ratio of the change in input offset voltage to
the change in the input voltage and converting to decibels. Ideally the CMRR would be infinite, but in practice,
amplifiers are designed to have it as high as possible. The CMRR of the NE5532, NE5532A, SA5532, and
SA5532A devices is 100 dB.

8.3.3 Slew Rate

The slew rate is the rate at which an operational amplifier can change its output when there is a change on the
input. The NE5532, NE5532A, SA5532, and SA5532A devices have a 9-V/ms slew rate.

8.4 Device Functional Modes

The NE5532, NE5532A, SA5532, and SA5532A devices are powered on when the supply is connected. Each of
these devices can be operated as a single supply operational amplifier or dual supply amplifier depending on the
application.

Copyright  © 1979-2015, Texas Instruments Incorporated

7

Product Folder Links:

background image

R

3

R

1

R

2

R

4

15 V

V

REF

12 V

+

+

V

IN

+

V

DIFF

±

V

OUT-

V

OUT+

SLOS075J - NOVEMBER 1979 - REVISED JANUARY 2015

9 Application and Implementation

NOTE

Information in the following applications sections is not part of the TI component
specification, and TI does not warrant its accuracy or completeness. TI’s customers are
responsible for determining suitability of components for their purposes. Customers should
validate and test their design implementation to confirm system functionality.

9.1 Typical Application

Some applications require differential signals.

shows a simple circuit to convert a single-ended input of 2

V to 10 V into differential output of  ±8 V on a single 15-V supply. The output range is intentionally limited to
maximize linearity. The circuit is composed of two amplifiers. One amplifier acts as a buffer and creates a
voltage, V

OUT+

. The second amplifier inverts the input and adds a reference voltage to generate V

OUT-

. Both

V

OUT+

and V

OUT-

range from 2 V to 10 V. The difference, V

DIFF

, is the difference between V

OUT+

and V

OUT-

.

Figure 4. Schematic for Single-Ended Input to Differential Output Conversion

9.1.1 Design Requirements

The design requirements are as follows:

Supply voltage: 15 V

Reference voltage: 12V

Input: 2 V to 10 V

Output differential:  ±8 V

8

Copyright  © 1979-2015, Texas Instruments Incorporated

Product Folder Links:

background image

OUT

OUT

cm

REF

V

V

1

V

V

2

2

+

-

+

æ

ö

=

=

ç

Ă·

è

ø

2

4

2

D IF F

O U T

O U T

IN

R E F

1

3

4

1

R

R

R

V

V

V

V

1

V

1

R

R

R

R

+

-

æ

ö

æ

ö

æ

ö

=

-

=

´

+

-

´

+

ç

Ă·

ç

Ă·

ç

Ă·

+

è

ø

è

ø

è

ø

4

2

2

out

ref

in

3

4

1

1

R

R

R

V

V

1

V

R

R

R

R

-

æ

ö Ă¦

ö

=

´

´

+

-

´

ç

Ă· Ă§

Ă·

+

è

ø

è

ø

SLOS075J - NOVEMBER 1979 - REVISED JANUARY 2015

Typical Application (continued)

9.1.2 Detailed Design Procedure

The circuit in

takes a single-ended input signal, V

IN

, and generates two output signals, V

OUT+

and V

OUT-

using two amplifiers and a reference voltage, V

REF

. V

OUT+

is the output of the first amplifier and is a buffered

version of the input signal, V

IN

. V

OUT-

is the output of the second amplifier which uses V

REF

to add an

offset voltage to V

IN

and feedback to add inverting gain. The transfer function for V

OUT-

is

.

V

OUT+

= V

IN

(1)

(2)

The differential output signal, V

DIFF

, is the difference between the two single-ended output signals, V

OUT+

and

V

OUT-

.

shows the transfer function for V

DIFF

. By applying the conditions that R

1

= R

2

and R

3

= R

4

, the

transfer function is simplified into

Using this configuration, the maximum input signal is equal to the

reference voltage and the maximum output of each amplifier is equal to the V

REF

. The differential output range is

2×V

REF

. Furthermore, the common mode voltage will be one half of V

REF

(see

(3)

V

OUT+

= V

IN

(4)

V

OUT-

= V

REF

- V

IN

(5)

V

DIFF

= 2×V

IN

- V

REF

(6)

(7)

9.1.2.1 Amplifier Selection

Linearity over the input range is key for good dc accuracy. The common mode input range and the output swing
limitations determine the linearity. In general, an amplifier with rail-to-rail input and output swing is required.
Bandwidth is a key concern for this design. Since the NE5532 has a bandwidth of 10 MHz, this circuit will only be
able to process signals with frequencies of less than 10 MHz.

9.1.2.2 Passive Component Selection

Because the transfer function of V

OUT-

is heavily reliant on resistors (R

1

, R

2

, R

3

, and R

4

), use resistors with low

tolerances to maximize performance and minimize error. This design used resistors with resistance values of 36
k

Ω with tolerances measured to be within 2%. But, if the noise of the system is a key parameter, the user can

select smaller resistance values (6 k

Ω or lower) to keep the overall system noise low. This ensures that the noise

from the resistors is lower than the amplifier noise.

9.1.3 Application Curves

The measured transfer functions in

,

, and

were generated by sweeping the input

voltage from 0 V to 12V. However, this design should only be used between 2 V and 10 V for optimum linearity.

Copyright  © 1979-2015, Texas Instruments Incorporated

9

Product Folder Links:

background image

0

2

4

6

8

10

12

0

1

2

3

4

5

6

7

8

9

10

11

12

V

OUT

t

 (

V

VIN (V) 

C002 

±

12 

±

±

0

4

8

12

0

1

2

3

4

5

6

7

8

9

10

11

12

V

DI

F

F

 (

V

VIN (V) 

C003 

0

2

4

6

8

10

12

0

1

2

3

4

5

6

7

8

9

10

11

12

V

OUT

+ (

V

VIN (V) 

C001 

SLOS075J - NOVEMBER 1979 - REVISED JANUARY 2015

Typical Application (continued)

Figure 5. Differential Output Voltage vs Input Voltage

Figure 6. Positive Output Voltage Node vs Input Voltage

Figure 7. Positive Output Voltage Node vs Input Voltage

10

Copyright  © 1979-2015, Texas Instruments Incorporated

Product Folder Links:

background image

+

RIN

RG

RF

VOUT

VIN

SLOS075J - NOVEMBER 1979 - REVISED JANUARY 2015

10 Power Supply Recommendations

The NE5532x and SA5532x devices are specified for operation over the range of  ±5 to  ±15 V; many
specifications apply from 0 °C to 70 °C (NE5532x) and -40 °C to 85 °C (SA5532x). The

section presents parameters that can exhibit significant variance with regard to operating voltage or temperature.

CAUTION

Supply voltages outside of the  ±22 V range can permanently damage the device (see
the

Place 0.1-

μF bypass capacitors close to the power-supply pins to reduce errors coupling in from noisy or high

impedance power supplies. For more detailed information on bypass capacitor placement, refer to the

11 Layout

11.1 Layout Guidelines

For best operational performance of the device, use good PCB layout practices, including:

Noise can propagate into analog circuitry through the power pins of the circuit as a whole and the operational
amplifier. Bypass capacitors are used to reduce the coupled noise by providing low impedance power
sources local to the analog circuitry.
-

Connect low-ESR, 0.1-

μF ceramic bypass capacitors between each supply pin and ground, placed as

close to the device as possible. A single bypass capacitor from V+ to ground is applicable for single
supply applications.

Separate grounding for analog and digital portions of circuitry is one of the simplest and most-effective
methods of noise suppression. One or more layers on multilayer PCBs are usually devoted to ground planes.
A ground plane helps distribute heat and reduces EMI noise pickup. Make sure to physically separate digital
and analog grounds, paying attention to the flow of the ground current. For more detailed information, refer to
Circuit Board Layout Techniques,

To reduce parasitic coupling, run the input traces as far away from the supply or output traces as possible. If
it is not possible to keep them separate, it is much better to cross the sensitive trace perpendicular as
opposed to in parallel with the noisy trace.

Place the external components as close to the device as possible. Keeping RF and RG close to the inverting
input minimizes parasitic capacitance, as shown in

Keep the length of input traces as short as possible. Always remember that the input traces are the most
sensitive part of the circuit.

Consider a driven, low-impedance guard ring around the critical traces. A guard ring can significantly reduce
leakage currents from nearby traces that are at different potentials.

11.2 Layout Example

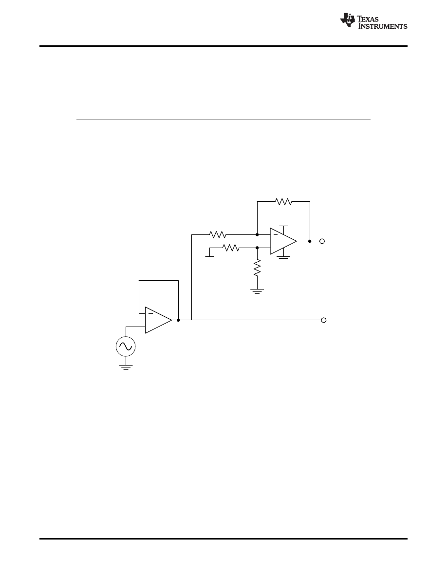
Figure 8. Operational Amplifier Schematic for Noninverting Configuration

Copyright  © 1979-2015, Texas Instruments Incorporated

11

Product Folder Links:

background image

OUT1

OUT2

IN1

Ă­

IN1+

VCC

Ă­

VCC+

IN2

Ă­

IN2+

RG

RIN

RF

GND

VIN

VS-

GND

VS+

GND

Run the input traces as far 
away from the supply lines 

as possible

Only needed for 

dual-supply 

operation

Place components close to 

device and to each other to 

reduce parasitic errors

Use low-ESR, ceramic 

bypass capacitor

(or GND for single supply)

Ground (GND) plane on another layer

SLOS075J - NOVEMBER 1979 - REVISED JANUARY 2015

Layout Example (continued)

Figure 9. Operational Amplifier Board Layout for Noninverting Configuration

12

Copyright  © 1979-2015, Texas Instruments Incorporated

Product Folder Links:

background image

SLOS075J - NOVEMBER 1979 - REVISED JANUARY 2015

12 Device and Documentation Support

12.1 Related Links

The table below lists quick access links. Categories include technical documents, support and community
resources, tools and software, and quick access to sample or buy.

Table 1. Related Links

Technical

Support &

Parts

Product Folder

Sample & Buy

Tools & Software

Documents

Community

NE5532

NE5532A

SA5532

SA5532A

12.2 Trademarks

All trademarks are the property of their respective owners.

12.3 Electrostatic Discharge Caution

This integrated circuit can be damaged by ESD. Texas Instruments recommends that all integrated circuits be handled with
appropriate precautions. Failure to observe proper handling and installation procedures can cause damage.

ESD damage can range from subtle performance degradation to complete device failure. Precision integrated circuits may be more
susceptible to damage because very small parametric changes could cause the device not to meet its published specifications.

12.4 Glossary

— TI Glossary.

This glossary lists and explains terms, acronyms and definitions.

13 Mechanical, Packaging, and Orderable Information

The following pages include mechanical packaging and orderable information. This information is the most
current data available for the designated devices. This data is subject to change without notice and revision of
this document. For browser based versions of this data sheet, refer to the left hand navigation.

Copyright  © 1979-2015, Texas Instruments Incorporated

13

Product Folder Links:

background image

PACKAGE OPTION ADDENDUM

www.ti.com

17-Dec-2015

Addendum-Page 1

PACKAGING INFORMATION

Orderable Device

Status

(1)

Package Type Package

Drawing

Pins Package

Qty

Eco Plan

(2)

Lead/Ball Finish

(6)

MSL Peak Temp

(3)

Op Temp ( °C)

Device Marking

(4/5)

Samples

NE5532AD

ACTIVE

SOIC

D

8

75

Green (RoHS

& no Sb/Br)

CU NIPDAU

Level-1-260C-UNLIM

0 to 70

N5532A

NE5532ADE4

ACTIVE

SOIC

D

8

75

Green (RoHS

& no Sb/Br)

CU NIPDAU

Level-1-260C-UNLIM

0 to 70

N5532A

NE5532ADR

ACTIVE

SOIC

D

8

2500

Green (RoHS

& no Sb/Br)

CU NIPDAU

Level-1-260C-UNLIM

0 to 70

N5532A

NE5532ADRE4

ACTIVE

SOIC

D

8

2500

Green (RoHS

& no Sb/Br)

CU NIPDAU

Level-1-260C-UNLIM

0 to 70

N5532A

NE5532ADRG4

ACTIVE

SOIC

D

8

2500

Green (RoHS

& no Sb/Br)

CU NIPDAU

Level-1-260C-UNLIM

0 to 70

N5532A

NE5532AIP

OBSOLETE

PDIP

P

8

TBD

Call TI

Call TI

-40 to 85

NE5532AP

ACTIVE

PDIP

P

8

50

Pb-Free

(RoHS)

CU NIPDAU

N / A for Pkg Type

0 to 70

NE5532AP

NE5532APE4

ACTIVE

PDIP

P

8

50

Pb-Free

(RoHS)

CU NIPDAU

N / A for Pkg Type

0 to 70

NE5532AP

NE5532APSR

ACTIVE

SO

PS

8

2000

Green (RoHS

& no Sb/Br)

CU NIPDAU

Level-1-260C-UNLIM

0 to 70

N5532A

NE5532APSRE4

ACTIVE

SO

PS

8

2000

Green (RoHS

& no Sb/Br)

CU NIPDAU

Level-1-260C-UNLIM

0 to 70

N5532A

NE5532D

ACTIVE

SOIC

D

8

75

Green (RoHS

& no Sb/Br)

CU NIPDAU

Level-1-260C-UNLIM

0 to 70

N5532

NE5532DG4

ACTIVE

SOIC

D

8

75

Green (RoHS

& no Sb/Br)

CU NIPDAU

Level-1-260C-UNLIM

0 to 70

N5532

NE5532DR

ACTIVE

SOIC

D

8

2500

Green (RoHS

& no Sb/Br)

CU NIPDAU | CU SN

Level-1-260C-UNLIM

0 to 70

N5532

NE5532DRE4

ACTIVE

SOIC

D

8

2500

Green (RoHS

& no Sb/Br)

CU NIPDAU

Level-1-260C-UNLIM

0 to 70

N5532

NE5532DRG4

ACTIVE

SOIC

D

8

2500

Green (RoHS

& no Sb/Br)

CU NIPDAU

Level-1-260C-UNLIM

0 to 70

N5532

NE5532IP

OBSOLETE

PDIP

P

8

TBD

Call TI

Call TI

-40 to 85

NE5532P

ACTIVE

PDIP

P

8

50

Pb-Free

(RoHS)

CU NIPDAU | CU SN

N / A for Pkg Type

0 to 70

NE5532P

NE5532PE4

ACTIVE

PDIP

P

8

50

Pb-Free

(RoHS)

CU NIPDAU

N / A for Pkg Type

0 to 70

NE5532P

background image

PACKAGE OPTION ADDENDUM

www.ti.com

17-Dec-2015

Addendum-Page 2

Orderable Device

Status

(1)

Package Type Package

Drawing

Pins Package

Qty

Eco Plan

(2)

Lead/Ball Finish

(6)

MSL Peak Temp

(3)

Op Temp ( °C)

Device Marking

(4/5)

Samples

NE5532PSR

ACTIVE

SO

PS

8

2000

Green (RoHS

& no Sb/Br)

CU NIPDAU

Level-1-260C-UNLIM

0 to 70

N5532

NE5532PSRE4

ACTIVE

SO

PS

8

2000

Green (RoHS

& no Sb/Br)

CU NIPDAU

Level-1-260C-UNLIM

0 to 70

N5532

NE5532PSRG4

ACTIVE

SO

PS

8

2000

Green (RoHS

& no Sb/Br)

CU NIPDAU

Level-1-260C-UNLIM

0 to 70

N5532

SA5532AD

ACTIVE

SOIC

D

8

75

Green (RoHS

& no Sb/Br)

CU NIPDAU

Level-1-260C-UNLIM

-40 to 85

SA5532A

SA5532ADG4

ACTIVE

SOIC

D

8

75

Green (RoHS

& no Sb/Br)

CU NIPDAU

Level-1-260C-UNLIM

-40 to 85

SA5532A

SA5532ADR

ACTIVE

SOIC

D

8

2500

Green (RoHS

& no Sb/Br)

CU NIPDAU

Level-1-260C-UNLIM

-40 to 85

SA5532A

SA5532ADRG4

ACTIVE

SOIC

D

8

2500

Green (RoHS

& no Sb/Br)

CU NIPDAU

Level-1-260C-UNLIM

-40 to 85

SA5532A

SA5532AP

ACTIVE

PDIP

P

8

50

Pb-Free

(RoHS)

CU NIPDAU

N / A for Pkg Type

-40 to 85

SA5532AP

SA5532APE4

ACTIVE

PDIP

P

8

50

Pb-Free

(RoHS)

CU NIPDAU

N / A for Pkg Type

-40 to 85

SA5532AP

SA5532D

ACTIVE

SOIC

D

8

75

Green (RoHS

& no Sb/Br)

CU NIPDAU

Level-1-260C-UNLIM

-40 to 85

SA5532

SA5532DR

ACTIVE

SOIC

D

8

2500

Green (RoHS

& no Sb/Br)

CU NIPDAU

Level-1-260C-UNLIM

-40 to 85

SA5532

SA5532DRG4

ACTIVE

SOIC

D

8

2500

Green (RoHS

& no Sb/Br)

CU NIPDAU

Level-1-260C-UNLIM

-40 to 85

SA5532

SA5532P

ACTIVE

PDIP

P

8

50

Pb-Free

(RoHS)

CU NIPDAU

N / A for Pkg Type

-40 to 85

SA5532P

SA5532PE4

ACTIVE

PDIP

P

8

50

Pb-Free

(RoHS)

CU NIPDAU

N / A for Pkg Type

-40 to 85

SA5532P

 

(1)

 The marketing status values are defined as follows:

ACTIVE: Product device recommended for new designs.
LIFEBUY: TI has announced that the device will be discontinued, and a lifetime-buy period is in effect.
NRND: Not recommended for new designs. Device is in production to support existing customers, but TI does not recommend using this part in a new design.
PREVIEW: Device has been announced but is not in production. Samples may or may not be available.
OBSOLETE: TI has discontinued the production of the device.

 

background image

PACKAGE OPTION ADDENDUM

www.ti.com

17-Dec-2015

Addendum-Page 3

(2)

 Eco Plan - The planned eco-friendly classification: Pb-Free (RoHS), Pb-Free (RoHS Exempt), or Green (RoHS & no Sb/Br) - please check

for the latest availability

information and additional product content details.
TBD:  The Pb-Free/Green conversion plan has not been defined.
Pb-Free (RoHS): TI's terms "Lead-Free" or "Pb-Free" mean semiconductor products that are compatible with the current RoHS requirements for all 6 substances, including the requirement that
lead not exceed 0.1% by weight in homogeneous materials. Where designed to be soldered at high temperatures, TI Pb-Free products are suitable for use in specified lead-free processes.
Pb-Free (RoHS Exempt): This component has a RoHS exemption for either 1) lead-based flip-chip solder bumps used between the die and package, or 2) lead-based  die adhesive used between
the die and leadframe. The component is otherwise considered Pb-Free (RoHS compatible) as defined above.
Green (RoHS & no Sb/Br): TI defines "Green" to mean Pb-Free (RoHS compatible), and free of Bromine (Br)  and Antimony (Sb) based flame retardants (Br or Sb do not exceed 0.1% by weight
in homogeneous material)

 

(3)

 MSL, Peak Temp. - The Moisture Sensitivity Level rating according to the JEDEC industry standard classifications, and peak solder temperature.

 

(4)

 There may be additional marking, which relates to the logo, the lot trace code information, or the environmental category on the device.

 

(5)

 Multiple Device Markings will be inside parentheses. Only one Device Marking contained in parentheses and separated by a "~" will appear on a device. If a line is indented then it is a continuation

of the previous line and the two combined represent the entire Device Marking for that device.

 

(6)

 Lead/Ball Finish - Orderable Devices may have multiple material finish options. Finish options are separated by a vertical ruled line. Lead/Ball Finish values may wrap to two lines if the finish

value exceeds the maximum column width.

 

Important Information and Disclaimer:The information provided on this page represents TI's knowledge and belief as of the date that it is provided. TI bases its knowledge and belief on information
provided by third parties, and makes no representation or warranty as to the accuracy of such information. Efforts are underway to better integrate information from third parties. TI has taken and
continues to take reasonable steps to provide representative and accurate information but may not have conducted destructive testing or chemical analysis on incoming materials and chemicals.
TI and TI suppliers consider certain information to be proprietary, and thus CAS numbers and other limited information may not be available for release.

 

In no event shall TI's liability arising out of such information exceed the total purchase price of the TI part(s) at issue in this document sold by TI to Customer on an annual basis.

 

background image

TAPE AND REEL INFORMATION

*All dimensions are nominal

Device

Package

Type

Package

Drawing

Pins

SPQ

Reel

Diameter

(mm)

Reel

Width

W1 (mm)

A0

(mm)

B0

(mm)

K0

(mm)

P1

(mm)

W

(mm)

Pin1

Quadrant

NE5532ADR

SOIC

D

8

2500

330.0

12.4

6.4

5.2

2.1

8.0

12.0

Q1

NE5532APSR

SO

PS

8

2000

330.0

16.4

8.2

6.6

2.5

12.0

16.0

Q1

NE5532DR

SOIC

D

8

2500

330.0

12.4

6.4

5.2

2.1

8.0

12.0

Q1

NE5532DR

SOIC

D

8

2500

330.0

12.8

6.4

5.2

2.1

8.0

12.0

Q1

NE5532DRG4

SOIC

D

8

2500

330.0

12.4

6.4

5.2

2.1

8.0

12.0

Q1

NE5532PSR

SO

PS

8

2000

330.0

16.4

8.2

6.6

2.5

12.0

16.0

Q1

SA5532ADR

SOIC

D

8

2500

330.0

12.4

6.4

5.2

2.1

8.0

12.0

Q1

SA5532DR

SOIC

D

8

2500

330.0

12.4

6.4

5.2

2.1

8.0

12.0

Q1

PACKAGE MATERIALS INFORMATION

www.ti.com

21-Jan-2014

Pack Materials-Page 1

background image

*All dimensions are nominal

Device

Package Type

Package Drawing

Pins

SPQ

Length (mm)

Width (mm)

Height (mm)

NE5532ADR

SOIC

D

8

2500

340.5

338.1

20.6

NE5532APSR

SO

PS

8

2000

367.0

367.0

38.0

NE5532DR

SOIC

D

8

2500

340.5

338.1

20.6

NE5532DR

SOIC

D

8

2500

364.0

364.0

27.0

NE5532DRG4

SOIC

D

8

2500

340.5

338.1

20.6

NE5532PSR

SO

PS

8

2000

367.0

367.0

38.0

SA5532ADR

SOIC

D

8

2500

340.5

338.1

20.6

SA5532DR

SOIC

D

8

2500

340.5

338.1

20.6

PACKAGE MATERIALS INFORMATION

www.ti.com

21-Jan-2014

Pack Materials-Page 2

background image
background image
background image
background image
background image

IMPORTANT NOTICE

Texas Instruments Incorporated and its subsidiaries (TI) reserve the right to make corrections, enhancements, improvements and other
changes to its semiconductor products and services per JESD46, latest issue, and to discontinue any product or service per JESD48, latest
issue. Buyers should obtain the latest relevant information before placing orders and should verify that such information is current and
complete. All semiconductor products (also referred to herein as †ścomponents†ť) are sold subject to TI’s terms and conditions of sale
supplied at the time of order acknowledgment.

TI warrants performance of its components to the specifications applicable at the time of sale, in accordance with the warranty in TI’s terms
and conditions of sale of semiconductor products. Testing and other quality control techniques are used to the extent TI deems necessary
to support this warranty. Except where mandated by applicable law, testing of all parameters of each component is not necessarily
performed.

TI assumes no liability for applications assistance or the design of Buyers’ products. Buyers are responsible for their products and
applications using TI components. To minimize the risks associated with Buyers’ products and applications, Buyers should provide
adequate design and operating safeguards.

TI does not warrant or represent that any license, either express or implied, is granted under any patent right, copyright, mask work right, or
other intellectual property right relating to any combination, machine, or process in which TI components or services are used. Information
published by TI regarding third-party products or services does not constitute a license to use such products or services or a warranty or
endorsement thereof. Use of such information may require a license from a third party under the patents or other intellectual property of the
third party, or a license from TI under the patents or other intellectual property of TI.

Reproduction of significant portions of TI information in TI data books or data sheets is permissible only if reproduction is without alteration
and is accompanied by all associated warranties, conditions, limitations, and notices. TI is not responsible or liable for such altered
documentation. Information of third parties may be subject to additional restrictions.

Resale of TI components or services with statements different from or beyond the parameters stated by TI for that component or service
voids all express and any implied warranties for the associated TI component or service and is an unfair and deceptive business practice.
TI is not responsible or liable for any such statements.

Buyer acknowledges and agrees that it is solely responsible for compliance with all legal, regulatory and safety-related requirements
concerning its products, and any use of TI components in its applications, notwithstanding any applications-related information or support
that may be provided by TI. Buyer represents and agrees that it has all the necessary expertise to create and implement safeguards which
anticipate dangerous consequences of failures, monitor failures and their consequences, lessen the likelihood of failures that might cause
harm and take appropriate remedial actions. Buyer will fully indemnify TI and its representatives against any damages arising out of the use
of any TI components in safety-critical applications.

In some cases, TI components may be promoted specifically to facilitate safety-related applications. With such components, TI’s goal is to
help enable customers to design and create their own end-product solutions that meet applicable functional safety standards and
requirements. Nonetheless, such components are subject to these terms.

No TI components are authorized for use in FDA Class III (or similar life-critical medical equipment) unless authorized officers of the parties
have executed a special agreement specifically governing such use.

Only those TI components which TI has specifically designated as military grade or †śenhanced plastic†ť are designed and intended for use in
military/aerospace applications or environments. Buyer acknowledges and agrees that any military or aerospace use of TI components
which have not been so designated is solely at the Buyer's risk, and that Buyer is solely responsible for compliance with all legal and
regulatory requirements in connection with such use.

TI has specifically designated certain components as meeting ISO/TS16949 requirements, mainly for automotive use. In any case of use of
non-designated products, TI will not be responsible for any failure to meet ISO/TS16949.

Products

Applications

Audio

Automotive and Transportation

Amplifiers

Communications and Telecom

Data Converters

Computers and Peripherals

DLP ® Products

Consumer Electronics

DSP

Energy and Lighting

Clocks and Timers

Industrial

Interface

Medical

Logic

Security

Power Mgmt

Space, Avionics and Defense

Microcontrollers

Video and Imaging

RFID

OMAP Applications Processors

TI E2E Community

Wireless Connectivity

Mailing Address: Texas Instruments, Post Office Box 655303, Dallas, Texas 75265

Copyright  © 2015, Texas Instruments Incorporated


Document Outline


powered by phppowered by MySQLPOWERED BY APACHEPOWERED BY CentOS© 2004 - 2026Información Legalpoliticas de cookiesipv6 ready