Secciones
Foros Electrónica
Boletines de correo
Boletines
background image

DATA  SHEET

Product specification
Supersedes data of January 1994
File under Integrated Circuits, IC01

1997 Feb 24

INTEGRATED CIRCUITS

SAA6579
Radio Data System (RDS)
demodulator

background image

1997 Feb 24

2

Philips Semiconductors

Product specification

Radio Data System (RDS) demodulator

SAA6579

FEATURES

Anti-aliasing filter (2nd order)

Integrated 57 kHz band-pass filter (8th order)

Reconstruction filter (2nd order)

Clocked comparator with automatic offset compensation

57 kHz carrier regeneration

Synchronous demodulator for 57 kHz modulated RDS
signals

Selectable 4.332/8.664 MHz crystal oscillator with
variable dividers

Clock regeneration with lock on biphase data rate

Biphase symbol decoder with integrate and dump
functions

Differential decoder

Signal quality detector

Subcarrier output.

GENERAL DESCRIPTION

The integrated CMOS circuit SAA6579 is an RDS
demodulator. It recovers the additional inaudible RDS
information which is transmitted by FM radio broadcasting.

The data signal RDDA and the clock signal RDCL are
provided as outputs for further processing by a suitable
decoder (microcomputer).

The operational functions of the device are in accordance
with the

CENELEC EN 50067.

QUICK REFERENCE DATA

ORDERING INFORMATION

SYMBOL

PARAMETER

MIN.

TYP.

MAX.

UNIT

V

DDA

analog supply voltage (pin 5)

3.6

5.0

5.5

V

V

DDD

digital supply voltage (pin 12)

3.6

5.0

5.5

V

I

tot

total supply current

-

6

-

mA

V

i(rms)

RDS input amplitude (RMS value; pin 4)

1

-

-

mV

V

OH

HIGH level output voltage for signals RDDA, RDCL, QUAL and T57

4.4

-

-

V

V

OL

LOW level output voltage for signals RDDA, RDCL, QUAL and T57

-

-

0.4

V

T

amb

operating ambient temperature

-

40

-

+85

C

TYPE

NUMBER

PACKAGE

NAME

DESCRIPTION

VERSION

SAA6579

DIP16

plastic dual in-line package; 16 leads (300 mil); long body

SOT38-1

SAA6579T

SO16

plastic small outline package; 16 leads; body width 7.5 mm

SOT162-1

background image

1997 Feb 24

3

Philips Semiconductors

Product specification

Radio Data System (RDS) demodulator

SAA6579

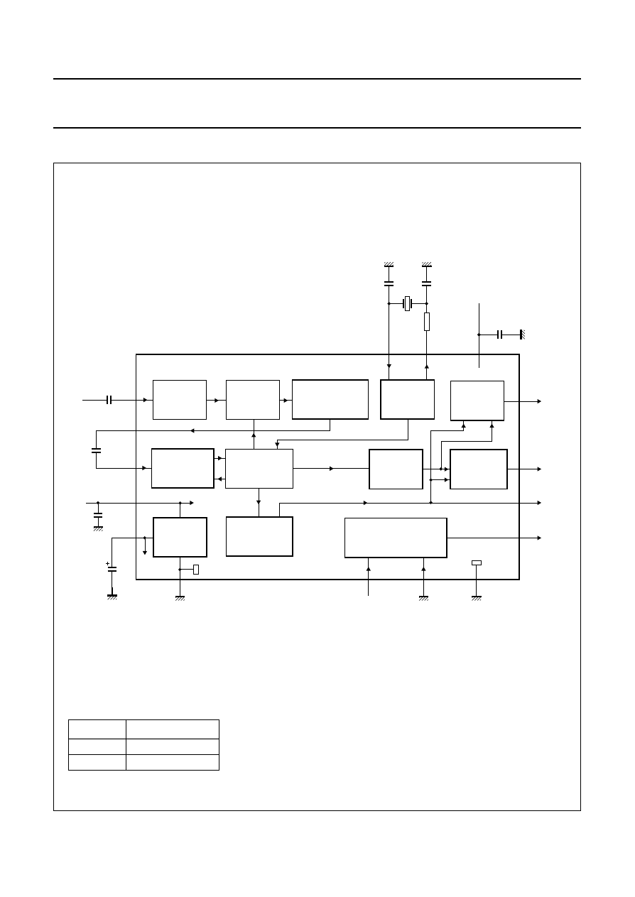
BLOCK DIAGRAM

Fig.1  Block diagram and application circuit.

Via pin MODE two different crystal frequencies can be used.

MODE

CRYSTAL CLOCK

LOW

4.332 MHz

HIGH

8.664 MHz

handbook, full pagewidth

SAA6579

0.1 

F

ANTI-

ALIASING

FILTER

57 kHz

BANDPASS

(8th ORDER)

RECONSTRUCTION

FILTER

OSCILLATOR

AND

DIVIDER

CLOCKED

COMPARATOR

COSTAS LOOP

VARIABLE AND
FIXED DIVIDER

CLOCK

REGENERATION

AND SYNC

BIPHASE

SYMBOL

DECODER

DIFFERENTIAL

DECODER

TEST LOGIC AND OUTPUT

SELECTOR SWITCH

REFERENCE

VOLTAGE

2.2 

F

4

7

8

5

3

6

VDDA

Vref

V

P1

13

14

QUAL

RDDA

RDCL

T57

QUALITY BIT

GENERATOR

1

2

15

16

11

12

2.2 k

82 pF

47 pF

4.332/8.664 MHz

MPX

signal

330 pF

9

10

MODE

TEST

560 pF

MEH162

VSSD

DDD

+

5 V

+5 V

OSCO

OSCI

MUX

SCOUT

CIN

0.1 

F

VSSA

background image

1997 Feb 24

4

Philips Semiconductors

Product specification

Radio Data System (RDS) demodulator

SAA6579

PINNING

SYMBOL

PIN

DESCRIPTION

QUAL

1

quality indication output

RDDA

2

RDS data output

V

ref

3

reference voltage output (0.5V

DDA

)

MUX

4

multiplex signal input

V

DDA

5

+5 V supply voltage for analog part

V

SSA

6

ground for analog part (0 V)

CIN

7

subcarrier input to comparator

SCOUT

8

subcarrier output of reconstruction filter

MODE

9

oscillator mode/test control input

TEST

10

test enable input

V

SSD

11

ground for digital part (0 V)

V

DDD

12

+5 V supply voltage for digital part

OSCI

13

oscillator input

OSCO

14

oscillator output

T57

15

57 kHz clock signal output

RDCL

16

RDS clock output

handbook, halfpage

SAA6579

MGD684

1

2

3

4

5

6

7

8

QUAL

RDDA

Vref

MUX

VDDA

VSSA

CIN

SCOUT

RDCL

T57

OSCO

OSCI

VDDD

VSSD

TEST

MODE

16

15

14

13

12

11

10

9

Fig.2  Pin configuration.

Fig.3  Pin configuration.

handbook, halfpage

MGD685

1

2

3

4

5

6

7

8

16

15

14

13

12

11

10

9

QUAL

RDDA

Vref

MUX

VDDA

VSSA

CIN

SCOUT

RDCL

T57

OSCO

OSCI

VDDD

VSSD

TEST

MODE

SAA6579T

background image

1997 Feb 24

5

Philips Semiconductors

Product specification

Radio Data System (RDS) demodulator

SAA6579

LIMITING VALUES

In accordance with the Absolute Maximum Rating System (IEC 134); ground pins 6 and 11 connected together.

Notes

1. Equivalent to discharging a 200 pF capacitor via a 0

 series resistor.

2. Equivalent to discharging a 100 pF capacitor via a 1.5 k

 series resistor.

SYMBOL

PARAMETER

CONDITIONS

MIN.

MAX.

UNIT

V

DDA

analog supply voltage (pin 5)

0

6

V

V

DDD

digital supply voltage (pin 12)

0

6

V

V

n

voltage on all pins; grounds excluded

-

0.5

V

DDX

+ 0.5

V

T

stg

storage temperature

-

40

+150

C

T

amb

operating ambient temperature

-

40

+85

C

V

es

electrostatic handling for all pins except
pins 9 and 10

note 1

300

-

V

note 2

+1500

-

3000

V

FUNCTIONAL DESCRIPTION

The SAA6579 is a demodulator circuit for RDS
applications. It contains a 57 kHz bandpass filter and a
digital demodulator to regenerate the RDS data stream out
of the multiplex signal (MPX).

Filter part

The MUX signal is band-limited by a second-order
anti-aliasing-filter and fed through a 57 kHz band-pass
filter (8th order band-pass filter with 3 kHz bandwidth) to
separate the RDS signals. This filter uses switched
capacitor technique and is clocked by a clock frequency of
541.5 kHz derived from the 4.332/8.664 MHz crystal
oscillator. Then the signal is fed to the reconstruction filter
to smooth the sampled and filtered RDS signal before it is
output on pin 8. The signal is AC-coupled to the
comparator (pin 7). The comparator is clocked with a
frequency of 228 kHz (synchronized by the 57 kHz of the
demodulator).

Digital part

The synchronous demodulator (Costas loop circuit) with
carrier regeneration demodulates the internal coupled,
digitized signal. The suppressed carrier is recovered from
the two sidebands (Costas loop). The demodulated signal
is low-pass-filtered in such a way that the overall pulse
shape (transmitter and receiver) approaches a
cosinusoidal form in conjunction with the following
Integrate and dump circuit.

The data-spectrum shaping is split into two equal parts and
handled in the transmitter and in the receiver. Ideally, the
data filtering should be equal in both of these parts.

The overall data-channel-spectrum shaping of the
transmitter and the receiver is approximately 100% roll-off.

The Integrate and dump circuit performs an integration
over a clock period. This results in a demodulated and
valid RDS signal in form of biphase symbols being output
from the integrate and dump circuit. The final stages of
RDS data processing are the biphase symbol decoding
and the differential decoding. After synchronization by
data clock RDCL (pin 16) data appears on the RDDA
output (pin 2). The output of the biphase symbol decoder
is evaluated by a special circuit to provide an indication of
good data (QUAL = HIGH) or corrupt data (QUAL = LOW).

Timing

Fixed and variable dividers are applied to the
4.332/8.664 MHz crystal oscillator to generate the
1.1875 kHz RDS clock RDCL, which is synchronized by
the incoming data. Which ever clock edge is considered
(positive or negative going edge) the data will remain valid
for 399

s after the clock transition. The timing of data

change is 4

s before a clock change. Which clock

transition (positive or negative going clock) the data
change occurs in, depends on the lock conditions and is
arbitrary (bit slip).

During poor reception it is possible that faults in phase
occur, then the clock signal stays uninterrupted, and data
is constant for 1.5 clock periods. Normally, faults in phase
do not occur on a cyclic basis. If however, faults in phase
occur in this way, the minimum spacing between two
possible faults in phase depends on the data being
transmitted. The minimum spacing cannot be less than
16 clock periods. The quality bit changes only at the time
of a data change.

background image

1997 Feb 24

6

Philips Semiconductors

Product specification

Radio Data System (RDS) demodulator

SAA6579

CHARACTERISTICS

V

DDA

= V

DDD

= 5 V;  T

amb

= 25

C and measurements taken in Fig.1; unless otherwise specified.

SYMBOL

PARAMETER

CONDITIONS

MIN.

TYP.

MAX.

UNIT

V

DDA

analog supply voltage (pin 5)

3.6

5.0

5.5

V

V

DDD

digital supply voltage (pin 12)

3.6

5.0

5.5

V

I

tot

total supply current

I

5

+ I

12

-

6

-

mA

V

ref

reference voltage (pin 3)

V

DDA

= 5 V

-

2.5

-

V

MPX input (signal before the capacitor on pin 4)

V

i MPX(rms)

RDS amplitude (RMS value)

f =

1.2 kHz RDS;

f =

3.5 kHz ARI; see Fig.5

1

-

-

mV

V

i MPX(p-p)

maximum input signal capability
(peak-to-peak value)

f = 57

2 kHz

200

-

-

mV

f < 50 kHz

1.4

-

-

V

f < 15 kHz

2.8

-

-

V

f > 70 kHz

3.5

-

-

V

R

4-6

input resistance

f = 0 to 100 kHz

40

-

-

k

G

8-4

signal gain

f = 57 kHz

17

20

23

dB

57 kHz band-pass filter

f

c

centre frequency

T

amb

=

-

40 to +85

C

56.5

57.0

57.5

kHz

B

-

3 dB bandwidth

2.5

3.0

3.5

kHz

G

stop band gain

f =

7 kHz

31

-

-

dB

f < 45 kHz

40

-

-

dB

f < 20 kHz

50

-

-

dB

f > 70 kHz

40

-

-

dB

R

o(8)

output resistance (pin 8)

f = 57 kHz

-

26

-

Comparator input (pin 7)

V

i(rms)

minimum input level (RMS value)

f = 57 kHz

-

1

10

mV

R

i

input resistance

70

110

150

k

Oscillator input (pin 13)

V

IH

HIGH level input voltage

V

DDD

= 5.0 V

4.0

-

-

V

V

IL

LOW level input voltage

V

DDD

= 5.0 V

-

-

1.0

V

I

I

input current

V

DDD

= 5.5 V

-

-

1

A

background image

1997 Feb 24

7

Philips Semiconductors

Product specification

Radio Data System (RDS) demodulator

SAA6579

Note

1. The signal T57 has a phase lead of 123

 (

180

) relative to the ARI carrier at output SCOUT.

Digital demodulator and outputs QUAL, RDDA, T57, OSCO and RDCL (pins 1, 2, 14, 15 and 16)

V

OH

HIGH level output voltage

I

Q

=

-

20

A; V

DDD

= 4.5 V

4.4

-

-

V

V

OL

LOW level output voltage

I

Q

= 3.2 mA; V

DDD

= 5.5 V

-

-

0.4

V

f

RDCL

nominal clock frequency RDCL

-

1187.5

-

Hz

t

RDCL

jitter of RDCL

-

-

18

s

f

T57

nominal subcarrier frequency T57

note 1

-

57.0

-

kHz

I

O

output current OSCO (pin 14)

V

DDD

= 4.5 V; V

14

= 0.4 V

1.5

-

-

mA

V

DDD

= 4.5 V; V

14

= 4.1 V

-

1.6

-

-

mA

output current QUAL, RDDA, T57,
RDCL (pins 1, 2, 15 and 16)

V

DDD

= 4.5 V; V

14

= 0.4 V

5.9

-

-

mA

V

DDD

= 4.5 V; V

14

= 4.1 V

-

5.3

-

-

mA

4.332 MHz crystal parameters

f

0

XTAL frequency

-

4.332

-

MHz

f

max

maximum permitted tolerance

-

50

-

10

-

6

f

o

adjustment tolerance of f

0

T

amb

= 25

C

-

-

20

10

-

6

T

amb

=

-

40 to +85

C

-

-

25

10

-

6

C

L

load capacitance

-

30

-

pF

R

xtal

resonance resistance

-

-

60

8.664 MHz crystal parameters

f

0

XTAL frequency

-

8.664

-

MHz

f

max

maximum permitted tolerance

-

50

-

10

-

6

f

o

adjustment tolerance of f

0

T

amb

= 25

C

-

-

30

10

-

6

T

amb

=

-

40 to +85

C

-

-

30

10

-

6

C

L

load capacitance

-

30

-

pF

R

xtal

resonance resistance

-

-

60

SYMBOL

PARAMETER

CONDITIONS

MIN.

TYP.

MAX.

UNIT

background image

1997 Feb 24

8

Philips Semiconductors

Product specification

Radio Data System (RDS) demodulator

SAA6579

Fig.4  RDS timing diagram including a phase jump.

handbook, full pagewidth

s

s

842 

s

421 

s

MEH163

RDDA,
QUAL

RDCL

handbook, full pagewidth

0

100

correct

blocks

(%)

75

25

(1)

(2)

50

MGD683

10

-

1

1

10

Vi (RDS signal, RMS value)

(mV)

(1) RDS + ARI (BK).

(2) RDS only.

Fig.5  Typical RDS sensitivity.

background image

1997 Feb 24

9

Philips Semiconductors

Product specification

Radio Data System (RDS) demodulator

SAA6579

PACKAGE OUTLINES

UNIT

A

max.

1

2

b

1

c

E

e

M

H

L

 REFERENCES

OUTLINE

VERSION

EUROPEAN

PROJECTION

ISSUE DATE

 IEC

 JEDEC

 EIAJ

mm

inches

DIMENSIONS (inch dimensions are derived from the original mm dimensions)

SOT38-1

92-10-02
95-01-19

A  

min.

A  

max.

b

max.

w

M

E

e

1

1.40
1.14

0.055
0.045

0.53
0.38

0.32
0.23

21.8
21.4

0.86
0.84

6.48
6.20

0.26
0.24

3.9
3.4

0.15
0.13

0.254

2.54

7.62

0.30

8.25
7.80

0.32
0.31

9.5
8.3

0.37
0.33

2.2

0.087

4.7

0.51

3.7

0.15

0.021
0.015

0.013
0.009

0.01

0.10

0.020

0.19

050G09

MO-001AE

M

H

c

(e  )

1

M

E

A

L

seating plane

A

1

w

M

b

1

e

D

A

2

Z

16

1

9

8

b

E

pin 1 index

0

5

10 mm

scale

Note

1. Plastic or metal protrusions of 0.25 mm maximum per side are not included. 

(1)

(1)

D

(1)

Z

DIP16: plastic dual in-line package; 16 leads (300 mil); long body

SOT38-1

background image

1997 Feb 24

10

Philips Semiconductors

Product specification

Radio Data System (RDS) demodulator

SAA6579

UNIT

A

max.

A

1

A

2

A

3

b

p

c

D

(1)

E

(1)

(1)

e

H

E

L

L

p

Q

Z

y

w

v

Θ

 REFERENCES

OUTLINE

VERSION

EUROPEAN

PROJECTION

ISSUE DATE

 IEC

 JEDEC

 EIAJ

mm

inches

2.65

0.30
0.10

2.45
2.25

0.49
0.36

0.32
0.23

10.5
10.1

7.6
7.4

1.27

10.65
10.00

1.1
1.0

0.9
0.4

8
0

o

o

0.25

0.1

DIMENSIONS (inch dimensions are derived from the original mm dimensions)

Note

1. Plastic or metal protrusions of 0.15 mm maximum per side are not included.  

1.1
0.4

 SOT162-1

8

16

w

M

b

p

D

detail X

Z

e

9

1

y

0.25

 075E03

 MS-013AA

pin 1 index

0.10

0.012
0.004

0.096
0.089

0.019
0.014

0.013
0.009

0.41
0.40

0.30
0.29

0.050

1.4

0.055

0.42
0.39

0.043
0.039

0.035
0.016

0.01

0.25

0.01

0.004

0.043
0.016

0.01

X

Θ

A

A

1

A

2

H

E

L

p

Q

E

c

L

v

M

A

(A  )

3

A

0

5

10 mm

scale

92-11-17

95-01-24 

SO16: plastic small outline package; 16 leads; body width 7.5 mm

SOT162-1

background image

1997 Feb 24

11

Philips Semiconductors

Product specification

Radio Data System (RDS) demodulator

SAA6579

SOLDERING

Introduction

There is no soldering method that is ideal for all IC
packages. Wave soldering is often preferred when
through-hole and surface mounted components are mixed
on one printed-circuit board. However, wave soldering is
not always suitable for surface mounted ICs, or for
printed-circuits with high population densities. In these
situations reflow soldering is often used.

This text gives a very brief insight to a complex technology.
A more in-depth account of soldering ICs can be found in
our

IC Package Databook (order code 9398 652 90011).

DIP

S

OLDERING BY DIPPING OR BY WAVE

The maximum permissible temperature of the solder is
260

C; solder at this temperature must not be in contact

with the joint for more than 5 seconds. The total contact
time of successive solder waves must not exceed
5 seconds.

The device may be mounted up to the seating plane, but
the temperature of the plastic body must not exceed the
specified maximum storage temperature (T

stg max

). If the

printed-circuit board has been pre-heated, forced cooling
may be necessary immediately after soldering to keep the
temperature within the permissible limit.

R

EPAIRING SOLDERED JOINTS

Apply a low voltage soldering iron (less than 24 V) to the
lead(s) of the package, below the seating plane or not
more than 2 mm above it. If the temperature of the
soldering iron bit is less than 300

C it may remain in

contact for up to 10 seconds. If the bit temperature is
between 300 and 400

C, contact may be up to 5 seconds.

SO

R

EFLOW SOLDERING

Reflow soldering techniques are suitable for all SO
packages.

Reflow soldering requires solder paste (a suspension of
fine solder particles, flux and binding agent) to be applied
to the printed-circuit board by screen printing, stencilling or
pressure-syringe dispensing before package placement.

Several techniques exist for reflowing; for example,
thermal conduction by heated belt. Dwell times vary
between 50 and 300 seconds depending on heating
method. Typical reflow temperatures range from
215 to 250

C.

Preheating is necessary to dry the paste and evaporate
the binding agent. Preheating duration: 45 minutes at
45

C.

W

AVE SOLDERING

Wave soldering techniques can be used for all SO
packages if the following conditions are observed:

A double-wave (a turbulent wave with high upward
pressure followed by a smooth laminar wave) soldering
technique should be used.

The longitudinal axis of the package footprint must be
parallel to the solder flow.

The package footprint must incorporate solder thieves at
the downstream end.

During placement and before soldering, the package must
be fixed with a droplet of adhesive. The adhesive can be
applied by screen printing, pin transfer or syringe
dispensing. The package can be soldered after the
adhesive is cured.

Maximum permissible solder temperature is 260

C, and

maximum duration of package immersion in solder is
10 seconds, if cooled to less than 150

C within

6 seconds. Typical dwell time is 4 seconds at 250

C.

A mildly-activated flux will eliminate the need for removal
of corrosive residues in most applications.

R

EPAIRING SOLDERED JOINTS

Fix the component by first soldering two diagonally-
opposite end leads. Use only a low voltage soldering iron
(less than 24 V) applied to the flat part of the lead. Contact
time must be limited to 10 seconds at up to 300

C.

When using a dedicated tool, all other leads can be
soldered in one operation within 2 to 5 seconds between
270 and 320

C.

background image

1997 Feb 24

12

Philips Semiconductors

Product specification

Radio Data System (RDS) demodulator

SAA6579

DEFINITIONS

LIFE SUPPORT APPLICATIONS

These products are not designed for use in life support appliances, devices, or systems where malfunction of these
products can reasonably be expected to result in personal injury. Philips customers using or selling these products for
use in such applications do so at their own risk and agree to fully indemnify Philips for any damages resulting from such
improper use or sale.

Data sheet status

Objective specification

This data sheet contains target or goal specifications for product development.

Preliminary specification

This data sheet contains preliminary data; supplementary data may be published later.

Product specification

This data sheet contains final product specifications.

Limiting values

Limiting values given are in accordance with the Absolute Maximum Rating System (IEC 134). Stress above one or
more of the limiting values may cause permanent damage to the device. These are stress ratings only and operation
of the device at these or at any other conditions above those given in the Characteristics sections of the specification
is not implied. Exposure to limiting values for extended periods may affect device reliability.

Application information

Where application information is given, it is advisory and does not form part of the specification.

background image

1997 Feb 24

13

Philips Semiconductors

Product specification

Radio Data System (RDS) demodulator

SAA6579

NOTES

background image

1997 Feb 24

14

Philips Semiconductors

Product specification

Radio Data System (RDS) demodulator

SAA6579

NOTES

background image

1997 Feb 24

15

Philips Semiconductors

Product specification

Radio Data System (RDS) demodulator

SAA6579

NOTES

background image

Internet: http://www.semiconductors.philips.com

Philips Semiconductors - a worldwide company

Philips Electronics N.V. 1997

 SCA53

All rights are reserved. Reproduction in whole or in part is prohibited without the prior written consent of the copyright owner.

The information presented in this document does not form part of any quotation or contract, is believed to be accurate and reliable and may be changed
without notice. No liability will be accepted by the publisher for any consequence of its use. Publication thereof does not convey nor imply any license
under patent- or other industrial or intellectual property rights.

Netherlands: Postbus 90050, 5600 PB EINDHOVEN, Bldg. VB,
Tel. +31 40 27 82785, Fax. +31 40 27 88399

New Zealand: 2 Wagener Place, C.P.O. Box 1041, AUCKLAND,
Tel. +64 9 849 4160, Fax. +64 9 849 7811

Norway: Box 1, Manglerud 0612, OSLO,
Tel. +47 22 74 8000, Fax. +47 22 74 8341

Philippines: Philips Semiconductors Philippines Inc.,
106 Valero St. Salcedo Village, P.O. Box 2108 MCC, MAKATI,
Metro MANILA, Tel. +63 2 816 6380, Fax. +63 2 817 3474

Poland: Ul. Lukiska 10, PL 04-123 WARSZAWA,
Tel. +48 22 612 2831, Fax. +48 22 612 2327

Portugal: see Spain

Romania: see Italy

Russia: Philips Russia, Ul. Usatcheva 35A, 119048 MOSCOW,
Tel. +7 095 755 6918, Fax. +7 095 755 6919

Singapore: Lorong 1, Toa Payoh, SINGAPORE 1231,
Tel. +65 350 2538, Fax. +65 251 6500

Slovakia: see Austria

Slovenia: see Italy

South Africa: S.A. PHILIPS Pty Ltd., 195-215 Main Road Martindale,
2092 JOHANNESBURG, P.O. Box 7430 Johannesburg 2000,
Tel. +27 11 470 5911, Fax. +27 11 470 5494

South America: Rua do Rocio 220, 5th floor, Suite 51,
04552-903 São Paulo, SÃO PAULO - SP, Brazil,
Tel. +55 11 821 2333, Fax. +55 11 829 1849

Spain: Balmes 22, 08007 BARCELONA,
Tel. +34 3 301 6312, Fax. +34 3 301 4107

Sweden: Kottbygatan 7, Akalla, S-16485 STOCKHOLM,
Tel. +46 8 632 2000, Fax. +46 8 632 2745

Switzerland: Allmendstrasse 140, CH-8027 ZÜRICH,
Tel. +41 1 488 2686, Fax. +41 1 481 7730

Taiwan: Philips Semiconductors, 6F, No. 96, Chien Kuo N. Rd., Sec. 1,
TAIPEI, Taiwan Tel. +886 2 2134 2870, Fax. +886 2 2134 2874

Thailand: PHILIPS ELECTRONICS (THAILAND) Ltd.,
209/2 Sanpavuth-Bangna Road Prakanong, BANGKOK 10260,
Tel. +66 2 745 4090, Fax. +66 2 398 0793

Turkey: Talatpasa Cad. No. 5, 80640 GÜLTEPE/ISTANBUL,
Tel. +90 212 279 2770, Fax. +90 212 282 6707

Ukraine: PHILIPS UKRAINE, 4 Patrice Lumumba str., Building B, Floor 7,
252042 KIEV, Tel. +380 44 264 2776, Fax. +380 44 268 0461

United Kingdom: Philips Semiconductors Ltd., 276 Bath Road, Hayes,
MIDDLESEX UB3 5BX, Tel. +44 181 730 5000, Fax. +44 181 754 8421

United States: 811 East Arques Avenue, SUNNYVALE, CA 94088-3409,
Tel. +1 800 234 7381

Uruguay: see South America

Vietnam: see Singapore

Yugoslavia: PHILIPS, Trg N. Pasica 5/v, 11000 BEOGRAD,
Tel. +381 11 625 344, Fax.+381 11 635 777

For all other countries apply to: Philips Semiconductors, Marketing & Sales Communications,
Building BE-p, P.O. Box 218, 5600 MD EINDHOVEN, The Netherlands, Fax. +31 40 27 24825

Argentina: see South America

Australia: 34 Waterloo Road, NORTH RYDE, NSW 2113,
Tel. +61 2 9805 4455, Fax. +61 2 9805 4466

Austria: Computerstr. 6, A-1101 WIEN, P.O. Box 213,
Tel. +43 1 60 101, Fax. +43 1 60 101 1210

Belarus: Hotel Minsk Business Center, Bld. 3, r. 1211, Volodarski Str. 6,
220050 MINSK, Tel. +375 172 200 733, Fax. +375 172 200 773

Belgium: see The Netherlands

Brazil: see South America

Bulgaria: Philips Bulgaria Ltd., Energoproject, 15th floor,
51 James Bourchier Blvd., 1407 SOFIA,
Tel. +359 2 689 211, Fax. +359 2 689 102

Canada: PHILIPS SEMICONDUCTORS/COMPONENTS,
Tel. +1 800 234 7381

China/Hong Kong: 501 Hong Kong Industrial Technology Centre,
72 Tat Chee Avenue, Kowloon Tong, HONG KONG,
Tel. +852 2319 7888, Fax. +852 2319 7700

Colombia: see South America

Czech Republic: see Austria

Denmark: Prags Boulevard 80, PB 1919, DK-2300 COPENHAGEN S,
Tel. +45 32 88 2636, Fax. +45 31 57 1949

Finland: Sinikalliontie 3, FIN-02630 ESPOO,
Tel. +358 9 615800, Fax. +358 9 61580/xxx

France: 4 Rue du Port-aux-Vins, BP317, 92156 SURESNES Cedex,
Tel. +33 1 40 99 6161, Fax. +33 1 40 99 6427

Germany: Hammerbrookstraße 69, D-20097 HAMBURG,
Tel. +49 40 23 53 60, Fax. +49 40 23 536 300

Greece: No. 15, 25th March Street, GR 17778 TAVROS/ATHENS,
Tel. +30 1 4894 339/239, Fax. +30 1 4814 240

Hungary: see Austria

India: Philips INDIA Ltd, Shivsagar Estate, A Block, Dr. Annie Besant Rd.
Worli, MUMBAI 400 018, Tel. +91 22 4938 541, Fax. +91 22 4938 722

Indonesia: see Singapore

Ireland: Newstead, Clonskeagh, DUBLIN 14,
Tel. +353 1 7640 000, Fax. +353 1 7640 200

Israel: RAPAC Electronics, 7 Kehilat Saloniki St, TEL AVIV 61180,
Tel. +972 3 645 0444, Fax. +972 3 649 1007

Italy: PHILIPS SEMICONDUCTORS, Piazza IV Novembre 3,
20124 MILANO, Tel. +39 2 6752 2531, Fax. +39 2 6752 2557

Japan: Philips Bldg 13-37, Kohnan 2-chome, Minato-ku, TOKYO 108,
Tel. +81 3 3740 5130, Fax. +81 3 3740 5077

Korea: Philips House, 260-199 Itaewon-dong, Yongsan-ku, SEOUL,
Tel. +82 2 709 1412, Fax. +82 2 709 1415

Malaysia: No. 76 Jalan Universiti, 46200 PETALING JAYA, SELANGOR,
Tel. +60 3 750 5214, Fax. +60 3 757 4880

Mexico: 5900 Gateway East, Suite 200, EL PASO, TEXAS 79905,
Tel. +9-5 800 234 7381

Middle East: see Italy

Printed in The Netherlands

547027/1200/02/pp16

 Date of release: 1997 Feb 24

Document order number:

 9397 750 00913


powered by phppowered by MySQLPOWERED BY APACHEPOWERED BY CentOS© 2004 - 2026Información Legalpoliticas de cookiesipv6 ready