Secciones
Foros Electrónica
Boletines de correo
Boletines
background image

TBA820M

1.2W AUDIO AMPLIFIER

DESCRIPTION
The TBA820M is a monolithic integrated audio
amplifier in a 8 lead dual in-line plastic package. It
is intended for use as low frequency class B power
amplifier with wide range of supply voltage: 3 to
16V, in portable radios, cassette recorders and
players etc. Main features are: minimum working
supply voltage of 3V, low quiescent current, low
number of external components, good ripple rejec-
tion, no cross-over distortion, low power dissipa-
tion.
Output power: P

o

= 2W at 12V/8

Ω¦

, 1.6W at 9V/4

Ω¦

and 1.2W at 9V/8

Ω¦

.

June 1988

Minidip

ORDERING NUMBER: TBA820M

Symbol

Parameter

Value

Unit

V

s

Supply voltage

16

V

I

o

Output peak current

1.5

A

P

tot

Power dissipation at T

amb

= 50

°

C

1

W

T

stg

, T

j

Storage and junction temperature

-40 to 150

°

C

ABSOLUTE MAXIMUM RATINGS

TEST AND APPLICATION CIRCUITS

Figure 1. Circuit diagram with load connected to the
supply voltage

Figure 2. Circuit diagram with load connected
to ground

* Capacitor C6 must be used when high rip-
ple

rejection is requested.

1/6

background image

Symbol

Parameter

Value

Unit

R

th-j-amb

Thermal resistance junction-ambient

max

100

°

C/W

THERMAL DATA

2/6

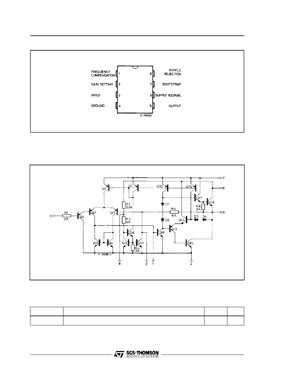
PIN CONNECTION (top view)

SCHEMATIC DIAGRAM

TBA820M

background image

Symbol

Parameter

Test conditions

Min.

Typ.

Max.

Unit

V

s

Supply voltage

3

16

V

V

o

Quiescent output voltage (pin 5)

4

4.5

5

V

I

d

Quiescent drain current

4

12

mA

I

b

Bias current (pin 3)

0.1

µ

A

P

o

Output power

d = 10%
R

f

= 120

Ω¦

V

s

= 12V

V

s

= 9V

V

s

= 9V

V

s

= 6V

V

s

= 3.5V

f = 1 kHz

R

L

= 8

Ω¦

R

L

= 4

Ω¦

R

L

= 8

Ω¦

R

L

= 4

Ω¦

R

L

= 4

Ω¦

0.9

2

1.6
1.2

0.75
0.25

W
W
W
W
W

Ri

Input resistance (pin 3)

f = 1 kHz

5

M

Ω¦

B

Frequency response (-3 dB)

R

L

= 8

Ω¦

C

5

= 1000

µ

F

R

f

= 120

Ω¦

C

B

= 680 pF

25 to 7,000

Hz

C

B

= 220 pF

25 to 20,000

d

Distortion

P

o

= 500 mW

R

L

= 8

Ω¦

f = 1 kHz

R

f

= 33

Ω¦

0.8

%

R

f

= 120

Ω¦

0.4

G

v

Voltage gain (open loop)

f = 1 kHz

R

L

= 8

Ω¦

75

dB

G

v

Voltage gain (closed loop)

R

L

= 8

Ω¦

R

f

= 33

Ω¦

45

dB

f = 1 kHz

R

f

= 120

Ω¦

34

e

N

Input noise voltage (*)

3

µ

V

i

N

Input noise current (*)

0.4

nA

S

+

N

N

Signal to noise ratio (*)

P

o

= 1.2W

R

L

= 8

Ω¦

G

v

= 34 dB

R1 = 10K

Ω¦

80

dB

R1 = 50 k

Ω¦

70

SVR

Supply voltage rejection
(test circuit of fig. 2)

R

L

= 8

Ω¦

f

(ripple)

= 100 Hz

C6 = 47

µ

F

R

f

= 120

Ω¦

42

dB

ELECTRICAL CHARACTERISTICS

(Refer to the test circuits Vs = 9V, T

amb

= 25

°

C unless otherwise

specified)

(*) B = 22 Hz to 22 KHz

3/6

TBA820M

background image

4/6

Figure 3. Output power vs.
supply voltage

Figure 4. Harmonic distortion
vs. output power

Figure 5. Power dissipation
and ef ficiency vs. output
power

Figure 6. Maximum power
d i ss i p at i on

(s i ne

wa ve

operation)

Figure 7. Suggested value of
C

B

vs. R

f

Figur e 8. Frequ ency res-
ponse

Figure 9. Harmonic distortion
vs. frequency

Figure 10. Supply voltage
rejection (Fig. 2 circuit)

Figure 11. Quiescent current
vs. supply voltage

TBA820M

background image

DIM.

mm

inch

MIN.

TYP.

MAX.

MIN.

TYP.

MAX.

A

3.32

0.131

a1

0.51

0.020

B

1.15

1.65

0.045

0.065

b

0.356

0.55

0.014

0.022

b1

0.204

0.304

0.008

0.012

D

10.92

0.430

E

7.95

9.75

0.313

0.384

e

2.54

0.100

e3

7.62

0.300

e4

7.62

0.300

F

6.6

0.260

I

5.08

0.200

L

3.18

3.81

0.125

0.150

Z

1.52

0.060

MINIDIP PACKAGE MECHANICAL DATA

5/6

TBA820M

background image

6/6

Information furnished is believed to be accurate and reliable. However, SGS-THOMSON Microelectronics assumes no responsibility for the
consequences of use of such information nor for any infringement of patents or other rights of third parties which may result from its use. No
license is granted by implication or otherwise under any patent or patent rights of SGS-THOMSON Microelectronics. Specifications mentioned
in this publication are subject to change without notice. This publication supersedes and replaces all information previously supplied.
SGS-THOMSON Microelectronics products are not authorized for use as critical components in life support devices or systems without express
written approval of SGS-THOMSON Microelectronics.

ï›™

1994 SGS-THOMSON Microelectronics - All Rights Reserved

SGS-THOMSON Microelectronics GROUP OF COMPANIES

Australia - Brazil - France - Germany - Hong Kong - Italy - Japan - Korea - Malaysia - Malta - Morocco - The Netherlands - Singapore -

Spain - Sweden - Switzerland - Taiwan - Thaliand - United Kingdom - U.S.A.

TBA820M


powered by phppowered by MySQLPOWERED BY APACHEPOWERED BY CentOS© 2004 - 2026Información Legalpoliticas de cookiesipv6 ready