Secciones
Foros Electrónica
Boletines de correo
Boletines
background image

TIP41A / TIP41B 

TIP41C — 

NP

Epit

ax
ial Silicon T

ransistor

© 2000 Fairchild Semiconductor Corporation

  www.fairchildsemi.com

TIP41A / TIP41B / TIP41C Rev. 1.1.0

November 2014

TIP41A / TIP41B / TIP41C
NPN Epitaxial Silicon Transistor

Features

• Medium Power Linear Switching Applications
• Complement to TIP42 Series

Ordering Information

Absolute Maximum Ratings

Stresses exceeding the absolute maximum ratings may damage the device. The device may not function or be opera-
ble above the recommended operating conditions and stressing the parts to these levels is not recommended. In addi-
tion, extended exposure to stresses above the recommended operating conditions may affect device reliability. The
absolute maximum ratings are stress ratings only. Values are at T

C

 = 25 °C unless otherwise noted.

Part Number

Top Mark

Package

Packing Method

TIP41A

TIP41A

TO-220 3L (Single Gauge)

Bulk

TIP41B

TIP41B

TO-220 3L (Single Gauge)

Bulk

TIP41C

TIP41C

TO-220 3L (Single Gauge)

Bulk

TIP41CTU

TIP41C

TO-220 3L (Single Gauge)

Rail

Symbol

Parameter

Value

Unit

V

CBO

Collector-Base Voltage

TIP41A

60

V

TIP41B

80

TIP41C

100

V

CEO

Collector-Emitter Voltage

TIP41A

60

V

TIP41B

80

TIP41C

100

V

EBO

Emitter-Base Voltage

5

V

I

C

Collector Current (DC)

6

A

I

CP

Collector Current (Pulse)

10

A

I

B

Base Current

2

A

T

J

Junction Temperature

150

°C

T

STG

Storage Temperature Range

-65 to 150

°C

1.Base    2.Collector    3.Emitter

1

TO-220

background image

TIP41A / TIP41B 

TIP41C — 

NP

Epit

ax
ial Silicon T

ransistor

© 2000 Fairchild Semiconductor Corporation

  www.fairchildsemi.com

TIP41A / TIP41B / TIP41C Rev. 1.1.0

Thermal Characteristics

Values are at

 

T

C

 = 25 °C unless otherwise noted.

Electrical Characteristics 

Values are at T

C

 = 25 °C unless otherwise noted.

Note:

1. Pulse test: pw

 ≤ 300 μs, duty cycle ≤ 2%.

Symbol

Parameter

Value

Unit

P

C

 Collector Dissipation (T

= 25

°C)

 65

W

 Collector Dissipation (T

= 25

°C)

2

Symbol

Parameter

Conditions

Min.

Max.

Unit

 V

CEO

(sus)

 Collector-Emitter Sustaining
 Voltage

(1)

TIP41A

 I

= 30 mA, I

= 0

60

V

TIP41B

80

TIP41C

100

 

I

CEO

 Collector Cut-Off Current

TIP41A

 V

CE 

= 30 V, I

=

 

0

0.7

mA

TIP41B / 
TIP41C

 V

CE 

= 60 V, I

= 0

0.7

 I

CES

 Collector Cut-Off Current

TIP41A

 V

CE 

= 60 V, V

EB 

= 0

400

μA

TIP41B

 V

CE 

= 80 V, V

EB 

= 0

400

TIP41C

 V

CE 

= 100 V, V

EB 

= 0

400

 

I

EBO

 Emitter Cut-Off Current

 V

EB 

= 5 V, I

= 0

1

mA

 

h

FE

 DC Current Gain

(1)

 V

CE 

= 4 V, I

= 0.3 A

30 

 V

CE 

= 4 V, I

= 3 A

15

75

 V

CE

(sat)

 Collector-Emitter Saturation Voltage

(1)

 I

= 6 A, I

= 600 mA

1.5

V

 V

BE

(on)

 Base-Emitter On Voltage

(1)

 V

CE 

= 4 V, I

= 6 A

2.0

V

 f

T

 Current Gain Bandwidth Product

 V

CE 

= 10 V, I

= 500 mA, 

 f = 1 MHz

3.0

MHz

background image

TIP41A / TIP41B 

TIP41C — 

NP

Epit

ax
ial Silicon T

ransistor

© 2000 Fairchild Semiconductor Corporation

  www.fairchildsemi.com

TIP41A / TIP41B / TIP41C Rev. 1.1.0

Typical Performance Characteristics

Figure 1. DC Current Gain

Figure 2. Base-Emitter Saturation Voltage and

Collector-Emitter Saturation Voltage

Figure 3. Safe Operating Area

Figure 4. Power Derating

1

10

100

1000

10000

1

10

100

1000

V

CE

 = 4V

 

 

h

FE

, DC 

CUR

RENT GAIN

I

C

[mA], COLLECTOR CURRENT

1

10

100

1000

10000

10

100

1000

10000

I

C

/I

B

 = 10

V

CE

(sat)

V

BE

(sat)

 

 

V

BE

(sat), V

CE

(s

a

t)[mV

], SAT

URAT

ION 

V

O

L

T

A

G

E

I

C

[mA], COLLECTOR CURRENT

1

10

100

0.1

1

10

100

TIP41C V

CEO

 MAX.

TIP41B V

CEO

 MAX.

TIP41A V

CEO

 MAX.

TIP41 V

CEO

 MAX.

I

C

(MAX) (DC)

I

C

(MAX) (PULSE)

5

m

s

1

m

s

0

.5

m

s

 

 

I

C

[A

], COLLECT

O

R CURRE

NT

V

CE

[V], COLLECTOR-EMITTER VOLTAGE

0

25

50

75

100

125

150

175

0

20

40

60

80

100

 

 

P

C

[W

],

 P

O

W

E

R

 DI

S

S

IP

A

T

IO

N

T

C

[

o

C], CASE TEMPERATURE

background image

TIP41A / TIP41B 

TIP41C — 

NP

Epit

ax
ial Silicon T

ransistor

© 2000 Fairchild Semiconductor Corporation

  www.fairchildsemi.com

TIP41A / TIP41B / TIP41C Rev. 1.1.0

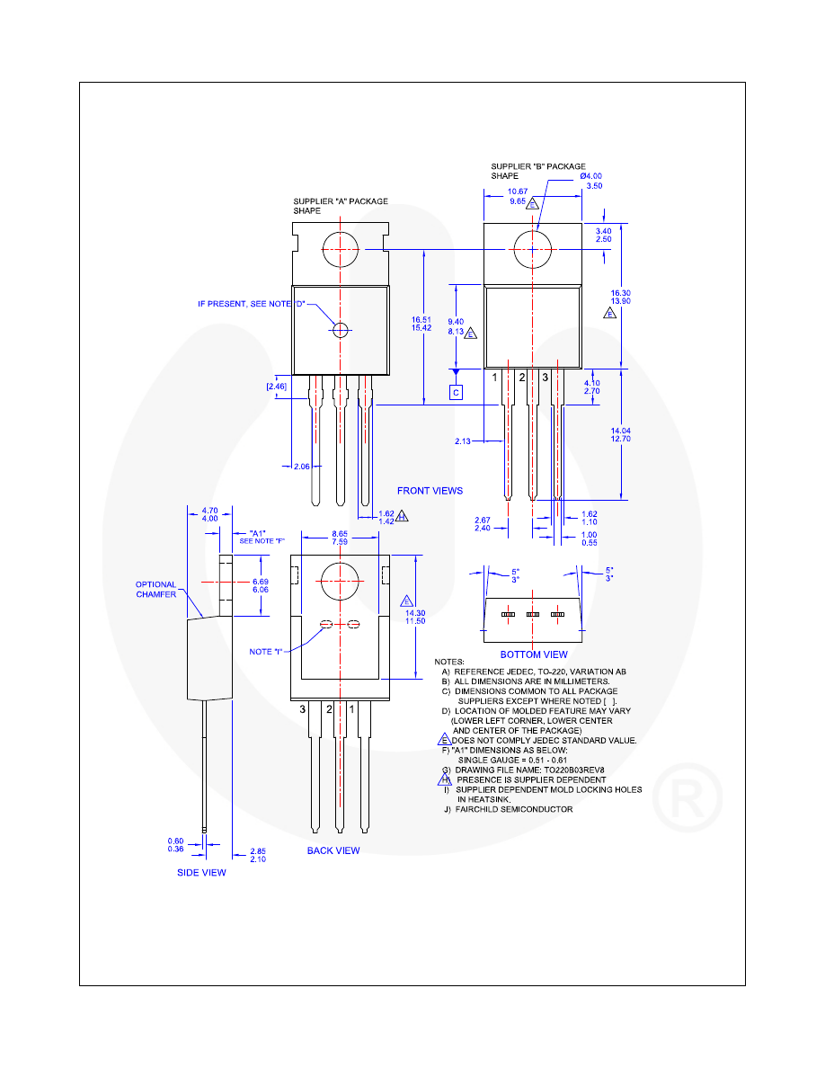
Physical Dimensions

 

Figure 5. TO-220, MOLDED, 3LEAD, JEDEC VARIATION AB

background image

© Fairchild Semiconductor Corporation 

 

www.fairchildsemi.com 

TRADEMARKS 
The following includes registered and unregistered trademarks and service marks, owned by Fairchild Semiconductor and/or its global subsidiaries, and is not 
intended to be an exhaustive list of all such trademarks. 

AccuPower

¥

Awinda

®

AX-CAP

®

*

BitSiC

¥

Build it Now

¥

CorePLUS

¥

CorePOWER

¥

CROSSVOLT ¥
CTL

¥

Current Transfer Logic

¥

DEUXPEED

®

Dual Cool™ 
EcoSPARK

®

EfficientMax

¥

ESBC

¥

Fairchild

®

Fairchild Semiconductor

®

FACT Quiet Series

¥

FACT

®

FAST

®

FastvCore

¥

FETBench

¥

FPS

¥

F-PFS

¥

FRFET

®

Global Power Resource

SM

GreenBridge

¥

Green FPS

¥

Green FPS

¥ e-Series ¥

G

max ¥

GTO

¥

IntelliMAX

¥

ISOPLANAR

¥

Making Small Speakers Sound Louder 

and Better™

MegaBuck

¥

MICROCOUPLER

¥

MicroFET

¥

MicroPak

¥

MicroPak2

¥

MillerDrive

¥

MotionMax

¥

MotionGrid

®

MTi

®

MTx

®

MVN

®

mWSaver

®

OptoHiT

¥

OPTOLOGIC

®

OPTOPLANAR

®

®

PowerTrench

®

PowerXS™ 
Programmable Active Droop

¥

QFET

®

QS

¥

Quiet Series

¥

RapidConfigure

¥

¥

Saving our world, 1mW/W/kW at a time™ 
SignalWise

¥

SmartMax

¥

SMART START

¥

Solutions for Your Success

¥

SPM

®

STEALTH

¥

SuperFET

®

SuperSOT

¥-3 

SuperSOT

¥-6 

SuperSOT

¥-8 

SupreMOS

®

SyncFET

¥

Sync-Lock™ 

®*

TinyBoost

®

TinyBuck

®

TinyCalc

¥

TinyLogic

®

TINYOPTO

¥

TinyPower

¥

TinyPWM

¥

TinyWire

¥

TranSiC

¥

TriFault Detect

¥

TRUECURRENT

®

*

μSerDes ¥

UHC

®

Ultra FRFET

¥

UniFET

¥

VCX

¥

VisualMax

¥

VoltagePlus

¥

XS™ 

Xsens™

௕º

* Trademarks of System General Corporation, used under license by Fairchild Semiconductor. 

DISCLAIMER 
FAIRCHILD SEMICONDUCTOR RESERVES THE RIGHT TO MAKE CHANGES WITHOUT FURTHER NOTICE TO ANY PRODUCTS HEREIN TO IMPROVE 
RELIABILITY, FUNCTION, OR DESIGN. T

O OBTAIN THE LATEST, MOST UP-TO-DATE DATASHEET AND PRODUCT INFORMATION, VISIT OUR WEBSITE 

AT 

HTTP://WWW.FAIRCHILDSEMI.COM.

FAIRCHILD DOES NOT ASSUME ANY LIABILITY ARISING OUT OF THE APPLICATION OR USE OF ANY 

PRODUCT OR CIRCUIT DESCRIBED HEREIN; NEITHER DOES IT CONVEY ANY LICENSE UNDER ITS PATENT RIGHTS, NOR THE RIGHTS OF OTHERS. 
THESE SPECIFICATIONS DO NOT EXPAND THE TERMS OF FAIRCHILD’S WORLDWIDE TERMS AND CONDITIONS, SPECIFICALLY THE WARRANTY 
THEREIN, WHICH COVERS THESE PRODUCTS. 

LIFE SUPPORT POLICY 
FAIRCHILD’S PRODUCTS ARE NOT AUTHORIZED FOR USE AS CRITICAL COMPONENTS IN LIFE SUPPORT DEVICES OR SYSTEMS WITHOUT THE 
EXPRESS WRITTEN APPROVAL OF FAIRCHILD SEMICONDUCTOR CORPORATION. 

As used herein: 

1.  Life support devices or systems are devices or systems which, (a) are 

intended for surgical implant into the body or (b) support or sustain 
life, and (c) whose failure to perform when properly used in 
accordance with instructions for use provided in the labeling, can be 
reasonably expected to result in a significant injury of the user. 

2.  A critical component in any component of a life support, device, or 

system whose failure to perform can be reasonably expected to 
cause the failure of the life support device or system, or to affect its 
safety or effectiveness.  

ANTI-COUNTERFEITING POLICY 
Fairchild Semiconductor Corporation's Anti-Counterfeiting Policy. Fairchild's Anti-Counterfeiting Policy is also stated on our external website, www.fairchildsemi.com, 
under Sales Support.  

Counterfeiting of semiconductor parts is a growing problem in the industry. All manufacturers of semiconductor products are experiencing counterfeiting of their 
parts. Customers who inadvertently purchase counterfeit parts experience many problems such as loss of brand reputation, substandard performance, failed 
applications, and increased cost of production and manufacturing delays. Fairchild is taking strong measures to protect ourselves and our customers from the 
proliferation of counterfeit parts. Fairchild strongly encourages customers to purchase Fairchild parts either directly from Fairchild or from Authorized Fairchild 
Distributors who are listed by country on our web page cited above. Products customers buy either from Fairchild directly or from Authorized Fairchild Distributors 
are genuine parts, have full traceability, meet Fairchild's quality standards for handling and storage and provide access to Fairchild's full range of up-to-date technical 
and product information. Fairchild and our Authorized Distributors will stand behind all warranties and will appropriately address any warranty issues that may arise. 
Fairchild will not provide any warranty coverage or other assistance for parts bought from Unauthorized Sources. Fairchild is committed to combat this global 
problem and encourage our customers to do their part in stopping this practice by buying direct or from authorized distributors.

PRODUCT STATUS DEFINITIONS 
Definition of Terms 

Datasheet Identification 

Product Status 

Definition 

Advance Information 

Formative / In Design 

Datasheet contains the design specifications for product development. Specifications may change 
in any manner without notice. 

Preliminary First 

Production 

Datasheet contains preliminary data; supplementary data will be published at a later date. Fairchild 
Semiconductor reserves the right to make changes at any time without notice to improve design. 

No Identification Needed 

Full Production 

Datasheet contains final specifications. Fairchild Semiconductor reserves the right to make 
changes at any time without notice to improve the design. 

Obsolete 

Not In Production 

Datasheet contains specifications on a product that is discontinued by Fairchild Semiconductor.  
The datasheet is for reference information only. 

Rev. I72 

®


powered by phppowered by MySQLPOWERED BY APACHEPOWERED BY CentOS© 2004 - 2026Información Legalpoliticas de cookiesipv6 ready