Secciones
Foros Electrónica
Boletines de correo
Boletines
background image

SNOSBW5C - APRIL 1998 - REVISED APRIL 2013

TL082 Wide Bandwidth Dual JFET Input Operational Amplifier

Check for Samples:

1

FEATURES

DESCRIPTION

These devices are low cost, high speed, dual JFET

23

Internally Trimmed Offset Voltage: 15 mV

input operational amplifiers with an internally trimmed

Low Input Bias Current: 50 pA

input offset voltage ( BI-FET II™ technology). They

Low Input Noise Voltage: 16nV/

Hz

require low supply current yet maintain a large gain
bandwidth product and fast slew rate. In addition, well

Low Input Noise Current: 0.01 pA/

Hz

matched high voltage JFET input devices provide

Wide Gain Bandwidth: 4 MHz

very low input bias and offset currents. The TL082 is

High Slew Rate: 13 V/

μ

s

pin compatible with the standard LM1558 allowing
designers

to

immediately

upgrade

the

overall

Low Supply Current: 3.6 mA

performance of existing LM1558 and most LM358

High Input Impedance: 10

12

designs.

Low Total Harmonic Distortion:

0.02%

These amplifiers may be used in applications such as

Low 1/f Noise Corner: 50 Hz

high speed integrators, fast D/A converters, sample

Fast Settling Time to 0.01%: 2

μ

s

and hold circuits and many other circuits requiring low
input offset voltage, low input bias current, high input
impedance, high slew rate and wide bandwidth. The
devices also exhibit low noise and offset voltage drift.

Typical Connection

Connection Diagram

Figure 1. PDIP/SOIC Package (Top View)

See Package Number D0008A or P0008E

1

Please be aware that an important notice concerning availability, standard warranty, and use in critical applications of
Texas Instruments semiconductor products and disclaimers thereto appears at the end of this data sheet.

2

BI-FET II is a trademark of dcl_owner.

3

All other trademarks are the property of their respective owners.

PRODUCTION DATA information is current as of publication date.

Copyright  © 1998-2013, Texas Instruments Incorporated

Products conform to specifications per the terms of the Texas
Instruments standard warranty. Production processing does not
necessarily include testing of all parameters.

background image

SNOSBW5C - APRIL 1998 - REVISED APRIL 2013

Simplified Schematic

These devices have limited built-in ESD protection. The leads should be shorted together or the device placed in conductive foam
during storage or handling to prevent electrostatic damage to the MOS gates.

Absolute Maximum Ratings

(1) (2)

Supply Voltage

±18V

Power Dissipation

(3)

(4)

Operating Temperature Range

0 °C to +70 °C

T

j(MAX)

150 °C

Differential Input Voltage

±30V

Input Voltage Range

(5)

±15V

Output Short Circuit Duration

Continuous

Storage Temperature Range

-

65 °C to +150 °C

Lead Temp. (Soldering, 10 seconds)

260 °C

ESD rating to be determined.

(1)

†śAbsolute Maximum Ratings†ť indicate limits beyond which damage to the device may occur. Operating Ratings indicate conditions for
which the device is functional, but do not ensure specific performance limits.

(2)

If Military/Aerospace specified devices are required, please contact the Texas Instruments Sales Office/ Distributors for availability and
specifications.

(3)

The power dissipation limit, however, cannot be exceeded.

(4)

For operating at elevated temperature, the device must be derated based on a thermal resistance of 115 °C/W junction to ambient for the
P0008E package.

(5)

Unless otherwise specified the absolute maximum negative input voltage is equal to the negative power supply voltage.

2

Copyright  © 1998-2013, Texas Instruments Incorporated

Product Folder Links:

background image

SNOSBW5C - APRIL 1998 - REVISED APRIL 2013

DC Electrical Characteristics

(1)

TL082C

Symbol

Parameter

Conditions

Units

Min

Typ

Max

V

OS

Input Offset Voltage

R

S

= 10 k

, T

A

= 25 °C

5

15

mV

Over Temperature

20

mV

Δ

V

OS

/

Δ

T

Average TC of Input Offset Voltage

R

S

= 10 k

10

μ

V/ °C

I

OS

Input Offset Current

T

j

= 25 °C,

(1) (2)

25

200

pA

T

j

70 °C

4

nA

I

B

Input Bias Current

T

j

= 25 °C,

(1) (2)

50

400

pA

T

j

70 °C

8

nA

R

IN

Input Resistance

T

j

= 25 °C

10

12

A

VOL

Large Signal Voltage Gain

V

S

=  ±15V, T

A

= 25 °C,

25

100

V/mV

V

O

=  ±10V, R

L

= 2 k

Over Temperature

15

V/mV

V

O

Output Voltage Swing

V

S

=  ±15V, R

L

= 10 k

±12

±13.5

V

V

CM

Input Common-Mode Voltage

V

S

=  ±15V

±11

+15

V

Range

-

12

V

CMRR

Common-Mode Rejection Ratio

R

S

10 k

70

100

dB

PSRR

Supply Voltage Rejection Ratio

(3)

70

100

dB

I

S

Supply Current

3.6

5.6

mA

(1)

These specifications apply for V

S

=  ±15V and 0 °C

T

A

+70 °C. V

OS

, I

B

and I

OS

are measured at V

CM

= 0.

(2)

The input bias currents are junction leakage currents which approximately double for every 10 °C increase in the junction temperature,
T

j

. Due to the limited production test time, the input bias currents measured are correlated to junction temperature. In normal operation

the junction temperature rises above the ambient temperature as a result of internal power dissipation, P

D

. T

j

= T

A

+

Θ

jA

P

D

where

Θ

jA

is

the thermal resistance from junction to ambient. Use of a heat sink is recommended if input bias current is to be kept to a minimum.

(3)

Supply voltage rejection ratio is measured for both supply magnitudes increasing or decreasing simultaneously in accordance with
common practice. V

S

=  ±6V to  ±15V.

AC Electrical Characteristics

(1)

TL082C

Symbol

Parameter

Conditions

Units

Min

Typ

Max

Amplifier to Amplifier Coupling

T

A

= 25 °C, f = 1Hz-20 kHz

-

120

dB

(Input Referred)

SR

Slew Rate

V

S

=  ±15V, T

A

= 25 °C

8

13

V/

μ

s

GBW

Gain Bandwidth Product

V

S

=  ±15V, T

A

= 25 °C

4

MHz

e

n

Equivalent Input Noise Voltage

T

A

= 25 °C, R

S

= 100

,

25

nV/

Hz

f = 1000 Hz

i

n

Equivalent Input Noise Current

T

j

= 25 °C, f = 1000 Hz

0.01

pA/

Hz

THD

Total Harmonic Distortion

A

V

= +10, R

L

= 10k,

<0.02

%

V

O

= 20 Vp

-

p,

BW = 20 Hz

-

20 kHz

(1)

These specifications apply for V

S

=  ±15V and 0 °C

T

A

+70 °C. V

OS

, I

B

and I

OS

are measured at V

CM

= 0.

Copyright  © 1998-2013, Texas Instruments Incorporated

3

Product Folder Links:

background image

SNOSBW5C - APRIL 1998 - REVISED APRIL 2013

Typical Performance Characteristics

Input Bias Current

Input Bias Current

Figure 2.

Figure 3.

Positive Common-Mode Input

Supply Current

Voltage Limit

Figure 4.

Figure 5.

Negative Common-Mode Input

Voltage Limit

Positive Current Limit

Figure 6.

Figure 7.

4

Copyright  © 1998-2013, Texas Instruments Incorporated

Product Folder Links:

background image

SNOSBW5C - APRIL 1998 - REVISED APRIL 2013

Typical Performance Characteristics (continued)

Negative Current Limit

Voltage Swing

Figure 8.

Figure 9.

Output Voltage Swing

Gain Bandwidth

Figure 10.

Figure 11.

Bode Plot

Slew Rate

Figure 12.

Figure 13.

Copyright  © 1998-2013, Texas Instruments Incorporated

5

Product Folder Links:

background image

SNOSBW5C - APRIL 1998 - REVISED APRIL 2013

Typical Performance Characteristics (continued)

Distortion

vs

Undistorted Output

Frequency

Voltage Swing

Figure 14.

Figure 15.

Open Loop Frequency

Common-Mode Rejection

Response

Ratio

Figure 16.

Figure 17.

Power Supply Rejection

Equivalent Input Noise

Ratio

Voltage

Figure 18.

Figure 19.

6

Copyright  © 1998-2013, Texas Instruments Incorporated

Product Folder Links:

background image

SNOSBW5C - APRIL 1998 - REVISED APRIL 2013

Typical Performance Characteristics (continued)

Open Loop Voltage

Gain (V/V)

Output Impedance

Figure 20.

Figure 21.

Inverter Setting Time

Figure 22.

Copyright  © 1998-2013, Texas Instruments Incorporated

7

Product Folder Links:

background image

SNOSBW5C - APRIL 1998 - REVISED APRIL 2013

Pulse Response

Small Signal Inverting

Large Signal Inverting

Figure 23.

Figure 24.

Small Signal Non-Inverting

Large Signal Non-Inverting

Figure 25.

Figure 26.

8

Copyright  © 1998-2013, Texas Instruments Incorporated

Product Folder Links:

background image

SNOSBW5C - APRIL 1998 - REVISED APRIL 2013

Pulse Response (continued)

Current Limit (R

L

= 100

)

Figure 27.

Copyright  © 1998-2013, Texas Instruments Incorporated

9

Product Folder Links:

background image

SNOSBW5C - APRIL 1998 - REVISED APRIL 2013

APPLICATION HINTS

These devices are op amps with an internally trimmed input offset voltage and JFET input devices (BI-FET II).
These JFETs have large reverse breakdown voltages from gate to source and drain eliminating the need for
clamps across the inputs. Therefore, large differential input voltages can easily be accommodated without a large
increase in input current. The maximum differential input voltage is independent of the supply voltages. However,
neither of the input voltages should be allowed to exceed the negative supply as this will cause large currents to
flow which can result in a destroyed unit.

Exceeding the negative common-mode limit on either input will cause a reversal of the phase to the output and
force the amplifier output to the corresponding high or low state. Exceeding the negative common-mode limit on
both inputs will force the amplifier output to a high state. In neither case does a latch occur since raising the input
back within the common-mode range again puts the input stage and thus the amplifier in a normal operating
mode.

Exceeding the positive common-mode limit on a single input will not change the phase of the output; however, if
both inputs exceed the limit, the output of the amplifier will be forced to a high state.

The amplifiers will operate with a common-mode input voltage equal to the positive supply; however, the gain
bandwidth and slew rate may be decreased in this condition. When the negative common-mode voltage swings
to within 3V of the negative supply, an increase in input offset voltage may occur.

Each amplifier is individually biased by a zener reference which allows normal circuit operation on  ±6V power
supplies. Supply voltages less than these may result in lower gain bandwidth and slew rate.

The amplifiers will drive a 2 k

load resistance to  ±10V over the full temperature range of 0 °C to +70 °C. If the

amplifier is forced to drive heavier load currents, however, an increase in input offset voltage may occur on the
negative voltage swing and finally reach an active current limit on both positive and negative swings.

Precautions should be taken to ensure that the power supply for the integrated circuit never becomes reversed in
polarity or that the unit is not inadvertently installed backwards in a socket as an unlimited current surge through
the resulting forward diode within the IC could cause fusing of the internal conductors and result in a destroyed
unit.

Because these amplifiers are JFET rather than MOSFET input op amps they do not require special handling.

As with most amplifiers, care should be taken with lead dress, component placement and supply decoupling in
order to ensure stability. For example, resistors from the output to an input should be placed with the body close
to the input to minimize †śpick-up†ť and maximize the frequency of the feedback pole by minimizing the
capacitance from the input to ground.

A feedback pole is created when the feedback around any amplifier is resistive. The parallel resistance and
capacitance from the input of the device (usually the inverting input) to AC ground set the frequency of the pole.
In many instances the frequency of this pole is much greater than the expected 3 dB frequency of the closed
loop gain and consequently there is negligible effect on stability margin. However, if the feedback pole is less
than approximately 6 times the expected 3 dB frequency a lead capacitor should be placed from the output to the
input of the op amp. The value of the added capacitor should be such that the RC time constant of this capacitor
and the resistance it parallels is greater than or equal to the original feedback pole time constant.

10

Copyright  © 1998-2013, Texas Instruments Incorporated

Product Folder Links:

background image

SNOSBW5C - APRIL 1998 - REVISED APRIL 2013

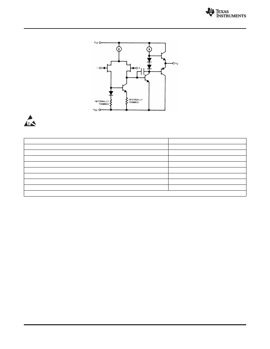
Detailed Schematic

Copyright  © 1998-2013, Texas Instruments Incorporated

11

Product Folder Links:

background image

SNOSBW5C - APRIL 1998 - REVISED APRIL 2013

Typical Applications

All potentiometers are linear taper

Use the LF347 Quad for stereo applications

All controls flat.

Bass and treble boost, mid flat.

Bass and treble cut, mid flat.

Mid boost, bass and treble flat.

Mid cut, bass and treble flat.

Figure 28. Three-Band Active Tone Control

12

Copyright  © 1998-2013, Texas Instruments Incorporated

Product Folder Links:

background image

SNOSBW5C - APRIL 1998 - REVISED APRIL 2013

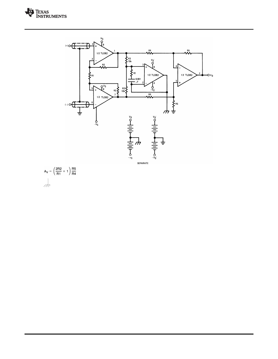
and are separate isolated grounds

Matching of R2's, R4's and R5's control CMRR
With A

VT

= 1400, resistor matching = 0.01%: CMRR = 136 dB

Very high input impedance

Super high CMRR

Figure 29. Improved CMRR Instrumentation Amplifier

Copyright  © 1998-2013, Texas Instruments Incorporated

13

Product Folder Links:

background image

SNOSBW5C - APRIL 1998 - REVISED APRIL 2013

Figure 30. Fourth Order Low Pass Butterworth Filter

Figure 31. Fourth Order High Pass Butterworth Filter

14

Copyright  © 1998-2013, Texas Instruments Incorporated

Product Folder Links:

background image

SNOSBW5C - APRIL 1998 - REVISED APRIL 2013

Figure 32. Ohms to Volts Converter

Copyright  © 1998-2013, Texas Instruments Incorporated

15

Product Folder Links:

background image

SNOSBW5C - APRIL 1998 - REVISED APRIL 2013

REVISION HISTORY

Changes from Revision B (April 2013) to Revision C

Page

Changed layout of National Data Sheet to TI format ..........................................................................................................

16

Copyright  © 1998-2013, Texas Instruments Incorporated

Product Folder Links:

background image

PACKAGE OPTION ADDENDUM

www.ti.com

19-Mar-2015

Addendum-Page 1

PACKAGING INFORMATION

Orderable Device

Status

(1)

Package Type Package

Drawing

Pins Package

Qty

Eco Plan

(2)

Lead/Ball Finish

(6)

MSL Peak Temp

(3)

Op Temp ( °C)

Device Marking

(4/5)

Samples

TL082CM/NOPB

ACTIVE

SOIC

D

8

95

Green (RoHS

& no Sb/Br)

CU SN

Level-1-260C-UNLIM

0 to 70

TL
082CM

TL082CMX

NRND

SOIC

D

8

2500

TBD

Call TI

Call TI

0 to 70

TL
082CM

TL082CMX/NOPB

ACTIVE

SOIC

D

8

2500

Green (RoHS

& no Sb/Br)

CU SN

Level-1-260C-UNLIM

0 to 70

TL
082CM

TL082CP/NOPB

ACTIVE

PDIP

P

8

40

Green (RoHS

& no Sb/Br)

CU SN

Level-1-NA-UNLIM

0 to 70

TL082
CP

 

(1)

 The marketing status values are defined as follows:

ACTIVE: Product device recommended for new designs.
LIFEBUY: TI has announced that the device will be discontinued, and a lifetime-buy period is in effect.
NRND: Not recommended for new designs. Device is in production to support existing customers, but TI does not recommend using this part in a new design.
PREVIEW: Device has been announced but is not in production. Samples may or may not be available.
OBSOLETE: TI has discontinued the production of the device.

 

(2)

 Eco Plan - The planned eco-friendly classification: Pb-Free (RoHS), Pb-Free (RoHS Exempt), or Green (RoHS & no Sb/Br) - please check

for the latest availability

information and additional product content details.
TBD:  The Pb-Free/Green conversion plan has not been defined.
Pb-Free (RoHS): TI's terms "Lead-Free" or "Pb-Free" mean semiconductor products that are compatible with the current RoHS requirements for all 6 substances, including the requirement that
lead not exceed 0.1% by weight in homogeneous materials. Where designed to be soldered at high temperatures, TI Pb-Free products are suitable for use in specified lead-free processes.
Pb-Free (RoHS Exempt): This component has a RoHS exemption for either 1) lead-based flip-chip solder bumps used between the die and package, or 2) lead-based  die adhesive used between
the die and leadframe. The component is otherwise considered Pb-Free (RoHS compatible) as defined above.
Green (RoHS & no Sb/Br): TI defines "Green" to mean Pb-Free (RoHS compatible), and free of Bromine (Br)  and Antimony (Sb) based flame retardants (Br or Sb do not exceed 0.1% by weight
in homogeneous material)

 

(3)

 MSL, Peak Temp. - The Moisture Sensitivity Level rating according to the JEDEC industry standard classifications, and peak solder temperature.

 

(4)

 There may be additional marking, which relates to the logo, the lot trace code information, or the environmental category on the device.

 

(5)

 Multiple Device Markings will be inside parentheses. Only one Device Marking contained in parentheses and separated by a "~" will appear on a device. If a line is indented then it is a continuation

of the previous line and the two combined represent the entire Device Marking for that device.

 

(6)

 Lead/Ball Finish - Orderable Devices may have multiple material finish options. Finish options are separated by a vertical ruled line. Lead/Ball Finish values may wrap to two lines if the finish

value exceeds the maximum column width.

 

background image

PACKAGE OPTION ADDENDUM

www.ti.com

19-Mar-2015

Addendum-Page 2

Important Information and Disclaimer:The information provided on this page represents TI's knowledge and belief as of the date that it is provided. TI bases its knowledge and belief on information
provided by third parties, and makes no representation or warranty as to the accuracy of such information. Efforts are underway to better integrate information from third parties. TI has taken and
continues to take reasonable steps to provide representative and accurate information but may not have conducted destructive testing or chemical analysis on incoming materials and chemicals.
TI and TI suppliers consider certain information to be proprietary, and thus CAS numbers and other limited information may not be available for release.

 

In no event shall TI's liability arising out of such information exceed the total purchase price of the TI part(s) at issue in this document sold by TI to Customer on an annual basis.

 

background image

TAPE AND REEL INFORMATION

*All dimensions are nominal

Device

Package

Type

Package

Drawing

Pins

SPQ

Reel

Diameter

(mm)

Reel

Width

W1 (mm)

A0

(mm)

B0

(mm)

K0

(mm)

P1

(mm)

W

(mm)

Pin1

Quadrant

TL082CMX

SOIC

D

8

2500

330.0

12.4

6.5

5.4

2.0

8.0

12.0

Q1

TL082CMX/NOPB

SOIC

D

8

2500

330.0

12.4

6.5

5.4

2.0

8.0

12.0

Q1

PACKAGE MATERIALS INFORMATION

www.ti.com

8-Apr-2013

Pack Materials-Page 1

background image

*All dimensions are nominal

Device

Package Type

Package Drawing

Pins

SPQ

Length (mm)

Width (mm)

Height (mm)

TL082CMX

SOIC

D

8

2500

367.0

367.0

35.0

TL082CMX/NOPB

SOIC

D

8

2500

367.0

367.0

35.0

PACKAGE MATERIALS INFORMATION

www.ti.com

8-Apr-2013

Pack Materials-Page 2

background image
background image
background image

IMPORTANT NOTICE

Texas Instruments Incorporated and its subsidiaries (TI) reserve the right to make corrections, enhancements, improvements and other
changes to its semiconductor products and services per JESD46, latest issue, and to discontinue any product or service per JESD48, latest
issue. Buyers should obtain the latest relevant information before placing orders and should verify that such information is current and
complete. All semiconductor products (also referred to herein as †ścomponents†ť) are sold subject to TI’s terms and conditions of sale
supplied at the time of order acknowledgment.

TI warrants performance of its components to the specifications applicable at the time of sale, in accordance with the warranty in TI’s terms
and conditions of sale of semiconductor products. Testing and other quality control techniques are used to the extent TI deems necessary
to support this warranty. Except where mandated by applicable law, testing of all parameters of each component is not necessarily
performed.

TI assumes no liability for applications assistance or the design of Buyers’ products. Buyers are responsible for their products and
applications using TI components. To minimize the risks associated with Buyers’ products and applications, Buyers should provide
adequate design and operating safeguards.

TI does not warrant or represent that any license, either express or implied, is granted under any patent right, copyright, mask work right, or
other intellectual property right relating to any combination, machine, or process in which TI components or services are used. Information
published by TI regarding third-party products or services does not constitute a license to use such products or services or a warranty or
endorsement thereof. Use of such information may require a license from a third party under the patents or other intellectual property of the
third party, or a license from TI under the patents or other intellectual property of TI.

Reproduction of significant portions of TI information in TI data books or data sheets is permissible only if reproduction is without alteration
and is accompanied by all associated warranties, conditions, limitations, and notices. TI is not responsible or liable for such altered
documentation. Information of third parties may be subject to additional restrictions.

Resale of TI components or services with statements different from or beyond the parameters stated by TI for that component or service
voids all express and any implied warranties for the associated TI component or service and is an unfair and deceptive business practice.
TI is not responsible or liable for any such statements.

Buyer acknowledges and agrees that it is solely responsible for compliance with all legal, regulatory and safety-related requirements
concerning its products, and any use of TI components in its applications, notwithstanding any applications-related information or support
that may be provided by TI. Buyer represents and agrees that it has all the necessary expertise to create and implement safeguards which
anticipate dangerous consequences of failures, monitor failures and their consequences, lessen the likelihood of failures that might cause
harm and take appropriate remedial actions. Buyer will fully indemnify TI and its representatives against any damages arising out of the use
of any TI components in safety-critical applications.

In some cases, TI components may be promoted specifically to facilitate safety-related applications. With such components, TI’s goal is to
help enable customers to design and create their own end-product solutions that meet applicable functional safety standards and
requirements. Nonetheless, such components are subject to these terms.

No TI components are authorized for use in FDA Class III (or similar life-critical medical equipment) unless authorized officers of the parties
have executed a special agreement specifically governing such use.

Only those TI components which TI has specifically designated as military grade or †śenhanced plastic†ť are designed and intended for use in
military/aerospace applications or environments. Buyer acknowledges and agrees that any military or aerospace use of TI components
which have not been so designated is solely at the Buyer's risk, and that Buyer is solely responsible for compliance with all legal and
regulatory requirements in connection with such use.

TI has specifically designated certain components as meeting ISO/TS16949 requirements, mainly for automotive use. In any case of use of
non-designated products, TI will not be responsible for any failure to meet ISO/TS16949.

Products

Applications

Audio

Automotive and Transportation

Amplifiers

Communications and Telecom

Data Converters

Computers and Peripherals

DLP ® Products

Consumer Electronics

DSP

Energy and Lighting

Clocks and Timers

Industrial

Interface

Medical

Logic

Security

Power Mgmt

Space, Avionics and Defense

Microcontrollers

Video and Imaging

RFID

OMAP Applications Processors

TI E2E Community

Wireless Connectivity

Mailing Address: Texas Instruments, Post Office Box 655303, Dallas, Texas 75265

Copyright  © 2015, Texas Instruments Incorporated


Document Outline


powered by phppowered by MySQLPOWERED BY APACHEPOWERED BY CentOS© 2004 - 2026Información Legalpoliticas de cookiesipv6 ready