| Autor | Mensaje |
|---|
|
| Asunto: Construccion de un circuito Publicado: 21 Jul, 2006 - 02:54 |
|
Nuevo en el Foro

Registrado: 21 Jul, 2006
Mensajes: 6
|
| | Soy nuevo y no se si esta duda se puede plantear aqui pero no he encontrado una zona determinada(que yo sepa)para mi duda.Necesito construir un circuito con 2 leds(verde y rojo) y un interruptor.Cuando se abra el circuito y no pase corriente que se encienda el led rojo y cuando se cierre y pase que se encienda el rojo.Muchas gracias | |
| |
| |
|
|
 |
| Asunto: Construccion de un circuito Publicado: 21 Jul, 2006 - 03:43 |
|
Fanatico de la Electronica

Registrado: 10 May, 2006
Mensajes: 619
|
| cuantos rojos se encienden? Revisa el planteamiento que nos haces.
Has probado a usar un conmutador de dos posiciones (3 si quieres apagado total) en vez de un interruptor?
Saludos,
pocavoz@gmail.com | |
| |
| |
|
|
 |
| Asunto: Construccion de un circuito Publicado: 21 Jul, 2006 - 03:54 |
|
Nuevo en el Foro

Registrado: 21 Jul, 2006
Mensajes: 6
|
| | Mis conocimientos de electronica son muy basico...lo unico q kiero es q algo deje pasar o pare la corriente y indike lo q ace(leds).gracias x tu ayuda | |
| |
| |
|
|
 |
| Asunto: Construccion de un circuito Publicado: 21 Jul, 2006 - 05:09 |
|
Fanatico de la Electronica

Registrado: 10 May, 2006
Mensajes: 619
|
| A ver, entiendo el problema tal y como lo planteas, pero lo que no entiendo es si quieres hacer que al pasar la corriente un led verde se ilumine, y cuando está abierto, q se ilumine el rojo.
Lo que pasa por el interruptor son los 220Vac? Si es así, te voy a mandar un esquema superchulo, pero será el Lunes, ok?
Saludos,
pocavoz@gmail.com | |
| |
| |
|
|
 |
| Asunto: Construccion de un circuito Publicado: 22 Jul, 2006 - 10:04 |
|
Fanatico de la Electronica

Registrado: 01 Abr, 2006
Mensajes: 418
Ubicación: Illapel....Chile
|
| Holas.xfenix. Lo que entendi de tu proyecto es un indicador del estado del interruptor no es asi???? porque no usas un interruptor doble de dos polos cada uno asi la 1º seccion la usas para conmutar el cto y la segunda para conmutar los LED..
BYE! |
_________________ Saluda ATTE:
vichotronico@
SABER PARA PENSAR....PENSAR PARA OBRAR "ANONIMO" | |
| |
|
|
 |
| Asunto: Construccion de un circuito Publicado: 24 Jul, 2006 - 01:17 |
|
Experto

Registrado: 10 Jun, 2006
Mensajes: 192
|
| Para conmutar los leds necesitas o una pila de 1,5V o un circuito más complejo, matizo a Vicho tronico porque xfenix ha dicho que está muy verde...
Todo depende de si el interruptor lo quieres usar para 220 CA o para voltajes bajos como 9V de una pila ... da un poco más de información...
Saludos. | |
| |
| |
|
|
 |
| Asunto: Construccion de un circuito Publicado: 26 Jul, 2006 - 07:05 |
|
Nuevo en el Foro

Registrado: 21 Nov, 2005
Mensajes: 27
|
| estoy de acuerdo con Fugo, lo que tu nececitas no es tan complicado, pero es necesario saver el tipo de corriente con la que trabajas o sea AC o DC., es como dice vichotronico lo que tu necesitas hacer es un indicador de estado, trata de ser un poco mas específico con respecto al tipo de corriente con la que trabajas.
Att.
Allan / allancdll@hotmail.com | |
| |
| |
|
|
 |
| Asunto: Construccion de un circuito Publicado: 27 Jul, 2006 - 10:06 |
|
Fanatico de la Electronica

Registrado: 10 May, 2006
Mensajes: 619
|
| Tanto con ac como dc, yo creo que la solución pasa por un conmutador simple y llano. Luego una resistencia de 1/2W y un led (o dos si es AC) por cada ramal de salida del conmutador de dos estados. Uno continúa hacia la carga y el otro al aire. En ambos se hace la derivación por medio de la resistencia y los leds.
Saludos,
pocavoz@gmail.com | |
| |
| |
|
|
 |
| Asunto: Construccion de un circuito Publicado: 28 Jul, 2006 - 06:21 |
|
Experto


Registrado: 23 Oct, 2005
Mensajes: 224
Ubicación: San Juan - Argentina
|
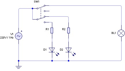
| Mira, gráficamente te estan diciendo que apliques este circuito por si no entendes mucho el lenguaje técnico. Cuando la luz se enciende, se conecta D2 y cuando se apaga se conecta D1. es simple solo te resta calcular R1 y R2 acorde a la tension de red de tu pais.
PD: los leds a 50 o 60Hz sólo parpadearán un poco pero igual parecen que se encuentran encendidos permanentemente.
PD2: ten en cuenta que cada LED consume 10mA de corriente para calcular R1 y R2. |
| indicador de conmutación.jpg |

|
| |
| |
|
|
 |
| Asunto: Construccion de un circuito Publicado: 28 Jul, 2006 - 09:54 |
|
Fanatico de la Electronica

Registrado: 10 May, 2006
Mensajes: 619
|
| Sniper, no entiendo la finalidad de usar un conmutador doble. Si te fijas, es inutil la parte de arriba. Con uno simple se puede hacer si se une el cable de la bombilla a la patita de R2 y a los 220V a la vez, es decir, si en vez de estar el cable de la bombilla en la primera de las salidas, en la tercera y eliminamos las salidas 1 y 2 (empezando por arriba) y la entrada. Eliminamos toda la parte de arriba del interruptor.
Saludos,
pocavoz@gmail.com | |
| |
| |
|
|
 |
|