FAQ FAQ  •  Buscar Buscar  •  Registrarse Registrarse  •  Entre para ver sus mensajes privados Entre para ver sus mensajes privados  • Login Login

1, 2  Siguiente

ayuda con un sensor de temperatura

Índice de los Foros Electronica Facil » FOROS ELECTRONICA » Electronica analogica
Publicar nuevo tema   Responder al tema
Ver tema anteriorEntre para ver sus mensajes privadosVer tema siguiente
AutorMensaje
allan
Asunto: ayuda con un sensor de temperatura MensajePublicado: 03 Ago, 2006 - 03:26
Nuevo en el Foro
Nuevo en el Foro


Registrado: 21 Nov, 2005
Mensajes: 27

hola amigos. tengo un problemita con un sensor de temperatura que diseñé. es un circuito simple, pero primero me gustaria que alguien me diga como inserto una imagen en los mensajes de este foro, asi les muestro el circuito y les planteo mi inquietud.

tengo mucho afan con esto. espero me ayuden lo mas pronto posible.

gracias...

att.

allan / allancdll@hotmail.com
 
 Ver perfil de usuario Enviar mensaje privado  
Responder citando Volver arriba
VichoTronico
Asunto: ayuda con un sensor de temperatura MensajePublicado: 04 Ago, 2006 - 01:27
Fanatico de la Electronica
Fanatico de la Electronica


Registrado: 01 Abr, 2006
Mensajes: 418
Ubicación: Illapel....Chile
Holas.Allan. para subir imagenes la foro debes seleccionar publicar respuesta y no respuesta rapida.
ademas dirije a las FAQ de este sitio.....


BYE!

_________________
Saluda ATTE:
vichotronico@
SABER PARA PENSAR....PENSAR PARA OBRAR "ANONIMO"
 
 Ver perfil de usuario Enviar mensaje privado Enviar email  
Responder citando Volver arriba
allan
Asunto:  MensajePublicado: 04 Ago, 2006 - 05:45
Nuevo en el Foro
Nuevo en el Foro


Registrado: 21 Nov, 2005
Mensajes: 27

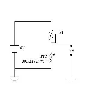
Este es un circutio simple en el cual utilizo como sensor de temperatura un termistor NTC, su funcion es sensar la temperatura ambiente de una habitacion.

las condiciones que debe cumplir es sensar una temperatura de 15ºC a 55ºC para un voltaje de salida 0 - 5 V. realice una tabla de valores (temp Vs volt), al inicio todo funiconaba bien, pero nunca tuve en cuenta la no linealidad del termistos asi que los valores se me desvian luego de trabajar por un tiempo determinado. las condiciones de trabajos son estrictamente las anterioes ya que la tarjeta que recibe y analiza la señal trabaja en 0 - 5V. la fuente que aparece en el circuito es la salida de un regulador de voltaje de 6V.

necesito saver como hacer para linealizar las respuestas del sensor de tal manera que siempre me entrege el mismo voltaje a determinada temperatura o por lo menos que la desviacion sea minima. (ejemplo: 3.5 V a 15ºC y 1 V a 40 ºC)



sensor.JPG

sensor.JPG


 
 Ver perfil de usuario Enviar mensaje privado  
Responder citando Volver arriba
VichoTronico
Asunto:  MensajePublicado: 05 Ago, 2006 - 03:52
Fanatico de la Electronica
Fanatico de la Electronica


Registrado: 01 Abr, 2006
Mensajes: 418
Ubicación: Illapel....Chile
Holas.allan. La No linealidad de los termistores no tiene nada que ver con tu problema ( esta no linealidad se manifiesta en la curva de respuesta Tº/V al graficar los datos obtenidos la resultante no es lineal)....

El problema que creo que tienes es el mal estado de los componentes... o su calentamiento (recuerda que sin ser un termistor una resistencia que se calienta varia su valor ohmico) chekea la corriente que consume tu divisor a ver si varia.... ademas usar un divisor de tension para obtener una tension de muestreo me parece mala idea ya que aumenta la no lienalidad en la curva de respuesta del cto... te recomiendo que busques un arreglo con un operacional o algo como driver.

BYE!

_________________
Saluda ATTE:
vichotronico@
SABER PARA PENSAR....PENSAR PARA OBRAR "ANONIMO"
 
 Ver perfil de usuario Enviar mensaje privado Enviar email  
Responder citando Volver arriba
mediavoz
Asunto:  MensajePublicado: 07 Ago, 2006 - 02:16
Fanatico de la Electronica
Fanatico de la Electronica


Registrado: 10 May, 2006
Mensajes: 619

Yo lo que recomiendo es usar el típico puente de Weathstone (o como se escriba) y luego un amplificador diferencial.
Lo que yo haría es hacer que el margen de tensión de salida del puente sea muy pequeño, así la medida tendrá menor error y luego amplificar e incluso complementar (hacer por ejemplo 3,5-Vo, entonces Vo para 40º sería 1,5 a la salida del diferencial y 1V como resultado de la complementación). Ten en cuenta que tienes que fijar una temperatura como referencia, yo pondría la mitad entre ellas, y así fijas el puente. Luego la amplificación la haces respecto esos valores.

Saludos
 
 Ver perfil de usuario Enviar mensaje privado  
Responder citando Volver arriba
VichoTronico
Asunto:  MensajePublicado: 07 Ago, 2006 - 05:10
Fanatico de la Electronica
Fanatico de la Electronica


Registrado: 01 Abr, 2006
Mensajes: 418
Ubicación: Illapel....Chile
Holas.Mediavoz tu respuesta es la mejor opcion.....me havia olvidado de dichoso pte jejejejeje.....allan as loque te dicen y monta un pte de weasthone..

BYE!

_________________
Saluda ATTE:
vichotronico@
SABER PARA PENSAR....PENSAR PARA OBRAR "ANONIMO"
 
 Ver perfil de usuario Enviar mensaje privado Enviar email  
Responder citando Volver arriba
allan
Asunto:  MensajePublicado: 07 Ago, 2006 - 05:26
Nuevo en el Foro
Nuevo en el Foro


Registrado: 21 Nov, 2005
Mensajes: 27

hola!!!!! gracias por sus opiniones.

mediavoz, no entendi muy bien lo del puente y el amplificador. podrias explicarme un poco mejor, o mejor aun puedes hacer un diagrama y me lo envias con los detalles.

estoy viendo la posivilidad de hacer a un lado el termistor e intentar trabajar con un sensor LM335. utedes que opinan?

si conocen alguna manera de poder sensar temperaturas en la cual el sensor me entrege una señal de 0 a 5 V en un rango de 15 a 55 ºC les agradecere ye apoyen con esto.

Muchas gracias!!!!!!!!

Att

Allan / allancdll@hotmail.com
 
 Ver perfil de usuario Enviar mensaje privado  
Responder citando Volver arriba
allan
Asunto:  MensajePublicado: 07 Ago, 2006 - 05:31
Nuevo en el Foro
Nuevo en el Foro


Registrado: 21 Nov, 2005
Mensajes: 27

amigos me gustaria intentar con lo del puente pero aun no capto bien la idea. me podrian explicar un poco mejor o enviarme un dagrama referente a lo que me estan recomendando.


mil gracias.

Att
Allan /allancdll@hotmail.com
 
 Ver perfil de usuario Enviar mensaje privado  
Responder citando Volver arriba
mediavoz
Asunto:  MensajePublicado: 07 Ago, 2006 - 09:16
Fanatico de la Electronica
Fanatico de la Electronica


Registrado: 10 May, 2006
Mensajes: 619

A ver si te haces una idea con esto. Olvidate de que Rd es variable. Rd debe ser igual a Rc y sirve como tensión de referencia (o no, puede tener la relación que quieras, pero es un ejemplo) y Rb tambien es conocida, debe ser de un valor facilmente relacionable con tu NTC, por ejemplo del mismo valor nominal a 35º. El dibujo del ampli es para que te hagas una idea pero no es así, mirate el INA108. La alimentación tambien la dejo a tu elección. Depende de la señal amplificada que quieras. Si la resistencia es muy pequeña y/o te resulta dificil adaptar las señales, puedes poner una resistencia en serie con la NTC.

Saludos,



esquema medidor temperatura.JPG

esquema medidor temperatura.JPG


 
 Ver perfil de usuario Enviar mensaje privado  
Responder citando Volver arriba
allan
Asunto:  MensajePublicado: 08 Ago, 2006 - 05:49
Nuevo en el Foro
Nuevo en el Foro


Registrado: 21 Nov, 2005
Mensajes: 27

HOLA!!!!

es posible utilizar un LM741 sustituyendo al SSM2141P?
 
 Ver perfil de usuario Enviar mensaje privado  
Responder citando Volver arriba
Mostrar mensajes anteriores:     
Cambiar a:  
Todas las horas son GMT
Publicar nuevo tema   Responder al tema
Ver tema anteriorEntre para ver sus mensajes privadosVer tema siguiente
1, 2  Siguiente
 Índice de los Foros Electronica Facil » FOROS ELECTRONICA »  Electronica analogica
powered by phppowered by MySQLPOWERED BY APACHEPOWERED BY CentOS© 2004 - 2026Información Legalpoliticas de cookiesipv6 ready