| Autor | Mensaje |
|---|
|
| Asunto: necesito planos para pre valvular Publicado: 26 Nov, 2007 - 08:58 |
|
Nuevo en el Foro

Registrado: 26 Nov, 2007
Mensajes: 7
|
| | necesito si alguien me facilita planos para pre valvular, me gustan las valvulas (que suenan limpias) le dan un sonido caluroso a las tomas de audio adios | |
| |
| |
|
|
 |
| Asunto: Tengo algunos equemas Publicado: 28 Nov, 2007 - 01:04 |
|
Nuevo en el Foro


Registrado: 18 Oct, 2007
Mensajes: 1
|
| | Hola, tengo algunos esquemas, en un handbook bastante antiguo, te puedo escanear algo, puedes ser mas específico en que buscas, es para armara o reparar??, impedancia de entrada?, ni vel de salida, tipo de alimentacion??........??? | |
| |
| |
|
|
 |
| Asunto: Re: Tengo algunos equemas Publicado: 29 Nov, 2007 - 07:18 |
|
Nuevo en el Foro

Registrado: 26 Nov, 2007
Mensajes: 7
|
| | hola mira yo soy musico y tengo un amigo que me va a asesorar sobre como armarme algo me gustaria tener un pre valvular, como que el audio a transistores tiene caracteristicas distintas a las valvulas, entonces cuando haces una toma de algun instrumento luego la pasas por eso para que la señal, aca te dejo la url de un ejemplo de lo que me gustaria armar http://www.presonus.com/bluetubedp.html al margen de eso yo soy una persona muy curiosa me da mucha curiosidad la electronica y soy capaz de aprender ja y hasta que no lo logre no paro | |
| |
| |
|
|
 |
| Asunto: Respuesta a previos a válvulas Publicado: 29 Nov, 2007 - 09:21 |
|
Experto

Registrado: 19 Nov, 2006
Mensajes: 162
|
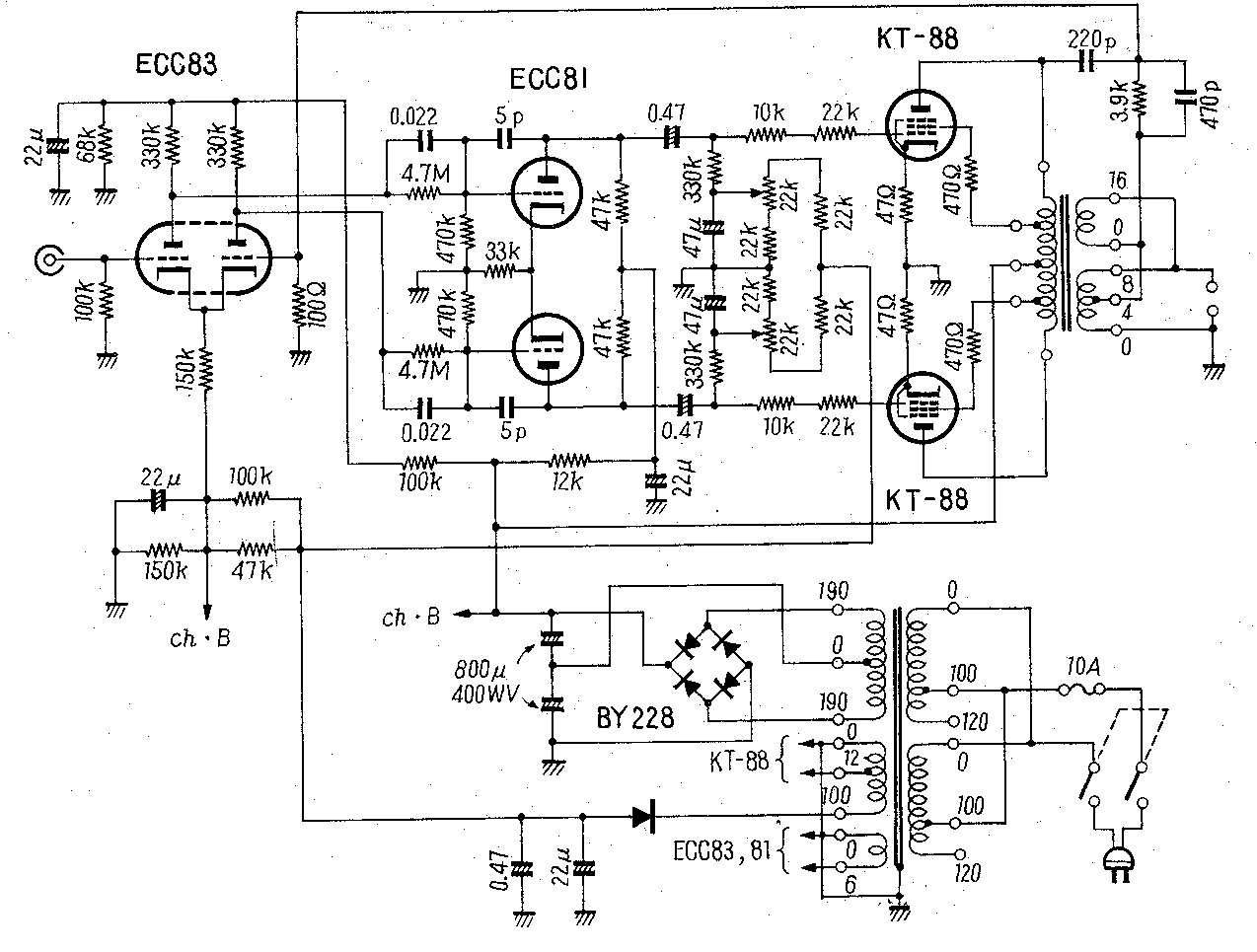
| Hola horacioparahoy
Veo que estás interesado en hacerte un previo a válvulas, porque el sonido es más limpio.
El sonido con estos circuitos es más limpio, siempre y cuando la etapa de potencia, también sea a válvulas. hay que tener en cuenta, que uno de los grandes retos en la amplificación a transistores, siempre ha consistido en la potencia entregada y la absorbida por los transistores; y también en la distorsión generada. De hecho en transistores, siempre se habla de amplificadores clase A, clase B, clase C, clase A B, etc...
Supongo que sabrás mas o menos de que se trata, y en tal caso ponerme a explicarlo, nos va a entretener en algo que ahora no viene al caso.
Te voy a adjuntar unos esquemas simples de amplificadores a válvulas y también de un previo.
Como estos esquemas son antiguos, también lo son las fuentes de alimentación; las cuales solo sería cuestión de hacerlas con componentes actuales.
También te indico la dirección de la cual he bajado estos esquemas, en la cual hay muchísimos más.
ESTA PÁGINA SOLO TRATA DE HACER PÚBLICOS LOS ESQUEMAS QUE TANTO AYUDAN A HACER MÁS FÁCIL EL TRABAJO DEL TÉCNICO, Y ESPERO QUE NO MOLESTE EN EL POST.
http://www.freeinfosociety.com/electron ... .php?cat=1
Creo que los esquemas que te adjunto te sean de gran utilidad. Aunque los que he intentado adjuntar en formato PDF no los ha admitido.
Hasta pronto. |
| Michaelson and Austin VA1.gif |

|
| Kalamazoo 2.gif |

|
| |
| |
|
|
 |
|
| Asunto: gracias Publicado: 02 Dic, 2007 - 06:59 |
|
Nuevo en el Foro

Registrado: 26 Nov, 2007
Mensajes: 7
|
| hola la pagina esta buena pero, ya tengo equipo de guitarra no iba a eso, yo lo que quiero es un a valvulas para pasarlo por las tomas de sonido que hago cuando grabo osea la idea es la siguiente: grabo cualquier cosa, tengo la toma imaginate un redoblante entonces entra en la computadora, la tengo en un programa que graba en multipistas
entonces me gustaria que esa toma de audio pase por una valvula
ORDENADOR ---pasa por el PRE VALVULAR---- y vuelve al ordenador la señal----- entonces se vuelve a grabar la toma de ese instrumento pero habiendo pasado por el pre a valvulas...
GRACIAS nos vemos y si conoces de algun otro sistema a valvulas te agradeceria, luego cuando suba mis grabaciones te hago escuchar algo | |
| |
| |
|
|
 |
| Asunto: Respuesta a Respuesta a previos a válvulas Publicado: 02 Dic, 2007 - 05:20 |
|
Experto

Registrado: 19 Nov, 2006
Mensajes: 162
|
| Hola de nuevo, horacioparahoy.
No sé si leíste mi post entero. Pero aquí te mando uno de los archivos que no pude enviar en PDF. Este ya lo he convertido a otro formato, que sí debe admitir la página.
En la página que te indiqué, vienen muchos esquemas de una gran diversidad de cosas. ¡Eso será cosa, que debes de examinar!
Espero que este esquema te sirva. Hasta pronto. |
| gretsch6160preamp.jpg |

|
| |
| |
|
|
 |
| Asunto: Publicado: 04 Dic, 2007 - 05:54 |
|
Nuevo en el Foro

Registrado: 26 Nov, 2007
Mensajes: 7
|
| | hola gracias si lei pero interprete que era para hacer un amplificador de guitarras, MUCHAS GRACIAS intentare armar ese aparato y despues te comento como resulto adios! | |
| |
| |
|
|
 |
|