FAQ FAQ  •  Buscar Buscar  •  Registrarse Registrarse  •  Entre para ver sus mensajes privados Entre para ver sus mensajes privados  • Login Login

Presentación y ayuda con leds

Índice de los Foros Electronica Facil » FOROS ELECTRONICA » Electronica analogica
Publicar nuevo tema   Responder al tema
Ver tema anteriorEntre para ver sus mensajes privadosVer tema siguiente
AutorMensaje
boxter
Asunto: Presentación y ayuda con leds MensajePublicado: 13 Dic, 2007 - 07:51
Nuevo en el Foro
Nuevo en el Foro


Registrado: 13 Dic, 2007
Mensajes: 2

Buenas a todos, enhorabuena por el foro, me presento a mi mismo soy Boxter.
Tengo un problemilla, tengo que montar para unos títulos de un corto unos leds sobre una placa de fibra de vidrio perforada, los led son de 5mm rojos. Me han vendido una fuente de alimentacion de 12v,25w y 2.08 A. Con unas resitencias de 1kohmio y 1/2 w. Quiero poner unos 100 diodos.
El asunto es que ya no me acuerdo de casi nada de lo que estudie hace años.

Por favor como pongo todo esto: los diodos en serie? Me han dicho que ponga a la entrada de la placa donde montaré los diodos una resistencia de 1k (es así).
Me podeis dar luz y a la vez refrescarme el tema

Muchas gracias

Boxter
 
 Ver perfil de usuario Enviar mensaje privado  
Responder citando Volver arriba
Pakox
14 Asunto: Arreglo de LEDs MensajePublicado: 14 Dic, 2007 - 03:24
Nuevo en el Foro
Nuevo en el Foro


Registrado: 01 Jun, 2007
Mensajes: 45

Que tal.

Te adjunto esquema del arreglo que necesitas para hacer funcionar 100 LEDs con 12v. La fuente que tienes es mas que suficiente para ello.

DATOS DEL ARREGLO

5 x 20 arreglo con 100 LEDs para una fuente de 12v
• Cada resistor de 100 ohm disipa 40 mW
• Asi que se pueden usar resistores de 1/4W
• Entre todos los resistores se disipan 800 mW
• Entre todos los LEDs disipan 4000 mW
• La potencia total disipada es de 4800 mW
• El arreglo consume 400 mA de la fuente.

El calculo esta en base a LED de uso comun. Para usar de los de alta luminosidad, el esquema cambia!

Este esquema lo obtuve de la siguiente direccion (muuuy util)

http://led.linear1.org/led.wiz

Hasta pronto!



Arreglo 100 LEDs para 12v.jpg

Arreglo 100 LEDs para 12v.jpg
Arreglo de 100 LEDs


_________________
"La obscuridad no existe como tal, es un termino usado para definir la ausencia de luz" Albert Einstein
 
 Ver perfil de usuario Enviar mensaje privado Enviar email  
Responder citando Volver arriba
boxter
Asunto:  MensajePublicado: 14 Dic, 2007 - 06:58
Nuevo en el Foro
Nuevo en el Foro


Registrado: 13 Dic, 2007
Mensajes: 2

Muchas gracias Pakox,

me he explicado mal, concretando necesito hacer con leds la palabra RAMIREZ. Tengo que componer los leds de tal manera que se lea ese nombre.
Si me pongo todos los led el paralelo, me sale una resistencia a la entrada de 5 ohmios, para consumir unos 20w. Estoy echo un lio, en la tienda me decia montar un resistencia de 1k??

Por favor dime que hago.

Saludos
 
 Ver perfil de usuario Enviar mensaje privado  
Responder citando Volver arriba
Pakox
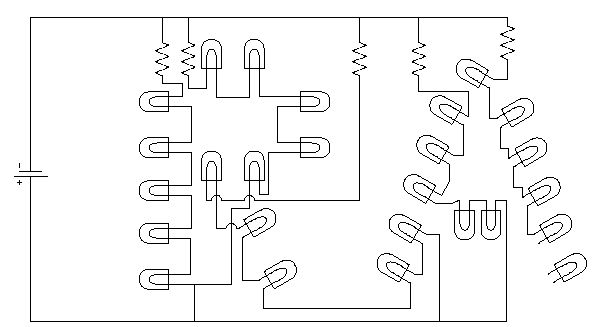
3 Asunto: Letras con LEDs MensajePublicado: 14 Dic, 2007 - 11:16
Nuevo en el Foro
Nuevo en el Foro


Registrado: 01 Jun, 2007
Mensajes: 45

No te compliques mucho, como te pase el circuito armalo, necesitaras una resistencia de 100 ohms por cada 5 leds en serie, y este conjunto lo conectas en paraleo con otro, y asi sucesivamente, pero en vez de formar lineas como el esquema que adjunte, pues vas formando las letras en el acrilico.

Por ejemplo te dejo el sieguiente esquema. Lo unico que debes cuidar es la polaridad de los LEDs, por lo general la patilla mas larga es la que va al (+), entonces unes (+) con (-) de cada led hasta tener 5 en serie, y continuas con el siguiente quinteto. La resistencia es indiferente si la colocas al lado (+) o al (-), pero recuerda que es una resistencia por cada 5 LEDs en serie.

Yo alguna vez hice letreros en gorras con esto que te explico.

Suerte!



Letras con leds serie paralelo.jpg

Letras con leds serie paralelo.jpg
Letras con LEDs


_________________
"La obscuridad no existe como tal, es un termino usado para definir la ausencia de luz" Albert Einstein
 
 Ver perfil de usuario Enviar mensaje privado Enviar email  
Responder citando Volver arriba
Mostrar mensajes anteriores:     
Cambiar a:  
Todas las horas son GMT
Publicar nuevo tema   Responder al tema
Ver tema anteriorEntre para ver sus mensajes privadosVer tema siguiente
 Índice de los Foros Electronica Facil » FOROS ELECTRONICA »  Electronica analogica
powered by phppowered by MySQLPOWERED BY APACHEPOWERED BY CentOS© 2004 - 2026Información Legalpoliticas de cookiesipv6 ready