FAQ FAQ  •  Buscar Buscar  •  Registrarse Registrarse  •  Entre para ver sus mensajes privados Entre para ver sus mensajes privados  • Login Login

fuente de alimentación para una mesa de directo

Índice de los Foros Electronica Facil » FOROS ELECTRONICA » Electronica analogica
Publicar nuevo tema   Responder al tema
Ver tema anteriorEntre para ver sus mensajes privadosVer tema siguiente
AutorMensaje
mousalive
Asunto: fuente de alimentación para una mesa de directo MensajePublicado: 06 Dic, 2008 - 08:33
Nuevo en el Foro
Nuevo en el Foro


Registrado: 06 Dic, 2008
Mensajes: 1

buneas a tod@s

bueno no se si realizado la pregunta en el foro adecuado, pero en fin...

me gustaría saber q elementos necesitaría para realizar una fuente de alimentación con estas características:

+ 15v @ 1amp, -15v @ 1 amp

es para una mesa de mezclas, para directo, y el problema es q la original de la marca cuesta 415 euros, de manera q pensaba en poner una genérica o hacerla yo mismo...

gracias anticipadas
 
 Ver perfil de usuario Enviar mensaje privado  
Responder citando Volver arriba
snowboard
Asunto:  MensajePublicado: 07 Dic, 2008 - 02:50
Vive en el foro
Vive en el foro


Registrado: 19 Abr, 2008
Mensajes: 312
Ubicación: Santiago de Chile
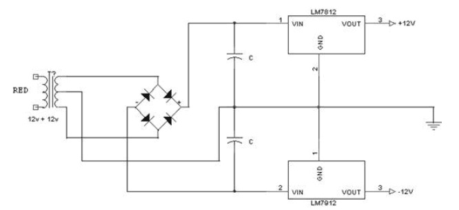
Hola, puedes hacer una fuente con un transformador de 15+15 (puede ser incluso de hasta 20+20) con punto medio,rectificar y de ahí puedes usar estabilizadores de tensión, por ejemplo LM7815 para los +15VDC y LM7915 para los -15 VDC, ambos reguladores son de 1,5 Amp.
Puedes usar éste diagrama como guía, solo reemplazar los componentes que trae por los que yo te indico.

P.D. en esta página encontraras una buena guía de esto : http://www.electronicafacil.net/tutoria ... tacion.php



fuente simetrica 12 VDC.jpg

fuente simetrica 12 VDC.jpg
Diagrama fuente simetrica

 
 Ver perfil de usuario Enviar mensaje privado Número ICQ 
Responder citando Volver arriba
Mostrar mensajes anteriores:     
Cambiar a:  
Todas las horas son GMT
Publicar nuevo tema   Responder al tema
Ver tema anteriorEntre para ver sus mensajes privadosVer tema siguiente
 Índice de los Foros Electronica Facil » FOROS ELECTRONICA »  Electronica analogica
powered by phppowered by MySQLPOWERED BY APACHEPOWERED BY CentOS© 2004 - 2026Información Legalpoliticas de cookiesipv6 ready