| Autor | Mensaje |
|---|
| Asunto: Publicado: 08 May, 2009 - 12:58 |
|
Habitual

Registrado: 26 Feb, 2007
Mensajes: 76
Ubicación: Madrid
|
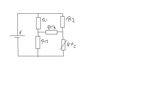
| siento el retraso, tu objetivo era hacerlo con un puente de resistencias ¿no?
en realidad lo que buscas es mas facil hacerlo con un operacional haciendo lo que se llama un comparador de ventana que podras ver en internet. igualmente te dejo el esquema del puente en H.
como te daras cuenta no hay ningun valor, es mas complicado de lo que parece porque hay mas incognitas que ecuaciones, intenta resolverlo tu solo (por el metodo de nudos) teniendo en cuenta que la tension que kieres (1 y 3)será la tension de R3, y que tienes q fijar algunos valores un poco aproximadamente como tension total y alguna resistencia si no lo consiges enviame un privado, que esto ya se esta alargando mucho pa un simple circuitillo je je je |
| Dibujo.JPG |

|
| |
| |
|
|
 |
| Asunto: Publicado: 08 May, 2009 - 04:20 |
|
Nuevo en el Foro

Registrado: 05 May, 2009
Mensajes: 9
|
| Hola:
A mi me dieron la opción de hacerlo con un puente de resistencias, pero al tener que diseñar yo mismo el circuito lo puedo hacer como yo quiera. Asi k me podrías decir como hacerlo con el operacional??. Gracias | |
| |
| |
|
|
 |
| Asunto: Publicado: 10 May, 2009 - 12:49 |
|
Habitual

Registrado: 26 Feb, 2007
Mensajes: 76
Ubicación: Madrid
|
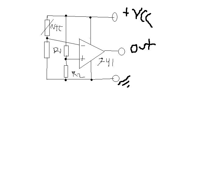
| hola tengo algo para ti, siento el retraso pero con eso del findesemana.. je jeje
el primer circuito que te paso es un comparador simple, esto significa que compara una tension con otra fija, como me dijiste que podias hacerlo con operacionales te paso este.
el funcionamiento del circuito es muy simple, la ntc y la resistencia R1 forman un divisor, R1= Rntc20º (esto es para que el cambio de 1 a 3 se haga en el punto intermedio entr 10º y 30º,, la tension se compara con la entrada (+) del operacional (5v) cuando la tension en (-) se mayor que que 5 lA salida del op sera 0 y cuando (-) (es el de la ntc) sea menor la salida será +vcc.
obiamente los valores son (+vcc y masa) tu los que kieres son (3 Y 1) eso es lo que arregla el segundo circuito.
el segundo circuito es un simple relé, solo es para aislar del primero y que puedas meter la tension que kieras en tu caso 1 y 3.
componentes:
ntc (la tuya)
R1 = Rntc a 20º
R2 = R3 = 100k (tienen que ser iguales)
+Vcc = te recomiendo 10v o mas¡¡¡Pero no menos!!!
R relé, tendras que sacarla, depende de la intensidad que necesite el relé para activarse. |
| relé.JPG |

|
| comparador simple no regenerativo.JPG |

|
| |
| |
|
|
 |
| Asunto: Publicado: 10 May, 2009 - 12:51 |
|
Habitual

Registrado: 26 Feb, 2007
Mensajes: 76
Ubicación: Madrid
|
| perdona por los dibujos estan hechos con el paint deprisa y corriendo jjj
espero que te sirva de ayuda | |
| |
| |
|
|
 |
| Asunto: Publicado: 10 May, 2009 - 06:21 |
|
Nuevo en el Foro

Registrado: 05 May, 2009
Mensajes: 9
|
| | De nuevo gracias. Tranquilo, k los dibujos se entienden perfectamente. Voy a exarle un vistacillo y ya te dire si todo va bien. | |
| |
| |
|
|
 |
|