FAQ FAQ  •  Buscar Buscar  •  Registrarse Registrarse  •  Entre para ver sus mensajes privados Entre para ver sus mensajes privados  • Login Login

Circuito con LM555

Índice de los Foros Electronica Facil » FOROS ELECTRONICA » Electronica analogica
Publicar nuevo tema   Responder al tema
Ver tema anteriorEntre para ver sus mensajes privadosVer tema siguiente
AutorMensaje
joselere
Asunto: Circuito con LM555 MensajePublicado: 09 Jun, 2009 - 04:50
Nuevo en el Foro
Nuevo en el Foro


Registrado: 16 Abr, 2009
Mensajes: 8

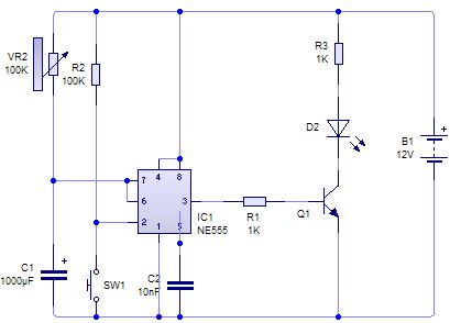
Hola buenas, mirar a traves del lm555, me gustaria hacer un circuito para que cuando le diese un pulso de 12V, el me diera por su salida(pin3) 12V durante X tiempo(programable mediante potenciometro y condecnsador) alguien tiene a mano el esquema? gracias
 
 Ver perfil de usuario Enviar mensaje privado  
Responder citando Volver arriba
AntonioReyes
Asunto:  MensajePublicado: 09 Jun, 2009 - 10:15
Experto
Experto


Registrado: 08 Jun, 2008
Mensajes: 174

a ver si te sirve esto



Real World.JPG

Real World.JPG



Artwork.JPG

Artwork.JPG



NE555.JPG

NE555.JPG


 
 Ver perfil de usuario Enviar mensaje privado  
Responder citando Volver arriba
Mostrar mensajes anteriores:     
Cambiar a:  
Todas las horas son GMT
Publicar nuevo tema   Responder al tema
Ver tema anteriorEntre para ver sus mensajes privadosVer tema siguiente
 Índice de los Foros Electronica Facil » FOROS ELECTRONICA »  Electronica analogica
powered by phppowered by MySQLPOWERED BY APACHEPOWERED BY CentOS© 2004 - 2026Información Legalpoliticas de cookiesipv6 ready