| Autor | Mensaje |
|---|
| Asunto: esquema fuente de alimentacion Publicado: 03 Nov, 2005 - 08:29 |
|
Nuevo en el Foro

Registrado: 03 Nov, 2005
Mensajes: 3
|
| buenas, soy nuevo en este foro debido a la necesidad de ayuda
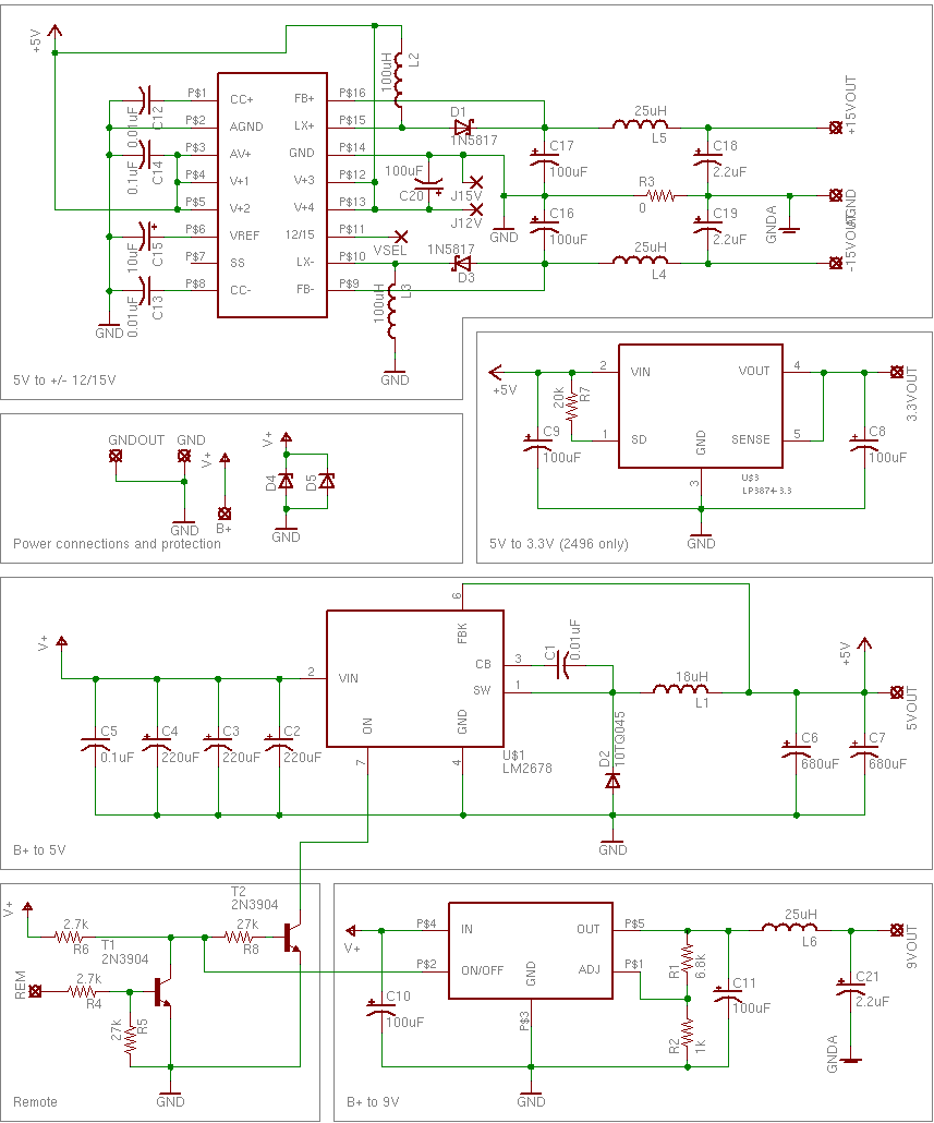
el tema es que varios compañeros y yo queremos intentar meter un ecualizador de audio profesional en el coche y como nuestro objetivo es la calidad de sonido para hacerlo bien queremos cambiar la fuente de alimentacion original de 220v por una hecha por nosotros de 12v, hemos conseguido un esquema y la lista de componentes de una fuente de alguien que lo hizo hace tiempo en el mismo aparato que el que nosotros queremos probar, pero sabiendo que la placa tiene 3 entradas (+12V, GND, remote) y 7 salidas (+15V, -15V, +9V, AGND, DGND, +5V y +3.3V) se nos presentan varias dudas sobre el esquema de la placa:
-en el cuadro de "power connections" la V+ que lleva los 2 diodos a donde va, a la v+ de al lado ( la de la entrada B+) o a donde?
-la Gnda del cuadro "5V to +- 12/15V" y la del cuadro " B+ to 9V" van unidas entre ellas y ya esta o a su vez se tienen que unir a otro sitio y si es asi cual?
-en el cuadro "5V to +- 12/15V" hay tres cruces rojas en las que pone "j15v", "j12V" y "VSEL" esto que es y a donde van conectadas cada una?
aqui teneis el esquema por cuadros de la placa y la lista de componentes.
gracias por vuestra ayuda de antemano |
| PSSchematic.gif |

|
| |
| |
|
|
 |
| Asunto: Publicado: 03 Nov, 2005 - 08:29 |
|
Nuevo en el Foro

Registrado: 03 Nov, 2005
Mensajes: 3
|
| |
|
 |
| Asunto: Publicado: 04 Nov, 2005 - 02:59 |
|
Experto


Registrado: 23 Oct, 2005
Mensajes: 224
Ubicación: San Juan - Argentina
|
| Los esquemas no dicen mucho por que no se sabe que tensiones de salida realmente necesitás para alimentar el ecualizador.
¿Este circuito no traía ningún documento que te explique algo u otra información de ayuda?
Aparentemente analizando este circuito podría decirte, en el esquema de power conections B+ = V+ = 12V de la batería del auto y se conecta a todos los lugares del circuito que digan V+, para que luego convierta de 12V a 5V y a 9V. De ahí convierte de 5V a 3,3V y de 5V a 12V o 15V seleccionable por medio de VSEL conectado mediante un jumper o llave (APARENTEMENTE)con J12V o J15V.
Aparentemente GND es independiente de GNDA que tiene el símbolo de conexión a chasis o masa de referencia y si van conectadas eléctricamente a través del chasis.
Como te mencioné anteriormente PARECE que VSEL se conecta mediante un jumper a J12 o J15 para tener en la salida 12V o 15V respectivamente.
Ahora esto es lo único que te puedo decir SOLAMENTE ANALIZANDO A GRANDES RAZGOS EL CIRCUITO, por que no tengo más información que el circuito me pueda brindar.
Espero que sirva de alguna ayuda y si tienes más información por favor, publícala tal vez pueda corregir algún error. | |
| |
| |
|
|
 |
| Asunto: Publicado: 06 Nov, 2005 - 07:24 |
|
Nuevo en el Foro

Registrado: 04 Nov, 2005
Mensajes: 12
|
| APRECIADOS CABALLEROS SE DAN MALA VIDA , SI EL AUTOMOVIL TIENE UNA BATERIA DE 12 V.D.C SUPONIENDO QUE SEA DE 30 AMPERIOS, PUES LIMITEN LOS
AMERIOS QUE NECESITEN POR UN LADO Y POR OTRO LADO CON UN OSCILADOR , UN TRANSFORMADOR PUEDEN RECIBIR 12 V.D.C Y ENTREGAR 220 V A.C
CONVIRTIENDOSE EN UN ELEVADOR DE TENSION.
SI NO LO SOLUCIONAN ESCRIBANME .... aa2001@tutopia.com | |
| |
| |
|
|
 |
|