| Autor | Mensaje |
|---|
| Asunto: Leds a 220 Publicado: 29 Oct, 2012 - 02:44 |
|
Nuevo en el Foro

Registrado: 29 Oct, 2012
Mensajes: 7
|
| Hola foreros, tengo algunas dudas con respecto a los leds a 220v, encontre un circuito buscando en youtube, bastante simple, pero que me genera muchas dudas a la hora de modificar el tipo de leds.
Resulta que en el video usan leds blancos 20ma a 3.1v.
Yo quiero usar leds rojos y azules a 25ma y 2,6v,3.3v respectivamente.
En el circuito hay un puente de diodos, un capacitor de 47uf(microfaradios)de 400v un capacitor de poliester de 400v, un lm317 con una resistencia entre sus patas 2 y 3 de 68ohm. y 89 leds
El caso es que la lampara esta calculada para trabajar con unos 280v de pico, pero en mi casa tengo 319,5v. Y no se como modificar el circuito o la cantdad de leds para hacer que funcione.
Si alguien se anima a darle un vistaso, adjunto el video. ente el minuto 2" y el 10" estan los detalles y el circuito. muchas gracias amigos! http://www.youtube.com/watch?v=o2hv0NlwI2s | |
| |
| |
|
|
 |
| Asunto: Circuito Publicado: 29 Oct, 2012 - 03:01 |
|
Nuevo en el Foro

Registrado: 29 Oct, 2012
Mensajes: 7
|
| | Para ahorrar neuronas adjunto un esquema del circuito. |
| Sin título.png |
 Circuito
|
| |
| |
|
|
 |
| Asunto: Proyectos led Publicado: 30 Oct, 2012 - 12:57 |
|
Nuevo en el Foro

Registrado: 29 Oct, 2012
Mensajes: 7
|
| |
|
 |
| Asunto: Publicado: 08 Nov, 2012 - 04:05 |
|
Fanatico de la Electronica


Registrado: 14 Ago, 2005
Mensajes: 1894
|
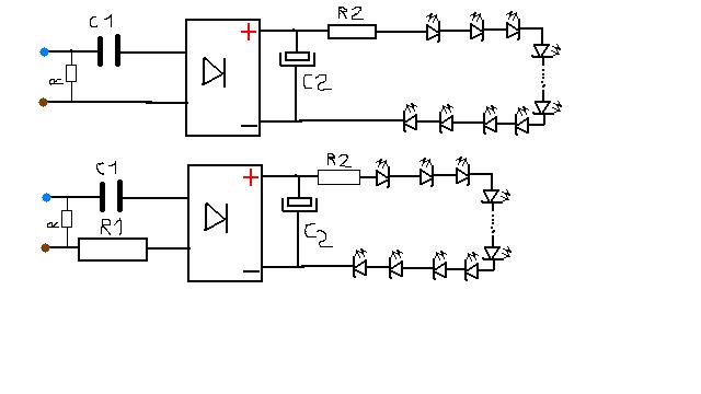
| el circuto que te puso elotero es muy chulo. el principio es usar un 317 para controlar el flujo e corriente y si se daña algun led no aga sivir la intensidad y estropear cada vez mas led.
en el caso de ese circuito en particular es que la suma de todos los led juntos tinen que dar un voltag de entre 280V y 320V. lo bueno serian los 320V y despues cuando vayan estropeandose los led el 317 apsorva la corriente restante.
pon que ese circuito es de lo mas comun solo que para fuentes de 24V o 48V conmutadas de continua.
aun asi hay otra manera de rectificarla si no vas a usar tantos led's, que es limitando la corriente con un condensador de 220nf. aunque ese valor es muy relativo. hay que andar jugando un poco con el valor ddel condensador dependiendo los led que sele coloquen y para estavilizar el parpadeo residual de la alterna tovia hay que ponerle otro condensador electrolitico.
es mas estable que me curre asta el momento y octimizando casi el completo de la corriente sin perdidas apenas en resistencia seria el del dibujo.
aunque los valores de los componentes varian un poco segun como coloques los led (cuantos en serie o paralelo)
en los circuitos que te e puesto C1 es varia segun si tu red electrica es de 110V o 220V y despues tamien ala cantiad de diodos que pongas en serie (pero no mucho) si que varia si pones 2 o 3 filas de led en serie.
la resistencia R1 es para limitar un poco mas la cantidad de corriente. esto seria para cantiddes mas pequeñas de diodos unos 20 o 30 led de 3.6V en serie.
sin ella ya seria para 30 o 50 led en serie.
la corriente se rectifica en continua y entonces tenemos qu estavilizarla lo mas posible. para eso usamos C2. pero ojo que tiene su rollo y juego entre el valor de C1 y C2 a relacion de la carga de corriente de los led.
me esplico.
si C1 no deja pasar la suficiente corriente mas que para alimentar los led no va aver corriente sucicinte para que C2 se cargue y aga bien su fincion de estavilizar un poco el parpadeo..
R1 se pone para poder jugar con mas margen con esos valores y no pase gran cosa aunque se queme algun diodo.
y R pues una resistencia de 1mega ohmnio de un cuarto de vatio o menos es solo para que se cierre por completo el flujo de corriente y no queden como encendidos por corriente residual de la red electrica.
.... bufff.. bueno si quieres mas esplayada pregunta que valores necesitarias de los componentes del esquema... venga a que no te atreves... jajajajajja
un salu2 |
| Dibujo.JPG |

|
| |
| |
|
|
 |
|