FAQ FAQ  •  Buscar Buscar  •  Registrarse Registrarse  •  Entre para ver sus mensajes privados Entre para ver sus mensajes privados  • Login Login

INTERRUPTOR TUCH

Índice de los Foros Electronica Facil » FOROS ELECTRONICA » Electronica Digital
Publicar nuevo tema   Responder al tema
Ver tema anteriorEntre para ver sus mensajes privadosVer tema siguiente
AutorMensaje
jubiloso
Asunto: INTERRUPTOR TUCH MensajePublicado: 30 Sep, 2018 - 07:46
Nuevo en el Foro
Nuevo en el Foro


Registrado: 22 Mar, 2010
Mensajes: 11
Ubicación: ESPAÑA
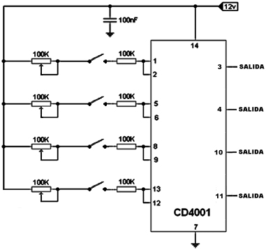
Hola a todos, quiero hacer una pregunta porque tengo una gran duda, quiero montar unos interruptores de tacto con el integrado CD4001, en este caso sería con un pulsador pequeño en vez de una plaquita metálica, entonces pregunto:
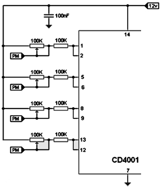
Se puede poner el pulsador intercalado (como lo he puesto en el esquema, RETOCADO), si quito la resistencia (100K) y pongo un potenciómetro de más valor, puede servir.
Si pulso una vez se quedará conectado en la salida.
Si pulso otra vez al cabo de 1 hora ó 5 minutos (por ejemplo) supongo que desconectará la salida.
Hay un integrado (varios) que cuando le llega una señal internamente, actúa como un relé (en estéreo), (que integrado seria).
Serviría la salida de señal del integrado CD4001 para activar el integrado (el que me digáis vosotros, (el que es tipo relé)), en este caso serían en un integrado con cuatro relés de dos interruptores cada relé.
En espera de respuesta y dando las gracias por adelantado, saludo a todos los foreros.
P.D. Incluyo los esquemas



ORIGINAL.jpg

ORIGINAL.jpg



RETOCADO.jpg

RETOCADO.jpg


 
 Ver perfil de usuario Enviar mensaje privado  
Responder citando Volver arriba
Mostrar mensajes anteriores:     
Cambiar a:  
Todas las horas son GMT
Publicar nuevo tema   Responder al tema
Ver tema anteriorEntre para ver sus mensajes privadosVer tema siguiente
 Índice de los Foros Electronica Facil » FOROS ELECTRONICA »  Electronica Digital
powered by phppowered by MySQLPOWERED BY APACHEPOWERED BY CentOS© 2004 - 2026Información Legalpoliticas de cookiesipv6 ready