| Autor | Mensaje |
|---|
| Asunto: Ayuda con un Amplif Operacional 741 Publicado: 13 Feb, 2006 - 01:33 |
|
Nuevo en el Foro

Registrado: 17 Dic, 2005
Mensajes: 12
|
| Bueno despues de estar buscando horas en interner no lo he encontrado..
Estoy buscando un esquema que cuando inserte el 741 me indique mediante un led en intermitente que el 741 esta en buen estado OK.
Si alguien me puede ayudar con este reto. agradecido de antemano..
Un saludo | |
| |
| |
|
|
 |
| Asunto: RE: Ayuda con un Amplif Operacional 741 Publicado: 14 Feb, 2006 - 11:16 |
|
Vive en el foro

Registrado: 08 Jul, 2004
Mensajes: 253
Ubicación: Algorta (Vizcaya)
|
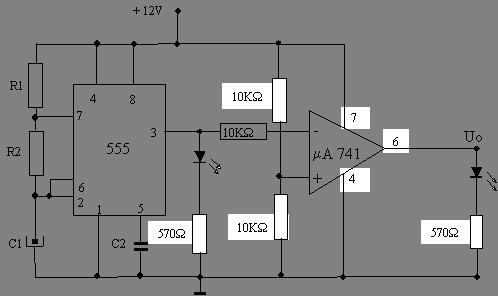
| Un circuito multivibrador astable con el 555 puede mandar al 741 que quieres probar, generando una señal cuadrada de un herzio más o menos. En la salida del 555 pones un LED con una resistencia en serie de unos 470 óhmios y en la salida del 741 haces lo mismo. En la prueba, el LED del 555 lucirá cuando el del 741 se apague, esto cada segundo aprox. Los valores para el 555 son:
R1 10K
R2 47K
C1 10 uF(microfaradios)
C2 10nF (nanofaradios)
Los valores de los demás componentes están en el esquema. Los LED los pones del color que te guste.
La patilla marcada con el signo menos (inversora) en el 741 es la 2
La patilla marcada con el signo más (no inversora) es la 3
Las patillas 1,5 y 8 no se conectan en este montaje.
Este circuito prueba al operacional como comparador invirtiendo la señal que en general te puedes fiar del resultado pues invierte la señal. Si no la invierte está mal. El circuito está probado con el Electronic Workbench |
| 555+741.JPG |

|
| |
| |
|
|
 |
| Asunto: RE: Ayuda con un Amplif Operacional 741 Publicado: 14 Feb, 2006 - 11:18 |
|
Vive en el foro

Registrado: 08 Jul, 2004
Mensajes: 253
Ubicación: Algorta (Vizcaya)
|
| | Voy a probar si sale en fondo blanco.... |
| image001.gif |

|
| |
| |
|
|
 |
| Asunto: Publicado: 15 Feb, 2006 - 04:14 |
|
Experto

Registrado: 18 Abr, 2005
Mensajes: 226
|
| Mucha lata.
Aqui va otro. |
| amoposc.JPG |

|
_________________ El Grinch es un cientifico | |
| |
|
|
 |
| Asunto: Publicado: 15 Feb, 2006 - 04:19 |
|
Experto

Registrado: 18 Abr, 2005
Mensajes: 226
|
| me equivoque.
este ultimo vale |
| amoposc.JPG |

|
_________________ El Grinch es un cientifico | |
| |
|
|
 |
|