| Autor | Mensaje |
|---|
| Asunto: ckto conmutador de fuente Publicado: 26 Oct, 2005 - 06:13 |
|
Nuevo en el Foro

Registrado: 26 Oct, 2005
Mensajes: 2
|
| | Hola, quiero saber si alguien me puede ayudar con un ckto conmutador de fuente. Tengo una carga q la alimento con una fuente de 12V, llega 220AC de la linea comercial y de ahi construyo una fuente de 12V, pero en caso esta linea de alimentación falle, quiero que entre a tallar una batería de 12V inmediatamente, para que la carga siga alimentada. Esta batería es del tipo motocicleta. Cuando se restablezca la energía comercial, nuevamente se desconecte la batería y, si es posible, comenzar a cargarla... Gracias. | |
| |
| |
|
|
 |
| Asunto: RE: ckto conmutador de fuente Publicado: 27 Oct, 2005 - 03:44 |
|
Experto


Registrado: 23 Oct, 2005
Mensajes: 224
Ubicación: San Juan - Argentina
|
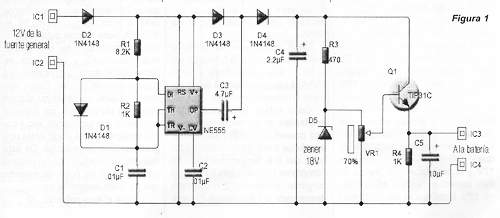
| :D Tengo un circuito cargador de baterias automático que funciona con una fuente de 12V en el que podés basar tu diseño pero es para baterías de Niquel Cadmio o baterías de GEL. está basado en un cuadruplicador de tensión con un NE555 y un puñado de componentes pasivos. la calibración de este circuito es simple sólo tenés que ajustar el preset VR1 de 100k hasta que la tensión de salida supere levemente los 14V o hasta que la corriente de carga sea aproximadamente entre 10mA y 20mA.
En cuanto a la activación automática de la batería por cortes de energía se hace colocando tres diodos 1N5402 (imaginatelos o escribilo en un papel), uno va colocado entre el positivo de la fuente de 12V y el borne denominado IC1 (Dx) y vá polarizado de forma directa (igual sentido que el 1N4148), otro diodo va desde el borne llamado IC3 hasta el positivo de la fuente (Dy) polarizado inversamente y por último el tercer diodo vá en el positivo de la fuente entre el primer diodo y el segundo (Dz), de esta forma cuando la fuente esté conectada y suministrando corriente va a alimentar el cargador a través de Dx y al circuito que se conecte a traves de Dz, pero como Dy esta polarizado de forma inversa no circula corriente hacia la batería. Si se corta el suministro, Dy conduce alimentando al circuito y Dz se corta por estar polarizado en forma inversa. Fácil viste!
Todo el circuito del cargador consume alrededor de 25mA.
Si querés saber como funciona más en detalle, enviame un mail a lsxsniper@hotmail.com y con gusto te digo como funciona . |
| Charger.JPG |

|
| |
| |
|
|
 |
| Asunto: RE: ckto conmutador de fuente Publicado: 28 Oct, 2005 - 05:30 |
|
Experto


Registrado: 23 Oct, 2005
Mensajes: 224
Ubicación: San Juan - Argentina
|
| | Para cualquier problema ya sabés mi mail | |
| |
| |
|
|
 |
| Asunto: RE: ckto conmutador de fuente Publicado: 30 Oct, 2005 - 12:02 |
|
Experto


Registrado: 23 Oct, 2005
Mensajes: 224
Ubicación: San Juan - Argentina
|
| | Espero que te halla Servido! | |
| |
| |
|
|
 |
|