Nuevo en el Foro

Registrado: 24 Nov, 2019
Mensajes: 1
|
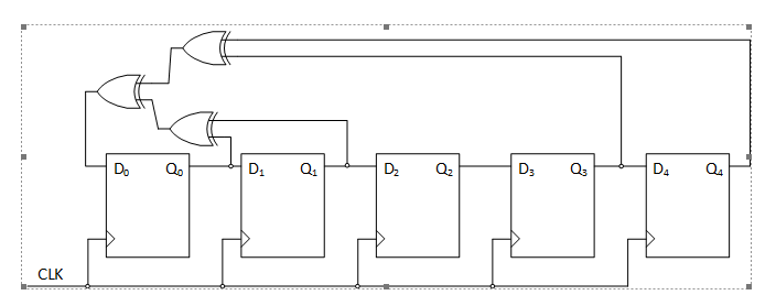
| | Me fue dado este contador síncrono con FF tipo D, necesito ayuda para ver cuál es la secuencia generada por el circuito, teniendo en cuenta que si inicia con cero, queda en el estado cero indefinidamente. |
| Capture.PNG |

|
| |
| |
|