| Autor | Mensaje |
|---|
| Asunto: Reformar instalacion? Publicado: 04 Ene, 2010 - 11:23 PM |
|
Nuevo en el Foro
Registrado: 04 Ene, 2010
Mensajes: 5
|
| Hola amigos, voy a intentar explicaros lo que me pasa, a ver si me podeis recomendar la solucion.
Vivo en una casa , tengo una antena, comunmente llamada de raspa, tengo 7 tomas de antena .(la tele analogica se ve bien en toda la casa)
La señal de la antena, me llega a un amplificador de apartamento IKUSI ATP-332 REF. 3509(situado en la primera planta), con una entrada y dos salidas, una de las salidas, entra en un repartidor de cuatro salidas para la parte de arriba de la casa(cuatro habitaciones), la otra salida del ampli, baja a otro repartidor de tres salidas(comedor, cocina ,parking).
El problema, que tengo es que mi hijo en su habitacion, tiene un TDT y ve perfectamente todos los canales, en cambio, en la parte baja de la casa, solo se ven, cuatro o cinco canales, supongo que los que tienen la señal mas fuerte.
Que tengo que reformar o añadir, para poder ver la TDT bien en toda la casa.
Un saludo, espero vuestra ayuda.
Pd(el repartidor, tambien es de la marca IKUSI Ref. UDV-408) | |
| |
| |
|
|
 |
| Asunto: Publicado: 05 Ene, 2010 - 12:05 AM |
|
Voy por la HDTV
Registrado: 25 Oct, 2005
Mensajes: 1432
Ubicación: DENIA Comunitat Valenciana
|
| Si quieres que te ayudemos entre todos con la información que expone no podemos sacar nada en concreto. Tiene que enviarnos en formato pdf o lo que se tercie un esquema de la instalación de antena, con el cable dibujado, los metros que hay de toma a toma, marca, modelo de amplificador, distribuidores y model. etc.. o sea todo, solo así tendra una respuesta clara y de como solucionar el problema, entiendo que es trabajo pero es usted el que quiere solucionar el problema y nosotros darle una emplicación sin compromiso en este libre foro técnico, de lo contrario siempre podrá llamar a un antenista y puede que con 30 minutos sulucione su problema.
Un saludo | |
| |
| |
|
|
 |
| Asunto: Reformar instalacion? Publicado: 05 Ene, 2010 - 11:30 AM |
|
Nuevo en el Foro
Registrado: 04 Ene, 2010
Mensajes: 5
|
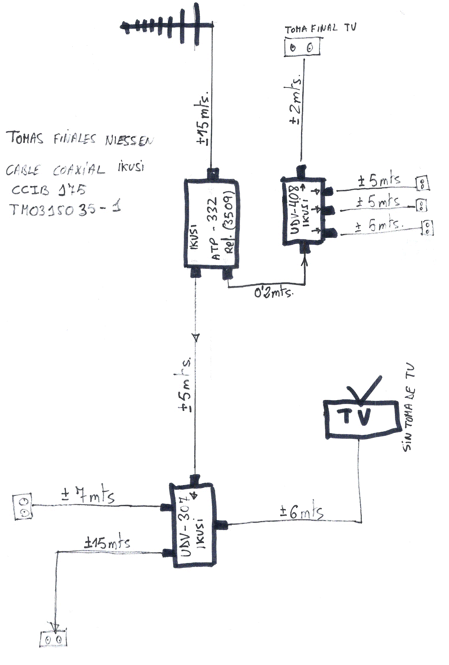
| Este a groso modo es el esquema de mi instalacion, tiene tres años de antiguedad.
Espero tu respuesta.
Un saludo |
| esquema instalacion.GIF | | Descripción: | |  Descargar | | Nombre del archivo: | esquema instalacion.GIF | | Tamaño: | 108.43 KB | | Descargado: | 777 veces |
| |
| |
|
|
 |
| Asunto: Publicado: 05 Ene, 2010 - 12:45 PM |
|
Voy por la HDTV
Registrado: 25 Oct, 2005
Mensajes: 1432
Ubicación: DENIA Comunitat Valenciana
|
| Tienes demasiada distancia entre la antena y el amplificador de linea. Sustituye este por una fuente de alimentación de 24v y a un metro de la antena mas o menos inserta un amplificador. O sea tienes que poner un kit de amplificador mas potente como x ejemplo un AMB+FTA Fagor 811K. Lo que te pasa en teoria esque la señal que amplificas actualmente se pierde por el cable coaxial y los puntos cercanos al amplificador de linea se ven bien y los lejanos pierden potencia. Si despues de esto te da problemas nos lo comunicas y ya rematomos.
Suerte  | |
| |
| |
|
|
 |
| Asunto: Reformar instalacion? Publicado: 05 Ene, 2010 - 03:09 PM |
|
Nuevo en el Foro
Registrado: 04 Ene, 2010
Mensajes: 5
|
| DIGITALDENIA escribió: Tienes demasiada distancia entre la antena y el amplificador de linea. Sustituye este por una fuente de alimentación de 24v y a un metro de la antena mas o menos inserta un amplificador. O sea tienes que poner un kit de amplificador mas potente como x ejemplo un AMB+FTA Fagor 811K. Lo que te pasa en teoria esque la señal que amplificas actualmente se pierde por el cable coaxial y los puntos cercanos al amplificador de linea se ven bien y los lejanos pierden potencia. Si despues de esto te da problemas nos lo comunicas y ya rematomos.
Suerte 
Hola soy yo nuevamente, podrias explicarme lo de sustituir el amplificador por una fuente de alimentacion, no se como se hace.
Tengo la posibilidad, de alimentar el amplificador cerca de la antena, te lo digo por si sirve de algo.
Tambien querria saber, si en IKUSI, existe algun amplificador de similares caracteristicas al que me has comentado ya que tengo mas acceso a esta marca.
Podrias hacerme un pequeño esquema de como quedaria la instalacion con el kit que me recomiendas y con las 7 derivaciones que tengo, te lo agradeceria mucho.
Un saludo | |
| |
| |
|
|
 |
| Asunto: Publicado: 05 Ene, 2010 - 09:23 PM |
|
Voy por la HDTV
Registrado: 25 Oct, 2005
Mensajes: 1432
Ubicación: DENIA Comunitat Valenciana
|
| Donde tienes el amplificador de linea con una entrada y dos salidas sustituyelo por una fuente de alimentación y antes de conectarla a la corriente a un metro mas o menos de la antena insertas un amplicador, tiene una entrada y una salida, puede ser IKusi perfectamente, con ello aumentaras unos db importantes en tu instalación, dentro de la caja verde encontraras el esquema de instalación, super sencillo. Nos comentas luego el resultado ok? y si no va bien nos lo dices y te digo lo que tienes que hacer.
Suerte | |
| |
| |
|
|
 |
| Asunto: Publicado: 08 Ene, 2010 - 08:21 AM |
|
Nuevo en el Foro
Registrado: 07 Dic, 2009
Mensajes: 21
|
| Pon un amplificador Ikusi SBA-100 en el mastil de la antena,
este amplificador tiene una entrada y una salida, corta el cable y el cable de la antena lo pones en la entrada y el cable que baja en la salida,
donde tienes puesto el amplificador , quitalo y pon una fuente de alimentacion Ikusi APB524, (te viene esquema de instalación muy sencillo).
Con esto como dice Digitaldenia aumentarás potencia y quitaras ruido.
Revisa las conexiones y conectores. |
_________________ VISITA PAGINA DE ANTENAS, http://www.PromocionTdt.es\ www.PromocionTdt.es | |
| |
|
|
 |
| Asunto: Reformar instalacion? Publicado: 12 Ene, 2010 - 06:53 PM |
|
Nuevo en el Foro
Registrado: 04 Ene, 2010
Mensajes: 5
|
| Hola Juan en los distribuidores, lo unico que pone es lo siguiente:
IKUSI UDV-408
4-WAY SPLITTER
5-2300MHZ
La tv de la cocina, es la que esta despues del derivador de 3 salidas a 7 mts+-
Espero tu respuesta un saludo.
Tambien queria decirte, que ahora , mi hijo no ve el tdt en la planta de arriba, he tenido que quitar el derivador y conectar directamente el cable de antena de la habitacion a la fuente de alimentacion. | |
| |
| |
|
|
 |
| Asunto: Publicado: 12 Ene, 2010 - 09:54 PM |
|
Voy por la HDTV
Registrado: 25 Oct, 2005
Mensajes: 1432
Ubicación: DENIA Comunitat Valenciana
|
| Gracias por contestar por esta via. Unas preguntas,
1-se ven todos los canales en la televisión de tu hijo conectandolo directo al alimentador??
2- Con el distribuidor conectado tal y como indicas en el dibujo se ven las otras televisiones de arriba?
3- El cable que sale de los deriviadores tiene una toma final o va directo al tdt o tv???
4- Dispones de TDT integrado o adaptador TDT??
5- viste si tienes cobertura TDT? http://www.tdt.es\ www.tdt.es
Lamentablemente no puedo estar en tu casa para verificar las señales pues la instalación tal y como la tienes ahora es correcta. | |
| |
| |
|
|
 |
| Asunto: Reformar instalacion? Publicado: 13 Ene, 2010 - 12:12 AM |
|
Nuevo en el Foro
Registrado: 04 Ene, 2010
Mensajes: 5
|
| DIGITALDENIA escribió: Gracias por contestar por esta via. Unas preguntas,
1-se ven todos los canales en la televisión de tu hijo conectandolo directo al alimentador??
2- Con el distribuidor conectado tal y como indicas en el dibujo se ven las otras televisiones de arriba?
3- El cable que sale de los deriviadores tiene una toma final o va directo al tdt o tv???
4- Dispones de TDT integrado o adaptador TDT??
5- viste si tienes cobertura TDT? http://www.tdt.es\ www.tdt.es
Lamentablemente no puedo estar en tu casa para verificar las señales pues la instalación tal y como la tienes ahora es correcta.
1 si se ven todos los canales
2 arriba solo se usa la tv de mi hijo , no he comprobado si se ven en las habitaciones, ya que mi hijo tiene un tdt conectado al pc
3 solo hay una tv sin toma final, es la del salon y va directa al tdt
4 no ,tengo tres tdt y son de adaptador
5 creo que debo tener cobertura, ya que se ven todos los canales, desde mi terraza, veo la situacion del repetidor. | |
| |
| |
|
|
 |
|