Secciones
Foros Electrónica
Boletines de correo
Boletines
background image

General Description

The MAX14748 USB battery charger integrates a charger 

detector, boost/buck converter, and Li+ battery charger 

with smart power selector to provide fast and safe charging 

of 2s Li+ battery packs.
The MAX14748 provides support for devices functioning 

as a UFP/DRP per the USB Type-C 1.1 standard, while 

also providing detection of legacy USB Battery Charging 

Specification, Revision 1.2 (BC1.2) compliant chargers in 

addition to other nonstandard chargers. The programmable 

Automatic Input Current Limiting (AICL) feature ensures that 

maximum safe current is drawn from the charging adapter.
The Li+ charger includes an automatic Smart Power 

Selector™ to simultaneously charge the battery and 

 

provide power to the system load. The Smart Power 

Selector function will supplement the system power with 

the battery if power from the charging adapter is insufficient. 

The Li+ charger features JEITA thermal monitoring and 

charger voltage/current reduction or charger disable.
The MAX14748 is available in a 54-bump, 0.4mm pitch, 

3.97mm x 2.77mm x 0.64mm wafer-level package (WLP) 

and operates over the -40 °C to +85 °C extended temperature 

range.

Applications

 

•—Ź Digital Imaging (DSC, DVC)

 

•—Ź Wireless Speakers

 

•—Ź Handheld Barcode Readers

Benefits and Features

 

•—Ź Minimize Power Management Footprint Through High 

Integration 

•  13mΩ (typ) Integrated Battery To System Switch

•  Thermal Current Limiting

•  DC-DC Converter with Boost and Reverse Buck

•  High Efficiency

 - 92% in Boost Mode at 1A Output Current and 

7.4V Battery Voltage

 - 94% in Reverse Buck Mode at 500mA Output 

•  Internal USB Switch for USB D+/D- Data Lines

 

•—Ź Easy-to-Implement Li+ Battery Charging

•  Charges 2s Li-Ion Batteries from Legacy 5V USB 

Adapters

 - 15W Input Power with 3A Type-C Adapter

 - 7.5W Input Power with DCP Adapter

 - 1A System/Charge Current From DCP Adapter

 - 2A System/Charge Current From 3A Type-C Adapter

•  USB Type-C Specification, Rev 1.1 Support

•  UFP/DRP Operation

•  V

CONN

 and Super-Speed Multiplexer Logic Controls

•  Non-Standard DCP Detection

•  USB Battery Charging Specification, Rev 1.2 Compliant

 

•—Ź Automatic Input Current Limit (AICL) Power 

Management 

 

•—Ź Support Weak/Dead Batteries Detection

•  Smart Power Selector

•  Thermistor Monitor

 

•—Ź Various Protection Features

•  28V Integrated Overvoltage Protection

•  JEITA Charge Protection

•   ±15kV ESD Protection on USB Adapter Pins

19-100081; Rev 0; 6/17

Smart Power Selector is a trademark of Maxim Integrated 

Products, Inc.

MAX14748

USB Type-C Charger

background image

Voltages Referenced to GND

CHGIN  ..................................................................-0.3V to +30V

BST .......................................................................-0.3V to +16V

SYS to BAT  ..........................................................-0.3V to +12V 

BAT, SYS  ..............................................................-0.3V to +12V

BYP to CHGIN ......................................................-30V to +0.3V

BYP, THM, INT, SYSOK, FLTIN, FSUS,  

LED, SDA, SCL  ....................................................-0.3V to 6V

COMP, SET  .......................................... -0.3V to V

CCINT

 + 0.3V

CC1, CC2, TDN, TDP, CDN, CDP, V

CONN

  ............-0.3V to +6V

CC1, CC2, in fault mode through a 10k resistor  ..-0.3V to +20V

CDIR  .......................................................................-0.3V to +6V

VTPU (VTPU-TPU switch open)  .......... -0.3V to V

CCINT

 + 0.3V

TPU (VTPU-TPU switch open)  .........-0.3V to 6 or VTPU + 0.3V

VTPU, TPU Maximum Current  

(VTPU-TPU switch closed)  ...................... -100mA to +100mA

BVCEN  ..................................................-0.3V to V

CCINT 

+ 0.3V

SFOUT, V

CCINT

, BREG  ....... -0.3V to min ((V

CHGIN

 + 0.3), 6)V

LX  .............................................................-0.3V to V

SYS

 + 0.3V

NVP  ......................................................................-0.3V to +30V

AGND, DGND, PGND, GND  ...............................-0.3V to +0.3V

Continuous Current into  

CHGIN, SYS ...................................................................+6.4A

 BAT .................................................................................+4.8A

  Any Other Terminal .....................................................+100mA

Continuous Power Dissipation  

(multilayer board at +70 °C): 9 x 6 Array 54-Bump,  

3.97mm x 2.77mm 0.4mm Pitch WLP  

(derate 24.46mW/ °C)  .................................................1.957W  

Operating Temperature Range  .......................... -40 °C to +85 °C

Junction Temperature  ...................................................  +150 °C

Storage Temperature Range  ........................... -65 °C to +150 °C

Lead Temperature (soldering, 10s)  ..............................  +300 °C

Soldering Temperature (reflow)  ....................................  +260 °C

WLP 

Junction-to-Ambient Thermal Resistance (Θ

JA

) .....40.88 °C/W

(Note 1)

(V

BAT

 = 8.3V, T

A

 = -40 °C to +85 °C, all registers in their default state, unless otherwise noted. Typical values are at V

CHGIN

 = 5.0V, 

V

BAT

 =7.4V, V

SYS

 = V

BATREG

, T

A

 = +25 °C.)

Electrical Characteristics

PARAMETER

SYMBOL

CONDITIONS

MIN

TYP

MAX

UNITS

SUPPLY CURRENT

BAT Supply Current

I

BAT

V

CHGIN 

= 0V or Floating, Type-C 

detection active

140

µA

Low Power mode

25

µA

CHGIN Supply Current

I

CHG

V

CHGIN 

= +5V, T

A

 +25 °C,  

ChgEn = 0 

5.3

mA

V

CHGIN 

= +5V, T

A

 +25 °C,  

Suspend Mode (FSUS = High) 

0.98

mA

CHGIN TO BYP PATH
Allowed CHGIN Input 

Voltage Range

V

CHGIN_RNG

0

28

V

CHGIN Detect 

Threshold

V

BDET

Rising

3.8

3.9

4.0

V

V

BDET_F

Falling

3.6

3.7

3.8

CHGIN Overvoltage 

Threshold

V

OVP

Rising

5.59

5.66

5.72

V

V

OVP_F

Falling

5.56

V

V

OVP_H

Hysteresis

28

mV

MAX14748

USB Type-C Charger

www.maximintegrated.com

Maxim Integrated  •”‚

  2

Note 1:  Package thermal resistances were obtained using the method described in JEDEC specification JESD51-7, using a four-layer 

board. For detailed information on package thermal considerations, refer to

.

Absolute Maximum Ratings

Stresses beyond those listed under †śAbsolute Maximum Ratings†ť may cause permanent damage to the device. These are stress ratings only, and functional operation of the device at these 

or any other conditions beyond those indicated in the operational sections of the specifications is not implied. Exposure to absolute maximum rating conditions for extended periods may affect 

device reliability.

Package Thermal Characteristics

background image

(V

BAT

 = 8.3V, T

A

 = -40 °C to +85 °C, all registers in their default state, unless otherwise noted. Typical values are at V

CHGIN

 = 5.0V, 

V

BAT

 =7.4V, V

SYS

 = V

BATREG

, T

A

 = +25 °C.)

PARAMETER

SYMBOL

CONDITIONS

MIN

TYP

MAX

UNITS

CHGIN-BYP Resistance

R

CHGIN_BYP

V

CHGIN 

= 5V

45

mW

CHGIN-BYP Soft-Start 

Timeout

t

BYP_SFTTO

If V

BYP

 has not reached within 

50mV of V

CHGIN

 at timeout, a fault 

is flagged by SysFlt of register 

0x02.

100

ms

CHGIN-BYP Soft-Start 

Current

I

BYP_SFT

60

mA

CHGIN-BYP Soft-Start 

End Comparator

V

BYP_SFTEND

15

50

80

mV

CHGIN-BYP Overload 

Comparator

V

BYP_OVL

290

360

420

mV

Input Current Limit

I

LIM

SpvChgILim[4:0] = 00100

0.4

A

SpvChgILim[4:0] = 01110

1.5

SpvChgILim[4:0] = 11101

3

Input Current Limit 

Programming Range

I

LIM_RNG

0.1

3

A

Input Current Limit 

Programming Step

I

LIM_STEP

100

mA

INTERNAL SUPPLIES
Internal V

CCINT

 

Regulator

V

CCINT

V

CHGIN

 = 5V, boost off

4.0

4.3

4.6

V

Boost Regulator BREG

V

BREG

4.3

V

V

CCINT

 UVLO 

Threshold

V

UVLO

V

CCINT

 rising

 3.1

3.4

3.7

V

V

CCINT 

falling

  

 3.0

3.3

3.6

V

CCINT

 UVLO 

Threshold Hysteresis

V

UVLO_HYS

Hysteresis

100

mV

BAT UVLO Threshold

V

BATUVLO

Rising

4

V

BAT UVLO Hysteresis

V

BATUVLO_H

100

mV

SFOUT LDO Voltage

V

SFOUT

SfOutLvl = 1, V

CHGIN

 = 6V, 

I

SFOUT

 = 0

3.15

3.3

3.45

V

SfOutLvl = 1, V

CHGIN

 = 6V, 

I

SFOUT

 = 15mA

2.95

SfOutLvl = 0, V

CHGIN

 = 6V, 

I

SFOUT

 = 0

5.0

5.25

5.5

SfOutLvl = 0, VCHGIN = 6V, 

I

SFOUT

 = 15mA

4.9

SFOUT Maximum 

Current

I

SFOUT_MAX

15

mA

MAX14748

USB Type-C Charger

www.maximintegrated.com

Maxim Integrated  •”‚

  3

Electrical Characteristics (continued)

background image

(V

BAT

 = 8.3V, T

A

 = -40 °C to +85 °C, all registers in their default state, unless otherwise noted. Typical values are at V

CHGIN

 = 5.0V, 

V

BAT

 =7.4V, V

SYS

 = V

BATREG

, T

A

 = +25 °C.)

PARAMETER

SYMBOL

CONDITIONS

MIN

TYP

MAX

UNITS

Current Reduce 

Temperature

T

CHG_LIM

120

°C

Thermal Shutdown 

Temperature

T

SHUTDOWN

150

°C

Thermal Shutdown 

Hysteresis

T

SHUTDOWN_H

20

°C

BYP UVLO Threshold

V

BYPUVLO

BYPUVLO[2:0] = 000, V

BYP

 falling

3.8

V

BYPUVLO[2:0] = 001, V

BYP

 falling

3.9

BYPUVLO[2:0] = 010, V

BYP

 falling

4.0

BYPUVLO[2:0] = 011, V

BYP

 falling

4.1

BYPUVLO[2:0] = 100, V

BYP

 falling

4.2

BYPUVLO[2:0] = 101, V

BYP

 falling

4.3

BYPUVLO[2:0] = 110, V

BYP

 falling

4.4

BYPUVLO[2:0] = 111, V

BYP

 falling

4.5

BYP UVLO Threshold 

Hysteresis

V

BYPUVLO_H

25

mV

SYS UVLO (SYSOK) 

Threshold 

V

SYSUVLO

VPChg[2:0] = 000, V

SYS

 rising

5.9

V

VPChg[2:0] = 001, V

SYS

 rising

6.0

VPChg[2:0] = 010, V

SYS

 rising

6.1

VPChg[2:0] = 011, V

SYS

 rising

6.2

VPChg[2:0] = 100, V

SYS

 rising

6.3

VPChg[2:0] = 101, V

SYS

 rising

6.4

VPChg[2:0] = 110, V

SYS

 rising

6.5

VPChg[2:0] = 111, V

SYS

 rising

6.6

SYS UVLO Threshold 

Hysteresis

V

SYSUVLO_H

500

mV

BYP-SYS BOOST PATH
Switching Frequency

f

BST_SW

0.8

MHz

Maximum Input Current

I

BST_MAX

L = 2.2 µH

3

A

Input Peak Current Limit

I

BST_LIM_PK

4.5

A

MAX14748

USB Type-C Charger

www.maximintegrated.com

Maxim Integrated  •”‚

  4

Electrical Characteristics (continued)

background image

(V

BAT

 = 8.3V, T

A

 = -40 °C to +85 °C, all registers in their default state, unless otherwise noted. Typical values are at V

CHGIN

 = 5.0V, 

V

BAT

 =7.4V, V

SYS

 = V

BATREG

, T

A

 = +25 °C.)

PARAMETER

SYMBOL

CONDITIONS

MIN

TYP

MAX

UNITS

Forced Input Current 

Limit

IILIM_F

CurLim1Frc = 1 , 

CurLim1Set[4:0] =

00000

100

mA

00001

200

00010

300

00011

400

00100

405

450

495

00101

600

00110

700

00111

800

01000

900

01001

1000

01010

1100

01011

1200

01100

1300

01101

1400

01110

1500

01111

1600

10000

1700

10001

1800

10010

1900

10011

2000

10100

2100

10101

2200

10110

2300

10111

2400

11000

2500

11001

2600

11010

2700

11011

2800

11100

2900

11101

3000

11110

3100

11111

3200

Efficiency

EFF

BST

I

SYS

 = 1000mA, V

BAT

 = 7.4V,  

L1 = Bourns SRP4012TA-2R2M

91.6

%

SYS Regulation Voltage

V

SYS_REG

Charger disabled

V

BAT

 + 0.4

V

Charger in precharge, V

BAT

 = 5V

V

PCHG 

+ 0.4

V

SYS Regulation Voltage 

Limit 

V

SYS_LIM

See Battery Charger State  

Diagram

V

SYS_REG

 

- 0.2

V

MAX14748

USB Type-C Charger

www.maximintegrated.com

Maxim Integrated  •”‚

  5

Electrical Characteristics (continued)

background image

(V

BAT

 = 8.3V, T

A

 = -40 °C to +85 °C, all registers in their default state, unless otherwise noted. Typical values are at V

CHGIN

 = 5.0V, 

V

BAT

 =7.4V, V

SYS

 = V

BATREG

, T

A

 = +25 °C.)

PARAMETER

SYMBOL

CONDITIONS

MIN

TYP

MAX

UNITS

BYP-SYS BUCK PATH
Switching Frequency

f

BK_SW

0.8

MHz

Maximum Output 

Current

I

BK_MAX

L = 2.2 µH

500

mA

Short-Circuit Peak 

Current Limit

I

BK_LIM

1.3

A

Efficiency

EFF

BK

I

CHGIN

 = 500mA , V

BAT

 = 7.4V,  

L1 = Bourns SRP4012TA-2R2M

94

%

Output Voltage Range

V

BK_OUT_RNG

4

5.5

V

Output Accuracy

V

BK_OUT_ACC

-1.5

+1.5

%

SYS-BAT CHARGER/SWITCH CONTROLLER
BAT-to-SYS Regulation 

Voltage

V

BAT-SYS_ON

-20

mV

BAT-to-SYS Switch Fast 

Turn-On Threshold

V

BAT-SYS_OFF

V

SYS

 falling

-100

mV

BAT-to-SYS Switch On-

Resistance

R

BAT_SYS

13

mΩ

Charger Current 

Soft-Start Time

t

CHG_SOFT

1

ms

PRECHARGE

Precharge Current

I

PCHG

IPChg[1:0] = 00

5

%I

FCHG

IPChg[1:0] = 01

10

IPChg[1:0] = 10

20

IPChg[1:0] = 11, R

SET

 = 20kΩ

27

30

33

Prequalification 

Threshold

V

PCHG

VPChg[2:0] = 000

5.7

V

VPChg[2:0] = 001

5.8

VPChg[2:0] = 010

5.9

VPChg[2:0] = 011

6.0

VPChg[2:0] = 100

6.1

VPChg[2:0] = 101

6.2

VPChg[2:0] = 110

6.3

VPChg[2:0] = 111

6.4

Prequalification 

Threshold Hysteresis

V

PCHG_H

100

mV

MAX14748

USB Type-C Charger

www.maximintegrated.com

Maxim Integrated  •”‚

  6

Electrical Characteristics (continued)

background image

(V

BAT

 = 8.3V, T

A

 = -40 °C to +85 °C, all registers in their default state, unless otherwise noted. Typical values are at V

CHGIN

 = 5.0V, 

V

BAT

 =7.4V, V

SYS

 = V

BATREG

, T

A

 = +25 °C.)

PARAMETER

SYMBOL

CONDITIONS

MIN

TYP

MAX

UNITS

FAST CHARGE
SET Current Gain Factor

K

SET

10000

A/A

SET Regulation Voltage

V

SET

1

V

Fast-Charge Current

I

FCHG

R

SET

 = 20kΩ

0.43

0.5

0.57

A

R

SET

 = 20kΩ, T = 25 °C

0.475

0.5

0.525

R

SET

 = 10kΩ

1

R

SET

 = 4kΩ

2.5

Fast-Charge Current 

Scaling

I

FCHG_T

T_T_IFChg[2:0] = 000

20

%I

FCHG

T_T_IFChg[2:0] = 001

30

T_T_IFChg[2:0] = 002

40

T_T_IFChg[2:0] = 003

50

T_T_IFChg[2:0] = 004

60

T_T_IFChg[2:0] = 005

70

T_T_IFChg[2:0] = 006

80

T_T_IFChg[2:0] = 007

100

1/2 Fast-Charge Current 

Comparator Threshold

I

FC_HALF

50

%I

FCHG

1/5 Fast-Charge Current 

Comparator Threshold

I

FC_FIFTH

20

%I

FCHG

MAINTAIN CHARGE

Charge Done 

Qualification

I

CHG_DONE

ChgDone[1:0] = 00

5

%I

FCHG

ChgDone[1:0] = 01

10

ChgDone[1:0] = 10, R

SET

 = 20kΩ

18

20

22

BAT Regulation Voltage

V

BATREG

BatReg[1:0] = 00, T

A

 = +25 °C

8.258 

8.3

8.342

V

BatReg[1:0] = 00,  

T

A

 = -40 °C to +85 °C

8.217

8.3

8.383

BatReg[1:0] = 01

8.4

BatReg[1:0] = 10

8.5

BatReg[1:0] = 11

8.6

BAT Recharge 

Threshold

V

BATRECHG

BatReChg[1:0] = 00

200

mV

BatReChg[1:0] = 01

300

BatReChg[1:0] = 10

400

BatReChg[1:0] = 11

500

CHARGE TIMER

Maximum 

Prequalification Time

t

PCHG

PChgTmr[1:0] =00

30

min

PChgTmr[1:0] = 01

60

PChgTmr[1:0] = 10

120

PChgTmr[1:0] = 11

240

MAX14748

USB Type-C Charger

www.maximintegrated.com

Maxim Integrated  •”‚

  7

Electrical Characteristics (continued)

background image

(V

BAT

 = 8.3V, T

A

 = -40 °C to +85 °C, all registers in their default state, unless otherwise noted. Typical values are at V

CHGIN

 = 5.0V, 

V

BAT

 =7.4V, V

SYS

 = V

BATREG

, T

A

 = +25 °C.)

PARAMETER

SYMBOL

CONDITIONS

MIN

TYP

MAX

UNITS

Maximum Fast-Charge 

Time

t

FCHG

FChgTmr[1:0] = 00

75

Min

FChgTmr[1:0] = 01

150

FChgTmr[1:0] = 10

300

FChgTmr[1:0] = 11

600

Maintain Charge Time

t

TOCHG

MtChgTmr[1:0] = 00 

0

Min

MtChgTmr[1:0] = 01

15

MtChgTmr[1:0] = 10

30

MtChgTmr[1:0] = 11

60

Timer Accuracy

t

ACC

-10

+10

%

Timer Extend Threshold

P

TIMERX

If charge current is reduced due to 

I

LIM

 or T

DIE

, this is the percentage 

of charge current below which 

timer clock operates at half speed

50

%

Timer Suspend 

Threshold

P

TIMERSUS

If charge current is reduced due to 

I

LIM

 or T

DIE

, this is the percentage 

of charge current below which 

timer clock pauses

20

%

THERMISTOR MONITOR AND NTC DETECTION

THM Hot Threshold

T4

V

THM

 falling, WarmCoolSel = 0

21.3

23.3

25.3

%V

TPU

V

THM

 falling, WarmCoolSel = 1

30.9

32.9

34.9

THM Warm Threshold

T3

V

THM

 falling, WarmCoolSel = 0

30.9

32.9

34.9

%V

TPU

V

THM

 falling, WarmCoolSel = 1

46.5

50

53.5

THM Cool Threshold

T2

V

THM

 rising, WarmCoolSel = 0 or 1

62.5

64.5

66.5

%V

TPU

THM Cold Threshold

T1

V

THM

 rising, WarmCoolSel = 0 or 1

71.9

73.9

75.9

%V

TPU

THM Disable Threshold

V

THM_DIS

V

THM

 rising

91.0

93.0

95.0

%V

TPU

THM Threshold Hysteresis

V

THM_DIS_H

60

mV

JEITA BAT Voltage 

Reduction

V

BAT_JEITA

300

mV

THM Input Leakage

I

THM_LK

-1

+1

µA

THM Detection Time

t

THM_DET

0.35

ms

DIGITAL I/O (SDA, SCL, 

FLTIN

, INT, SYSOK, FSUS, LED, CDIR)

Leakage Current

I

IO_LK

-1

+1

µA

Logic Input High-Voltage

V

IO_IH

1.4

V

Logic Input Low-Voltage

V

IO_IL

0.5

V

Logic Output Low-Voltage

V

IO_OL

I

OL

 = 4mA

0.4

V

FSUS Input Pulldown 

Resistance

R

FSUS_PD

470

kΩ

SDA, SCL Bus Low-

Detection Current

I

PD

V

SDA

 = V

SCL

 = 0.4V

0.2

0.4

µA

SCL Clock Frequency

f

SCL

Note 3

0

400

kHz

MAX14748

USB Type-C Charger

www.maximintegrated.com

Maxim Integrated  •”‚

  8

Electrical Characteristics (continued)

background image

(V

BAT

 = 8.3V, T

A

 = -40 °C to +85 °C, all registers in their default state, unless otherwise noted. Typical values are at V

CHGIN

 = 5.0V, 

V

BAT

 =7.4V, V

SYS

 = V

BATREG

, T

A

 = +25 °C.)

PARAMETER

SYMBOL

CONDITIONS

MIN

TYP

MAX

UNITS

Bus Free Time Between 

a STOP and START 

Condition

t

BUF

1.3

µs

START Condition 

(Repeated) Hold Time

t

HD_SDA

Note 3

0.6

µs

Low Period of SCL 

Clock

t

LOW

1.3

µs

High Period of SCL 

Clock

t

HIGH

0.6

µs

Setup Time for a 

Repeated START 

Condition

t

SU_STA

0.6

µs

Data Hold Time

t

HD_DAT

Note 4

0

0.9

µs

Data Setup Time

t

SU_DAT

Note 4

100

ns

Setup Time for STOP 

Condition

t

SU_STO

0.6

µs

Spike Pulse Widths 

Suppressed by Input 

Filter

t

SP

Note 5

50

ns

BC1.2 DETECTION
V

DP_SRC

 Voltage

V

DP_SRC

/V

SRC06

I

LOAD

 = 0 to 200 µA

0.5

0.6

0.7

V

V

DM_SRC

 Voltage

V

DM_SRC

/V

SRC06

I

LOAD

 = 0 to 200 µA

0.5

0.6

0.7

V

V

D33

 Voltage

V

SRC33

I

LOAD

 = 0 to 365 µA

2.6

3.4

V

V

DAT_REF

 Voltage

V

DAT_REF

0.25

0.32

0.4

V

V

LGC

 Voltage

V

LGC

1.5

1.7

1.9

V

I

DM_SINK

 Current

I

DM_SINK

/I

DATSINK

0.15V to 3.6V

55

80

105

µA

I

DP_SRC

 Current

I

DP_SRC

/I

DCD

0V to 2.5V

7

10

13

μA

R

DM_DWN

 Resistor

R

DM_DWN

/R

DWN15

12

20

24

kΩ

I

WEAK

 Current

I

WEAK

0.01

0.1

0.5

µA

V

BUS31

 Threshold

V

BUS31

DP and DN pins. Threshold in 

percent of V

BUS

 voltage 

4V < V

BUS

 < 5.5V

26

31

36

%

V

BUS47

 Threshold

V

BUS47

DP and DN pins. Threshold in 

percent of V

BUS

 voltage 

4V < V

BUS

 < 5.5V

43.3

47

51.7

%

V

BUS64 

Threshold

V

BUS64

DP and DN pins. Threshold in 

percent of V

BUS

 voltage 

4V < V

BUS

 < 5.5V

57

64

71

%

MAX14748

USB Type-C Charger

www.maximintegrated.com

Maxim Integrated  •”‚

  9

Electrical Characteristics (continued)

background image

(V

BAT

 = 8.3V, T

A

 = -40 °C to +85 °C, all registers in their default state, unless otherwise noted. Typical values are at V

CHGIN

 = 5.0V, 

V

BAT

 =7.4V, V

SYS

 = V

BATREG

, T

A

 = +25 °C.)

PARAMETER

SYMBOL

CONDITIONS

MIN

TYP

MAX

UNITS

Charger Detection Debounce

t

CDDEB

45

50

55

ms

Primary-to-Secondary Timer

t

PDSDWAIT

27

35

39

ms

Proprietary Charger 

Debounce

t

PRDEB

5

7.5

10

ms

Data Contact Detect 

Timeout

t

DCDTMO

DCD2s = 0

700

800

900

ms

DCD2s = 1

1.8

2.0

2.2

DP/DN Overvoltage 

Debounce

t

OVDXDEB

90

100

110

µs

OVDX Comparator 

OVDX

THRESHOLD

Rising

0

0.15

V

Falling

-0.04

+0.08

CDP/CDN Pulldown 

Resistor

R

CDP/CDN_PD

3

6

12

mΩ

TYPE-C DETECTION
V

CONN

 Switch Voltage Drop

V

CONN_REQ

V

CONN

 = 5.5V, I

CC_LOAD

 = 20mA

5.5

5.6

V

V

CONN

 Bulk Capacitance

C

VCONN

10

220

µF

CC Pin Operational 

Voltage Range

V

CONN_RNG

5.5

V

CC Pin Voltage in DFP 

3.0A Mode

V

CC_PIN30

3.1

V

CC Pin Voltage in DFP 

1.5A Mode

V

CC_PIN15

1.85

V

CC Pin Low-Power Mode 

Pulldown Resistance

R

LPPD_CC_

170

kΩ

CC Pin Low-Power Mode 

Voltage Threshold

V

LP_CC_

Rising

0.7

V

CC Pin Clamp Requirements

V

CC_PIN_CLAMP

60 µA ≤ I

CC_

≤ 600 µA

1.1

1.32

V

CC UFP Pulldown Resistance

R

DUFP_CC_

4.59

5.1

5.61

kΩ

CC DFP 0.5A Current 

Source

I

DFP0.5_CC_

72

80

88

µA

CC DFP 1.5A Current 

Source

I

DFP1.5_CC_

165.6

180

194.4

µA

CC DFP 3.0A Current 

Source

I

DFP3.0_CC_

303.6

330

356.4

µA

CC R

A

 and R

D

 Threshold

V

RA_RD0.5

Rising

0.16

0.2

0.25

V

Falling

0.15

CC UFP 0.5A R

D

 

Threshold

V

UFP_RD0.5

Rising

0.62

0.66

0.7

V

Falling

0.61

CC UFP 1.5A R

D

 

Threshold

V

UFP_RD1.5

Rising

1.17

1.23

1.31

V

Falling

1.16

CC V

CONN

 Detect 

Threshold

V

VCONN_DET

Rising

2.11

2.25

2.4

V

Falling

2.1

MAX14748

USB Type-C Charger

www.maximintegrated.com

Maxim Integrated  •”‚

  10

Electrical Characteristics (continued)

background image

(V

BAT

 = 8.3V, T

A

 = -40 °C to +85 °C, all registers in their default state, unless otherwise noted. Typical values are at V

CHGIN

 = 5.0V, 

V

BAT

 =7.4V, V

SYS

 = V

BATREG

, T

A

 = +25 °C.)

PARAMETER

SYMBOL

CONDITIONS

MIN

TYP

MAX

UNITS

CC DFP V

OPEN

 Detect 

Threshold

V

DFP_VOPEN

Rising

1.51

1.575

1.65

V

Falling

1.5

CC DFP V

OPEN

 with 

3.0A Detect Threshold

V

DFP_VOPEN3A

Rising

2.46

2.6

2.75

V

Falling

2.45

V

V

BUS

 Valid

V

BDET

Rising

3.8

4.12

4.4

V

V

BUS

 Valid Hysteresis

V

BDET_H

Falling hysteresis

0.7

V

V

BUS

 Discharge Value

V

SAFE0V

Falling. Voltage level where a 

connected UFP will find V

BUS

 

removed.

0.6

0.7

0.84

V

Rising hysteresis

100

mV

CC Pin Power-Up Time

t

CLAMPSWAP

The maximum time allowed from 

removal of voltage clamp to 

attachment of the 5.1k resistor

15

ms

Type-C CC Pin 

Detection Debounce

t

CCDEB

100

200

ms

Type-C Debounce

t

PDDEB

10

20

ms

Type-C Quick Debounce

t

QDEB

0.9

1

1.9

ms

V

BUS

 Debounce

t

VBDEB

9

10

11

ms

V

SAFE0V

 Debounce

t

VSAFE0VDEB

9

10

11

ms

Type-C Error Recovery 

Delay

t

ERRORRECOVERY

25

ms

Type-C DRP Toggle 

Time

t

DRP

50

100

ms

Duty Cycle of DRP 

Swap

D

DRP

Duty cycle of UFP to DFP role 

swap

30

70

%

DRP Transition Time

t

DRPTRAN

Time a role swap from DFP to UFP 

or reverse is completed

1

ms

DRP Lock Time

t

DRPLOCK

DRP Lock wait time before 

transition to unattached state

100

150

ms

V

CONN 

Enable Time

t

VCONNON

Time from when V

BUS

 is supplied 

in DFP mode in state Attach.DFP.

DRPWait

10

ms

V

CONN 

Disable Time

t

VCONNOFF

Time from UFP detached or as 

directed by I

2

C command until 

V

CONN 

is removed

35

ms

MAX14748

USB Type-C Charger

www.maximintegrated.com

Maxim Integrated  •”‚

  11

Electrical Characteristics (continued)

background image

(V

BAT

 = 8.3V, T

A

 = -40 °C to +85 °C, all registers in their default state, unless otherwise noted. Typical values are at V

CHGIN

 = 5.0V, 

V

BAT

 =7.4V, V

SYS

 = V

BATREG

, T

A

 = +25 °C.)

Note 2:  All devices are 100% production tested at T

A

 = +25 °C. Limits over the operating temperature range are guaranteed by 

design and characterization.

Note 3: f

SCL

 must meet the minimum clock low time plus the rise/fall times.

Note 4:   The maximum t

HD:DAT

 has to be met only if the device does not stretch the low period (t

LOW

) of the SCL signal.

Note 5:  Filters on SDA and SCL suppress noise spikes at the input buffers and delay the sampling instant.

PARAMETER

SYMBOL

CONDITIONS

MIN

TYP

MAX

UNITS

CC Pin Current Change 

Time

t

SINKADJ

Time from CC pin changes state in 

UFP mode until current drawn from 

DFP reaches new value

60

ms

V

BUS

 On-Time

t

VBUSON

 

Time from UFP is attached until 

V

BUS

 On

275

ms

V

BUS

 Off-Time

t

VBUSOFF

Time from UFP is detached until 

V

BUS

 reaches V

SAFE0V

650

ms

BVCEN Output Low-

Voltage

V

BVCEN_OL

I

SINK

 = 1mA

0.4

V

BVCEN Output High-

Voltage

V

BVCEN_OH

I

SOURCE

 = 1mA

V

CCINT 

 - 0.4

V

MAX14748

USB Type-C Charger

www.maximintegrated.com

Maxim Integrated  •”‚

  12

Electrical Characteristics (continued)

background image

(V

BAT

 = 8.5V, T

A

 = -20 °C to +70 °C, all registers in their default state, unless otherwise noted. Typical values are at V

CHGIN

 = 5.0V, 

V

BAT

 =7.4V, V

SYS

 = V

BATREG

, T

A

 = +25 °C.) 

MAX14748

USB Type-C Charger

Maxim Integrated  •”‚

  13

www.maximintegrated.com

Typical Operating Characteristics

7

7.2

7.4

7.6

7.8

8

0

800

1600

2400

3200

V

SYS

(V

)

I

CHGIN

(mA)

V

SYS

vs. I

CHGIN

toc04

V

BAT

= 7.4V

SpvChgILim[4:0] = 11101

SpvChgILim[4:0] = 01110

SpvChgILim[4:0] = 00100

4.9

4.94

4.98

5.02

5.06

5.1

0

100

200

300

400

500

V

CHG

IN

(V

)

I

CHGIN

(mA)

BUCK OUTPUT LOAD REGULATION

toc05

V

BAT

= 7.4V

50

60

70

80

90

100

0

300

600

900

1200

1500

EF

FI

CI

ENCY

 (%

)

I

SYS

(mA)

BOOST EFFICIENCY vs. LOAD

toc06

V

BAT

= 6.0V

V

BAT

= 8.6V

V

BAT

= 7.4V

INPUT: CHGIN
OUTPUT: SYS
L1 =  BOURNS SRP4012TA-2R2M

0

40

80

120

160

200

6

7

8

9

BA

TT

ER

Y I

NP

UT

 CURRE

NT

 I

BA

T

( µ

A) 

BATTERY VOLTAGE V

BAT

(V)

I

BAT

vs. V

BAT

toc01

LOW POWER MODE,
CHGIN FLOATING

TYPE-C ADAPTER 
ATTACHED

NOT LOW POWER 
MODE, CHGIN FLOATING

ChgEn =0

0

0.4

0.8

1.2

1.6

2

0

2

4

6

8

10

0.00

50.00

100.00

150.00

200.00

250.00

BA

TT

ER

Y CURRE

NT

 (A

)

BA

TT

ER

Y VO

LT

AG

E (

V)

TIME (MINUTE)

I

BAT

and V

BAT

vs. TIME

toc02

2200mAH BATTERY
ChgDone[1:0] = 00
IPChg[1:0] = 00
VPChg[2:0] = 001
R

SET

= 10k

W

VOLTAGE

CURRENT

6.5

6.9

7.3

7.7

8.1

8.5

0

500

1000

1500

2000

V

SYS

(V

)

I

SYS

(mA)

V

SYS

vs. I

SYS

toc03

V

BAT

= 7.4V

SpvChgILim[4:0] = 11101

SpvChgILim[4:0] = 01110

SpvChgILim[4:0] = 00100

50

60

70

80

90

100

0

100

200

300

400

500

EF

FI

CI

ENCY

 (%

)

I

CHGIN

(mA)

REVERSE BUCK 

EFFICIENCY vs. LOAD

toc07

BBFrxZX = 0

INPUT: BAT
OUTPUT: CHGIN
L1 =  BOURNS SRP4012TA-2R2M

BBFrxZX = 1

toc08

2ms/div

BOOST TRANSIENT RESPONSE

V

SYS

1V/div

I

SYS

500mA/div

V

BAT

= 7.4V, 

ChgEn = 0

500mA/div

toc09

200

ms/div

BUCK TRANSIENT RESPONSE

(BBFrxZX = 1)

V

SYS

1V/div

I

CHGIN

V

CHGIN

I

INDUCTOR

500mA/div

1V/div

background image

(V

BAT

 = 8.5V, T

A

 = -20 °C to +70 °C, all registers in their default state, unless otherwise noted. Typical values are at V

CHGIN

 = 5.0V, 

V

BAT

 =7.4V, V

SYS

 = V

BATREG

, T

A

 = +25 °C.) 

MAX14748

USB Type-C Charger

Maxim Integrated  •”‚

  14

www.maximintegrated.com

Typical Operating Characteristics (continued)

0

400

800

1200

1600

2000

0

20

40

60

80

100

B

A

T

T

E

R

Y

 CURRE

NT

 (

m

A

)

R

SET

(k

W)

FAST CHARGE CONSTANT 

CURRENT vs. R

SET

toc13

500mA/div

toc10

200

ms/div

BUCK TRANSIENT RESPONSE

(BBFrxZX = 0)

V

SYS

1V/div

I

CHGIN

V

CHGIN

I

INDUCTOR

500mA/div

1V/div

toc16

TIME (0.2ns/div)

EYE DIAGRAM

(WITH DEVICE PRESENT)

U

SB D

IF

FER

EN

TI

AL

 SI

G

N

AL

 (V)

0.1V/div

V

L3OUT

= 3.0V

I

SYS

= 300mA

40

44

48

52

56

60

-40

-15

10

35

60

85

CHA

RG

ING

 CURRE

NT

 I

BA

T

(mA

TEMPERATURE ( °C)

PRECHARGE CURRENT vs.

TEMPERATURE

toc11

R

SET

= 10k

W

IPChg[1:0] = 00

900

940

980

1020

1060

1100

-40

-15

10

35

60

85

CHA

RG

ING

 CURRE

NT

 I

BA

T

(mA

TEMPERATURE ( °C)

FAST CHARGE CONSTANT

CURRENT vs. TEMPERATURE

toc12

R

SET

= 10k

W

8

8.2

8.4

8.6

8.8

9

-40

-15

10

35

60

85

BA

TT

ER

Y R

EG

U

LA

TI

O

N

 VO

LT

AG

E (

V)

 

TEMPERATURE ( °C)

BATTERY REGULATION 

VOLTAGE vs. TEMPERATURE

toc14

R

SET

= 10k

W

toc15

TIME (2ns/div)

EYE DIAGRAM

(WITHOUT DEVICE PRESENT)

U

SB D

IF

FER

EN

TI

AL

 SI

G

N

AL

 (V)

0.1V/div

background image

MAX14748

USB Type-C Charger

www.maximintegrated.com

Maxim Integrated  •”‚

  15

Bump Configurations

1

2

3

4

A

B

C

D

GND

THM

VTPU

GND

BREG

FSUS

E

5

SYSOK

NVP

SDA

LED

GND

CC1

SCL

CC2

CDN

6

FLINT

COMP

CHGIN

GND

F

CDIR

CDP

TDP

CHGIN

INT

VCONN

BST

TPU

DGND

TDN

SYS

SET

BYP

PGND

LX

SYS

BAT

BYP

PGND

LX

7

CHGIN

CHGIN

SYS

BAT

BYP

PGND

LX

SYS

BAT

BYP

PGND

LX

8

9

TOP VIEW 

(BUMP SIDE DOWN)

MAX14748

WLP

3.968mm x 2.768mm

VCCINT

SFOUT

BVCEN

background image

BUMP

NAME

FUNCTION

A1

AGND

Analog Ground.

A2

FLTIN

Charger Fault Input.  Logic-low on this pin forces the charger into a fault state and generates an 

interrupt. See Register 0x35 description for more information. Connect to digital I/O supply if not used. 

A3

SYSOK

Open-Drain Status Output of SYS Regulation. When V

SYS

 is above the SYS UVLO threshold and Boost 

is active, this output is high-impedance. When V

SYS

 is below the SYS UVLO threshold, this output is 

low. Leave unconnected if not used. 

A4

TPU

High-Side of Internal Resistor for THM Detection. Connect a 10k resistor between this pin and THM.

A5

COMP

Buck/Boost Converter Compensation Connection. Connect a 3.9nF capacitor for internal Buck/Boost 

compensation

A6

SET

External Resistor Connection for Fast Charge Current Setting.  Connect a resistor to this pin to set the 

fast charge current.  Other charge currents are set as a proportion of fast charge current based on I

2

register settings. 

A7-A9

BAT

Battery Connection. Connect a 2s Li-ion+ battery from BAT to GND. Bypass to PGND with a parallel combination 

of a 0.1 µF capacitor and an effective 10 µF - 30 µF capacitor. Keep the capacitors as close to BAT as possible and 

keep the stray inductance and resistance of the trace from BAT to the battery terminal as low as possible. 

B1

CC2

USB Type-C CC2. Connect to CC2 on USB Type-C connector.

B2

FSUS

Force Suspend Input. Logic-high on this pin causes the input limiter to open and input current from CHGIN is reduced 

to zero. This pin is internally pulled to GND through a 470kΩ (typ) resistor and has no effect if FSUSMsk = 1. 

B3

DGND

Digital Ground.

B4

V

TPU

External Voltage Input for TPU connection.  Connect to external supply or V

CCINT

.

B5

BREG

Bypass for Internal Switching Converter Supply.  Bypass with 1 µF capacitor to AGND.

B6-B9

SYS

System Load Connection. Connect SYS to the system load. Bypass to PGND with a parallel combination 

of a 0.1 µF capacitor and an effective 22 µF capacitor. (Note: there is a diode between SYS and BAT)

C1

V

CONN

External V

CONN

 Supply Input. Leave unconnected if not used.

C2

SCL

I

2

C Serial Clock Input.  Connect an external pull-up resistor.

C3

V

CCINT

Bypass For Internal Analog Supply.  Bypass with 1 µF capacitor to GND.

C4, D4, 

D5

GND

Ground.

C5

BST

Charge Pump Connection.  Connect a 0.1 µF capacitor between BST and LX.

C6, C7, 

C8, C9

LX

Switching Node of Boost Converter. Connect a 1.5 µH or 2.2 µH inductor between LX and BYP. See 

Applications Information section for more details.

D1

CC1

USB Type-C CC1. Connect to CC1 on USB Type-C connector.

D2

SDA

I

2

C Serial Data Input/Output.  Connect an external pullup resistor.

D3

INT

Active-Low, Open-Drain Interrupt Output. Connect an external pullup resistor.

D6, D7, 

D8, D9

PGND

Power Ground.

MAX14748

USB Type-C Charger

www.maximintegrated.com

Maxim Integrated  •”‚

  16

Bump Description

background image

BUMP

NAME

FUNCTION

E1

CDN

USB Connector D-Input. Leave unconnected if not used.

E2

LED

LED Charging Status Indicator. Open-drain output indicating battery charging status.  When LEDAuto = 1 and 

a temperature fault is detected, the output is pulsed at 50% duty cycle for a period of 1.5s.  When a charge 

timer expires or SysFlt fault occurs, LED is pulsed at 50% for a period of 0.15s. When LEDAuto = 0, the open-

drain output is controlled by the LEDCtrl bit. Connect this pin to GND if unused.  

E3

THM

Battery Temperature Thermistor Measurement Connection. This pin is used for NTC thermistor presence 

detection and JEITA compliant temperature control.

E4

SFOUT

Output of overvoltage protected LDO powered from CHGIN. Bypass SFOUT with a 1 µF ceramic 

capacitor to GND.

E5

CDIR

USB Cable Orientation Open-drain Output. When CC1 is active, this output is pulled low.  Otherwise, this 

output is high-impedance. Leave unconnected if not used.

E6-E9

BYP

Bypass Connection. Bypass to PGND with a parallel combination of a 0.1 µF capacitor and an effective 

10 µF capacitor.

F1

CDP

USB Connector D+ Input. Leave unconnected if not used.

F2

TDP

USB Transceiver D+ Connection. Connect TDP to device microprocessor USB transceiver D+ line. 

Leave unconnected if not used.

F3

TDN

USB Transceiver D- Connection. Connect TDN to device microprocessor USB transceiver D- line. Leave 

unconnected if not used.

F4

BVCEN

External V

CONN

 Supply Enable Output.  Push-pull output between V

CCINT

 and GND. Leave 

unconnected if not used.

F5

NVP

Negative Voltage PFET Gate Control. Leave unconnected if not used.

F6-F9

CHGIN

USB Charger Input. Bypass this pin with a 1 µF capacitor to PGND.

Note: All capacitance values listed in this document refer to effective capacitance. Be sure to specify capacitors that will meet these 

requirements under typical system operating conditions taking into consideration the effects of voltage and temperature.

MAX14748

USB Type-C Charger

www.maximintegrated.com

Maxim Integrated  •”‚

  17

Bump Description (continued)

background image

MAX14748

USB Type-C Charger

www.maximintegrated.com

Maxim Integrated  •”‚

  18

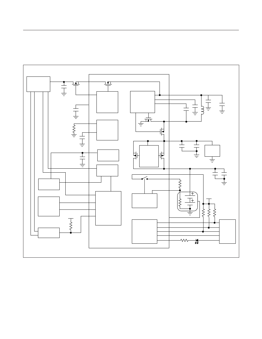
Block Diagram

background image

Detailed Description

The MAX14748 is a battery charger with a Smart Power 

Selector that safely charges two Li+ cell in accordance 

with JEITA specifications*. 

Input OVP

The MAX14748 CHGIN input is protected by an internal 

N-channel FET. The device monitors the voltage at 

CHGIN and, if CHGIN is greater than V

OVP

, switches 

off the internal FET to prevent damage to the device. 

If V

CHGIN

 is above the overvoltage threshold or below 

the USB valid voltage threshold, the MAX14748 enters  

overvoltage lockout (OVLO). During OVLO, the internal  

circuits remain powered, the SYSOK pin is high-impedance, 

and an interrupt is asserted. During OVLO, the charger 

turns off and the system load switch closes, allowing the 

battery to power SYS.

Negative Voltage Protection (NVP)

The MAX14748 provides a gate protection circuit for an 

external PFET that protects against negative voltages on 

V

BUS

. NVP pin drives the gate of the external PFET. If a 

negative voltage is present on V

BUS

, e.g., by a backwards  

connector, the NVP turns off the external PFET, therefore  

providing negative voltage protection.

Low Power Mode

The MAX14748 features a Low Power mode, which 

reduces the battery current consumption from 25 µA to 

140 µA. To enter Low Power mode, write 1 to LowPowEn 

(Register 0x33[7]). To manually exit Low Power mode, 

set LowPowAbort (Register 0x33[1]) to 1. If a DFP pullup 

connect to CC1/CC2 is detected, the device automatically 

exits Low Power mode and resumes normal operations.

Input Current Limiter

The primary function of the input limiter is supplying 

power from the external adapter at CHGIN to the system 

load and battery charger. In addition, it performs several 

other functions to optimize use of the available power 

efficiently and safely, including: 

1)  CHGIN Input Current Limiting: The CHGIN input current is 

limited to prevent input overload. The current limit can be 

automatically selected through charger detection to match 

the capabilities of the source. The result is indicated by 

 for more 

details. It can also be manually set through CurLim1Frc 

 illustrates 

how the current limit setting is selected. 

2)  Thermal Limiting: In case the die temperature  

exceeds the normal limit (T

CHG_LIM

), the MAX14748 

will attempt to limit temperature increase by reducing 

the input current at CHGIN. In this condition, the 

system load has priority over charger current, so the 

input current is first reduced by lowering the charge 

current. If the junction temperature continues to rise 

and reaches the maximum operating limit (T

BUS_LIM

), 

no input current is drawn from CHGIN and the battery 

powers the entire system load.

3)  Adaptive Battery Charging: While the system is 

powered from CHGIN, the charger draws power from 

SYS to charge the battery. If the total load exceeds 

the input current limit, the battery supplies supplmental 

current to the load.

4)  Adaptive Input Current Limiting: If the MAX14748 

input current limit is programmed in such a way that 

the adapter voltage collapses due to resistive drop, 

current limiting, or poor load transient response, 

the AICL loop allows the MAX14748 to regulate the 

input voltage above a value needed to ensure proper 

operation. 

the AICL block and associated parameters are found 

in the registers 0x2C to 0x2E.

*JEITA (Japan Electronics and Information Technology Industries Association) Standard, A Guide to the Safe Use of Secondary 

Lithium Ion Batteries on Notebook-Type Personal Computers, April 20, 2007.

MAX14748

USB Type-C Charger

www.maximintegrated.com

Maxim Integrated  •”‚

  19

background image

Table 1a. Automatic Input Current Limit Control

ChgTyp[1:0]

PrChgTyp[2:0]

CCIStat[1:0]

SDPMaxCur[1:0] CDPMaxCur[1:0]

I

LIM

SpvChgIlim[4:0]

†śxx†ť

†śxxx†ť

†ś11 = 3A†ť

†ś00†ť

†ś0†ť

3A

0x1D

†ś11 = 1.5A†ť

†śxxx†ť

†ś11 = 3A†ť

†śxx†ť

†śx†ť

3A

0x1D

†śxx†ť

†ś110 = 3A†ť

†śxx†ť

†śxx†ť

†śx†ť

3A

0x1D

†śxx†ť

†ś101 = 2.4A†ť

†ś00†ť or 

†ś01 = 500mA†ť or  

†ś10 = 1.5A†ť

†śxx†ť

†śx†ť

2.4A

0x17

†śxx†ť

†ś100 = 2A†ť or 

†ś001 = 2A†ť

†ś00†ť or 

†ś01 = 500mA†ť or  

†ś10 = 1.5A†ť

†śxx†ť

†śx†ť

2A

0x13

†ś1x = 1.5A†ť

†ś000†ť or  

†ś010 = 500mA†ť

†ś00†ť or 

†ś01 = 500mA†ť or  

†ś10 = 1.5A†ť

†śxx†ť

†śx†ť

1.5A

0x0E

†ś1x = 1.5A†ť

†ś000†ť or  

†ś010 = 500mA†ť 

or †ś011 = 1A†ť

†ś10 = 1.5A†ť

†śxx†ť

†śx†ť

1.5A

0x0E

†śxx†ť

†ś011 = 1A†ť

†ś00†ť or 

†ś01 = 500mA†ť

†śxx†ť

†śx†ť

1A

0x09

†ś01 = 500mA†ť

†ś000†ť or †ś010 = 

500mA†ť

†ś00†ť or 

†ś01 = 500mA†ť

†śxx†ť

†śx†ť

0.5A

0x04

†ś01 = 500mA†ť

†ś000†ť

†ś10 = 1.5A†ť or 

†ś11 = 3A†ť

01

†śx†ť

0.5A

0x04

†ś01 = 500mA†ť

†ś000†ť

†ś10 = 1.5A†ť or 

†ś11 = 3A†ť

10

†śX†ť

1.0A

0x09

†ś01 = 500mA†ť

†ś000†ť

†ś10 = 1.5A†ť or 

†ś11 = 3A†ť

11

†śx†ť

1.5A

0x0E

†ś10 = 1.5A†ť

†ś000†ť

†ś11 = 3A†ť

xx

†ś1†ť

1.5A

0x0E

†ś00†ť

†śxxx†ť

†śxx†ť

†śxx†ť

†śx†ť

NA

NA

MAX14748

USB Type-C Charger

www.maximintegrated.com

Maxim Integrated  •”‚

  20

background image

Figure 1. Input Current Limit Settings Flow Diagram

MAX14748

USB Type-C Charger

www.maximintegrated.com

Maxim Integrated  •”‚

  21

NO

NO

NO

YES

YES

T

DIE

 > 150 °C

ILIM = 0

ILIM = 0

ILIM = WEAK BATTERY 

CURRENT LIMIT

FSUS PIN = 

HIGH

FSUSMsk = 1

WEAK 

BATTERY

YES

YES

YES

NO

CurLim1Frc

ILIM = CurLim1Set[4:0] 

value

AICLAbort = 0 

AND AICLEn =1

ILIM SET BY AICL

ILIM = Auto

(USB-C/BC1.2)

NO

NO

FAULT CONDITION

MANUAL SETTING

YES

background image

Figure 2. AICL Operation Flow Diagram

MAX14748

USB Type-C Charger

www.maximintegrated.com

Maxim Integrated  •”‚

  22

AICL INCREMENT

INPUT CURRENT = MIN

 (STOP CURRENT, INPUT CURRENT + 100mA)

AICL PRECHECK

STOP CURRENT = AICLMaxI[4:0]

INPUT CURRENT = PREVIOUS SETTING

AICL IDLE

INPUT CURRENT = STOP CURRENT

AICL BLANK

INPUT CURRENT = 0, 

STOP CURRENT = INPUT CURRENT - 100mA

VBDET MASKED AND OVP CLOSED

AICLAbort = 0 AND
AICLEn = 1

V

BYP

 <  V

BYPUVLO

AND TBLANK TIMEOUT

V

BYP

 > V

BYPUVLO

 

AND 

V

CHGIN

 > V

BDET

V

BYP

 < V

BYPUVLO

 

AICL OFF

STOP CURRENT = 500mA

MIN CURRENT = 100mA

INPUT CURRENT = PREVIOUS SETTING

AICL INIT

INPUT CURRENT = MIN CURRENT

V

BYP

 

> V

BYPUVLO

 AND 

INPUT CURRENT = STOP CURRENT

V

BYP

 < V

BYPUVLO

 

TSTEP 
TIMEOUT

AICLAbort = 1

AICLEn = 1

AICL NO CONNECTION

INPUT CURRENT = PREVIOUS SETTING

STOP CURRENT = 500mA

ChgStat[3:0] •‰   0011

background image

Boost Converter with Reverse Buck 

Boost Mode

The MAX14748 boost converter operates as either a 

current-limited voltage source, or current source, depending 

on the charger operational state. When a valid USB voltage 

is present at CHGIN, and the charger is disabled, V

SYS

  

is regulated to V

BAT

 + 400mV.  If the charger is in  

precharge mode, V

SYS

 is regulated to V

PCHG

 + 400mV. 

When the system is in fast-charge mode, the boost  

converter operates as a current source, delivering 

 

current into the SYS node that is shared by the battery 

and system loads.

The boost converter current limit may be acted upon 

by multiple system blocks, including the programmed 

input current limit, thermal status, charging current, SYS  

regulation voltage block, and battery termination voltage 

block. The minimum requested current from these blocks 

at any given time determines the active current limit in 

the boost.

Reverse Buck Mode

The CHGIN-SYS switching converter may operate as a 

buck converter when needed to supply a load attached to 

CHGIN.  The load may be a Type-C sink or some other 

proprietary device.  
If Type-C DRP operation is enabled, the buck converter 

can be enabled by the Type-C state machine. The output 

voltage of the buck can be programmed from 4V to 5.5V 

in 0.1V steps by writing to BuckVSet[3:0], however, it is 

not recommended to change the output voltage when the 

buck is active. 
The output of the buck converter turns off when a 

fault occurs. The specific fault occurred is indicated by 

DCDCILim, DCDCRunAway, DCDCPGood status bits 

(register 0x04). See Register Descriptions for more 

details. When the buck is disabled due to a fault, both 

VBUSDet (register 0x07) and VSAFE0V (register 0x0A) 

change to 0. After the fault condition is removed, the buck 

converter can be restarted by writing 1 to CCSnkRst, 

CCSrcRst, CCForceError, or USBCRset auto-reset bits.

MAX14748

USB Type-C Charger

www.maximintegrated.com

Maxim Integrated  •”‚

  23

background image

Smart Power Selector

The Smart Power Selector seamlessly distributes power 

between CHGIN, battery (BAT) and the system (SYS). 

The basic modes of operation of the smart power selec-

tor are:
1.  With a valid external power source: 

a.  The external power source at CHGIN is the  

primary source of energy.

b.  The battery is the secondary source of energy.
c.  Energy delivery to SYS is the highest priority.
d.  Any energy that is not required by SYS is available 

to the battery.

2.  With no power source available at CHGIN: 

a.  The battery is the primary source of energy.
b.  Energy delivery to SYS has the highest priority.

3.  With a Type-C Sink or other load present at CHGIN: 

a.  The battery is the primary source of energy.
b.  Energy delivery to SYS is the highest priority.
c.  Energy delivery to BYP is the second highest 

priority.

4.  SYS Regulation Voltage: 

a.  When the charger path is enabled and the 

charger is disabled, V

SYS

 is regulated to V

BAT

 + 

400mV and BAT switch is off. 

b.  When the charger is enabled but in a non-charging 

state such as maitain charge done, thermistor 

suspend, or timer fault, V

SYS

 is regulated to 

V

BAT

 + 400mV and BAT switch is off.

c.  When the input charger path is enabled and the 

battery is charging in prequalification, V

SYS

 is 

regulated to V

PCHG

 + 400mV. Charge current is 

reduced when V

SYS

 approaches V

PCHG

 + 200mV. 

d.  When the input charger path is enabled and the 

battery is charging in fast-charge or maintain charge 

done, the BAT switch is closed and V

SYS

 = V

BAT

. In 

maintain charge done state, the connection between 

SYS and BAT acts as an ideal diode. Therefore, 

when V

SYS

 drops below V

BAT

, the BAT switch is 

turned fully on and the battery supplements the SYS 

load along with the current from CHGIN.

e.  When the switching converter is enabled as a  

reverse buck, the BAT switch is closed and  

V

SYS

 = V

BAT

.

Short-Circuit Protection

The MAX14748 provides short-circuit protection to the 

power nodes. When SYS is shorted to ground, input  

current from CHGIN is limited by boost converter current 

limit. Note in this case, FET diode from BAT-SYS prevents 

control of FET BAT-SYS current. Battery current is not 

limited by the MAX14748 and a pack protector is needed 

to limit the battery current.   
When either BYP or CHGIN is shorted to ground, the current 

from BAT is limited by the reverse buck converter. 

USB Type-C 1.1

USB Type-C 1.1 UFP and DRP Support

The MAX14748 provides support for devices functioning as 

a Upstream Facing Port (UFP) or Dual Role Port (DRP) 

per the current USB Type-C 1.1 specification. When acting 

as a power source in DRP mode, the MAX14748 can provide 

a 5V V

BUS

 on the CHGIN pin through operation of the 

reverse buck converter. The USB Type-C V

CONN

 supply 

is provided externally via the V

CONN

 pin, and switched 

internally onto one of the CC pins. An open-drain output 

pin, BVCEN, is provided to enable the external V

CONN

 

supply based on the Type-C state machine output. 

 

BVCEN is a push-pull output between GND and V

CCINT

.  

USB BC1.2 Compliant and Nonstandard Charger 

Support

The BC1.2 charger detection and special charger detection 

routine is embedded within the Type-C state machine.  

The BC1.2 and Special Charger detection routine runs 

always when the state machine enters the †AttachWait.

SNK’ state of the USB Type-C 1.1 state-machine. 

USB Type-C Adapter Insertion

and 

depict the general timings when 

a USB Type-C adapter is attached. For more information 

on the behavior and timings of the USB Type-C 1.1 state-

machine, please refer to the USB Type-C specification.

MAX14748

USB Type-C Charger

www.maximintegrated.com

Maxim Integrated  •”‚

  24

background image

Figure 3a. Type-C Adapter Insertion (CHGINILimGate = 0)

MAX14748

USB Type-C Charger

www.maximintegrated.com

Maxim Integrated  •”‚

  25

BYP

V

SYS

SYSOK

I

BAT

35ms (TYP)

CHGIN

CC

0ms (MIN),

485ms (MAX)

DCD

CHARGER DETECTION

UPDATE CURRENT

CAPABILITY

10ms (TYP)

900ms(MAX)

250ms (MAX)

150ms (MIN),

485ms (MAX)

ChgDet

SFOUT

20ms (TYP)

V

SYSUVLO

background image

Figure 3b. Type-C Adapter Insertion (CHGINILimGate = 1)

MAX14748

USB Type-C Charger

www.maximintegrated.com

Maxim Integrated  •”‚

  26

BYP

V

SYS

SYSOK

I

BAT

CHGIN

CC

0ms (MIN),

475ms (MAX)

DCD

CHARGER DETECTION

UPDATE CURRENT CAPABILITY

10ms (TYP)

900ms(MAX)

250ms (MAX)

ChgDet

SFOUT

20ms (TYP)

V

SYSUVLO

35ms (TYP)

background image

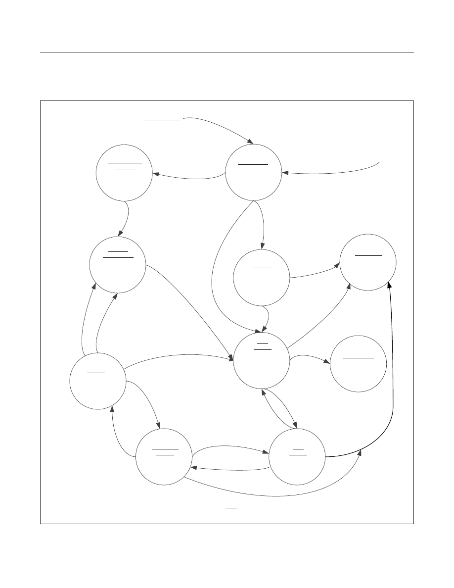
Figure 4. Battery Charger State Diagram

MAX14748

USB Type-C Charger

www.maximintegrated.com

Maxim Integrated  •”‚

  27

MAINTAIN

CHARGE DONE

ChgStat = 0110

LED = OFF

I

CHG

 = 0

CHARGER OFF

ChgStat = 0000

LED = OFF

I

CHG

 = 0

PREQUAL

ChgStat = 0010

LED = ON

I

CHG

 = I

PCHG

FAST 

CHARGE

(CONSTANT CURRENT)

ChgStat = 0011

LED = ON

I

CHG

 = I

FCHG

**

FAST 

CHARGE

(CONSTANT VOLTAGE)

ChgStat = 0100

LED = ON

MAINTAIN

CHARGE

ChgStat = 0101

LED = ON

I

CHG

 < I

CHG_DONE

FRESH BATTERY 

INSERTION

ChgStat = 0110

LED = 1s PULSE

I

CHG

 = 0

TIMER FAULT

ChgStat = 0111

LED = 0.15s PERIOD

I

CHG

 = 0

ChgEn = 1,

V

BAT

 

< V

BATREG

 

- V

BATRECHG

AND V

BAT

 

< V

PCHG_R

AND V

SYS

 

> V

BAT 

+ TBDV

V

BAT

 

> V

PCHG_R

RESET CHARGE TIMER

V

BAT

 

< V

PCHG_R

VOLTAGE MODE

 = 1*

VOLTAGE MODE

 = 0*

RECOVER FROM FAULT RESET 

CHARGE TIMER

ChgEn = 1,

V

BAT

 

>

 

V

BATREG

 

- V

BATRECHG

ChgEn = 1, 

Fresh battery AND 

V

BAT

 > 

V

BATREG

 

- V

BATRECHG

I

CHG

 

> I

CHG_DONE

 and

VOLTAGE MODE = 1*

RESET CHARGE TIMER

I

CHG

 

< I

CHG_DONE

 

AND V

SYS

 > V

SYS_LIM

AND T

DIE

 

< T

CHG_LIM

RESET CHARGE TIMER

I

CHG

 

> I

CHG_DONE

 and

VOLTAGE MODE=0*

RESET CHARGE TIMER

t

CHG_TIMER

 

> t

MTCHG

AND 

ChgAutoStp = 1

V

BAT

 

< V

BATREG 

- V

BATRECHG

AND ChgAutoReSta = 1

AND V

SYS

 > V

SYS_LIM

t

CHG_TIMER

 

> t

PCHG

t

CHG_TIMER

 

> t

FCHG

T

DIE

 

> T

BUS_LIM

OR V

BAT

 

> V

SYS

OR ChgEn=0

FROM ANY STATE

NOTES:

*   VOLTAGE MODE IS AN INTERNAL SIGNAL
**  CHARGE TIMER IS SLOWED BY 50% IF I

CHG

<I

FCHG

/2 AND PAUSED IF I

CHG 

< I

FCHG

/5 ONLY IN FAST CHARGE CONSTANT CURRENT STATE

SYSTEM FAULT

ChgStat = 0111

LED = 0.15s PERIOD

I

CHG

 = 0

JEITA VOLTAGE LIMITATION

AND ChgAutoStp = 1

V

BAT

 

< V

PCHG_R

ChgEn = 1,

V

BAT

 

< V

BATREG

 

- V

BATRECHG

AND V

BAT

 > V

PCHG_R

AND V

SYS

 > V

SYS_LIM

t

CHG_TIMER

 

> t

FCHG

LINEAR FAST 

CHARGE

(CONSTANT VOLTAGE)

ChgStat = 0100

LED = ON

I

CHG

 < 20% I

FCHG

V

BAT

 < V

BATREG

 - V

BATRECHG

background image

Figure 5. Battery Charger State Diagram (continued)

MAX14748

USB Type-C Charger

www.maximintegrated.com

Maxim Integrated  •”‚

  28

PAUSE

CHARGE

TIMER

PAUSE

CHARGE

TIMER

PAUSE

CHARGE

TIMER

From PREQUAL

JEITA ERROR

To PREQUAL

NO JEITA ERROR

From FAST CHARGE CC

JEITA ERROR

From FAST CHARGE CV

JEITA ERROR

From FRESH BATTERY INSERTION ,

MAINTAIN CHARGE DONE ,

MAINTAIN CHARGE

JEITA ERROR

To CHARGER OFF

RESET CHARGE TIMER

NO JEITA ERROR

From PREQUAL

FLTIN = Low

To PREQUAL

FLTIN = High

From FAST CHARGE CC

FLTIN = Low

From FAST CHARGE CV

FLTIN = Low

To LINEAR FAST CHARGE

FLTIN = High

To CHARGER OFF

FLTIN = High

BATTERY FAULT

CHARGE SUSPEND

ChgStat = 1000

LED = 0.15s period

I

CHG

= 0

From FRESH BATTERY INSERTION ,

MAINTAIN CHARGE DONE ,

MAINTAIN CHARGE

FLTIN = Low

BATTERY TEMP

CHARGE SUSPEND

ChgStat = 0001

LED = 1.5s PERIOD

I

CHG

= 0

PAUSE

CHARGE

TIMER

PAUSE

CHARGE

TIMER

PAUSE

CHARGE

TIMER

BATTERY TEMP

CHARGE SUSPEND

ChgStat = 0001

LED = 1.5s PERIOD

I

CHG

= 0

BATTERY TEMP

CHARGE SUSPEND

ChgStat = 0001

LED = 1.5s PERIOD

I

CHG

= 0

BATTERY TEMP

CHARGE SUSPEND

ChgStat = 0001

LED = 1.5s PERIOD

I

CHG

= 0

BATTERY FAULT

CHARGE SUSPEND

ChgStat = 1000

LED = 0.15s period

I

CHG

= 0

BATTERY FAULT

CHARGE SUSPEND

ChgStat = 1000

LED = 0.15s period

I

CHG

= 0

BATTERY FAULT

CHARGE SUSPEND

ChgStat = 1000

LED = 0.15s period

I

CHG

= 0

To LINEAR FAST CHARGE

FLTIN = High

PAUSE

CHARGE

TIMER

From LINEAR FAST CHARGE

JEITA ERROR

To LINEAR FAST CHARGE

NO JEITA ERROR

From LINEAR FAST CHARGE

FLTIN = Low

To LINEAR FAST CHARGE

FLTIN = High

PAUSE

CHARGE

TIMER

BATTERY TEMP

CHARGE SUSPEND

ChgStat = 0001

LED = 1.5s PERIOD

I

CHG

= 0

BATTERY FAULT

CHARGE SUSPEND

ChgStat = 1000

LED = 0.15s period

I

CHG

= 0

To LINEAR FAST CHARGE

NO JEITA ERROR

To LINEAR FAST CHARGE

NO JEITA ERROR

background image

Li-ion Battery Charger

Charger Overview

The MAX14748 utilizes a boost converter to generate 

the necessary voltage to charge a 2s Li-ion battery from 

a nominal 5V USB charger input. Depending on the  

charging phase, the boost converter will operate as either  

a current-limited voltage source or current source. The 

charger is configured through a combination of external  

components and I

2

C registers settings. 

and 

Battery Charger State Diagram.  

Precharge

In precharge and charge termination phases, the boost 

converter functions as a current-limited voltage source 

and regulates V

SYS

 to V

PCHG

 +400mV. The battery is 

charged through an internal linear charging path with a 

maximum precharge current of 500mA (subject to thermal 

limitations), programmable through I

2

C. The precharge/

fast-charge thresholds can be configured through register 

0x1E and may not be less than the V

OVP

 (max).

Fast Charge

In the fast-charge phase, the boost converter functions 

as a current source delivering current into the SYS node.  

The SYS and BAT nodes are shorted together through the 

BAT-SYS FET, with a nominal resistance of 13mΩ  (typ).  

The fast-charge current is set by an external resistor, but 

may be modified by the T_T_IFchg[2:0] bits in registers 

0x1A and 0x1B. The fast-charge current resistor can be 

calculated as R

SET

 = K

SET

/I

FCHG

, where K

SET 

has a 

typical value of 10000A/A. The range of acceptable resis-

tors for R

SET

 is 3.3kΩ to 100kΩ.

Charge Termination

During the charge termination phase, the battery current 

is monitored across the BAT-SYS FET.  To prevent a 

†false’ termination of charge, the charge done condition is 

qualified by the state of the input current limit; if the input 

current limit is currently active, the charge done condi-

tion is not triggered. The charge done condition is also 

debounced for 140 µs in order to prevent transient system 

currents from triggering an incorrect done condition.

Thermistor Monitoring

The MAX14748 provides highly programmable thermal/

JEITA charge management. All thermal/JEITA charge 

configuration parameters are set via the ThermCfg reg-

isters 0x1A - 0x1C. The charger is managed by thermal 

information only if JEITACtrSet = 1.  
The battery pack temperature is measured from a divider 

formed by a pull-up resistor, an optional parallel resistor, 

and the battery pack thermistor. When required, the pullup 

resistor is connected to an internal supply through the 

TPU input, and the voltage on the THM pin is compared to 

an internal threshold. The supply voltage for the divider 

is applied to the V

TPU

 pin and may be connected to an 

external supply or to V

CCINT

. The pullup resistor may 

be complemented with an additional parallel resistor to 

allow matching to different thermistor nominal values 

and charging cutoff temperatures, T1, T2, T3, and T4. 

There are two sets of cutoff temperatures optimized for 

a thermistor with Beta = 3380 (0 °C/10 °C/45 °C/60 °C or  

0 °C/10 °C/25 °C/45 °C) which can be selected as factory 

default options. These cutoff temperatures divide the 

temperature range into three zones, T1_T2, T2_T3, and 

T3_T4. The charger is always turned off at temperatures 

outside these zones when any thermal monitoring mode  

is enabled. If the system needs to measure the THM  

temperature when not charging, the internal pullup switch 

may be enabled via the JeitaCfgR[1:0] bits.  
Charging may be optionally disabled in the T1_T2 and 

T3_T4 zones through the T_T_EnSet bits.  The charge 

current in each zone may be modified through T_T_

IFchg[2:0].  Battery-voltage termination reduction may also 

be selectively applied through the T_T_VFset bits. See 

MAX14748

USB Type-C Charger

www.maximintegrated.com

Maxim Integrated  •”‚

  29

background image

Weak Battery Operation

The MAX14748 supports the weak battery provision of 

the USB 2.0 specification. If an SDP adapter is detected 

and the battery voltage is less than the precharge threshold, 

the input current limit is set to 500mA and a 2-minute 

timer starts. After the 2-minute timer expires, the input 

current limit is set to zero. Any time during the 2-minute 

countdown, the system may turn off the weak battery 

state machine and assert control of the input current limit 

by setting WeakBatEn to 0.  

Battery Detection

The MAX14748 offers battery detection by detecting the presence 

of the battery thermistor. If the thermistor is not present, THM 

is pulled high by the external pullup resistor, and BatDet is set 

to 0 indicating that the battery is not connected.

Integrated USB 2.0 Analog Switch

A high-speed USB switch is integrated to provide the 

host data access to the connected USB device when an 

SDP or CDP port is detected. The analog switch may 

be controlled manually or automatically by configuring 

the AnSwCntl[1:0] bits in register 0x2F. When the ana-

log switch control is set to the auto control setting then 

the CDN/CDP pins are connected to TDN/TDP only 

when a SDP or CDP port is detected. (See 

 for further details.)

SFOUT LDO

The SFOUT LDO is powered directly from the CHGIN 

input and may be used to power a USB transceiver, or 

as an indicator signal that a SDP/CDP port is present.  

The LDO will operate with CHGIN voltages greater than 

V

BDET

. The output voltage of SFOUT is selectable as 

either 5V or 3.3V through the SfOutLvl bit, depending on 

the system preference. SFOUT may be programmed to 

turn on automatically when an SDP or CDP is detected, 

or placed in manual mode and turned on through an I

2

command. This supply is always available when CHGIN 

is present.

Internal Supplies and Regulators

The MAX14748 has two internal power supplies: V

CCINT

 

and BREG.  V

CCINT

 and BREG are always present when 

CHGIN or BAT is present. These supplies share a common 

source, but bypassed separately. The V

CCINT

 and BREG 

supplies require external bypass capacitors and are 

 

regulated to a nominal value of 4.3V (typ).

Figure 6. Thermistor Monitoring

MAX14748

USB Type-C Charger

www.maximintegrated.com

Maxim Integrated  •”‚

  30

T

1

T

4

TEMPERATURE ( şC)

CHARGING

NO 

CHARGING

NO 

CHARGING

T

2

T

3

I

PCHG

PREQUAL:

V

BAT

 < 

V

PCHG

T

1

T

4

TEMPERATURE ( şC)

CHARGING

NO 

CHARGING

NO 

CHARGING

T

2

T

3

T1T2IFchg[2:0]

FAST CHARGE CONSTANT CURRENT:

V

PCHG

 

< V

BAT

 

< V

BATREG

T2T3IFchg[2:0]

T

1

T

4

TEMPERATURE ( şC)

CHARGING

NO 

CHARGING

T

2

T

3

V

BATREG

REGULATED VOLTAGE

NO 

CHARGING

T

1

T

4

TEMPERATURE ( şC)

CHARGING

NO 

CHARGING

T

2

T

3

V

BATREG

REGULATED VOLTAGE

NO 

CHARGING

V

BATREG

 - 300mV

T3T4IFchg[2:0]

T1T2ENset =1, T3T4ENset = 1
T1T2VFset = 1, T3T4VFset = 1

T1T2ENset =1, T3T4ENset = 1
T1T2VFset = 0, T3T4VFset = 0

V

BATREG

 - 300mV

background image

Device Control Interface

While the MAX14748 is primarily controlled by I

2

C, GPIO 

control is also offered for specific functions. The following 

GPIO control signals are provided (note that these signals 

only apply when CHGIN is present): 
1)  FSUS (Input): Force Suspend.  This pin enables the 

host microcontroller to force the input current limit to 

zero. When CHGIN is present, a logic-high on the pin 

causes the input OVP FET at CHGIN to open and the 

input current to MAX14748 is reduced to less than 

2mA. This pin has no effect if FSUSMsk = 1. 

2)  FLTIN (Input):  Battery Fault Input. This pin allows 

the system or battery pack to place the charger into 

a fault condition using a GPIO pin. See Register 

0x35 description for more details. 

3)  CDIR (Open-Drain Output):  USB Superspeed MUX 

control.  In USB Type-C plug configurations, it is 

necessary to detect the orientation of the connector 

and route the Superspeed lines accordingly.  The pin 

can be used to automatically configure a USB Super-

speed MUX according to the orientation information 

contained in the integrated Type-C detection block. 

(This information is also available through I

2

C) The 

CDIR output is pulled to GND when the CC1 pin is 

active on the Type-C connector, otherwise it is high-

impedance.

4)  SYSOK (Open-Drain Output):  With CHGIN present, 

the SYSOK output is asserted if the boost regulator 

generates a V

SYS

 greater than SYS UVLO threshold, 

V

SYSUVLO

. Otherwise, the output is high-impedance.  

This pin can be used as wake up the host system 

from a dead-battery.  Note that when V

SYS

 falls 

below the SYS UVLO falling threshold, the input 

OVP switch is opened as the boost converter cannot 

operate in this state.

5)  BVCEN (Open-Drain Output):  When CHGIN is 

present and a Type-C device that requires V

CONN

 is 

found, this pin is asserted.  This pin should be con-

nected to the enable pin of the V

CONN

 power supply 

enable. The output of BVCEN is push-pull between 

GND and V

CCINT

.

System Faults

The MAX14748 monitors the system for faults including 

OVP Soft Start Timeout, SYS UVLO, Direct Charging 

Fault, Charger TImeout, Forced Charger Fault, Dead 

Battery, CHGIN OVP. 

b

 for more details.

Table 1b. System Faults Summary

FAULT NAME

EFFECT

CAUSE DESCRIPTION

HOW TO RECOVER

STAUS BIT 

OVP Soft-Start 

TimeOut

System Fault Condition Latched. 

OVP/Boost/Charger Off

UFP: V

BYP

 is not within 

50mV of V

CHGIN

 at Soft Start 

TimeOut (100ms typ)

Unplug/Replug Type-C 

cable or reset device via 

USBCRSet of Reg 0x30

SysFlt 

(Reg 0x02)

SYS UVLO

System Fault Condition Latched. 

OVP/Boost/Charger Off

UFP: V

SYS

 falls below SYS 

UVLO threshold while in Boost 

mode or V

SYS

 fails to reach 

above SYS UVLO threshold 

within 20ms after V

BYP

 rises

Unplug/Replug Type-C 

cable or resert device via 

USBCRSet of Reg 0x30

SysFlt 

(Reg 0x02)

Direct 

Charging Fault

Charger Fault Condition 

Latched. Charger Off

UFP: V

BAT

 falls below V

PCHG

 

while in Fast Charge mode

Cycle ChgEn or treat as 

System Fault

DirChgFault 

(Reg 0x05)

Charger 

Timeout

Charger Fault Condition 

Latched. Charger Off

UFP: Pre-charge or Fast-

charge Timer expires

Cycle ChgEn or treat as 

System Fault

ChgStat[3:0] 

(Reg 0x05)

Forced 

Charger Fault

Charger Off

UFP: Logic-low applied on 

FLTIN pin 

Logic-high applied on 

FLTIN pin

ChgStat[3:0]

(Reg 0x05)

Dead Battery

System Fault Condition Latched. 

OVP/Boost/Charger Off

UFP: DeadBattery detection 

enabled and SDP detected: 

V

BAT

 fails to reach above 

V

PCHG

 within 2min 

Treat as System Fault or 

disable DeadBattery

WbChg

(Reg 0x02)

CHGIN OVP

OVP/Boost/Charger OFF

V

CHGIN

 rises above V

OVP

Reduce V

CHGIN

 below 

V

OVP_F

ChginOVP

(Reg 0x02)

MAX14748

USB Type-C Charger

www.maximintegrated.com

Maxim Integrated  •”‚

  31

background image

I

2

C Interface

The MAX14748 contain an I

2

C-compatible interface for 

data communication with a host controller (SCL and 

SDA). The interface supports a clock frequency of up to 

400kHz. SCL and SDA require pullup resistors that are 

connected to a positive supply.

Start, Stop, And Repeated Start Conditions

When writing to the MAX14748 using I

2

C, the master 

sends a START condition (S) followed by the MAX14748 

I

2

C address. After the address, the master sends the  

register address of the register that is to be programmed. 

The master then ends communication by issuing a 

STOP condition (P) to relinquish control of the bus, or 

a REPEATED START condition (Sr) to communicate to 

another I

2

C slave. See 

.

Slave Address

Set the Read/Write bit high to configure the MAX14748 

to read mode (

Set the Read/Write bit low to 

configure the MAX14748 to write mode. The address is 

the first byte of information sent to the MAX14748 after 

the START condition.

Bit Transfer

One data bit is transferred on the rising edge of each SCL 

clock cycle. The data on SDA must remain stable during 

the high period of the SCL clock pulse. Changes in SDA 

while SCL is high and stable are considered control sig-

nals (see the 

 

section). Both SDA and SCL remain high when the bus is 

not active.

Single-Byte Write

In this operation, the master sends an address and two 

data bytes to the slave device (

following 

procedure describes the single byte write operation:
1)  The master sends a START condition
2)  The master sends the 7-bit slave address plus a 

write bit (low)

3)  The addressed slave asserts an ACK on the data line
4)  The master sends the 8-bit register address
5)  The slave asserts an ACK on the data line only if the 

address is valid (NAK if not)

6)  The master sends 8 data bits
7)  The slave asserts an ACK on the data line
8)  The master generates a STOP condition

Table 2. I

2

C Slave Addresses

Figure 7. I

2

C START, STOP and REPEATED START Conditions

Figure 8. Write Byte Sequence

ADDRESS FORMAT

HEX

BINARY

7-Bit Slave ID

0x0A

0001010

Write Address

0x14

00010100

Read Address

0x15

00010101

MAX14748

USB Type-C Charger

www.maximintegrated.com

Maxim Integrated  •”‚

  32

SCL

SDA

S

Sr

P

S

P

DEVICE SLAVE ADDRESS - W A

8 DATA BITS

WRITE SINGLE BYTE

FROM MASTER TO SLAVE

FROM SLAVE TO MASTER

A

REGISTER ADDRESS

A

background image

Burst Write

In this operation, the master sends an address and mul-

tiple data bytes to the slave device (

The slave 

device automatically increments the register address after 

each data byte is sent. The following procedure describes 

the burst write operation:
1)  The master sends a START condition.
2)  The master sends the 7-bit slave address plus a 

write bit (low).

3)  The addressed slave asserts an ACK on the data line.
4)  The master sends the 8-bit register address.
5)  The slave asserts an ACK on the data line only if the 

address is valid (NAK if not).

6)  The master sends eight data bits.
7)  The slave asserts an ACK on the data line.
8)  Repeat 6 and 7 N-1 times.
9)  The master generates a STOP condition.

Single-Byte Read

In this operation, the master sends an address plus two 

data bytes and receives one data byte from the slave 

device (

The following procedure describes the 

single byte read operation:
1)  The master sends a START condition.
2)  The master sends the 7-bit slave address plus a 

write bit (low).

3)  The addressed slave asserts an ACK on the data line.
4)  The master sends the 8-bit register address.
5)  The slave asserts an ACK on the data line only if the 

address is valid (NAK if not).

6)  The master sends a REPEATED START condition.
7)  The master sends the 7-bit slave address plus a 

read bit (high).

8)  The addressed slave asserts an ACK on the data line.
9)  The slave sends eight data bits.
10)  The master asserts a NACK on the data line.
11)  The master generates a STOP condition.

Figure 9. Burst Write Sequence

Figure 10. Read Byte Sequence

MAX14748

USB Type-C Charger

www.maximintegrated.com

Maxim Integrated  •”‚

  33

S

DEVICE SLAVE ADDRESS - W A

8 DATA BITS - 1

BURST WRITE

A

REGISTER ADDRESS

A

8 DATA BITS - N

A

8 DATA BITS - 2

A

FROM MASTER TO SLAVE

FROM SLAVE TO MASTER

P

S

Sr

DEVICE SLAVE ADDRESS - W A

DEVICE SLAVE ADDRESS - R

READ SINGLE BYTE

A

REGISTER ADDRESS

A

8 DATA BITS

NA

FROM MASTER TO SLAVE

FROM SLAVE TO MASTER

P

background image

Burst Read

In this operation, the master sends an address plus two 

data bytes and receives multiple data bytes from the slave 

device (

The following procedure describes the 

burst byte read operation:
1)  The master sends a START condition.
2)  The master sends the 7-bit slave address plus a 

write bit (low).

3)  The addressed slave asserts an ACK on the data line.
4)  The master sends the 8-bit register address.
5)  The slave asserts an ACK on the data line only if the 

address is valid (NAK if not).

6)  The master sends a REPEATED START condition.
7)  The master sends the 7-bit slave address plus a 

read bit (high).

8)  The slave asserts an ACK on the data line.

9)  The slave sends eight data bits.
10)  The master asserts an ACK on the data line.
11)  Repeat 9 and 10 N-2 times.
12)  The slave sends the last eight data bits.
13)  The master asserts a NACK on the data line.
14)  The master generates a STOP condition.

Acknowledge Bits

Data transfers are acknowledged with an acknowledge bit 

(ACK) or a not-acknowledge bit (NACK). Both the master 

and the MAX14748 generate ACK bits. To generate an 

ACK, pull SDA low before the rising edge of the ninth 

clock pulse and hold it low during the high period of the 

ninth clock 

To generate a NACK, 

leave SDA high before the rising edge of the ninth clock 

pulse and leave it high for the duration of the ninth clock 

pulse. Monitoring for NACK bits allows for detection of 

unsuccessful data transfers.

Figure 11. Burst Read Sequence

Figure 12. Acknowledge

MAX14748

USB Type-C Charger

www.maximintegrated.com

Maxim Integrated  •”‚

  34

S

Sr

DEVICE SLAVE ADDRESS - W A

DEVICE SLAVE ADDRESS - R

BURST READ

A

REGISTER ADDRESS

A

8 DATA BITS - 1

A

A

8 DATA BITS - 3

8 DATA BITS - 2

A

8 DATA BITS - N

NA

FROM MASTER TO SLAVE

FROM SLAVE TO MASTER

P

NOT ACKNOWLEDGE

ACKNOWLEDGE

1

2

8

9

SDA

SCL

S

background image

Table 3. I2C Register Map

REGISTER 

 

ADDRESS

REGISTER 

NAME

R/W

B7

B6

B5

B4

B3

B2

B1

B0

0x00

ChipID

R

ChipId[7:0]

0x01

ChipRev

R

ChipRevH[3:0]

ChipRevL[3:0]

0x02

DevStatus1

R

SysFlt

ChgInOVP

ILim

VSysReg

ThrmSd150

ThrmSd120

BatDet

WbChg

0x03

AICLStatus

R

AICLStatus[2:0]

AICLCurSet[4:0]

0x04

DevStatus2

R

-

BattPREQB

BattUVLOB

BypUVLO

SysUVLOB

DCDCILim

DCDCRunA

way

DCDCPGood

0x05

ChgStatus

R

DirChgFault

-

LowPow

-

ChgStat[3:0]

0x06

JEIT

AStatus

R

-

-

-

ChgThrmRegCur

ChgThrmRegVlt

ChgThrmStat[2:0]

0x07

BCStatus

R

VBUSDet

ChgT

ypRun

PrChgT

yp[2:0]

DCDTmo

ChgT

yp[1:0]

0x08

Reserved

R

-

-

-

-

-

-

-

-

0x09

CCStatus1

R

CCPinStat[1:0]

CCIStat[1:0]

CCVcnStat

CCStat[2:0]

0x0A

CCStatus2

R

-

-

-

-

VSAFE0V

DetAbrt

-

-

0x0B

DevInt1

COR

SysFltI

ChgInOVPI

ILimI

VSysRegI

ThrmSd150I

ThrmSd120I

BatDetI

WbChgI

0x0C

AICLInt

COR

-

AICLI

-

-

-

-

-

-

0x0D

DevInt2

COR

-

BattPREQi

BattUVLOI

BypUVLOI

SysUVLOI

-

-

DCDCPGoodI

0x0E

ChgInt

COR

DirChgFaultI

LowPowRI

LowPowFI

-

-

-

-

ChgStatI

0x0F

JEIT

AInt

COR

-

-

-

ChgThrmRegCurI

ChgThrmRegVltI

-

-

ChgThrmStatI

0x10

BCInt

COR

VBUSDetI

-

-

ChgT

ypRunFI

ChgT

ypRunRI

PrChgT

ypI

DCDTmoI

ChgT

ypI

0x1

1

CCInt

COR

-

VSAFE0VI

DetAbrtI

CCPinStatI

CCIStatI

CCVcnStatI

CCStatI

0x12

DevInt1Mask

R/W

SysFltIM

ChgInOVPIM

ILimIM

VSysRegIM

ThrmSd150IM

ThrmSd120IM

BatDetIM

WbChgIM

0x13

AICLIntMask

R/W

-

AICLIM

-

-

-

-

-

-

0x14

DevInt2Mask

R/W

-

BattPREQIM

BattUVLOIM

BypUVLOIM

SysUVLOIM

DCDCILimIM

DCDCRunA

wayIM

DCDCPGoodIM

0x15

ChgIntMask

R/W

DirChgFaultIM

LowPowRIM

LowPowFIM

-

-

-

-

ChgStatIM

0x16

JEIT

AIntMask

R/W

-

-

-

ChgThrmReg

CurIM

ChgThrmReg

VltIM

-

-

ChgThrmStatIM

0x17

BCIntMask

R/W

VBUSDetIM

-

-

ChgT

ypRunFIM

ChgT

ypRunRIM

PrChgT

ypIM

DCDTmoIM

ChgT

ypIM

0x18

CCIntMask

R/W

-

VSAFE0VIM

DetAbrtIM

-

CCPinStatIM

CCIStatIM

CCVcnStatIM

CCStatIM

0x19

LED_CTRL

R/W

-

-

-

-

-

-

LEDCtrl

LEDManual

0x1A

ThermaCfg1

R/W

T1T2IFchg[2:0]

T2T3IFchg[2:0]

JeitaCfgR[1:0]

0x1B

ThermaCfg2

R/W

T3T4IFchg[2:0]

-

T3T4ENset

T1T2ENset

T3T4VFset

T1T2VFset

0x1C

ThermaCfg3

R/W

-

-

-

-

-

-

JEIT

ACtrSet

W

armCoolSel*

0x1D

ChargerCtrl1

R/W**

ChgAutoStp

BatReChg[1:0]

-

-

BatReg[1:0]

ChgEn

0x1E

ChargerCtrl2

R/W**

-

VPchg[2:0]

IPChg[1:0]

ChgDone[1:0]

MAX14748

USB Type-C Charger

www.maximintegrated.com

Maxim Integrated  •”‚

  35

background image

Table 

3. 

I2C 

Register 

Map 

(continued)

Note :

 

COR = Clear-o

n-read

 

* Read Only

 

** Read

 Only if W

riteProtect is enabled 

(See 

).

 

Reserved bits must not be modified from their default states to ensure proper operation.

REGISTER 

 

ADDRESS

REGISTER 

NAME

R/W

B7

B6

B5

B4

B3

B2

B1

B0

0x1F

ChargerCtrl3

R/W**

-

ChgAutoSta

MtChgTmr[1:0]

FChgTmr[1:0]

PChgTmr[1:0]

0x20

ChargerCtrl4

R/W**

W

eakBatStat[2:0]*

-

-

W

eakBatEn

-

-

0x21

CurLimCtrl

R/W

CurLim1Frc

FSUSMsk

CurLim1Set[4:0]

0x22

CurLimStatus

R

CurLim2Rb[2:0]

SpvChgILim[4:0]

0x23

BBCFG1

R/W**

BoostRComp[3:0]

-

-

-

-

0x24

BBCFG2

R/W**

-

-

-

BBFrcZX

BuckVSet[3:0]

0x25

BCCtrl1

R/W

DCD2s

SfOutLvl

-

ADC3PDet

SfOutCtrl[1:0]

ChgDetMan

ChgDetEn

0x26

Reserved

R

-

-

-

-

-

-

-

-

0x27

CCCtrl1

R/W

-

-

-

-

CCSnkSrc

CCDbgEn

CCAudEn

CCDetEn

0x28

CCCtrl2

R/W

CCForceError

SnkAttached

Lock

CCSnkSrcSwp

CCSrcSnkSwp

CCVcnSwp

CCVcnEn

CCSrcRst

CCSnkRst

0x29

CCCtrl3

R/W

-

-

-

-

CCT

rySnk

CCPreferSnk

CCDRPPhase[1]

CCDRPPhase[0]

0x2A

CHGINILim1

R

-

CHGINILim[6:0]

0x2B

CHGINILim2

R/W

-

-

-

-

CHGINILimGate

SDPMaxCur[1:0]

CDPMaxCur

0x2C

AICLCFG1

R/W

AICLEn

-

-

-

-

AICLAbort

0x2D

AICLCFG2

R/W

BYPUVLO[2:0]

AICLMaxI[4:0]

0x2E

AICLCFG3

R/W

-

-

-

BYPDeb

AICL

TBlk[1:0]

AICL

TStep[1:0]

0x2F

DPDNSw

R/W

-

-

-

-

-

-

AnSwCntl[1:0]

0x30

Others

R/W

-

-

-

-

-

-

-

USBCRset

0x31

Reserved

R

-

-

-

-

-

-

-

-

0x32

Reserved

R

-

-

-

-

-

-

-

-

0x33

LowPow

R/W

LowPowEn

-

-

-

-

-

-

LowPowAbort

0x34

Reserved

R

-

-

-

-

-

-

-

-

0x35

FL

TSel

R/W

FL

TSelect[1:0]

-

-

-

-

-

-

MAX14748

USB Type-C Charger

www.maximintegrated.com

Maxim Integrated  •”‚

  36

background image

Table 4. ChipID Register (0x00)

Table 5. ChipRev Register (0x01)

Table 6. DevStatus1 Register (0x02)

ADDRESS:

0x00

MODE:

Read Only

BIT

7

6

5

4

3

2

1

0

NAME

ChipId[7:0]

ChipId[7:0]

ChipId[7:0] bits show information about the version of the MAX14748.

ADDRESS:

0x01

MODE:

Read Only

BIT

7

6

5

4

3

2

1

0

NAME

ChipRevH[3:0]

ChipRevL[3:0]

ChipRevH[3:0] ChipRevH[3:0] bits show information about the revision of the MAX14748 silicon.
ChipRevL[3:0]

ChipRevL[3:0] bits show information about the revision of the MAX14748 silicon.

ADDRESS:

0x02

MODE:

Read Only

BIT

7

6

5

4

3

2

1

0

NAME

SysFlt

ChgInOVP

ILim

VSysReg

ThrmSd150

ThrmSd120

BatDet

WbChg

SysFlt

System Fault

0 = System voltage is normal

1 = SYS voltage below SYS UVLO Threshold and the condition latched.

ChgInOVP

CHGIN Overvoltage Protection Flag 

0 = CHGIN OVP not active 

1 = CHGIN OVP active

ILim

Input Current Limiting 

0 = CHGIN input current within limit 

1 = CHGIN input in current limit

VSysReg

SYS Regulation (SYSOK)

0 = SYS voltage above SYS UVLO threshold and boost regulating SYS 

1 = SYS voltage below SYS UVLO threshold or Boost not regulating SYS

ThrmSd150

Thermal shutdown 

0 = Device in normal operation Mode 

1 = Device in thermal shutdown (T

DIE

 > 150 °C)

ThrmSd120

Thermal Warm 

0 = Device in normal operation Mode 

1 = 120 °C < T

DIE

 < 150 °C

BatDet

Status of Battery Detection 

0 = No battery detected 

1 = Battery detected

WbChg

Weak Battery Charging 

0 = Weak Battery Charge Timer expired or not running

1 = Weak Battery Charge Timer running

MAX14748

USB Type-C Charger

www.maximintegrated.com

Maxim Integrated  •”‚

  37

I

2

C Register Descriptions

background image

Table 7. AICLStatus Register (0x03)

Table 8. DevStatus2 Register (0x04)

ADDRESS:

0x03

MODE:

Read Only

BIT

7

6

5

4

3

2

1

0

NAME

AICLStatus[2:0]

AICLCurSet[4:0]

AICLStatus[2:0]

AICL Status 

000 = AICL Off

001 = AICL Precheck

010 = AICL Increment

011 = AICL Blank

100 = AICL Idle

101 = AICL No Connection

AICLCurSet[4:0]

Current limit set by AICL (if active) 

0 = 100mA 

1 = 200mA

†¦

30 = 3.1A

31 = 3.2A

ADDRESS:

0x04

MODE:

Read Only

BIT

7

6

5

4

3

2

1

0

NAME

-

BattPREQB BattUVLOB BypUVLO

SysUVLOB

DCDCILim

DCDCRunAway

DCDCPGood

BattPREQB

V

BAT

 vs. V

PCHG

 (V

PCHG

 programmable from 5.7V to 6.4V, BattPreqB status is NOT valid while the Weak 

Battery 2min timer is running.) 

0 = V

BAT

 below V

PCHG

 threshold 

1 = V

BAT

 above V

PCHG

 threshold

BattUVLOB

V

BAT

 vs. V

BATUVLO 

(BattUVLOB status is only valid in boost mode with CHGIN present.) 

0 = V

BAT

 below V

BATUVLO

 threshold

1 = V

BAT

 above V

BATUVLO

 threshold

BypUVLO

V

BYP

 vs. V

BYPUVLO

 (V

BYPUVLO

 programmable from 3.8V to 4.5V) 

0 = V

BYP

 above V

BYPUVLO

 theshold 

1 = V

BYP

 below V

BYPUVLO

 theshold

SysUVLOB

V

SYS

 vs. V

SYSUVLO

 (V

SYSUVLO

 programmable from 6.1V to 6.8V, SysUVLOB status is only valid in boost 

mode with CHGIN present)) 

0 = V

SYS

 below V

SYSUVLO

 threshold 

1 = V

SYS

 above V

SYSUVLO

 threshold

DCDCILim

Reverse Buck Converter Current Limit Status 

0 = Normal Operation 

1 = Buck current limit has been reached

DCDCRunAway

Reverse Buck Converter Runaway Status 

0 = Normal Operation 

1 = Buck runaway is asserted

DCDCPGood

Reverse Buck Converter Regulation Status 

0 = Buck regulated value below 82% of the target value 

1 = Normal operation

MAX14748

USB Type-C Charger

www.maximintegrated.com

Maxim Integrated  •”‚

  38

background image

Table 9. ChgStatus Register (0x05)

Table 10. JEITAStatus Register (0x06)

ADDRESS:

0x05

MODE:

Read Only

BIT

7

6

5

4

3

2

1

0

NAME

DirChgFault

-

LowPow

-

ChgStat[3:0]

DirChgFault

Direct charging fault 

0 = Device in normal operation 

1 = V

BAT

 drops below V

PCHG

 when battery is in supplement mode.

LowPow

Low Power Mode

0 = Not In Low Power Mode

1 = In Low Power Mode

ChgStat[3:0]

Status of Charger Mode 

0000 = Charger off 

0001 = Charging suspended due to temperature (see state diagram) 

0010 = Pre-charge in progress 

0011 = Fast-charge, constant current mode in progress

0100 = Fast-charge, constant voltage mode in progress

0101 = Maintain charge in progress 

0110 = Maintain charge done 

0111 = Charger fault condition (see state diagram)

1000 = Battery Fault Suspend (see state diagram)

ADDRESS:

0x06

MODE:

Read Only

BIT

7

6

5

4

3

2

1

0

NAME

-

-

-

ChgThrmRegCur

ChgThrmRegVlt

ChgThrmStat[2:0]

ChgThrmRegCur

FastCharge Current reduced due to JEITA status

0 = Not changed

1 = Reduced

ChgThrmRegVlt

Battery Regulation Voltage reduced due to JEITA status

0 = Not Changed

1 = Reduced

ChgThrmStat[2:0]

Thermistor Monitor 

000 = T < T1 

001 = T1 < T < T2  

010 = T2 < T < T3 

011 = T3 < T < T4 

100 = T > T4 

101 = No thermistor detected (THM high due to external pullup).  Note: If a parallel resistor is used for 

thermistor monitoring, this mode may not function properly. 

110 = NTC input disabled through ThermEn. 

111 = Detection disabled due to CHGIN not present.

MAX14748

USB Type-C Charger

www.maximintegrated.com

Maxim Integrated  •”‚

  39

background image

Table 11. BCStatus Register (0x07)

Table 12. Reserved Register (0x08)

ADDRESS:

0x09

MODE:

Read Only

BIT

7

6

5

4

3

2

1

0

NAME

VBUSDet 

ChgTypRun 

PrChgTyp[2:0] 

DCDTmo 

ChgTyp[1:0] 

VBUSDet

Status of CHGIN Detection  

0 = V

CHGIN 

< V

BDET  

1 = V

CHGIN 

> V

BDET 

ChgTypRun

Charger Detection Running Status  

0 = Not Running  

1 = Running 

PrChgTyp[2:0]

Output of Proprietary Charger Detection  

000 = Unknown  

001 = Samsung 2A  

010 = Apple 0.5A  

011 = Apple 1A  

100 = Apple 2A  

101 = Apple 12W  

110 = 3A DCP (If enabled)  

111 = RFU 

DCDTmo

DCD Time Out. DCD detection timed out during charger detection, indicating D+/D- are open. BC1.2 detection 

continues as required by BC1.2, but SDP most likely is found.  

0 = No Timeout or detection not run  

1 = DCD Timeout occurred 

ChgTyp[1:0]

Output of Charger Detection  

00 = Nothing attached  

01 = SDP, USB Cable attached  

10 = CDP, Charging Downstream Port (current depends on USB operating speed)  

11 = DCP, Dedicated Charger (current up to 1.5A) 

ADDRESS:

0x08

MODE:

Read Only

BIT

7

6

5

4

3

2

1

0

NAME

-

-

-

-

-

-

-

-

MAX14748

USB Type-C Charger

www.maximintegrated.com

Maxim Integrated  •”‚

  40

background image

Table 13. CCStatus1 Register (0x09)

Table 14. CCStatus2 Register (0x0A)

ADDRESS:

0x09

MODE:

Read Only

BIT

7

6

5

4

3

2

1

0

NAME

CCPinStat[1:0]

CCIStat

CCVcnStat

CCStat[2:0]

CCPinStat[1:0]

Status of Active CC Pin 

00 = No Determination 

01 = CC1 Active 

10 = CC2 Active 

11 = RFU

CCIStat

CC Pin Detected Allowed VBUS Current in UFP mode 

00 = Not in UFP mode 

01 = 500mA 

10 = 1.5A 

11 = 3.0A

CCVcnStat

Status of VCONN Output 

0 = VCONN Disabled 

1 = VCONN Enabled

CCStat[2:0]

Output of CC Pin Detection State Machine 

000 = No Connection 

001 = UFP 

010 = DFP 

011 = Audio Accessory 

100 = Debug Accessory 

101 = Error 

110 = Disabled 

111 = RFU

ADDRESS:

0x0A

MODE:

Read Only

BIT

7

6

5

4

3

2

1

0

NAME

-

-

-

-

VSAFE0V

DetAbrt

-

-

VSAFE0V

Status of VBUS Detection. (Valid only in Attached.SRC_CCx, Attached.SNK_CCx state)

0 = V

CHGIN

 < VSAFE0V 

1 = V

CHGIN

 > VSAFE0V

DetAbrt

Charger Detection Abort

0 = Charger Detection runs if ChgDetEn = 1 and VBUS is valid for the debounce time 

1 = Charger Detection is aborted by Type-C State Machine. Charger detection will run if ChgDetEn = 1 and 

VBUS is valid for the debounce time. ChgDetMan bit allows manual run of charger detection. If Charger 

Detection is in progress, DetAbrt = 1 immediately stops the in-progress detection.

MAX14748

USB Type-C Charger

www.maximintegrated.com

Maxim Integrated  •”‚

  41

background image

Table 15. DevInt1 Register (0x0B)

Table 16. AICLInt Register (0x0C)

ADDRESS:

0x0B

MODE:

Clear On Read

BIT

7

6

5

4

3

2

1

0

NAME

SysFltI

ChgInOVPI

ILimI

VSysRegI

ThrmSd150I

ThrmSd120I

BatDetI

WbChgI

SysFltI

SysFlt status change interrupt. 

0 = Status of SysFlt has NOT changed since the last time SysFltI was read 

1 = Status of SysFlt has changed since the last time SysFltI was read

ChgInOVPI

ChgInOVP status change interrupt. 

0 = Status of ChgInOVP has NOT changed since the last time ChgInOVPI was read 

1 = Status of ChgInOVP has changed since the last time ChgInOVPI was read

ILimI

ILim status change interrupt. 

0 = Status of ILim has NOT changed since the last time ILimI was read 

1 = Status of ILim has changed since the last time ILimI was read

VSysRegI

VSysReg status change interrupt. 

0 = Status of VSysReg has NOT changed since the last time VSysRegI was read 

1 = Status of VSysReg has changed since the last time VSysRegI was read

ThrmSd150I

ThrmSd150 status change interrupt. 

0 = Status of ThrmSd150 has NOT changed since the last time ThrmSd150I was read 

1 = Status of ThrmSd150 has changed since the last time ThrmSd150I was read

ThrmSd120I

ThrmSd120 status change interrupt.

0 = Status of ThrmSd120 has NOT changed since the last time ThrmSd120I was read 

1 = Status of ThrmSd120 has changed since the last time ThrmSd120I was read

BatDetI

BatDet status change interrupt. 

0 = Status of BatDet has NOT changed since the last time BatDetI was read 

1 = Status of BatDet has changed since the last time BatDetI was read

WbChgI

WbChg status change interrupt. 

0 = Status of WbChg has NOT changed since the last time WbChgI was read 

1 = Status of WbChg has changed since the last time WbChgI was read

ADDRESS:

0x0C

MODE:

Clear On Read

BIT

7

6

5

4

3

2

1

0

NAME

-

AICLI

-

-

-

-

-

-

AICLI

AICLStatus status change interrupt. 

0 = Status of AICLStatus has NOT changed since the last time AICLI was read 

1 = Status of AICLStatus has changed since the last time AICLI was read

MAX14748

USB Type-C Charger

www.maximintegrated.com

Maxim Integrated  •”‚

  42

background image

Table 17. DevInt2 Register (0x0D)

Table 18. ChgInt Register (0x0E)

ADDRESS:

0x0D

MODE:

Clear On Read

BIT

7

6

5

4

3

2

1

0

NAME

-

BattPREQI BattUVLOI BypUVLOI SysUVLOI DCDCILimI  DCDCRunAwayI DCDCPGoodI

BattPREQI

BattPREQ status change interrupt. 

0 = Status of BattPREQ has NOT changed since the last time BattPREQI was read 

1 = Status of BattPREQ has changed since the last time BattPREQI was read

BattUVLOI

BattUVLO status change interrupt.

0 = Status of BattUVLO has NOT changed since the last time BattUVLOI was read 

1 = Status of BattUVLO has changed since the last time BattUVLOI was read

BypUVLOI

BypUVLO status change interrupt. 

0 = Status of BypUVLO has NOT changed since the last time BypUVLOI was read 

1 = Status of BypUVLO has changed since the last time BypUVLOI was read

SysUVLOI

SysUVLO status change interrupt. 

0 = Status of SysUVLO has NOT changed since the last time SysUVLOI was read 

1 = Status of SysUVLO has changed since the last time SysUVLOI was read

DCDCILimI

DCDCILim status change interrupt. 

0 = Status of DCDCILim has NOT changed since the last time DCDCILim was read

1 = Status of DCDCILim has changed since the last time DCDCILim was read

DCDCRunAwayI

DCDCRunAway status change interrupt. 

0 = Status of DCDCRunAway has NOT changed since the last time DCDCRunAway was read

1 = Status of DCDCRunAway has changed since the last time DCDCRunAway was read

DCDCPGoodI

DCDCPGood status change interrupt. 

0 = Status of DCDCPGood has NOT changed since the last time DCDCPGoodI was read 

1 = Status of DCDCPGood has changed since the last time DCDCPGoodI was read

ADDRESS:

0x0E

MODE:

Clear On Read

BIT

7

6

5

4

3

2

1

0

NAME

DirChgFaultI

LowPowRI

LowPowFI

-

-

-

-

ChgStatI

DirChgFaultI

DirChgFault status change interrupt. 

0 = Status of DirChgFault has NOT changed since the last time DirChgFaultI was read 

1 = Status of DirChgFault has changed since the last time DirChgFaultI was read

LowPowRI

LowPow Rising Edge interrupt. 

0 = LowPow bit rise edge has NOT occurred since the last time LowPowRI was read 

1 = LowPow bit rise edge has occurred since the last time LowPowRI was read

LowPowFI

LowPow Falling Edge interrupt. 

0 = LowPow bit falling edge has NOT occurred since the last time LowPowFI was read 

1 = LowPow bit falling edge has occurred since the last time LowPowFI was read

ChgStatI

ChgStat[3:0] status change interrupt. 

0 = Status of ChgStat[3:0] has NOT changed since the last time ChgStatI was read 

1 = Status of ChgStat[3:0] has changed since the last time ChgStatI was read

MAX14748

USB Type-C Charger

www.maximintegrated.com

Maxim Integrated  •”‚

  43

background image

Table 19. JEITAInt Register (0x0F)

Table 20. BCInt Register (0x10)

ADDRESS:

0x0F

MODE:

Clear On Read

BIT

7

6

5

4

3

2

1

0

NAME

-

-

-

ChgThrmRegCurI

ChgThrmRegVltI

-

-

ChgThrmI

ChgThrmRegCurI

ChgThrmRegCur status change interrupt. 

0 = Status of ChgThrmRegCur has NOT changed since the last time ChgThrmRegCurI was read 

1 = Status of ChgThrmRegCur has changed since the last time ChgThrmRegCurI was read

ChgThrmRegVltI

ChgThrmRegVlt status change interrupt. 

0 = Status of ChgThrmRegVlt has NOT changed since the last time ChgThrmRegVltI was read 

1 = Status of ChgThrmRegVlt has changed since the last time ChgThrmRegVltI was read

ChgThrmStatI

ChgThrmStat[2:0] status change interrupt. 

0 = Status of ChgThrmStat[2:0] has NOT changed since the last time ChgThrmStatI was read 

1 = Status of ChgThrmStat[2:0] has changed since the last time ChgThrmStatI was read

ADDRESS:

0x10

MODE:

Clear On Read

BIT

7

6

5

4

3

2

1

0

NAME

VBUSDetI

-

-

ChgTypRunFI

ChgTypRunRI

PrChgTypI

DCDTmoI

ChgTypI

VBUSDetI

VBUSDet status change interrupt. 

0 = Status of VBUSDet has NOT changed since the last time VBUSDetI was read 

1 = Status of VBUSDet has changed since the last time VBUSDetI was read

ChgTypRunFI

ChgTypRun Falling Edge interrupt. 

0 = ChgTypRun bit falling edge has NOT occurred since the last time ChgTypRunFI was read 

1 = ChgTypRun bit falling edge has occurred since the last time ChgTypRunFI was read

ChgTypRunRI

ChgTypRun Rising Edge interrupt. 

0 = ChgTypRun bit rising edge has NOT occurred since the last time ChgTypRunRI was read 

1 = ChgTypRun bit rising edge has occurred since the last time ChgTypRunRI was read

PrChgTypI

PrChgTyp status change interrupt. 

0 = Status of PrChgTyp has NOT changed since the last time PrChgTypI was read 

1 = Status of PrChgTyp has changed since the last time PrChgTypI was read

DCDTmoI

DCDTmo status change interrupt. 

0 = Status of DCDTmo has NOT changed since the last time DCDTmoI was read 

1 = Status of DCDTmo has changed since the last time DCDTmoI was read

ChgTypI

ChgTyp status change interrupt. 

0 = Status of ChgTyp has NOT changed since the last time ChgTypI was read 

1 = Status of ChgTyp has changed since the last time ChgTypI was read

MAX14748

USB Type-C Charger

www.maximintegrated.com

Maxim Integrated  •”‚

  44

background image

Table 21. CCInt Register (0x11)

ADDRESS:

0x11

MODE:

Clear On Read

BIT

7

6

5

4

3

2

1

0

NAME

-

VSAFE0VI

DetAbrtI

-

CCPinStatI

CCIStatI

CCVcnStatI

CCStatI

VSAFE0VI

VSAFE0V status change interrupt. 

0 = Status of VSAFE0V has NOT changed since the last time VSAFE0VI was read 

1 = Status of VSAFE0V has changed since the last time VSAFE0VI was read

DetAbrtI

DetAbrt status change interrupt. 

0 = Status of DetAbrt has NOT changed since the last time DetAbrtI was read 

1 = Status of DetAbrt has changed since the last time DetAbrtI was read

CCPinStatI

CCPinStat status change interrupt. 

0 = Status of CCPinStat has NOT changed since the last time CCPinStatI was read 

1 = Status of CCPinStat has changed since the last time CCPinStatI was read

CCIStatI

CCIStat status change interrupt. 

0 = Status of CCIStat has NOT changed since the last time CCIStatI was read 

1 = Status of CCIStat has changed since the last time CCIStatI was read

CCVcnStatI

CCVcnStat status change interrupt. 

0 = Status of CCVcnStat has NOT changed since the last time CCVcnStatI was read 

1 = Status of CCVcnStat has changed since the last time CCVcnStatI was read

CCStatI

CCStat status change interrupt. 

0 = Status of CCStat has NOT changed since the last time CCStatI was read 

1 = Status of CCStat has changed since the last time CCStatI was read

MAX14748

USB Type-C Charger

www.maximintegrated.com

Maxim Integrated  •”‚

  45

background image

Table 22. DevInt1Mask Register (0x12)

Table 23. AICLIntMask Register (0x13)

ADDRESS:

0x12

MODE:

Read/Write

BIT

7

6

5

4

3

2

1

0

NAME

SysFltIM

ChgInOVPIM

ILimIM

VSysRegIM ThrmSd150IM ThrmSd120IM BatDetIM

WbChgIM

SysFltIM

SysFltI Interrupt Mask

1 = Mask 

0 = Unmask

ChgInOVPIM

ChgInOVPI Interrupt Mask

1 = Mask 

0 = Unmask

ILimIM

ILimI Interrupt Mask

1 = Mask 

0 = Unmask

VSysRegIM

VSysRegI Interrupt Mask

1 = Mask 

0 = Unmask

ThrmSd150IM

ThrmSd150I Interrupt Mask

1 = Mask 

0 = Unmask

ThrmSd120IM

ThrmSd120I Interrupt Mask

1 = Mask 

0 = Unmask

BatDetIM

BatDetI Interrupt Mask

1 = Mask 

0 = Unmask

WbChgIM

WbChgI Interrupt Mask

1 = Mask 

0 = Unmask

ADDRESS:

0x13

MODE:

Read/Write

BIT

7

6

5

4

3

2

1

0

NAME

-

AICLIM

-

-

-

-

-

-

AICLIM

AICLI Interrupt Mask

1 = Mask 

0 = Unmask

MAX14748

USB Type-C Charger

www.maximintegrated.com

Maxim Integrated  •”‚

  46

background image

Table 24. DevInt2Mask Register (0x14)

Table 25. ChgIntMask Register (0x15)

ADDRESS:

0x14

MODE:

Read/Write

BIT

7

6

5

4

3

2

1

0

NAME

-

BattPREQIM BattUVLOIM BypUVLOIM SysUVLOIM DCDCILimIM DCDCRunAwayIM DCDCPGoodIM

BattPREQIM

BattPREQI Interrupt Mask

1 = Mask 

0 = Unmask

BattUVLOIM

BattUVLOI Interrupt Mask

1 = Mask 

0 = Unmask

BypUVLOIM

BypUVLOI Interrupt Mask

1 = Mask 

0 = Unmask

SysUVLOIM

SysUVLOI Interrupt Mask

1 = Mask 

0 = Unmask

DCDCILimIM

DCDCILimI Interrupt Mask

1 = Mask

0 = Unmask

DCDCRunAwayIM

 DCDCRunAwayI Interrupt Mask

1 = Mask

0 = Unmask

DCDCPGoodIM

DCDCPGoodI Interrupt Mask

1 = Mask 

0 = Unmask

ADDRESS:

0x15

MODE:

Read/Write

BIT

7

6

5

4

3

2

1

0

NAME

DirChgFaultIM

LowPowRIM

LowPowFIM

-

-

-

-

ChgStatIM

DirChgFaultIM

DirChgFaultI Interrupt Mask

1 = Mask 

0 = Unmask

LowPowRIM

LowPowRI Interrupt Mask

1 = Mask 

0 = Unmask

LowPowFIM

LowPowFI Interrupt Mask

1 = Mask 

0 = Unmask

ChgStatIM

ChgStatI Interrupt Mask

1 = Mask 

0 = Unmask

MAX14748

USB Type-C Charger

www.maximintegrated.com

Maxim Integrated  •”‚

  47

background image

Table 26. JEITAIntMask Register (0x16)

Table 27. BCIntMask Register (0x17)

ADDRESS:

0x16

MODE:

Read/Write

BIT

7

6

5

4

3

2

1

0

NAME

-

-

-

ChgThrmRegCurIM

ChgThrmRegVltIM

-

-

ChgThrmStatIM

ChgThrmRegCurIM

ChgThrmRegCurI Interrupt Mask

1 = Mask 

0 = Unmask

ChgThrmRegVltIM

ChgTHrmRegVI Interrupt Mask

1 = Mask 

0 = Unmask

ChgThrmIM

ChgThrmI Interrupt Mask

1 = Mask 

0 = Unmask

ADDRESS:

0x17

MODE:

Read/Write

BIT

7

6

5

4

3

2

1

0

NAME

VBUSDetIM

-

-

ChgTypRunFIM

ChgTypRunRIM PrChgTypIM DCDTmoIM ChgTypIM

VBUSDetIM

VBUSDetI Interrupt Mask

1 = Mask 

0 = Unmask

ChgTypRunFIM

ChgTypRunFI Interrupt Mask

1 = Mask 

0 = Unmask

ChgTypRunRIM

ChgTypRunRI Interrupt Mask

1 = Mask 

0 = Unmask

PrChgTypIM

PrChgTypeI Interrupt Mask

1 = Mask 

0 = Unmask

DCDTmoIM

DCDTmrI Interrupt Mask

1 = Mask 

0 = Unmask

ChgTypIM

ChgTypI Interrupt Mask

1 = Mask 

0 = Unmask

MAX14748

USB Type-C Charger

www.maximintegrated.com

Maxim Integrated  •”‚

  48

background image

Table 28. CCIntMask Register (0x18)

Table 29. LED_CTRL Register (0x19)

ADDRESS:

0x18

MODE:

Read/Write

BIT

7

6

5

4

3

2

1

0

NAME

-

VSAFE0VIM

DetAbrtIM

-

CCPinStatIM

CCIStatIM

CCVcnStatIM

CCStatIM

VSAFE0VIM

VSAFE0VI Interrupt Mask

1 = Mask 

0 = Unmask

DetAbrtIM

DetAbrtI Interrupt Mask

1 = Mask 

0 = Unmask

CCPinStatIM

CCPinStatI Interrupt Mask

1 = Mask 

0 = Unmask

CCIStatIM

CCIStatI Interrupt Mask

1 = Mask 

0 = Unmask

CCVcnStatIM

CCVcnStatI Interrupt Mask

1 = Mask 

0 = Unmask

CCStatIM

CCStatI Interrupt Mask

1 = Mask 

0 = Unmask

ADDRESS:

0x19

MODE:

Read/Write

BIT

7

6

5

4

3

2

1

0

NAME

-

-

-

-

-

-

LEDCtrl

LEDManual

LEDCtrl

LED Manual Control 

0 = LED is OFF 

1 = LED is ON

LEDManual

LED Auto/Manual Configuration 

0 = LED is controlled via charger state machine. 

1 = LED output is manually controlled by LEDCntl bit.  

MAX14748

USB Type-C Charger

www.maximintegrated.com

Maxim Integrated  •”‚

  49

background image

Table 30. ThermaCfg1 Register (0x1A)

ADDRESS:

0x1A

MODE:

Read/Write

BIT

7

6

5

4

3

2

1

0

NAME

T1T2IFchg[2:0]

T2T3IFchg[2:0]

JeitaCfgR[1:0]

T1T2IFchg[2:0]

Fast Charge Current for T1-T2 temperature zone 

000 = 0.2 x IFChg 

001 = 0.3 x IFChg 

010 = 0.4 x IFChg 

011 = 0.5 x IFChg 

100 = 0.6 x IFChg 

101 = 0.7 x IFChg 

110 = 0.8 x IFChg 

111 = 1.0 x IFChg

T2T3IFchg[2:0]

Fast Charge Current for T2-T3 temperature zone 

000 = 0.2 x IFChg 

001 = 0.3 x IFChg 

010 = 0.4 x IFChg 

011 = 0.5 x IFChg 

100 = 0.6 x IFChg 

101 = 0.7 x IFChg 

110 = 0.8 x IFChg 

111 = 1.0 x IFChg

JeitaCfgR[1:0]

TPU SW Configuration

00 = JEITA Monitoring and TPU SW disabled 

01 = JEITA Monitoring and TPU SW Enabled if V

CHGIN

 > V

BDET

 (10ms Debounce)

10 = JEITA Monitoring and TPU SW Enabled

11 = JEITA Monitoring disabled and TPU SW enabled

MAX14748

USB Type-C Charger

www.maximintegrated.com

Maxim Integrated  •”‚

  50

background image

Table 31. ThermaCfg2 Register (0x1B)

Table 32. ThermaCfg3 Register (0x1C)

ADDRESS:

0x1B

MODE:

Read/Write

BIT

7

6

5

4

3

2

1

0

NAME

T3T4IFchg[2:0]

-

T3T4ENset T1T2ENset

T3T4VFset

T1T2VFset

T3T4IFchg[2:0]

Fast Charge Current for T3-T4 temperature zone 

000 = 0.2 x IFChg 

001 = 0.3 x IFChg 

010 = 0.4 x IFChg 

011 = 0.5 x IFChg 

100 = 0.6 x IFChg 

101 = 0.7 x IFChg 

110 = 0.8 x IFChg 

111 = 1.0 x IFChg

T3T4ENset

JEITA charger On/Off in T3-T4 zone. (Only valid if JEITACtrSet = 1)

0 = JEITA turns charger off in T3-T4 zone 

1 = JEITA doesn’t turn charger off in T3-T4 zone 

T1T2ENset

JEITA charger On/Off in T1-T2 zone. (Only valid if JEITACtrSet = 1)

0 = JEITA turns charger off in T1-T2 zone 

1 = JEITA doesn’t turn charger off in T1-T2 zone

T3T4VFset

JEITA voltage scaling enable in T3-T4. (Only valid if JEITACtrSet = 1) 

1 = Enabled 

0 = Disabled

T1T2VFset

JEITA voltage scaling enabled in T1-T2. (Only valid if JEITACtrSet = 1) 

1 = Enabled 

0 = Disabled

ADDRESS:

0x1C

MODE:

 Read/Write Unless Otherwise Noted

BIT

7

6

5

4

3

2

1

0

NAME

-

-

-

-

-

-

JEITACtrSet

WarmCoolSel

JEITACtrSet

JEITA Control Enable

0 = JEITA status Not affect charger

1 = JEITA status affects charger settings (See register ThermaCfg2)

WarmCoolSel

Warm/Cool JEITA Zone Thresholds Select (Read Only).  

0 = 45 °C Warm, 10 °C Cool 

1 = 25 °C Warm, 10 °C Cool 

MAX14748

USB Type-C Charger

www.maximintegrated.com

Maxim Integrated  •”‚

  51

background image

Table 33. ChargerCtrl1 Register (0x1D)

ADDRESS:

0x1D

MODE:

Read/Write or Ready-Only if AppWrtPrtct = †ś(1) Protected†ť (See Table 61) 

BIT

7

6

5

4

3

2

1

0

NAME

ChgAutoStp

BatReChg[1:0]

-

-

BatReg[1:0]

ChgEn

ChgAutoStp

Charger Auto-Stop. Controls the transition from maintain charge to maintain charge done. See Battery Charger 

State diagram. 

0 = Auto-Stop disabled. 

1 = Auto-Stop enabled. 

BatReChg[1:0]

BAT Recharge Threshold. If ChgAutoSta = 1, charger restarts charging if V

BAT

 falls below V

BATREG

 by this 

amount.

00 = 200mV  

01 = 300mV  

10 = 400mV  

11 = 500mV 

BatReg[1:0]

Battery Regulation Threshold  

00 = 8.3V  

01 = 8.4V  

10 = 8.5V 

11 = 8.6V

ChgEn   

On/Off Control for Charger (does not impact SYS node).  

0 = Charger disabled  

1 = Charger enabled 

MAX14748

USB Type-C Charger

www.maximintegrated.com

Maxim Integrated  •”‚

  52

background image

Table 34. ChargerCtrl2 Register (0x1E)

Table 35. ChargerCtrl3 Register (0x1F)

ADDRESS:

0x1E

MODE:

Read/Write or Ready-Only if AppWrtPrtct = †ś(1) Protected†ť (See Table 61) 

BIT

7

6

5

4

3

2

1

0

NAME

-

VPchg[2:0]

IPChg[1:0]

ChgDone[1:0]

VPchg[2:0]

Pre-charge Voltage Threshold Setting 

000 = 5.7V 

001 = 5.8V 

010 = 5.9V 

111 = 6.0V 

100 = 6.1V 

101 = 6.2V 

110 = 6.3V 

111 = 6.4V

IPChg[1:0]

Pre-charge Current Setting 

00 = 0.05 x IFChg 

01 = 0.1 x IFChg 

10 = 0.2 x IFChg 

11 = 0.3 x IFChg

ChgDone[1:0]

Charge Done Threshold Setting 

00 = 0.05 x IFChg 

01 = 0.1 x IFChg 

10 = 0.2 x IFChg 

11 = Reserved

ADDRESS:

0x1F

MODE:

Read/Write or Ready-Only if AppWrtPrtct = †ś(1) Protected†ť (See Table 61)

BIT

7

6

5

4

3

2

1

0

NAME

-

ChgAutoSta

MtChgTmr[1:0]

FChgTmr[1:0]

PChgTmr[1:0]

ChgAutoSta

Charger Auto-Restart Control

0 = Charger remains in maintain charge done even when V

BAT 

is less than BAT recharge threshold.

1 = Charger automatically restarts when V

BAT 

drops below BAT recharge threshold.

MtChgTmr[1:0]

Maintain Charge Timer Setting 

00 = 0min  

01 = 15min  

10 = 30min  

11 = 60min 

FChgTmr[1:0]

Fast- Charge Timer Setting  

00 = 75min  

01 = 150min  

10 = 300min  

11 = 600min 

PChgTmr[1:0]

Pre-charge Timer Setting 

00 = 30min 

01 = 60min 

10 = 120min 

11 = 240min

MAX14748

USB Type-C Charger

www.maximintegrated.com

Maxim Integrated  •”‚

  53

background image

Table 36. ChargerCtrl4 Register (0x20)

Table 37. CurLimCtrl Register (0x21)

ADDRESS:

0x20

MODE:

Read-Only

Read/Write or Ready-Only if AppWrtPrtct = 

†ś(1) Protected†ť (See Table 61)

BIT

7

6

5

4

3

2

1

0

NAME

WeakBatStat[2:0]

-

-

WeakBatEn

-

-

WeakBatStat[2:0]

Weak Battery FSM status 

000 = Idle, charger is not SDP 

001 = Battery condition check 

010 = Weak Battery 2-minute counter running  

011 = Good Battery.  

100 = Weak Battery 2-minute counter expired

101-111 = Reserved

WeakBatEna

Weak Battery FSM Enable 

0 = Disable 

1 = Enable

ADDRESS:

0x21

MODE:

Read/Write

BIT

7

6

5

4

3

2

1

0

NAME

CurLim1Frc

FSUSMsk

-

CurLim1Set[4:0]

CurLim1Frc

Forced Input Current Limit Enable. When CurLim1Frc is 1, the input current limit is by the CurLim1Set[4:0]. 

0 = Not forced

1 = Forced

FSUSMsk

FSUS pin function mask. If FSUSMsk is 1, FSUS pin status is ignored. 

0 = FSUS pin function enabled

1 = FSUS pin function disabled

CurLim1Set[4:0]

Forced Input Current Limit Value. The input current limit is forced to this value if CurLim1Frc is set to 1.

00000 = 0.10A 

00001 = 0.20A        

†¦

11101 = 3.00A

11110 = Reserved

11111 = Reserved

MAX14748

USB Type-C Charger

www.maximintegrated.com

Maxim Integrated  •”‚

  54

background image

Table 38. CurLimStatus Register (0x22)

Table 39. BBCFG1 Register (0x23)

ADDRESS:

0x22

MODE:

Read Only

BIT

7

6

5

4

3

2

1

0

NAME

CurLim2Rb[2:0]

SpvChgIlim[4:0]

CurLim2Rb[2:0]

Active Charger/Boost current as percent of the value set by R

SET

0 = 20% 

1 = 30% 

2 = 40% 

3 = 50% 

4 = 60% 

5 = 70% 

6 = 80% 

7 = 100% 

SpvChgIlim[4:0]

SpvChgIlim[4:0] shows the actual input current limit currently set. 

00000 = 0.10A      

00001 = 0.20A        

†¦

11101 = 3.00A

11110 = Reserved

11111 = Reserved

ADDRESS:

0x23

MODE:

Read/Write or Ready-Only if AppWrtPrtct = †ś(1) Protected†ť (See Table 61)

BIT

7

6

5

4

3

2

1

0

NAME

BoostRComp[3:0]

-

-

-

-

BoostRComp[3:0]

Sets the internal compensation resistor for the boost mode 

0000 = 9.5kW 

0001 = 17.3kW 

0010 = 25.3kW 

0011 = 33.2kW 

0100 = 41.4kW 

0101 = 49.2kW 

0110 = 57.3kW 

0111 = 65.1kW 

1000 = 73.6kW 

1001 = 81.4kW  

1010 = 89.4kW  

1011 = 97.2kW  

1100 = 105.5kW  

1101 = 113.3kW  

1110 = 121.4kW  

1111 = 129.2kW 

MAX14748

USB Type-C Charger

www.maximintegrated.com

Maxim Integrated  •”‚

  55

background image

Table 40. BBCFG2 Register (0x24)

ADDRESS:

0x24

MODE:

Read/Write or Ready-Only if AppWrtPrtct = †ś(1) Protected†ť (See Table 61)

BIT

7

6

5

4

3

2

1

0

NAME

-

-

-

BBFrcZX

BuckVSet[3:0]

BBFrcZX

BBFrcZX sets the Buck in forced ZX mode.

0 = Forced PWM Mode

1 = Forced ZX Mode

BuckVSet[3:0]

Buck Regulation Voltage 

0000 = 4.0V 

0001 = 4.1V 

0010 = 4.2V 

0011 = 4.3V 

0100 = 4.4V 

0101 = 4.5V 

0110 = 4.6V 

0111 = 4.7V 

1000 = 4.8V 

1001 = 4.9V 

1010 = 5.0V 

1011 = 5.1V 

1100 = 5.2V 

1101 = 5.3V 

1110 = 5.4V 

1111 = 5.5V

MAX14748

USB Type-C Charger

www.maximintegrated.com

Maxim Integrated  •”‚

  56

background image

Table 41. BCCtrl1 Register (0x25)

ADDRESS:

0x25

MODE:

Read/Write

BIT

7

6

5

4

3

2

1

0

NAME

DCD2s

SfOutLvl

-

ADC3PDet

SfOutCtrl[1:0]

ChgDetMan

ChgDetEn

DCD2s

DCD2s sets the timing of DCD in BC1.2 

0 = standard 

1 = 2s

SfOutLvl

SFOUT Voltage Level Select 

0 = 5V 

1 = 3.3V

ADC3PDet

3A DCP Detection Enable (adds detection step after BC1.2 completes to detect presence of 3A DCP) 

0 = Not Enabled 

1 = Enabled

SfOutCtrl[1:0]

Safe Out LDO SFOUT Control  

00 = Always Disabled 

01 = On if a valid CHGIN voltage is present 

10 =Turns on under following conditions. 

        a. ChgDetEn = 1, CHGIN is valid, and BC1.2 FSM Detection is finished

        b. ChgDetEn = 0, and CHGIN is valid 

11: RFU

 

Note: CHGIN valid can be external CHGIN voltage or CHGIN voltage generated by reverse buck in Attached.

SRC_CCx mode. A system that supports power swap must not use SFOUT LDO to supply USB transceiver. 

According to USB PD specification, CHGIN will collapse during power swap. This turns off SFOUT LDO which is 

supplied from CHGIN, and kills USB communication.

ChgDetMan

ChgDetMan forces manual run of charger detection. (Bit auto-resets to 0) 

0 = Not enabled 

1 = Request manual run of charger detection

ChgDetEn

Charger Detection Enable 

0 = Not enabled 

1 = Enabled (charger detection runs every time V

CHGIN

 > V

BDET

 and DetAbrt = 0)

MAX14748

USB Type-C Charger

www.maximintegrated.com

Maxim Integrated  •”‚

  57

background image

Table 43. CCCtrl1 Register (0x27)

Table 42. Reserved Register (0x26)

ADDRESS:

0x27

MODE:

Read/Write

BIT

7

6

5

4

3

2

1

0

NAME

-

-

-

-

CCSnkSrc

CCDbgEn

CCAudEn

CCDetEn

CCSnkSrc

Allow State machine to enter Source Mode (DFP) detection.  Note USB PD role swap is allowed to enter Source 

mode.  

0 = Disable 

1 = Enabled

CCDbgEn

Enable Detection of Type-C Debug Adapter 

0 = Disabled 

1 = Enabled

CCAudEn

Enable Detection of Type-C Audio Adapter 

0 = Disabled 

1 = Enabled

CCDetEn

Enable CC Pin Detection - Force State Machine to Disabled State. 

0 = Disabled 

1 = Enabled

ADDRESS:

0x26

MODE:

Read Only

BIT

7

6

5

4

3

2

1

0

NAME

-

-

-

-

-

-

-

-

MAX14748

USB Type-C Charger

www.maximintegrated.com

Maxim Integrated  •”‚

  58

background image

Table 44. CCCtrl2 Register (0x28)

ADDRESS:

0x28

MODE:

Read/Write

BIT

7

6

5

4

3

2

1

0

NAME

CCForceError SnkAttachedLock CCSnkSrcSwp CCSrcSnkSwp CCVcnSwp CCVcnEn CCSrcRst CCSnkRst

CCForceError

Bit resets to 0 after a write (This bit resets to 0 automatically when action is done) 

0 = No action 

1 = Force transition to ErrorRecovery state.

SnkAttachedLock

Bit resets to 0 after a minimum of 1.1s 

0 = Exit Attached.SNK* state when V

CHGIN

 < V

BDET

 for more than t

PDDEB

 

1 = Locked in Attached.SNK* state for a minimum of 1.1s if VBUS not present 

CCSnkSrcSwp

USB PD Power role swap from Source to Sink.  This bit must be written to 0 once the USB PD controller 

completes the power role swap sequence 

0 = No Swap Requested 

1 = Swap Requested

CCSrcSnkSwp

USB PD Power role swap from Sink to Source.  This bit must be written to 0 once the USB PD controller 

completes the power role swap sequence 

0 = No Swap Requested 

1 = Swap Requested

CCVcnSwp

Signal State Machine to Swap V

CONN

 roles.  Bit resets to 0 after a write (Note this bit will reset to 0 

automatically when action is done) 

0 = No change in V

CONN

 role 

1 = force change in V

CONN

CCVcnEn

Force state of V

CONN

 

0 = Force V

CONN

 off (both external Buck converter and V

CONN

 switch) 

1 = Automatic operation based on State Machine

CCSrcRst

Force a reset of the State Machine - Immediate transition to Unattached.SRC* state. Bit resets to 0 after a write. 

0 = No reset 

1 = Request reset

CCSnkRst

Force a reset of the State Machine - Immediate transition to Unattached.SNK* state. Bit resets to 0 after a write. 

0 = No reset 

1 = Request reset

* Attached.SNK, Unattached.SRC, and Unattached.SNK are defined in USB Type-C Specificaiton Release 1.1.

MAX14748

USB Type-C Charger

www.maximintegrated.com

Maxim Integrated  •”‚

  59

background image

Table 45. CCCtrl3 Register (0x29)

Table 46. CHGINILim1 Register (0x2A)

ADDRESS:

0x29

MODE:

Read/Write

BIT

7

6

5

4

3

2

1

0

NAME

-

-

-

-

CCTrySnk

CCPreferSnk

CCDRPPhase[1:0]

CCTrySnk

Enable transition from AttachWait.SRC* to Try.SNK* then to Attach.SNK_CCx* or to TryWait.SRC* for DRP 

that strongly prefers the SNK role. CCTrySnk has higher priority than CCPreferSnk. 

0 = Disabled

1 = Enabled

CCPreferSnk

Enable transition from Unattached.SRC* to Try.SNK* then to Unattached.SNK* for DRP that strongly prefers 

the SNK role.

0 = Disabled

1 = Enabled

CCDRPPhase[1:0]

Percent of time device is acting as Unattached.SRC* when CCSNKSRC = 1 

00 = 35% 

01 = 40% 

10 = 45% 

11 = 50%

ADDRESS:

0x2A

MODE:

Read Only

BIT

7

6

5

4

3

2

1

0

NAME

-

CHGINILim[6:0]

CHGINILim[6:0]

Status of charger input current limit set by charger detection (in 33mA step). Note that the first 4 codes are 

all 100mA. 

0000000 = 100mA

0000001 = 100mA

0000010 = 100mA

0000011 = 100mA

0000100 = 133mA

0000011 = 166mA

†¦

1111111 = 4059mA

* AttachWait.SRC, Try.SNK, Attached.SNK, TryWait.SRC, Unattached.SNK, and Unattached SRC are defined in USB Type-C 

Specificaiton Release 1.1. 

MAX14748

USB Type-C Charger

www.maximintegrated.com

Maxim Integrated  •”‚

  60

background image

Table 47. CHGINILim2 Register (0x2B)

ADDRESS:

0x2B

MODE:

Read/Write

BIT

7

6

5

4

3

2

1

0

NAME

-

-

-

-

CHGINILimGate

SDPMaxCur[1:0]

CDPMaxCur

CHGINILimGate

CHGINILim Control options 

0 = No gating of CHGINILim setting by BC1.2 FSM 

1 = Gate changes in CHGINILim until BC1.2 FSM completes - ChgTypRun = 0

SDPMaxCur[1:0]

SDP Nonstandard Type-C Cable Control.  USB-C to USB-A cables may have incorrect CC resistor 

indicating 1.5A or 3A. Requires CHGINILimGate = 1. 

00 = No modification of CHGIN_LIM 

01 = Limit SDP to 500mA. ChgTyp = 01 (SDP) and PrChgTyp = 000 (unknown) set CHGINILim[6:0] to 0x0F 

10 = Limit SDP to 1.0A. ChgTyp = 01 (SDP) and PrChgTyp = 000 (unknown) set CHGINILim[6:0] to 0x1E 

11 = Limit SDP to 1.5A. ChgTyp = 01 (SDP) and PrChgTyp = 000 (unknown) set CHGINILim[6:0] to 0x2D

CDPMaxCur

CDP Nonstandard Type-C cable control.  USB-C to USB-A cables may have incorrect CC resistor indicating 

3A. Requires CHGIN_LIM_Gate = 1. 

0 = No modification of CHGIN_LIM 

1 = Limit CDP to 1.5A. ChgTyp = 10 (CDP) and PrChgTyp = 000 (unknown) set CHGINILim[6:0] to 0x2D

MAX14748

USB Type-C Charger

www.maximintegrated.com

Maxim Integrated  •”‚

  61

background image

Table 48. AICLCFG1 Register (0x2C)

Table 49. AICLCFG2 Register (0x2D)

ADDRESS:

0x2C

MODE:

Read/Write or Ready-Only if AppWrtPrtct = †ś(1) Protected†ť (See Table 61)

BIT

7

6

5

4

3

2

1

0

NAME

AICLEn

-

-

-

-

-

-

AICLAbort

AICLEn

AICL Enable. Writing 1 to AICLEn enables AICL operation. Note that if AICLAbort is 1, AICL operation is not 

allowed. This bit auto-resets to 0. 

0 = No Action 

1 = AICL enabled

AICLAbort

High Priority AICL Abort. 

0 = Device is allowed to run AICL by writing 1 to AICLEn. 

1 = Device is NOT allowed to run AICL operation. AICL operation will be aborted if it’s already running. 

ADDRESS:

0x2D

MODE:

Read/Write or Ready-Only if AppWrtPrtct = †ś(1) Protected†ť (See Table 61)

BIT

7

6

5

4

3

2

1

0

NAME

BYPUVLO[2:0]

AICLMaxI[4:0]

BYPUVLO[2:0]

VBUS Theshold below which AICL stops incrementing the current 

000 = 3.8V 

001 = 3.9V 

010 = 4.0V 

011 = 4.1V 

100 = 4.2V 

101 = 4.3V 

110 = 4.4V 

111 = 4.5V

AICLMaxI[4:0]

AICL Stop Current (in 100mA step)

00000 = 100mA

00001 = 200mA

†¦

11111 = 3.2A

MAX14748

USB Type-C Charger

www.maximintegrated.com

Maxim Integrated  •”‚

  62

background image

Table 50. AICLCFG3 Register (0x2E)

Table 51. DPDNSw Register (0x2F)

Table 52. Others Register (0x30)

ADDRESS:

0x2E

MODE:

Read/Write or Ready-Only if AppWrtPrtct = †ś(1) Protected†ť (See Table 61)

BIT

7

6

5

4

3

2

1

0

NAME

-

-

-

BYPDeb

AICLTBlk[1:0]

AICLTStep[1:0]

BYPDeb

AICL BYPUVLO[2:0] Rise Threshold Debounce Setting

0 = 500ms

1 = 200ms

AICLTBlk[1:0]

TBLANK Time Setting 

00 = 500ms

01 = 1s 

10 = 1.5s

11 = 5s

AICLTStep[1:0]

TSTEP Time Setting 

00 = 100ms 

01 = 200ms 

10 = 300ms 

11 = 500ms

ADDRESS:

0x2F

MODE:

Read/Write

BIT

7

6

5

4

3

2

1

0

NAME

-

-

-

-

-

AnSwCntl[1:0]

AnSwCntl[1:0]

AnSwCntl Analog Switch Configuration 

00 = Auto. Switch is open during adapter detection. Switch closes if SDP or CDP is detected. 

01 = Auto in SDP or CDP and Buck mode is detected. 

10 = Switch forced open 

11 = Switch forced closed

ADDRESS:

0x30

MODE:

Read/Write

BIT

7

6

5

4

3

2

1

0

NAME

-

-

-

-

-

-

-

USBCRSet

USBCRSet

USB-C Registers Reset. Writing 1 to USBCRSet resets registers associated with USB-C operation. (Note that 

this operation opens the input limiter and turns off the boost converter temporarily.) Reset types are RST3 and 

RST4. See Table 59 and Table 60 for more details. This bit auto-resets to 0.

0 = No Action

1 = Reset Registers

MAX14748

USB Type-C Charger

www.maximintegrated.com

Maxim Integrated  •”‚

  63

background image

Table 53. Reserved Register (0x31)

Table 54. Reserved Register (0x32)

Table 55. LowPow Register (0x33)

Table 56. Reserved Register (0x34)

Table 57. FLTSel Register (0x35)

ADDRESS:

0x31

MODE:

Read Only

BIT

7

6

5

4

3

2

1

0

NAME

-

-

-

-

-

-

-

-

ADDRESS:

0x32

MODE:

Read Only

BIT

7

6

5

4

3

2

1

0

NAME

-

-

-

-

-

-

-

-

ADDRESS:

0x33

MODE:

Read/Write

BIT

7

6

5

4

3

2

1

0

NAME

LowPowEn

-

-

-

-

-

-

LowPowAbort

LowPowEn

Low Power Mode Enable. Set LowPowEn to 1 to enter Low Power mode. Note that if LowPowAbort is 1, Low 

Power Mode is not allowed. This bit auto-resets to 0.

0 = No Action

1 = Enter Low Power mode

LowPowAbort

High Priority Low Power Mode Abort

0 = Device is allowed to enter Low Power mode by writing 1 to LowPowEn.

1 = Device is NOT allowed to enter Low Power Mode. Low Power Mode will be exited if device has already 

entered it. 

ADDRESS:

0x34

MODE:

Read Only

BIT

7

6

5

4

3

2

1

0

NAME

-

-

-

-

-

-

-

-

ADDRESS:

0x35

MODE:

Read/Write

BIT

7

6

5

4

3

2

1

0

NAME

FLTSelect[1:0]

-

-

-

-

-

-

FLTSelect[10]

FLTIN Charger-Faulting and External Reset Function Enable

00 = No effect and internally ignored 

01 = Low on FLTIN pin (60ms debounce) places the charger in Battery Fault Charge Suspend state 

(ChgStat[3:0] = 1000). 

1x = Falling edge on FLTIN pin resets all registers. Reset types are RST1/RST2/RST3. See Table 59 and 

Table 60 for more details.

MAX14748

USB Type-C Charger

www.maximintegrated.com

Maxim Integrated  •”‚

  64

background image

RESET TYPE

RESET CONDITION

RST

1. V

CCINT

 Power-On Reset

RST1

1. V

CCINT

 Power-On Reset or 

2. FLTIN falling edge (only if FLTSelect[1] = 1)

RST2

1. V

CCINT

 Power-On Reset or

2. FLTIN falling edge (only if FLTSelect[1] = 1) or

3. VBUSDet rising edge

RST3

1. V

CCINT

 Power-On Reset or

2. FLTIN falling edge (only if FLTSelect[1] = 1) or

3. USB-C reset through USBCRSet (0x30[0]) 

APPLICATION INDUCTANCE 

( µH)

R

DC

(MΩ)

SATURATION  

CURRENT (A)

CURRENT 

RATING (A)

SUGGESTED PARTS

3A Type-C 

Adapters

2.2μH

26

4.2

3.7

Taiyo Yuden NRS6028T2R2NMGJ

2.2μH

80

3.5

2.8

BOURNS SRP4012TA-2R2M

Table 59. Reset Types

Table 58. Suggested Inductors

MAX14748

USB Type-C Charger

www.maximintegrated.com

Maxim Integrated  •”‚

  65

Appilications Information

Component Selection

The correct selection of external components ensures 

high efficiency, low output ripple, and fast transient 

response. 

Inductor Selection

The  MAX14748  is  designed  to  use  a  1.5μH  or  2.2μH 

inductor. See 

 for suggested inductors and 

 

manufacturers. 

BAT Capacitor Selection 

BAT capacitor is required to keep the BAT voltage ripple 

small and to ensure regulation loop stability. The BAT 

capacitor must have low impedance at the switching  

frequency. Ceramic capacitors with X5R or X7R dielectric 

are highly recommended due to their small size, low ESR, 

and small temperature coefficients. 
BAT requires careful bypassing. In the PCB layout, place 

BAT capacitor as close as possible to BAT to minimize 

parasitic inductance. If making connections to BAT capacitor 

through vias, ensure that the vias are rated for the 

expected input current to avoid excess inductance and 

resistance between the capacitor and BAT. 
The  recommended  nominal  BAT  capacitance  is  22μF, 

however, after initial tolerance, bias voltage, aging, and 

temperature derating, the effective capacitance must be 

greater than 10μF. To ensure regulation loop stability, the 

effective BAT capacitance should be chosen within the 

range of 10μF to 30μF. 

SYS Capacitor Selection

SYS capacitor acts as the output capacitor for the boost 

converter when charging, and the input capacitor for 

the reverse buck converter when the device is acting as 

power source in DRP mode. SYS capacitor is required to 

keep the SYS voltage ripple small and to ensure regu-

lation loop stability. It must have low impedance at the 

switching frequency. Ceramic capacitors with X5R or X7R 

dielectric are highly recommended due to their small size, 

low ESR, and small temperature coefficients. 
Place SYS capacitor as close as possible to SYS to minimize 

parasitic inductance. If making connections to SYS 

capacitor through vias, ensure that the vias are rated for 

the expected input current to avoid excess inductance 

and resistance between the capacitor and SYS. 
The  recommended  nominal  SYS  capacitance  is  40μF, 

however, after initial tolerance, bias voltage, aging, and 

temperature derating, the effective capacitance must be 

greater than 15μF. 

BYP Capacitor Selection 

BYP capacitor acts as the input capacitor for the boost 

con ¬verter, and the output capacitor for the reverse buck 

converter. BYP capacitor reduces the current peaks 

drawn from the input power source when charging while 

reducing the output voltage ripple of the reverse buck 

converter when it is acting as power source in DRP mode. 

The impedance of the input capacitor at the switching fre-

quency should be very low. Ceramic capacitors with X5R 

or X7R dielectric are highly recommended due to their 

small size, low ESR, and small temperature coefficients. 

background image

MAX14748

USB Type-C Charger

www.maximintegrated.com

Maxim Integrated  •”‚

  66

BYP requires careful bypassing. In the PCB layout, place 

BYP capacitor as close as possible to the BYP to mini-

mize parasitic inductance. If making connections to BYP 

capacitor through vias, ensure that the vias are rated for 

the expected input current to avoid excess inductance 

and resistance between the capacitor and BYP. 
The  recommended  nominal  BYP  capacitance  is  22μF, 

however, after initial tolerance, bias voltage, aging, and 

temperature derating, the effective capacitance must be 

greater than 10μF. 

CHGIN Capacitor Selection

CHGIN capacitor decouples a charge source and its 

parasitic impedance. Typically, the charger source at 

CHGIN is a USB connector’s VBUS. The recommended 

nominal  CHGIN  capacitance  is  1μF.  Larger  capacitance 

at CHGIN improves the decoupling; how ¬ever, take care 

not to exceed the maximum capacitance allowed by the 

USB specification.
The impedance of the CHGIN at the DC-DC switching fre-

quency should be very low. Ceramic capacitors with X5R 

or X7R dielectric are highly recommended due to their 

small size, low ESR, and small temperature coefficients. 

To fully utilize the +30V input capability of the, choose a 

capacitor with a 35V or greater rating; many appli ¬cations 

don’t need to utilize the full input capability of the device 

and find that a 16V or 10V rated input capacitor is suf-

ficient.

BST Capacitor Selection

Choose the nominal BST capacitance to be 0.1μF. BST 

capacitor is part of a charge pump that creates the high-

side gate drive for the DC-DC. It is recommended that the 

BST capacitor has at least 10V rating. 

PCB Layout and Routing

High switching frequencies and large peak currents 

make PCB layout a very important part of design. Good 

design minimizes excessive EMI on the feedback paths 

and voltage gradients in the ground plane, both of which 

can result in instability or regulation errors. Connect the 

inductor, input capacitors, and output capacitors as close 

together as possible, and keep their traces short, direct, 

and wide. Keep noisy traces, such as the LX node, as 

short as possible.

background image

MAX14748

USB Type-C Charger

www.maximintegrated.com

Maxim Integrated  •”‚

  67

Table 60. Register Reset Types and Default Values

REGISTER 

ADDRESS

REGISTER 

NAME

RESET 

TYPE

MAX14748

0x00

ChipID

RST1

0x3E

0x01

ChipRev

RST1

0x33

0x02

DevStatus1

RST1

STATUS*

0x03

AICLStatus

RST1

STATUS

0x04

DevStatus2

RST1

STATUS

0x05

ChgStatus

RST1

STATUS

0x06

JEITAStatus

RST1

STATUS

0x07

BCStatus

RST3

STATUS

0x08

Reserved

-

0x00

0x09

CCStatus1

RST3

STATUS

0x0A

CCStatus2

RST3

STATUS

0x0B

DevInt1

RST1

INT*

0x0C

AICLInt

RST1

INT

0x0D

DevInt2

RST1

INT

0x0E

ChgInt

RST1

INT

0x0F

JEITAInt

RST1

INT

0x10

BCInt

RST3

INT

0x11

CCInt

RST3

INT

0x12

DevInt1Mask

RST1

0xFF

0x13

AICLIntMask

RST1

0x40

0x14

DevInt2Mask

RST1

0x7F

0x15

ChgIntMask

RST1

0xF1

0x16

JEITAIntMask

RST1

0x19

0x17

BCIntMask

RST3

0xFF

0x18

CCIntMask

RST3

0x7F

0x19

LED_CTRL

RST1

0x00

0x1A

ThermaCfg1

RST2

0x7D

0x1B

ThermaCfg2

RST2

0xEF

0x1C

ThermaCfg3

RST2

0x02

REGISTER 

ADDRESS

REGISTER 

NAME

RESET 

TYPE

MAX14748

0x1D

ChargerCtrl1

RST2

0x80

0x1E

ChargerCtrl2

RST2

0x10

0x1F

ChargerCtrl3

RST2

0x49

0x20

ChargerCtrl4**

RST2

0x06

0x21

CurLimCtrl

RST2

0x00

0x22

CurLimStatus

RST1

STATUS

0x23

BBCFG1

RST1

0x20

0x24

BBCFG2

RST1

0x8A

0x25

BCCtrl1

RST3

0x05

0x26

Reserved

-

0x00

0x27

CCCtrl1

RST3

0x19

0x28

CCCtrl2

RST3

0x04

0x29

CCCtrl3

RST3

0x08

0x2A

CHGINILim1

RST3

STATUS

0x2B

CHGINILim2

RST3

0x0B

0x2C

AICLCFG1

RST1

0x01

0x2D

AICLCFG2

RST1

0x44

0x2E

AICLCFG3

RST1

0x05

0x2F

DPDNSw

RST2

0x01

0x30

Others

RST1

0x00

0x31

Reserved

-

0x00

0x32

Reserved

-

0x00

0x33

LowPow

RST1

0x01

0x34

Reserved

-

0x01

0x35

FLTSel

RST

0x80

*INT and STATUS: status and interrupt register values vary 

based on device operating condition.
** ChargerCtrl4 register value depends on the status of 

WeakBatStat[2:0] bits.

background image

MAX14748

USB Type-C Charger

www.maximintegrated.com

Maxim Integrated  •”‚

  68

Table 61. Register Bit Default Values

REGISTER BITS

VALUES

CDPMaxCur

1500mA

SDPMaxCur[1:0]

500mA

CHGINILimGate

Gating

CCAudEn

Disabled

CCDbgEn

Disabled

CCSnkSrc

Enabled

JeitaCfgR[1:0]

†ś01†ť

CCDRPPhase[1]

35% or 40%

CCTrySnk

Enabled

SfOutCtrl[1:0]

†ś01†ť

ADC3PDet

Disabled

DCD2s

Standard

WarmCoolSel

45 °C/10 °C

T1T2IFchg[2:0]

0.5 x IFChg

T3T4IFchg[2:0]

1.0 x IFChg

BatReg[1:0]

8.3V

ChgEn

Disabled

JETIACtrSet

(1) Control

IPChg[1:0]

0.05 x IFChg

ChgDone[1:0]

0.05 x IFChg

ChgAutoStp

Enabled

BatReChg[1:0]

100mV

FreshBatDis

Done

ChgAutoSta

Enabled

MtChTmr[1:0]

0min

FChgTmr[1:0]

300min

PChgTmr[1:0]

60min

ChipRevH[3:0]

3

AppWrtPrtct

(0) Writable

VPchg[2:0]

5.8V

T3T4ENset

Enabled

T1T2ENset

Enabled

T3T4VFset

Enabled

T1T2VFset

Enabled

T2T3IFchg[2:0]

1.0 x IFChg

BoostRComp[3:0]

2

REGISTER BITS

VALUES

FLTSelect[1:0]

(10) Reset

BuckVSet[3:0]

5.0V

AnSwCntl[1:0]

(01) Auto

AICLTStep[1:0]

200ms

WeakBatEna

Enabled

BYPUVLO{2:0]

4.0V

AICLMax[4:0]

500mA

BYPDeb

500 µs

AICLTBlk[1:0]

1000ms

background image

MAX14748

USB Type-C Charger

www.maximintegrated.com

Maxim Integrated  •”‚

  69

Typical Application Circuit

15W TYPE-C

ADAPTER

OVP and

CURRENT

LIMIT

CONTROL

REFERENCE

BIAS CIRCUITS

LINEAR

CHARGER

and

POWERPATH

CONTROL

PROTECTED

LDO

SYSTEM

USB

TX/RX

VCONN

SUPPLY

USB CHARGER

DETECTION

INTERFACE

USB SWITCH

BOOST-BUCK

CONTROLLER

SYSTEM

LOAD

I2C INTERFACE

AND CONTROL

LOGIC

JEITA

MANAGEMENT

SYSTEM

MICRO

SUPERSPEED

MUX

CHGIN

NVP

SET

V

CCINT

SFOUT

CDN, CDP

TDN, TDP

CC1, CC2

V

CONN

BVCEN

CDIR

VIO

VIO

THM

TPU

VTPU

BAT

FLTIN
SDA, SCL
INT
SYSOK
FSUS
LED

BYP

BREG
BST

LX

SYS

1 µF

0.1 µF

10 µF

L1

1 µF

0.1 µF

22 µF

10 µF

1 µF

1 µF

VBUS

COMP

3.9nF

0.1 µF

0.1 µF

Note: All capacitance values listed in this document refer to effective capacitance. Be sure to specify capacitors that will meet these 

requirements under typical system operating conditions taking into consideration the effects of voltage and temperature.

background image

+Denotes a lead(Pb)-free package/RoHS-compliant package. 

See 

 for the device differences. 

T = Tape and reel.

PART

TEMP RANGE

PIN-PACKAGE

MAX14748EWW+

-40 şC to +85 şC

54 WLP

MAX14748EWW+T

-40 şC to +85 şC

54 WLP

PACKAGE 

TYPE

PACKAGE 

CODE

OUTLINE 

NO.

LAND 

PATTERN NO.

54 WLP

W542C3+1

Refer to 

MAX14748

USB Type-C Charger

www.maximintegrated.com

Maxim Integrated  •”‚

  70

Ordering Information

Chip Information

PROCESS: BiCMOS

Package Information

For the latest package outline information and land patterns 

(footprints), go to

 

. Note 

that a †ś+†ť, †ś#†ť, or †ś-†ť in the package code indicates RoHS status 

only. Package drawings may show a different suffix character, but 

the drawing pertains to the package regardless of RoHS status.

background image

REVISION

NUMBER

REVISION

DATE

DESCRIPTION

PAGES

CHANGED

0

6/17

Initial release

Maxim Integrated cannot assume responsibility for use of any circuitry other than circuitry entirely embodied in a Maxim Integrated product. No circuit patent licenses 

are implied. Maxim Integrated reserves the right to change the circuitry and specifications without notice at any time. The parametric values (min and max limits) 

shown in the Electrical Characteristics table are guaranteed. Other parametric values quoted in this data sheet are provided for guidance.

Maxim Integrated and the Maxim Integrated logo are trademarks of Maxim Integrated Products, Inc.

MAX14748

USB Type-C Charger

© 2017 Maxim Integrated Products, Inc.  •”‚  71

Revision History

For pricing, delivery, and ordering information, please contact Maxim Direct at 1-888-629-4642, or visit Maxim Integrated’s website at www.maximintegrated.com.


Document Outline


powered by phppowered by MySQLPOWERED BY APACHEPOWERED BY CentOS© 2004 - 2025Información Legalpoliticas de cookiesipv6 ready