| Autor | Mensaje |
|---|
| Asunto: Este es el ultimo sircuito que pongo Publicado: 10 Abr, 2006 - 03:12 |
|
Nuevo en el Foro

Registrado: 08 Abr, 2006
Mensajes: 9
|
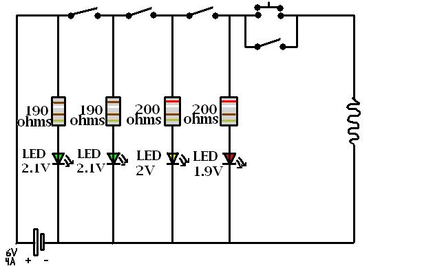
| bueno, aca esta el ultimo circuito que voy a colocar aca (asi dejo de joder un poco!!!)
bueno aca tengo este circuito con esas resistensias, por favor diganmen si eso funsiona! yo me guie co esta cuenta: (voltaje de la vateria- voltaje del LED) dividido el amperaje del LED. (6-2.1)/0.02
bueno diganmen si funsiona!!!
gracias chauuu |
| circuito.JPG |

|
| |
| |
|
|
 |
| Asunto: RE: Este es el ultimo sircuito que pongo Publicado: 10 Abr, 2006 - 03:17 |
|
Nuevo en el Foro

Registrado: 08 Abr, 2006
Mensajes: 9
|
| me parese que seria mejor poner en los LEDs verdes una resistencia de 200 ohms, y en el amarillo y el rojo una resistencia de 210 ohms. o no? me confundi cuando lo dibujé)! jejeje igual este sircuito es re trucho (es que no queria pensar mucho en como hacerlo, y lo ise bien simple!). bueno, diganmen si va a funsionar asi como lo ise!!!!
gracias y chau | |
| |
| |
|
|
 |
| Asunto: RE: Este es el ultimo sircuito que pongo Publicado: 10 Abr, 2006 - 03:11 |
|
Vive en el foro

Registrado: 08 Jul, 2004
Mensajes: 253
Ubicación: Algorta (Vizcaya)
|
| Aún no está pulido del todo. El cálculo de las resistencias está bien hecho lo que pasa es que en le comercio encontrarás de 220 ohmios. Compralas de 220 ohmios como te digo y de 1/4 de vattio. No te preocupes por los diodos ya que al aumentar la resistencia, la intensidad disminuye, así que no se van a estropear.
Por otro lado, QUITA el pulsador, el interruptor en paralelo y la resistencia de la derecha QUE NO VALEN PARA NADA EN EL CIRCUITO. Cuando digo quita, quiero decir QUITA, no pongas ningún cable en su lugar.
Suerte | |
| |
| |
|
|
 |
| Asunto: RE: Este es el ultimo sircuito que pongo Publicado: 10 Abr, 2006 - 06:23 |
|
Nuevo en el Foro

Registrado: 08 Abr, 2006
Mensajes: 9
|
| | muchas muchas muchas GRACIAS, me salvaste en el proyecto de la escuela!!! | |
| |
| |
|
|
 |
| Asunto: RE: Este es el ultimo sircuito que pongo Publicado: 11 May, 2006 - 12:30 |
|
Fanatico de la Electronica

Registrado: 10 May, 2006
Mensajes: 619
|
| | MEJOR AUN. Usa un LM3914 que hace todo lo que quieres y tambien es muy sencillo. | |
| |
| |
|
|
 |
|