| Autor | Mensaje |
|---|
| Asunto: ayuda con circuito.....esto puede funcionar??? Publicado: 03 May, 2006 - 04:05 |
|
Nuevo en el Foro

Registrado: 03 May, 2006
Mensajes: 3
|
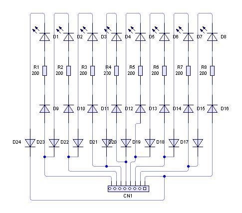
| hola... soy nuevo en el foro..... y quisiera saber si este circuito puede llegar a funcionar.... es algo muy simple y si llega afuncionar voy a subir el circuito completo y el PCB.....
se trata de un tester de red.... mejor dicho de CABLES DE RED..... con un 555 y un 4017..... a la salida del 4017 salen 9v..... segun mi programa de testeo (LIVEWIRE)....
manda una señal a cada uno de las salidas cada un segundo.... asi vamos probando cable por cable..... pero mi pregunta/duda es la siguiente..... el circuito esta separado en dos... o sea 2 placas separadas..... en una conecto el cable y en la otra la otra punta para verificar si funciona....mi problema es en la etapa receptora.... que no se como volver a TIERRA... pense en el siuinete diagrama... lo explico aca y mas abajo pongo los diagramas....
sale un pulso por el cable "1"... pasa por un diodo.. resistencia y un led.... ahi termina la etapa de envio.... pasa por el cable....llega a la etapa receptora... pasa por un diodo...resistencia y led.... (ahora esta el problema)....como llego a tierra???... pense en lo siguiente... despues del led de la etapa receptora... conectarlo al segundo cable.... con un diodo... ya que en este hay un "cero"... o no es asi????...
mejor pongo las imagenes para que me puedan dar una mano...
PD: tambien quisiera saber que VALOR de resistencia debo colocar para que prendan los leds.. pero que no sea muy tenue... pero que no se me quemen... gracias.... |
| receptor.JPG |
 etapa de recepcion
|
| emisor.JPG |
 etapa de envio
|
| |
| |
|
|
 |
| Asunto: RE: ayuda con circuito.....esto puede funcionar??? Publicado: 05 May, 2006 - 08:40 |
|
Nuevo en el Foro

Registrado: 03 May, 2006
Mensajes: 3
|
| | 70 lecturas y nadie que me pueda contestar eso?????........ igualmente gracias.... | |
| |
| |
|
|
 |
| Asunto: RE: ayuda con circuito.....esto puede funcionar??? Publicado: 10 May, 2006 - 04:33 |
|
Fanatico de la Electronica

Registrado: 10 May, 2006
Mensajes: 619
|
| Es que te explicas no muy bien.
Veo que en el emisor tienes un fallo. Conectas el retorno de la izquierda en el pin de la derecha. Error, ya que cierras el bucle. Si en el pin mas a la derecha aplicaras por ejemplo 25VDC, ¿que tension tienes en el catodo del diodo D24? 25V otra vez, por lo tanto diferencia de tensión cero. Si activas el ramal más a la izquierda (en el receptor) y llevas a masa el segundo ramal empezando por la derecha, se te activan dos ramales (error).
Yo creo que el receptor no esta bien diseñado de acuerdo a la funcion que tiene que hacer. Yo repetiría el receptor con el diseño del emisor, pero el conector CN2 lo sustituiría por masa y la entrada seria un conector. Respecto a la resistencia. Recomiendo un valor inferior al máximo ya que tienes que tener en cuenta la impedancia del cable y si esta es comparable a la resistencia, disminuirá la luminosidad del led. Recomiendo atacar a los ramales con mayor frecuencia a 1Hz (la que dices que usas) para disminuir la potencia disipada por los leds y poder usar resistencias de menor valor.
Un saludo | |
| |
| |
|
|
 |
|