| Autor | Mensaje |
|---|
| Asunto: Publicado: 14 Ago, 2006 - 07:29 |
|
Experto


Registrado: 23 Oct, 2005
Mensajes: 224
Ubicación: San Juan - Argentina
|
| -Oye, si conectas 10 LEDs en serie tendrás en los terminales de cada LED una caida de potencial de 3V con lo que suma en total 30V pero la corriente que debe circular en todo el circuito es de 20mA (dependiendo del tipo de leds que uses). Por lo que debes limitar esta corriente con una resistencia en serie con los LEDs teniendo en cuenta que por los mismos ya cayeron 30V y deben circular 10mA.
-Si conectas 10 LEDs en paralelo tendrás en los terminales de todos los LEDs juntos 3V de caída de potencial y la corriente que consuman todos juntos serán 200mA por lo que debes limitrla con una resistencia en serie con los LEDs teniendo en cuenta que por los mismos cayeron sólo 3V y debe circular una corriente de 200mA.
Busca información y estudia las Leyes de Kirchoff para entender cálculo de redes circuitales. | |
| |
| |
|
|
 |
| Asunto: Publicado: 16 Ago, 2006 - 05:57 |
|
Experto

Registrado: 10 Jun, 2006
Mensajes: 192
|
| Si estuviesemos trabajando con 9V CC te diría... "prueba esto"
como hablamos de 220V AC te digo... "juegate la vida con esto :D
he estado jugando con un programa de diseño y me ha salido esto...
Lo mas probable es que la haya cagado... tu verás... esperate a que alguien diga si esto explotará o no...
Para no pillarte los dedos los condensadores ponlos de 400V y las resistencias de 1/2W
Saludos. | |
| |
| |
|
|
 |
| Asunto: Publicado: 17 Ago, 2006 - 10:27 |
|
Fanatico de la Electronica

Registrado: 01 Abr, 2006
Mensajes: 418
Ubicación: Illapel....Chile
|
| Holas. retomo el tema.... crei que havia quedado claro.... sigo conmi postura sencilla de un LED acompañado de una resistenca...Fugu tu CTo eta bien. un LED encendera por cada semiciclo. aunque la frecuencia es de 60Hz... rectificando a media onda te da unos pulsos de 30Hz lo suficientemente rapido como para que el ojo humano no detecte el parpadeo..Eso si debo habalr sobre la resistencia. no solo se quemara esta sino que tb el LED la caida de voltaje de un LED condiciendo es de 0.7V contra los 311Vac(maximos...Vrms*1.41) la resistencia estara disipando 309 voltiosen cada cresta ahora por 1Kohms la corriente se dispara a 300mA dandote una potencia teorica de ...90W... yo ondria una resistencia como minimo de 20Kilos de ahy para arriba y la potencia 5w (para 20K si aumenta el valor de la resistencia baja la potencia)...
BYE! |
_________________ Saluda ATTE:
vichotronico@
SABER PARA PENSAR....PENSAR PARA OBRAR "ANONIMO" | |
| |
|
|
 |
| Asunto: Publicado: 19 Ago, 2006 - 08:55 |
|
Vive en el foro

Registrado: 08 Jul, 2004
Mensajes: 253
Ubicación: Algorta (Vizcaya)
|
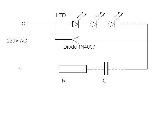
| Siento tener que quitarle la razón a Vicho Trónico y dársela a Krotalon en varias de las cosas que se han escrito. NO se puede proteger un diodo led con una resistencia en serie (sea del valor que sea) ni siquiera con otro diodo de silicio en serie por que, al no haber corriente inversa, no hay caida de tensión por lo cual, los 220V están presentes en el diodo en sentido inverso (ley de ohm). Si ponemos un diodo de silicio en serie parecería que queda protegido pero existe el problelma de los tiempos de recuperación inversa de los diodos en el cambo del sentido de la corriente, y si el diodo de silicio tarda en recuperarse, mientras lo hace, el LED tiene toda la tensión inversa para el solito. De modo que lo bueno es poner un diodo en antiparalelo como dice Krotalón además de la resistencia limitadora. El diodo puede ser otro led en el caso de querer proteger a un solo diodo LED u otro diodo de silicio de una tensión inversa de 1000V como el 1N4007
Ahora la segunda parte con la resistencia (que no se pone a bulto si no que se calcula).
Hay que limitar la corriente del o de los diodos LED a unos 15 ó 20 mA para lo cual podemos poner la resistencia calculada en serie o poner un condensador en serie con una resistencia de menor valor con lo que tenemos una disipación menor en ella para lo cual tenemos que calcularlo. La reactancia Xc que ofrece el condensador al paso de la AC será el resto de la resistencia
Para una corriente del led de 15mA (alumbra casi lo mismo que con 20mA) y una frecuencia de 50Hz
Con UN SOLO DIODO LED, la resistencia sería de 220/0,015=14.666 ohmios o sea 15K valor comercial de una potencia de 5W
Si ponemos 10 LED en serie, la resistencia sería algo menor (220-30)/0,15=12666 Ohmios o sea 12K de valor comercial 5W
Si ponemos 10 LED y un condensador más una resistencia (se pone cierto valor de resistencia como protección) los valores serían estos:
Xc=1/2pi*f*C . Dejamos una resistencia de 1800 ohmios en serie (potencia 1W) y la reactancia capacitiva del condensador hará el resto de la resistencia o sea unos 10.800 ohmios. Despejando C=1/2pi*f*10800 y da en valor comercial 330nF (nanofaradios) . Deberá ser de poliester aislado para 600V. Ver los esquemas | |
| |
| |
|
|
 |
| Asunto: Publicado: 19 Ago, 2006 - 08:59 |
|
Vive en el foro

Registrado: 08 Jul, 2004
Mensajes: 253
Ubicación: Algorta (Vizcaya)
|
| | Los esquemas |
| Led para 220V.JPG |

|
| |
| |
|
|
 |
| Asunto: Publicado: 19 Ago, 2006 - 09:00 |
|
Vive en el foro

Registrado: 08 Jul, 2004
Mensajes: 253
Ubicación: Algorta (Vizcaya)
|
| | El otro |
| Led para 220V_2.JPG |

|
| |
| |
|
|
 |
| Asunto: Publicado: 19 Ago, 2006 - 10:55 |
|
Nuevo en el Foro

Registrado: 05 Ago, 2006
Mensajes: 31
|
| | COMO ES QUE SE COMPLICAN TANTO LA EXISTENCIA? |
_________________ NADA PEOR QUE UN IDIOTA CON INICIATIVA | |
| |
|
|
 |
| Asunto: Publicado: 20 Ago, 2006 - 01:20 |
|
Experto

Registrado: 10 Jun, 2006
Mensajes: 192
|
| Hay gente que disfruta complicándose la vida construyendo barcos dentro de una botella ¡y disfruta con ello!
Y gente a la que nos divierte llevarnos un chispazo de vez en cuando
Son formas diferentes de masoquismo que en ocasiones produce satisfacción...
Otros disfrutan tirandose de un puente con una cuerda atada a los pies... que quieres que te diga, el mudo está loco juas juas...
Saludos  | |
| |
| |
|
|
 |
| Asunto: Publicado: 20 Ago, 2006 - 04:18 |
|
Fanatico de la Electronica

Registrado: 01 Abr, 2006
Mensajes: 418
Ubicación: Illapel....Chile
|
| Holas.Manu..Recuerdo que la tension inversa de un LED esta cerca de los 300VAC...te cuento que yo he puesto en practica mi metodo abreviado de prteccion de un LED (con una sola resistencia... de 22Kilos eso si)conectada alos 220VAC y cero problemas... a mayor voltaje es otra cosa a .concuerdo que no es la opcion mas segura que existe peri si funcional... por ahora creo que eleccion queda en manos del constructor :D :D :D
Y para martinvazquez..la vida sin comlicaciones no seria vida...es muy aburrido hacer todo sin suspenso y complicaciones y tb con un poco de masoquismo la satisfaccion aumenta.......
BYE! |
_________________ Saluda ATTE:
vichotronico@
SABER PARA PENSAR....PENSAR PARA OBRAR "ANONIMO" | |
| |
|
|
 |
| Asunto: Publicado: 22 Ago, 2006 - 04:55 |
|
Nuevo en el Foro

Registrado: 05 Ago, 2006
Mensajes: 31
|
| | algo de complicacion esta bien,pero..... si el conocimiento en electronica que tienen lo adquirieron armando circuititos de juguete y ya no les da para mas,por que mejor no estudian los fundamentos de la electronica y asi logran algo por ustedes mismos? almenos la complicacion seria bien justificada |
_________________ NADA PEOR QUE UN IDIOTA CON INICIATIVA | |
| |
|
|
 |
|