| Autor | Mensaje |
|---|
| Asunto: me pueden ayudar con los componentes?? Publicado: 13 Dic, 2007 - 05:09 |
|
Nuevo en el Foro

Registrado: 13 Dic, 2007
Mensajes: 1
|
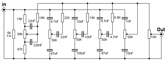
| | kiero hacer 1 ecualizador d 5 bandas, tngo el eskema k e cojido d aki pero no se k son cada componente. alguien m puede dcir k son cada uno??? |
| ecualizador%205%20bandas.gif |

|
| |
| |
|
|
 |
| Asunto: Publicado: 15 Dic, 2007 - 06:26 |
|
Vive en el foro


Registrado: 30 Sep, 2007
Mensajes: 261
|
| Hola.
El componente que tiene dos linéas paralelas se llama capacitore o condensador,
los rectángulos se llaman resistores o resistencias, los rectángulos con una flecha al centro, son resistencias variables, en este caso son potenciómetros.
Busca en los tutores que hay en foro, donde encontrarás, una mejor explicación del comportamiento de los condesadores y resistencias.
Chao.
elaficionado. | |
| |
| |
|
|
 |
|