| Autor | Mensaje | 
|---|
 | Asunto: CIRCUITO DESCARGADOR DE BATERÍAS  Publicado: 16 Jul, 2008 - 09:59  |  
  | 
Nuevo en el Foro 
             
 
  Registrado: 16 Jul, 2008 
            Mensajes: 1 
             
             |  
  | El caso es que necesito un circuito descargador de baterías para mantener en forma las baterias de mi coche radiocontrol.
 
 
La batería es de 6 elementos (NIMH) con una tensión cargada algo superior a los 7,2 V, y necesito un circuito que descargue a una corriente relativamente constante de aproximadamente 1A y que corte cuando la tensión de la batería sea de 6,0V.
 
 
Creo que con un par de transistores se podría hacer, pero de transistores tengo muy poca idea, otra cosa que se me ocurrió es con un 7805 como regulador, pero necesita 8V para funcionar.
 
 
Acepto cualquier tipo de sugerencias.
 
 
Un saludo y gracias por adelantado |  | 
            
           |  |
 |     |  
  | 
 | 
  | 
 | Asunto:   Publicado: 18 Jul, 2008 - 04:29  |  
  | 
Vive en el foro 
             
  
  Registrado: 30 Sep, 2007 
            Mensajes: 261 
             
             |  
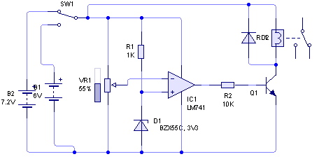
  | Hola.
 
Este circuito lo hice con el simulador Livewire.
 
Cuando se pone 6V se activa el relay, cuando el voltaje es mayor a 6V el relay no se activa.
 
El archivo .zip contiene el circuito en el programa Livewire.
 
Chao.
 
elaficionado. |  
            
 
 
 | 6v.jpg |  
  
 
  |  
 
 
 | 6v.zip |  |  Descripción: |  |   Descargar |  |  Nombre del archivo: |  6v.zip |  |  Tamaño: |  1,46 KB |  |  Descargado: |  404 veces |  
  
           |  |
 |     |  
  | 
 | 
  | 
    
  |