Nuevo en el Foro

Registrado: 12 Ago, 2005
Mensajes: 7
|
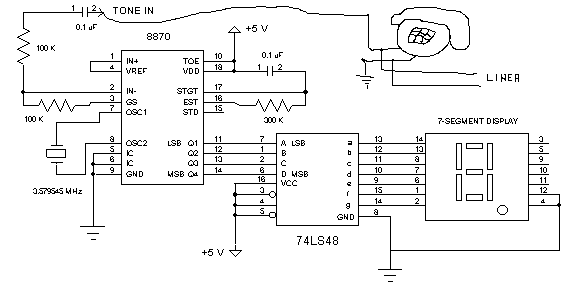
| necesito ayuda con un decodificador de tonos dtmf con in ci cm8870, la verdad es q soy novato en esto y a pesar de todos mis intentos no he podido hacerlo funcionar, alguien que pueda guiarme, agradeceria su ayuda
torustorus@hotmail.com
P.D.: agradeceria con una cuenta gmail por si le interesa gracias |
decodificador de tonos.gif |

|
| |
|
|