| Autor | Mensaje |
|---|
| Asunto: Publicado: 30 Nov, 2006 - 12:26 |
|
Habitual

Registrado: 10 Jul, 2006
Mensajes: 83
|
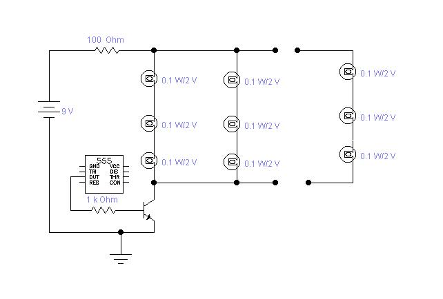
| VichoTronico: veo que el circuito que pegaste trabaja con un 7812, esto no me serviria pues el voltaje es entre 10 y 15 y este componente requiere de 15 v para funcionar. El 555 trabaja solo a 12 v o lo puedo hacer trabajar tb a 9 o 5?
colocao un diagrama y me dicen si esta bien, seria interesante que los circuitos funcionen solo cuando se necesiten tambien, por ej: el señalero parpadera y que en cada parpadeo se encienda todo el circuito(el regulador y el osilador). Esto no causaria problemas?
tambien me gustaria usar un transistor a la ves de relay, segun mi logica consume menos y el desgaste es menor
por favor alguien me puede confirmar lo del consumo cuando se coloca en serie? | |
| |
| |
|
|
 |
| Asunto: Me estoy volviendo loco poco a poco, poco a poco Publicado: 01 Dic, 2006 - 03:25 |
|
Fanatico de la Electronica

Registrado: 10 May, 2006
Mensajes: 619
|
| Pero por qué utilizar 24 alimentaciones diferentes?
Por los leds?
Ese diseño es costisimo, ineficaz y peligroso.
¿como regulas los 50mA? Un diodo led en directo intentará conducir toda la corriente que se le permita. Un regulador, le vá a suministrar toda la que pueda, ¿como lo regulas eso?
Mira, regulación fija a 9V con un 7809 (cuanto más alta sea la tensión, más leds en serie puedes usar), si no, en paralelo todos con una resistencia, o una resistencia por led.
Mira el margen que admite el 7809, puedes hacerlo con un LM317 y ponerte la tensión a la que tu quieras y abarcas más margen.
La resistencia, es imprescindible si no quieres quemar los leds, o la llevan ellos puesta o la pones tu.
Respecto al ondulador de 100Hz, lo dicho, pero con un solo trasistor en la masa comun de los que quieras activar hecho.
Saludos. |
| leds.JPG |

|
| |
| |
|
|
 |
| Asunto: Publicado: 01 Dic, 2006 - 02:08 |
|
Habitual

Registrado: 10 Jul, 2006
Mensajes: 83
|
| yo creo que no nos estamos entendiendo y mi conocimiendo de electronica es muy pobre.
voy a empezar a estudiar un poco en la red y necesitare algo de ayuda, hire posteando mis dudas y una ve que sepa mas o menos como armar un circuito simple sigo con este proyecto. Si tiene alguna sugerencia o algo util para aumentar mis conocimientos no duden en decirmelo.
gracias | |
| |
| |
|
|
 |
| Asunto: leches pani_alex!!! Publicado: 02 Dic, 2006 - 02:03 |
|
Fanatico de la Electronica

Registrado: 10 May, 2006
Mensajes: 619
|
| El circuito que te he posteado es un ejemplo con leds verdes (creo que son los de 2V) o los que quieras.
Para cada color tendrás que usar resistencias diferentes y ya está y cambiar el numero de leds.
Para los 9V, tienes que utilizar el 7809, o el que te dé la gana.
Cuando hayas hecho esa parte, hablaremos de la alimentación. Que esa puede tener más tela.
ok? | |
| |
| |
|
|
 |
| Asunto: Publicado: 20 Dic, 2006 - 08:05 |
|
Habitual

Registrado: 10 Jul, 2006
Mensajes: 83
|
| ahora recien me puse amirar bien el circuito y lo entendi.
los voltajes que necesito son de
6.8
7.6
8
entonces podria usar un 7808 para mantener mi voltaje constante, luego colocar resistencias para que los dos primeros voltajes estrege lo que yo quisiera y para el ultimo de 0.1w y 1ohm?
nadie respondio a mi pregunta: si un led consume 0.1w, dos led en paralelo consumen 0.2w y 4 0.4w, pero si los coloco en seria mantienen su consumo a 0.1w? Mas arriba daba mis porques. | |
| |
| |
|
|
 |
| Asunto: Respuesta al consumo de los LEDS Publicado: 21 Dic, 2006 - 12:40 |
|
Experto

Registrado: 19 Nov, 2006
Mensajes: 162
|
| Hola, he visto tu duda y voy a ver si te lo puedo explicar de una forma los más clara que te la pueda exponer.
Cuando colocas vários leds en paralelo y estos tienen un consumo X cada uno, es correcto que la suma de la potencia de los LEDS está multiplicada por el número de LEDS; pero hay que tener en cuenta a qué diferencia de potencial están sujetos estos LEDS para saber que valor de resistencia hay que poner para limitarle la corriente.
Bien, pero cuando habláis de la potencia os limitáis al consumo en general pero no al consumo de los LEDS.
Ejemplo:
Para una tensión de 10 V y una corriente de 10 mA la potencia desarrollada sería de 0.1 W. Pero sería la totalidad de la desarrollada por el LED más la desarrollada por la resistencia.
Si la tensión de caida del LED es de 3 V, la tensión en los extremos de la resistencia es 7 V, y en consecuencia la potencia desarrollada por el LED es de 0,03 W y 0,07 para la resistencia con lo que la suma de los dos nos dá el 0,1 W en total, y si los pones en paralelo, lo que sumas es la potencia del LED más la potencia de la resistencia limitadora.
Y visto esto, si colocamos 3 LEDS en seríe para la misma tensión de 10 V y limitamos la corriente a 10 mA a través de una resistencia, en los extremos de esta habría una caída de tensión de 1 V y una caída de tensión de 3 V en los extremos de cada uno de los LEDS, por lo tanto sería siguiendo el orden; LED + LED + LED + R = 0,03 W + 0,03 W + 0,03 W + 0,01 W = 0,1 W total.
Creo que de esta forma puedes entenderlo bién, si no es así vuelve a postear. Hasta pronto. | |
| |
| |
|
|
 |
| Asunto: Publicado: 29 Dic, 2006 - 02:42 |
|
Habitual

Registrado: 10 Jul, 2006
Mensajes: 83
|
| me parece q entendi, pero usas demaciados terminos tecnicos y me marean.
esto quiere decir que:
si tengo una corriente de 220v y conecto 2 focos de 120v de 50w el consumo del total seria 50w?
xq segun me dijo alguna ves un electronico tendria que se de 25w.
volbiendo al tema de los led, tengo que colocar una resistencia de 0.1w o igual a que si pusiera un solo led? | |
| |
| |
|
|
 |
|