Electrónica Fácil
FAQ
•
Buscar
•
Registrarse
•
Entre para ver sus mensajes privados
•
Login
Eleccion diodo
Anterior
1
,
2
Índice de los Foros Electronica Facil
»
FOROS ELECTRONICA
»
Electronica analogica
Autor
Mensaje
modrcm
Asunto
:
Publicado:
07 Ago, 2009 - 09:53
Nuevo en el Foro
Registrado: 04 Ago, 2009
Mensajes: 9
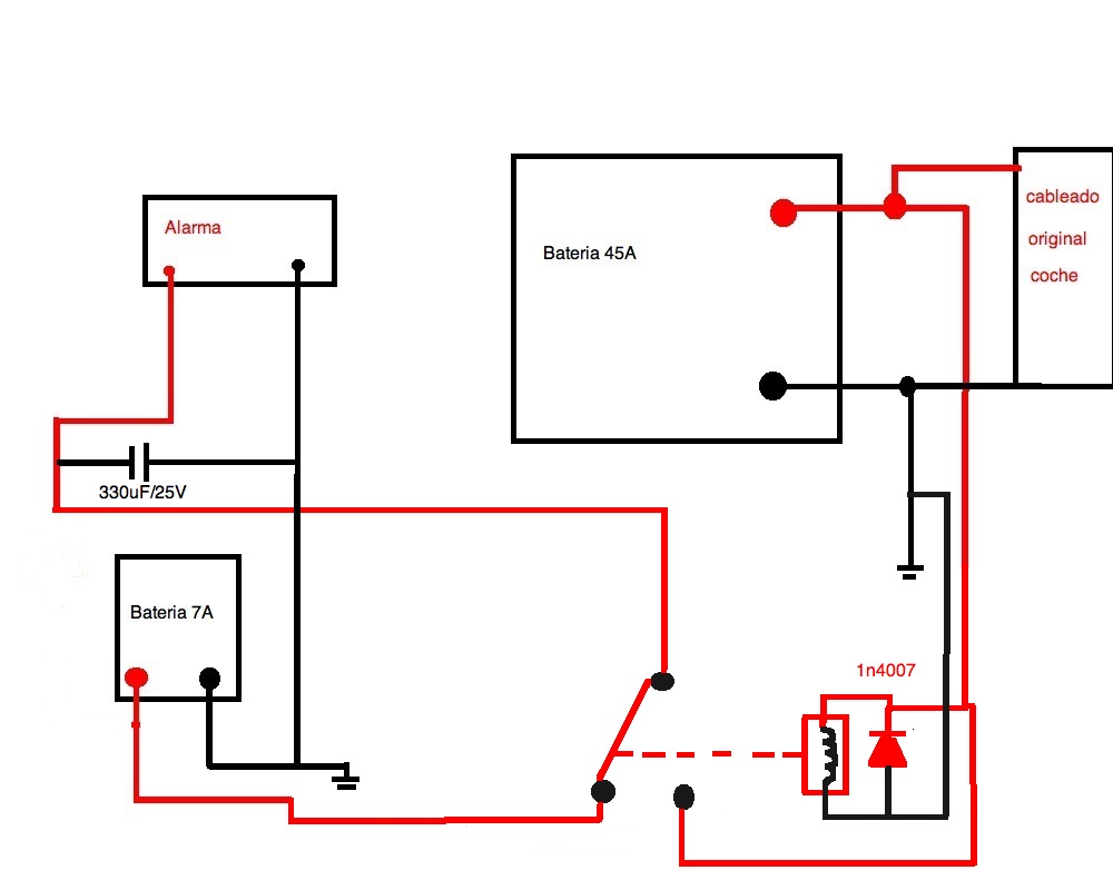
Gracias a todos, bueno, pues opto por poner el circuito asi (lo veo mas seguro) ¿Como lo veis?
Solo me faltaria conectar esa bateria para cargarla ¿Como podria ponerle el circuito para cargar a esa pequeña bateria?
Gracias, un saludo
Untitled.jpg
circuito para conectar bateria auxiliar
modrcm
Asunto
:
Publicado:
09 Ago, 2009 - 10:09
Nuevo en el Foro
Registrado: 04 Ago, 2009
Mensajes: 9
Si no entendeis algo me comentais
Gracias
modrcm
Asunto
:
Publicado:
12 Ago, 2009 - 04:52
Nuevo en el Foro
Registrado: 04 Ago, 2009
Mensajes: 9
¿Como veis ese esquema?
Gracias
Mostrar mensajes anteriores:
Todos los mensajes
7 Días
2 Semanas
1 Mes
3 Meses
6 Meses
1 Año
El más antiguo primero
El más reciente primero
Cambiar a:
Seleccione un foro
Indice del Foro
|--[FOROS ELECTRONICA]
| |-- Electronica analogica
| |-- Electronica Digital
| |-- Microcontroladores PIC
| |-- Electronica de Potencia
| |-- Instrumentacion y medicion
| |-- Charla electronica
| |-- Componentes electronicos
| |-- Robotica
| |-- Domotica
| |-- Electronica De Consumo
| |-- Software electronico
|--[TECNOLOGIAS MOVILES,INFORMATICA Y TELECOMUNICACIONES]
| |-- Telefonia
| |-- Ordenadores
| |-- Sistemas Radiantes
|--[ENERGIAS ALTERNATIVAS]
| |-- Foro de energias alternativas
|--[OFF - TOPIC]
| |-- Presentaciones
| |-- Zona Relax
| |-- Ofertas de trabajo
| |-- El Rastro. VENTA - COMPRA -INTERCAMBIO
| |-- Funcionamiento de la web
Todas las horas son GMT
Anterior
1
,
2
Índice de los Foros Electronica Facil
»
FOROS ELECTRONICA
»
Electronica analogica
© 2004 - 2026
Información Legal