FAQ FAQ  •  Buscar Buscar  •  Registrarse Registrarse  •  Entre para ver sus mensajes privados Entre para ver sus mensajes privados  • Login Login

urgente necesito que alguien me ayude

Índice de los Foros Electronica Facil » FOROS ELECTRONICA » Electronica Digital
Publicar nuevo tema   Responder al tema
Ver tema anteriorEntre para ver sus mensajes privadosVer tema siguiente
AutorMensaje
jesus12
Asunto: urgente necesito que alguien me ayude MensajePublicado: 13 May, 2010 - 06:09
Nuevo en el Foro
Nuevo en el Foro


Registrado: 13 May, 2010
Mensajes: 2

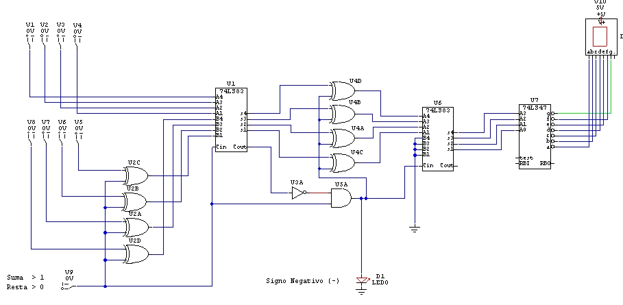
necesito hacer una calculadora solo con compuertas logicas pero no he podido hace la resta y la divicion si alguienb tiene una estructura interna de una calculadora que m la pudiera facilitar se lo agradeceria mucho
 
 Ver perfil de usuario Enviar mensaje privado  
Responder citando Volver arriba
MrCarlos
Asunto: Re: urgente necesito que alguien me ayude MensajePublicado: 15 May, 2010 - 10:17
Experto
Experto


Registrado: 18 Jul, 2009
Mensajes: 234
Ubicación: México
Hola jesus12

Espero el circuito representado en el archivo adjunto te sirva.

saludos
a sus ordenes



Sumador Restador.jpg

Sumador Restador.jpg
Sumador y Restador

 
 Ver perfil de usuario Enviar mensaje privado Enviar email MSN Messenger  
Responder citando Volver arriba
Mostrar mensajes anteriores:     
Cambiar a:  
Todas las horas son GMT
Publicar nuevo tema   Responder al tema
Ver tema anteriorEntre para ver sus mensajes privadosVer tema siguiente
 Índice de los Foros Electronica Facil » FOROS ELECTRONICA »  Electronica Digital
powered by phppowered by MySQLPOWERED BY APACHEPOWERED BY CentOS© 2004 - 2026Información Legalpoliticas de cookiesipv6 ready